Key1 and key2 from aftermarket radio everything works but the steering wheel controls?

1997 BUICK LESABRE
103,000 MILES • 3.8L • V6 • 2WD • AUTOMATIC
Avatar
BLACKHERO1997
  • MEMBER
  • 2 POSTS
Aftermarket radios, some come with steering wheel control wires that can be programed in the aftermarket HU. Is it the BMC module or factory radio itself or steering wheel column harness. We're do you think I'll hook these two wires. Thanks, Todd
Jan 15, 2023 at 7:16 PM
Repair Safety Notice: This information is for general instructional purposes only. Vehicle repair can be dangerous. Verify all information, follow manufacturer service procedures, use proper tools and safety equipment, and consult a qualified repair shop when needed.
Advertisement
Avatar
STEVE W.
  • CAR REPAIR CONTRIBUTOR
  • 15,148 POSTS
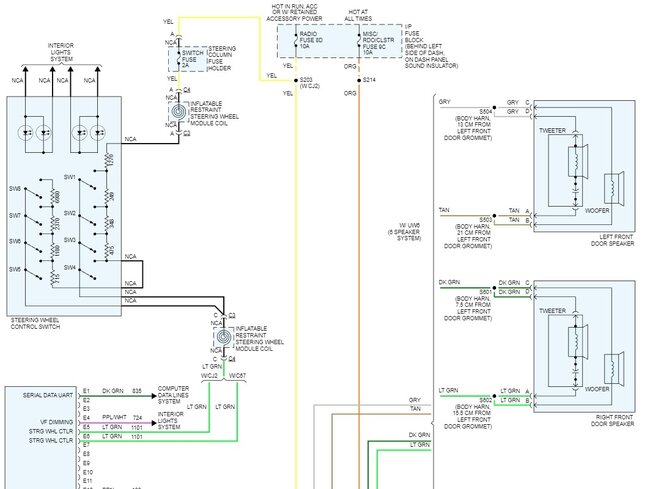
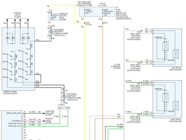
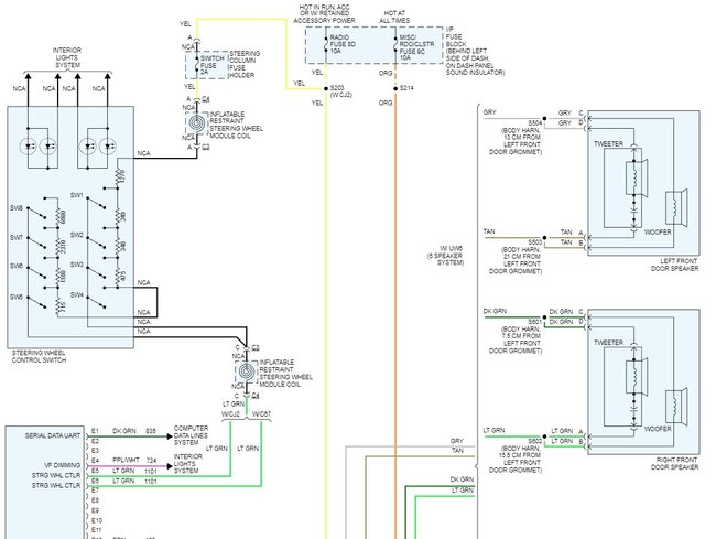
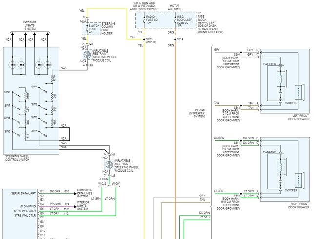
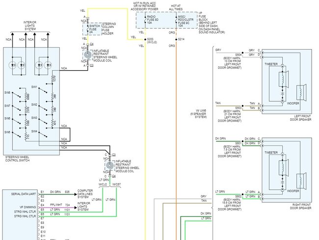
What radio is it? Without knowing what key1 and two require means there is no way to answer the question. For instance, are they for switched power or for programming? The factory steering controls go through the clock spring and to the radio itself. They use different resistances for each function as the wiring diagram shows. The instructions for the radio you have should tell you if they are both inputs or what they need to connect to.
You also will need a way to power the antenna module if you plan on using the tuner at all.
Jan 16, 2023 at 3:18 AM
Advertisement
Avatar
BLACKHERO1997
  • MEMBER
  • 2 POSTS
Plus the 7 inch double din android is installed in my car listed above with no problem and everything feature works but the steering wheel controls!
Jan 16, 2023 at 4:22 PM
Avatar
STEVE W.
  • CAR REPAIR CONTRIBUTOR
  • 15,148 POSTS
What make and model is the radio itself?
Jan 16, 2023 at 6:38 PM
Avatar
BLACKHERO1997
  • MEMBER
  • 2 POSTS
Reakosound, it's installed in my car now and works perfectly. It only has 1 wire (key 1) that needs to be connected to the steering wheel audio buttons. Hope I can figure this out so I can pass it on to others!
Jan 17, 2023 at 5:37 AM
Avatar
STEVE W.
  • CAR REPAIR CONTRIBUTOR
  • 15,148 POSTS
This is the only thing I could find showing anything about the wiring for that stereo, does it look like the information they supplied with yours? Does it have anything in the text saying what the wires do? Other than just key one and key two? The reason I ask is that in the factory system they use a voltage control on the steering wheel buttons. One wire (yellow) is fed voltage through the switch fuse and the output wire (light green) sends that to the radio. There are resistors in the switches that then reduce the voltage in different stages to tell the radio what to do, so volume up might be 1 volt while volume down might be 3 volts. Without knowing what they expect on those key wires it's very possible to damage the radio. Depending on the options for that car you could have only radio controls on the steering wheel, or it can have radio and heater temperature controls as well. Is yours only the radio? If so, then there might be a way to connect the stereo and make it work.
Possibly by removing the 2-amp fuse that powers the switches from the steering column holder and then connecting the light green wire to key 1 and then adding a wire from the yellow wire that goes from the fuse to the clock spring in the column and connecting that to key 2. That would isolate the steering wheel controls and turn them into just resistors with no voltage feed. However, the wiring info they provide doesn't say if the inputs use voltage or resistance for the controls.
I went to the Reakosound site, and they have nothing there on this issue. Perhaps you can find some contact information in the paperwork you have that lets you contact the company and find out if the control input is voltage or desistance? That is something that really should be in the literature with the unit. I have also seen where other similar units use a programmable interface between the controls and the stereo. Don't want you to damage the unit or worse damage the car.
Jan 17, 2023 at 10:39 AM