Saturday, September 14th, 2019 AT 2:09 PM
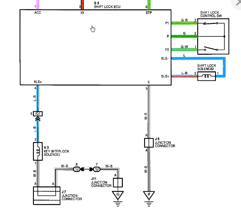
Can unlock the wheel bit won't turn past that. Shifter is locked in park as well but I am able to override the shift lock to switch gears. Wondering if it's just too old of a key or if I need to replace the ignition cylinder or if there's something else?


