HOME
ASK A QUESTION
REPAIR GUIDES
BECOME A MEMBER
LOG IN
Login with Facebook
OR
Remember me
NOT A MEMBER?
FORGOT PASSWORD?
CONTACT US
PRIVACY POLICY
TERMS AND CONDITIONS
☰
Home
Honda
Fit
Electrical
Ignition Switch
Key
Remote
Key fob not working
WILL REY
MEMBER
2012 HONDA FIT
95,600 MILES
My smart key will not open the doors. Also, my lock/unlock button inside car will not lock or unlock the doors either.
I have replaced the key fob battery still does not work.
Saturday, August 12th, 2017 AT 10:09 PM
1 Reply
KEN L
MASTER CERTIFIED MECHANIC
55,281 POSTS
Hello,
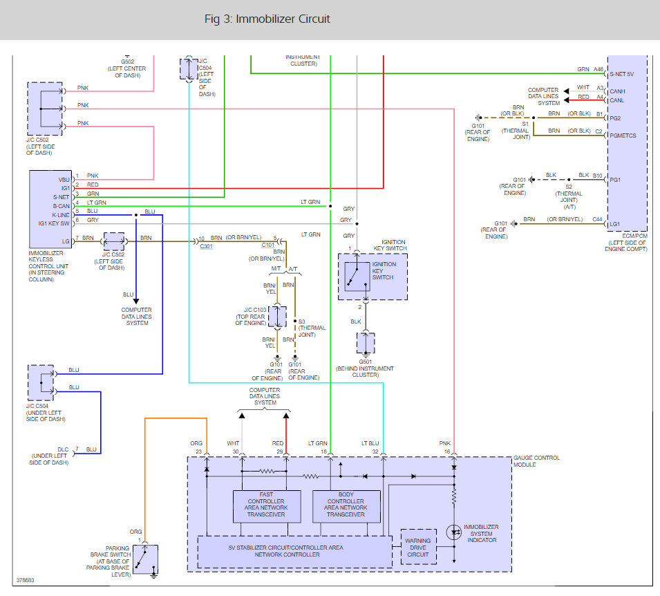
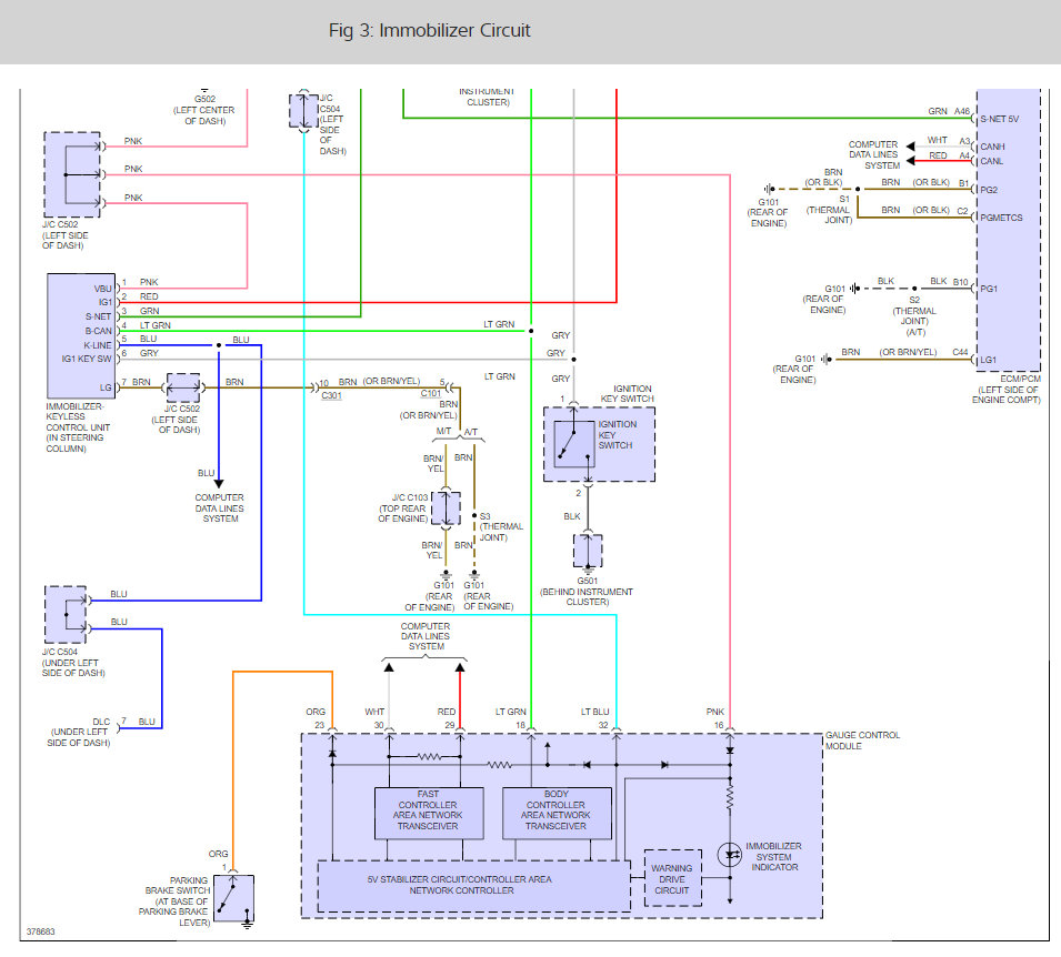
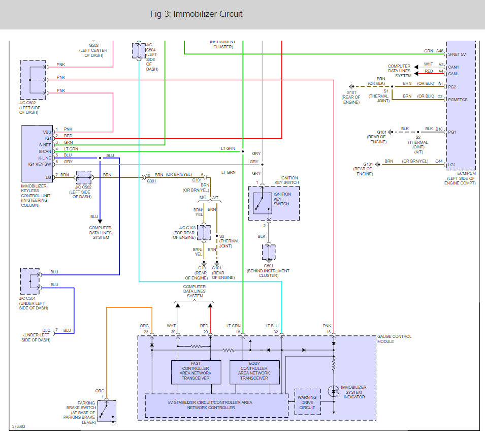
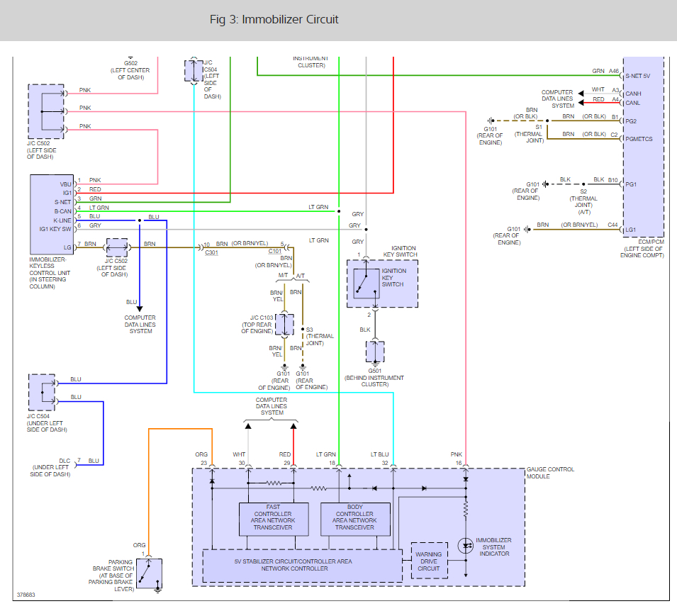
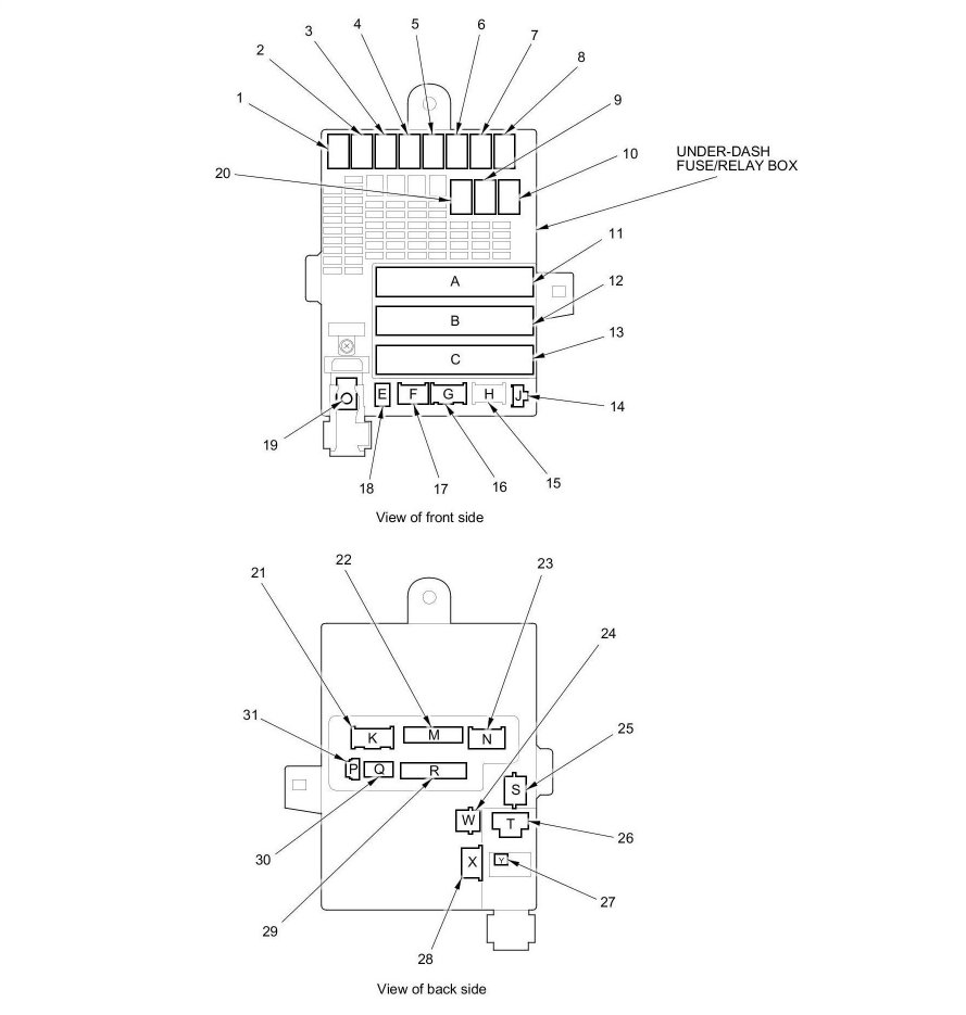
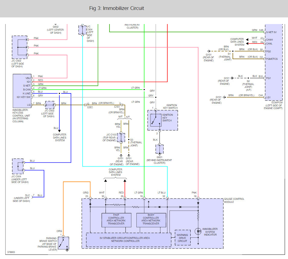
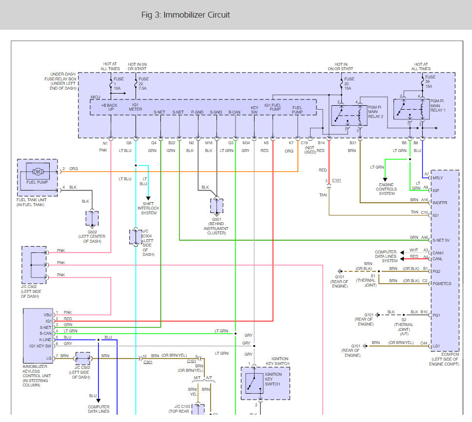
It sounds like you have a fuse that is out, Here is a guide and some diagrams (Below) that will help us find the problem.
https://www.2carpros.com/articles/how-to-check-a-car-fuse
Please run this test and get back to us we are interested to see what it is.
Cheers, Ken
Images (Click to make bigger)
Was this
answer
helpful?
Yes
No
+1
Monday, August 14th, 2017 AT 6:34 PM
Please
login
or
register
to post a reply.
Related Ignition Switch Key Remote Content
2007 Honda Fit. Automatic. Stopped Car. Car Now...
Car Was Stopped. Cannot Go Into Gear (automatic) And Cannot Get Key Out Of Ignition.
Asked by
clcotter
·
4 ANSWERS
2007
HONDA FIT
GUIDE
Key Fob Reprogram
How to reprogram an automotive key/door remote for GM, Ford and Honda
I Have Honda Fit Car, Don't Use Smart Key. Please....
I Have Honda Fit Car, Don't Use Smart Key. Please. Help Me.
Asked by
Anonymous
·
1 ANSWER
2007
HONDA FIT
Ask a Car Question. It's Free!