Just wondering how to install valve cover gaskets

Tiny
MONSTER4513
  • MEMBER
  • 2003 FORD F-150
  • 6.4L
  • V8
  • 4WD
  • AUTOMATIC
  • 1,500 MILES
Does a valve cover gasket need to be hard to do? My friend says yes I say no.
Friday, April 28th, 2017 AT 10:25 AM

2 Replies

Tiny
SQM
  • MECHANIC
  • 6,383 POSTS
Hello,

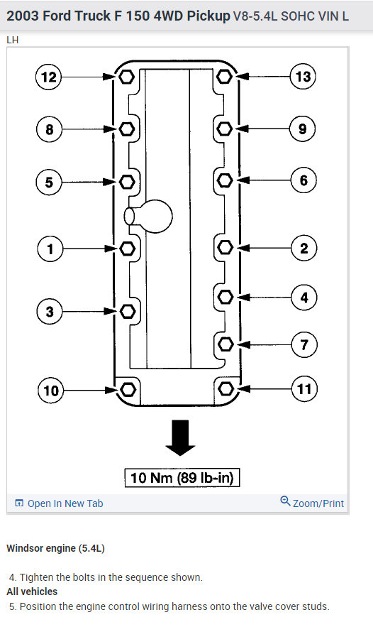
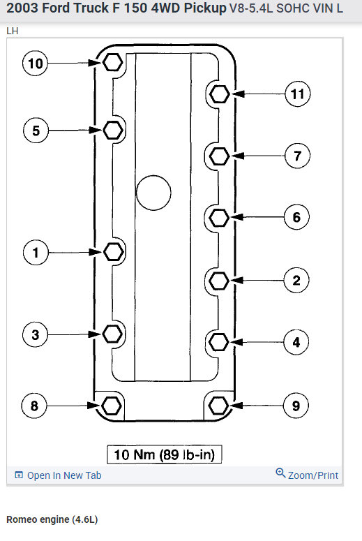
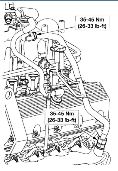
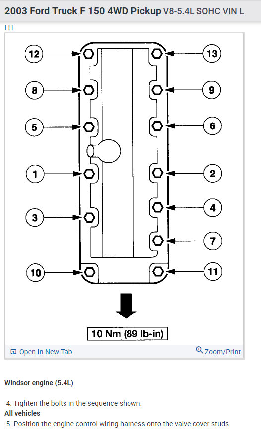
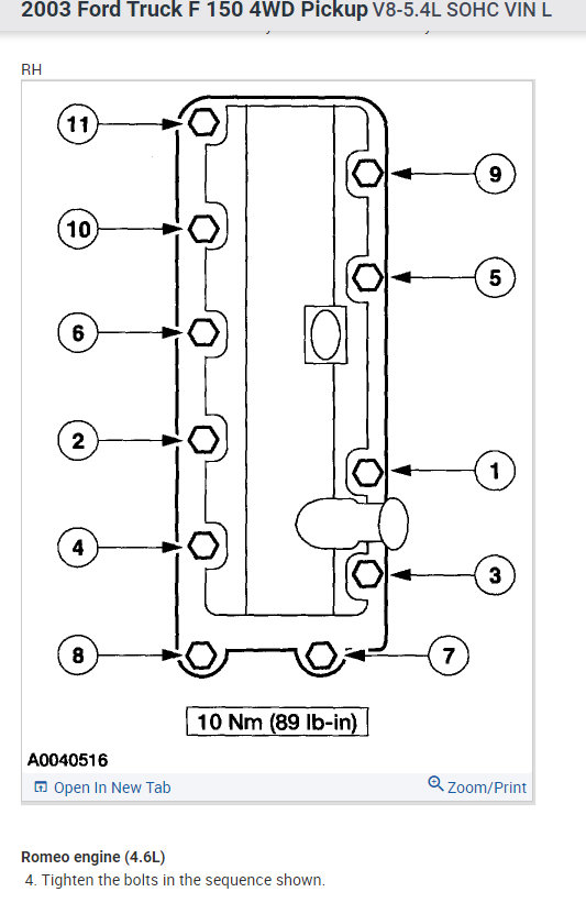
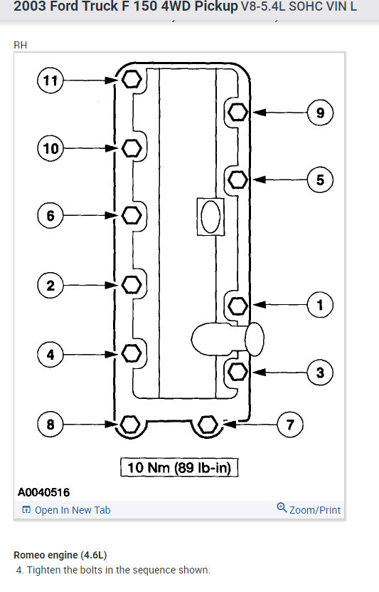
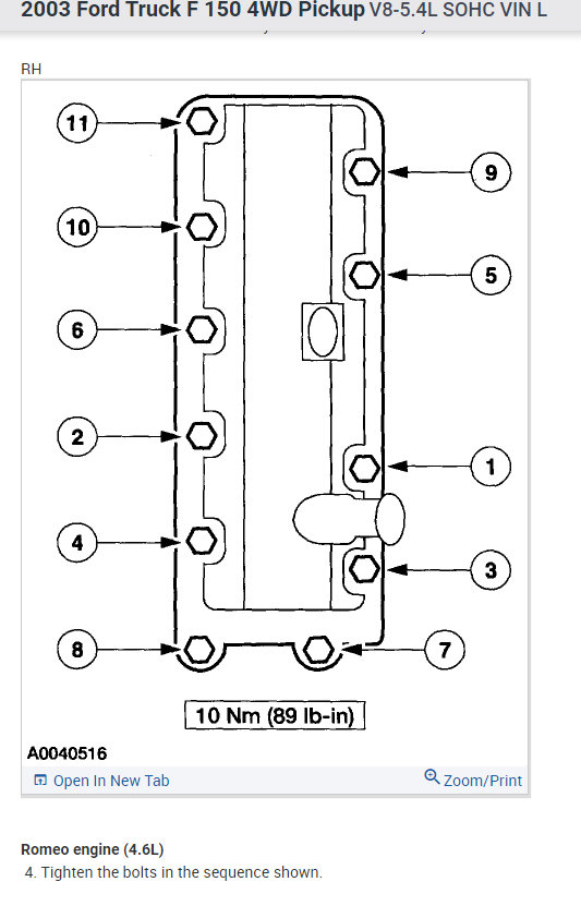
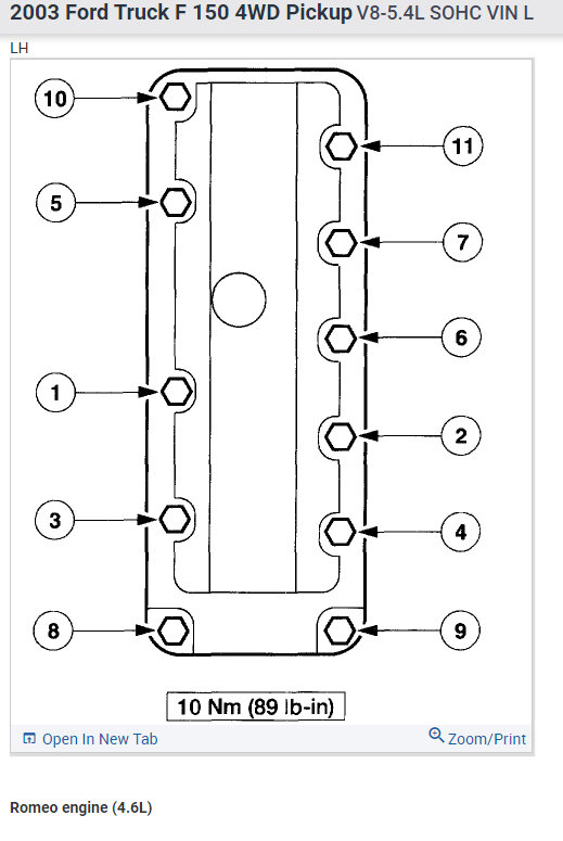
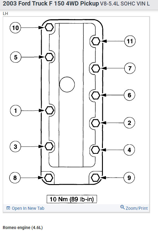
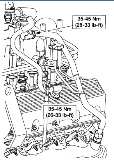
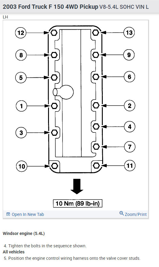
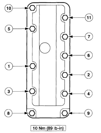
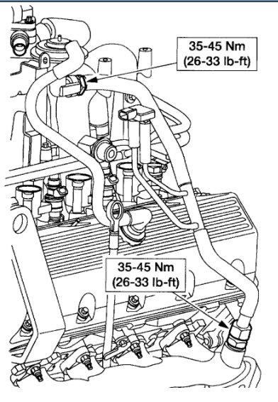
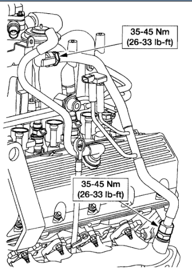
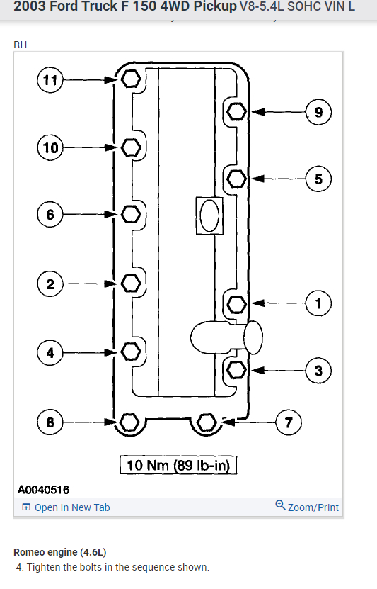
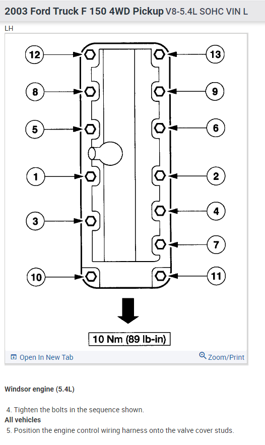
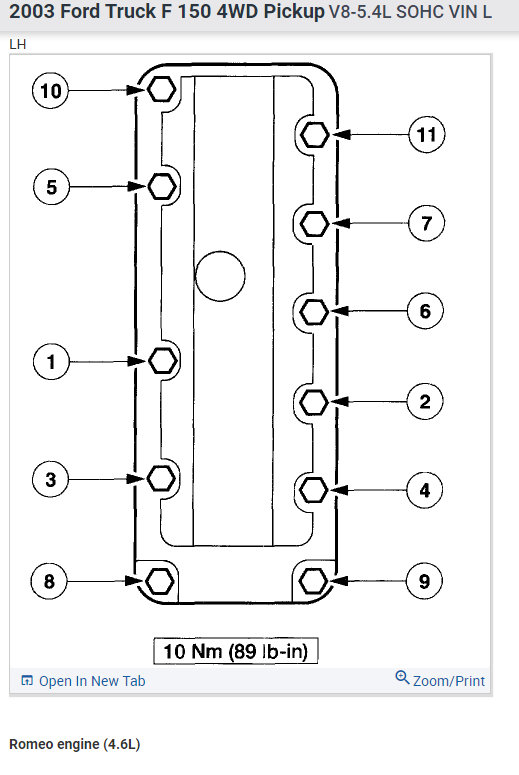
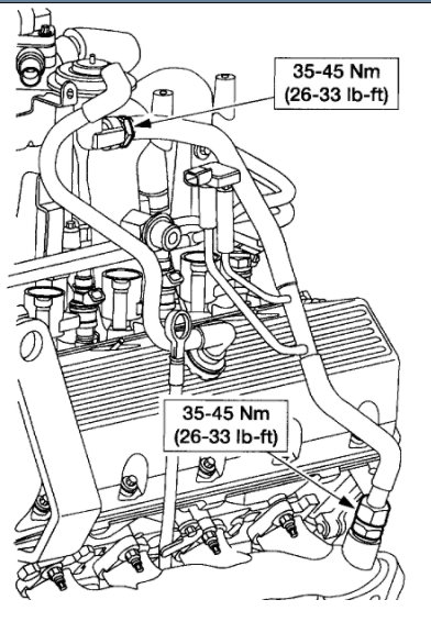
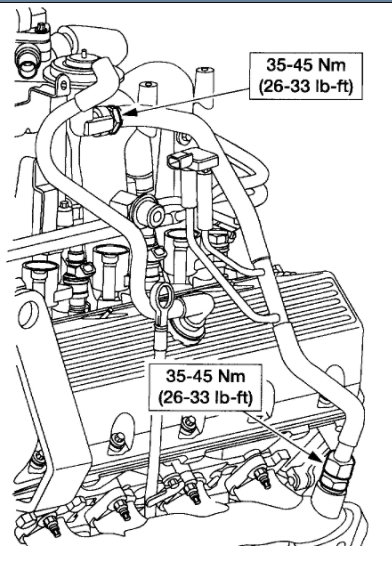
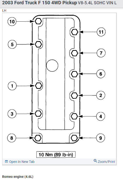
Replacing the valve cover gasket does involves removing several parts. It is not terribly difficult and can be done mostly using simple hand tools. You will need a torque wrench unorder to torque down the valve cover bolts properly.

Here is a helpful article:

https://www.2carpros.com/articles/replace-valve-cover-gasket

I have attached the complete replacement procedure for your reference.

Please let me know of any questions.
Thank you.
Was this
answer
helpful?
Yes
No
Tuesday, September 14th, 2021 AT 9:52 AM
Tiny
DANNY L
  • MECHANIC
  • 5,648 POSTS
Hello, I'm Danny.

Valve cover gaskets are relatively simple. Here is the information you requested for valve cover gasket replacement. Here is a tutorial for valve cover replacement:

https://www.2carpros.com/articles/replace-valve-cover-gasket

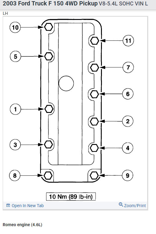
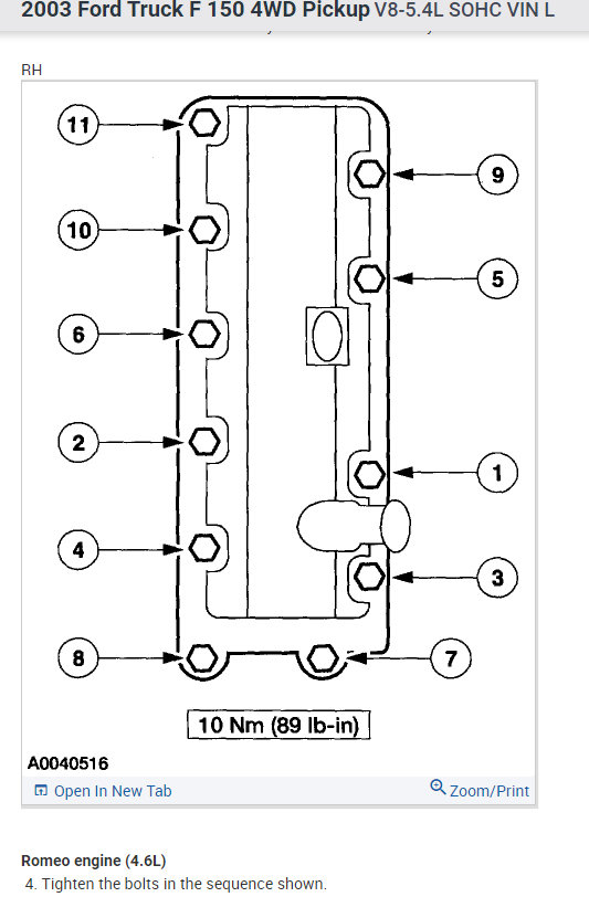
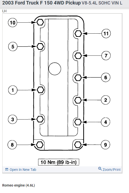
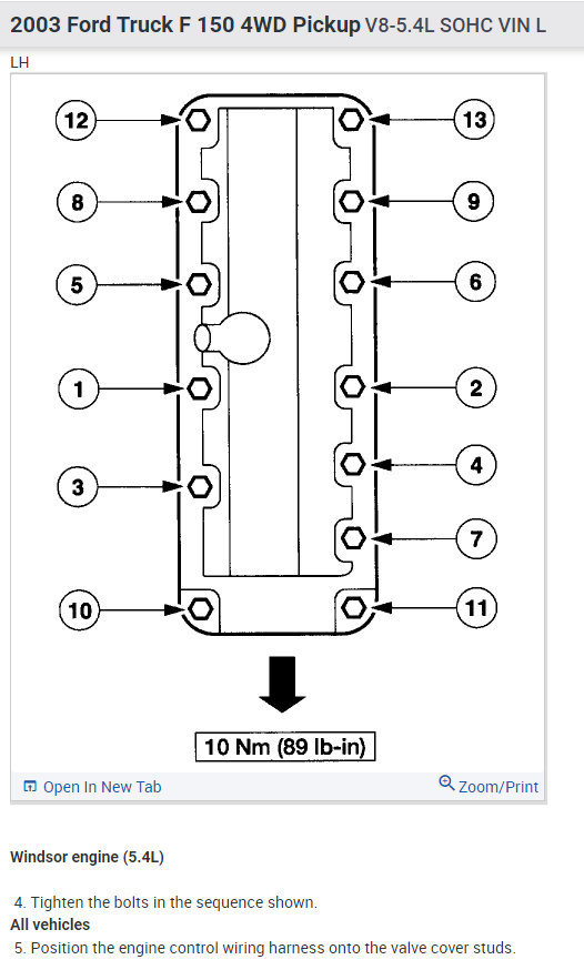
I've attached picture steps below for valve cover gasket replacement for both left and right side on your F-150. Hope this helps and thanks for using 2CarPros.
Was this
answer
helpful?
Yes
No
Tuesday, September 14th, 2021 AT 10:08 AM

Please login or register to post a reply.