Wednesday, August 16th, 2017 AT 10:04 AM
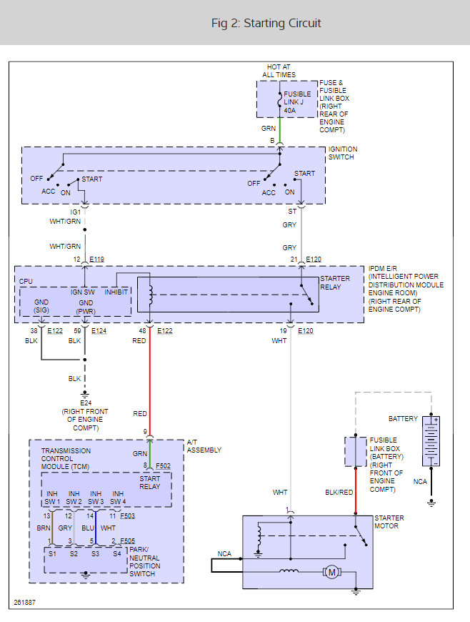
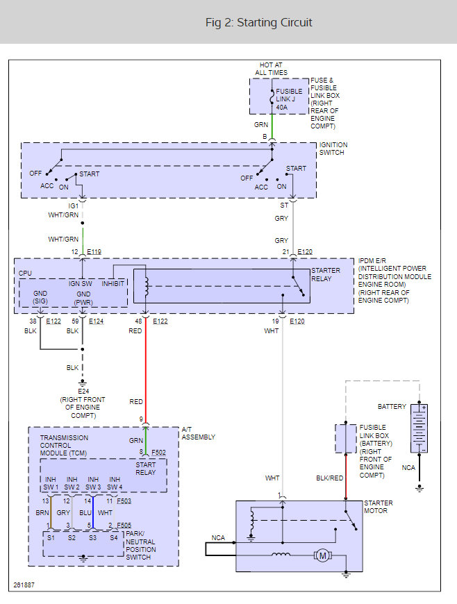
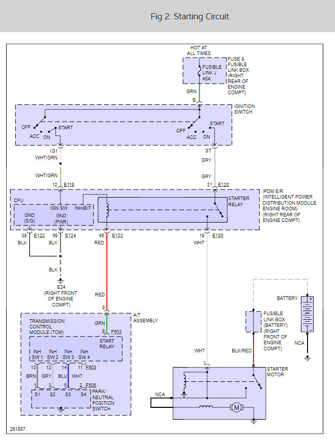
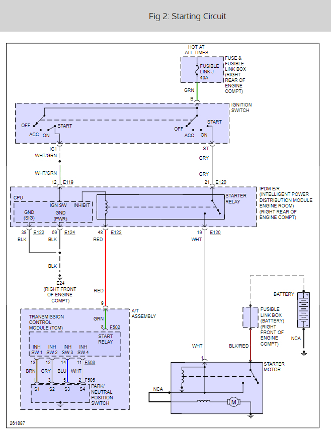
Will not crank over, bought as is. Replace starter relay, checked starter (checked good), battery charged, still will not crank or start. Put key in switch dashboard lights up, but the headlights come on, will not show park in the indicator box on dashboard, no chimes for door open, key in switch or headlight being on. There is no check engine light on. The lady I bought it from said she stopped at a stop sign, it quit running she tried starting it, would only turn over but not start. Had it towed home, parked it then drivers window got broken out by rock. Stayed parted for two years with no battery, checked all fuses they are good, no coolant that is leaked into the transmission. Please help me figure this out.



