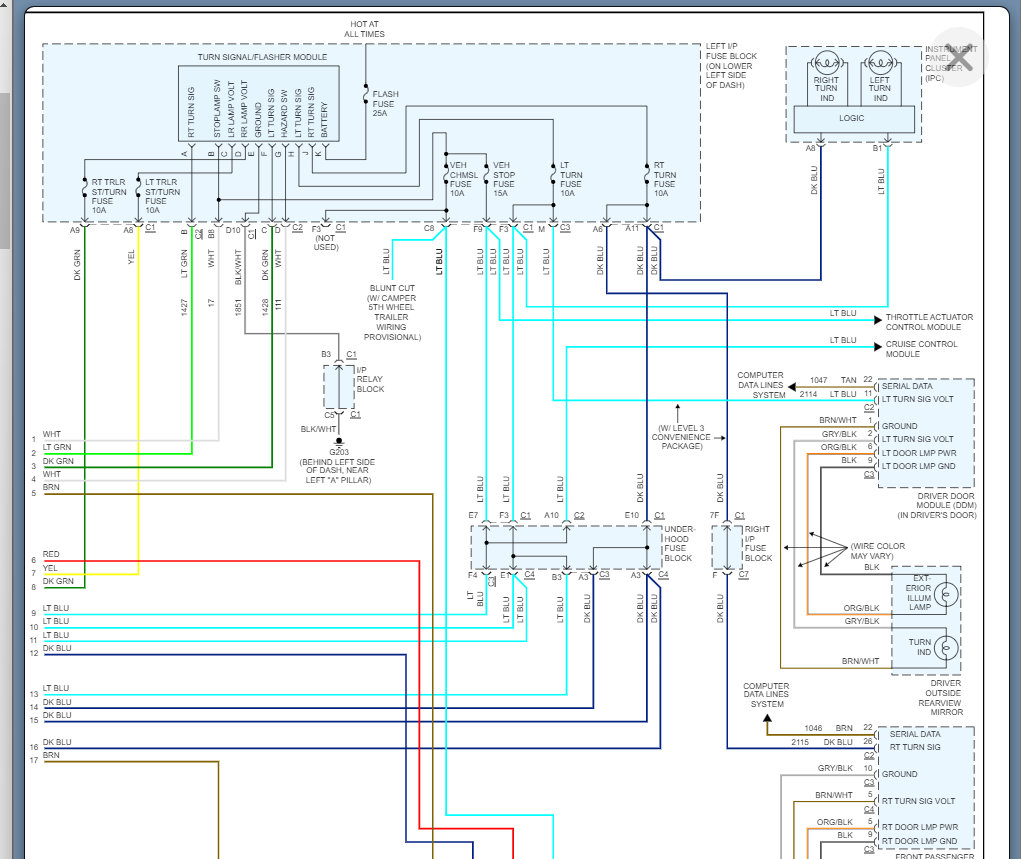
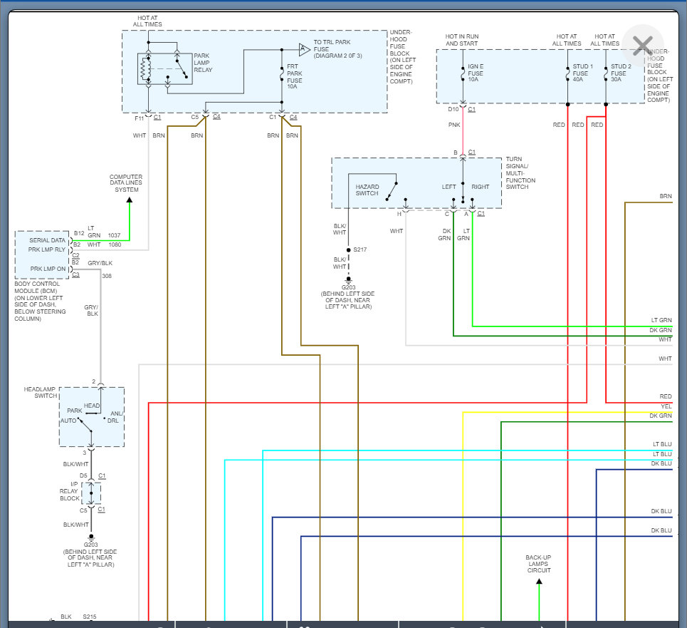
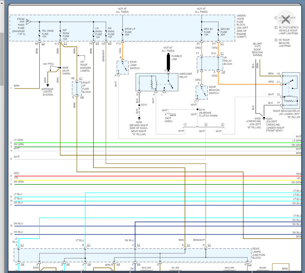
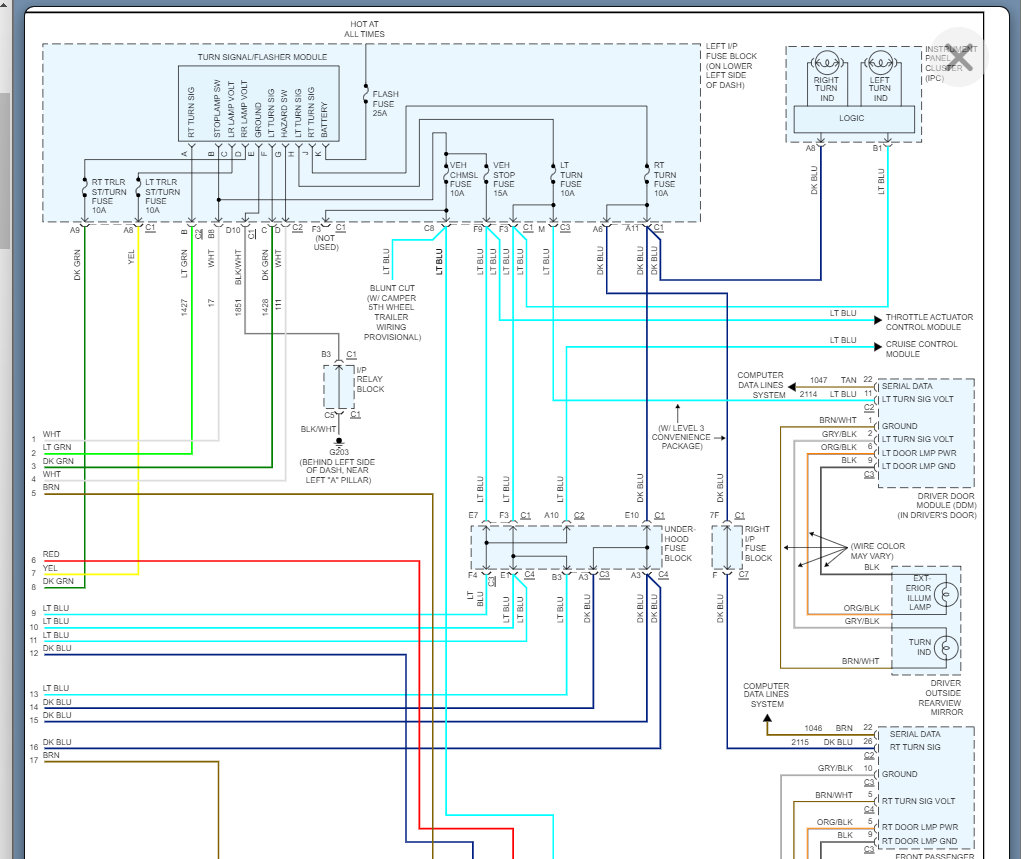
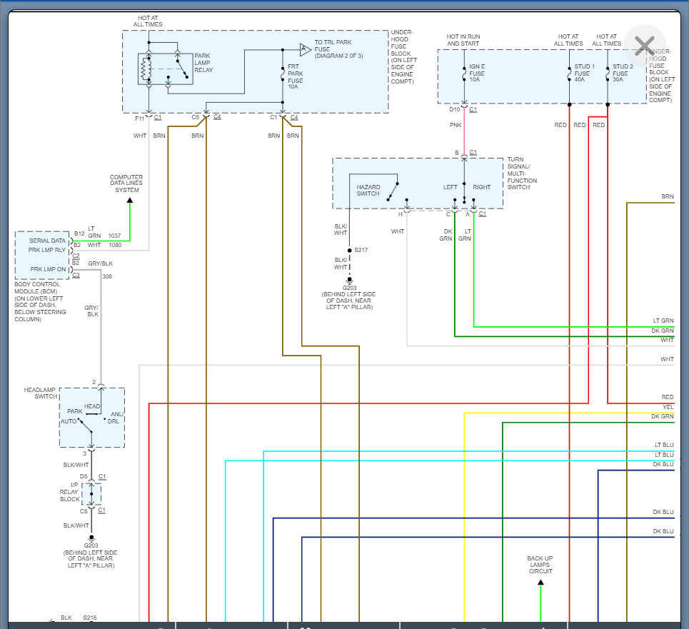
The junction box has no power to the plug

Tiny
JOSHIWAR
  • MEMBER
  • 2005 CHEVROLET SILVERADO
  • 20 MILES
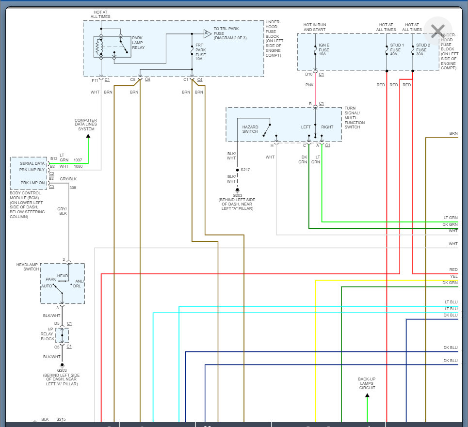
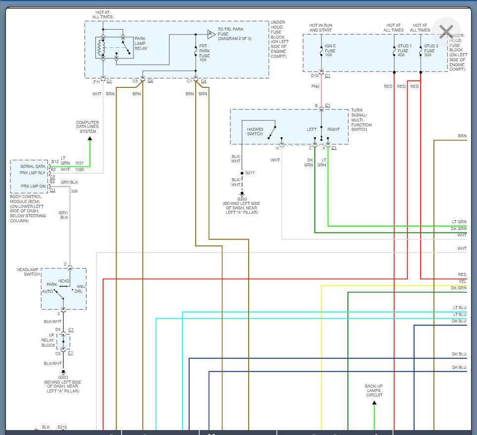
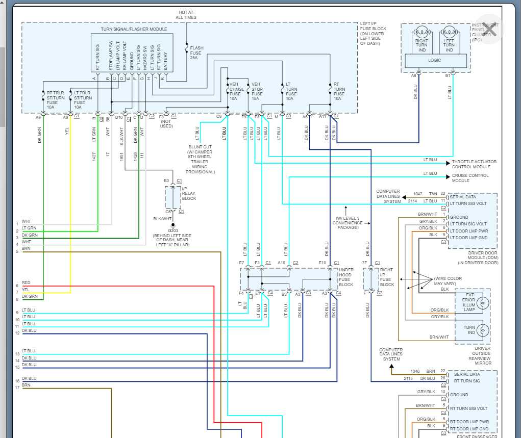
I tried to test the voltage for a trailer electric hook up. There is no voltage to the power pins on the junction box.
Thursday, June 23rd, 2022 AT 7:09 PM

1 Reply

Tiny
KASEKENNY
  • MECHANIC
  • 18,907 POSTS
Help me understand what junction box you are looking at and where you are not getting power.

Are you looking for power back at the trailer tow plug?

If so, we need to check the fuse in the under-hood box that is the 40-amp fuse labeled stud 1.

https://www.2carpros.com/articles/how-to-check-a-car-fuse

If you have power here, then we should have power to the connector. If you don't then you have ground issue or a wiring issue.

Let's start with the details as to where you are not getting power and then we can go from there just to be sure we are on the same page.

Thanks
Was this
answer
helpful?
Yes
No
Friday, June 24th, 2022 AT 12:20 PM

Please login or register to post a reply.