Junction block replacement

Tiny
JIMB2020
  • MEMBER
  • 2006 PONTIAC G6
  • 3.9L
  • V6
  • 2WD
  • AUTOMATIC
  • 159,000 MILES
Once I disassembled it, I could not disconnect it from the harness(es). No connectors of any sort. Each of the 4 C-blocks on the lowest layer of the block (C1, C3, C2 and C4) has its own bundle of wires and diverge in different directions. I could not find the connectors to these 4 C blocks to disconnect them from the remaining harness(es). Either, they are missing (I see black tape all over as if the harnesses were severed and the block previously replaced) or the connectors are deeply embedded behind body panels (I see some connectors but far from the Junction Block). I cannot find details related to these connectors and they do not appear to be the solution since the harnesses diverge into sensors and switches, etc. All I could find was instructions on how to disassemble the block but not on how to remove it from the the harnesses. Do you know how to separate the Junction Block altogether from the harness(es) so I could replace it?
Tuesday, February 4th, 2020 AT 7:35 PM

13 Replies

Tiny
STEVE W.
  • MECHANIC
  • 15,706 POSTS
The C 1 through 4 blocks are the connectors to the bottom of the main fuse block.
Disconnect the battery then remove all of the fuses and relays from the block, then you un-clip it from the battery tray. Next you release the clips that hold the cover on over the 4 bottom connectors and loosen the 4 bolts that go down the middle of the block. With those loose you remove the connector locks from the side of the block and remove the connectors. If one of the connectors itself is damaged, those are part of the harness and replacement is to cut and splice the wires, or if you have the tools to release the pins you can remove only the damaged ones and replace those.
Installation is the reverse of this, but put some dielectric grease on the connectors to keep corrosion out.
Was this
answer
helpful?
Yes
No
+2
Tuesday, February 4th, 2020 AT 8:09 PM
Tiny
JACOBANDNICKOLAS
  • MECHANIC
  • 110,194 POSTS
Hi,

Take a look through these directions and let me know if they help. The attached pictures correlate with the directions.

_________________________

2006 Pontiac G6 V6-3.9L VIN 1
Procedures
Vehicle Power and Ground Distribution Fuse Block Service and Repair Procedures
PROCEDURES
UNDERHOOD ELECTRICAL CENTER OR JUNCTION BLOCK REPLACEMENT

REMOVAL PROCEDURE

pic 1

1. Remove the battery.

Pic 2

2. Remove the fasteners retaining the positive battery cable leads to the underhood electrical center, then reposition the cable lead away from the electrical center.
3. Remove the electrical center cover.
4. Remove all of the fuses and the relays.

Pic 3

5. Use a flat-bladed tool to disengage the 4 tabs that secure the electrical center to the battery tray.

Pic 4

6. Use a flat-bladed tool to remove the connector cover from the electrical center.

Pic 5

7. Loosen the 4 bolts across the top of the electrical center.

Pic 6

8. Use a flat-bladed tool to remove the locking pins from the body harness connector.
9. Disconnect the body harness connector.
10. Disconnect the remaining wiring harness connectors from the junction block.

INSTALLATION PROCEDURE

pic 7

1. With the electrical center turned upside down, install the electrical center harness connectors into the electrical center.

Pic 8

2. Install the locking pin to the power supply connector.
3. Install the bolts retaining the engine, instrument panel (I/P), and forward lamp wiring harness connectors to the junction block.

NOTE: Refer to Fastener Notice in Cautions in Notices.

Tighten the electrical center junction block bolts to 7 N.M (62 lb in).

Pic 9

4. Install the electrical center connector cover.
5. Turn the electrical center right side up.
6. Install the electrical center to the battery tray by pushing the electrical center into the retainer tab.
7. Install all of the fuses and the relays.
8. Install the positive battery cable lead to the stud on underhood electrical center, then install the positive battery cable lead retaining nut.

Tighten the positive battery cable lead retaining nut to 10 N.M (89 lb in).

9. Install the electrical center cover.
10. Install the battery.

_____________________________

Let me know if this is helpful or if you have other questions.

Take care,
Joe
Was this
answer
helpful?
Yes
No
+2
Tuesday, February 4th, 2020 AT 8:16 PM
Tiny
JIMB2020
  • MEMBER
  • 106 POSTS
Yes, I have followed the same exact procedure outlined above. However, the reference to the body control module harness connector and the remaining harness connectors isn't clear. If this is referring to the C4 and the rest of the Blocks on the bottom of the junction block (C4, C3 and C1), then is it does not show how to remove these blocks from the main harness. This would mean the C4, C2, C3 and C1 are not removable from the vehicle but are removable from the top layers of the Junction Block. I need to replace the entire block including C4, C2, C3 and C1. Do you know how?
Was this
answer
helpful?
Yes
No
Wednesday, February 5th, 2020 AT 1:43 AM
Tiny
JIMB2020
  • MEMBER
  • 106 POSTS
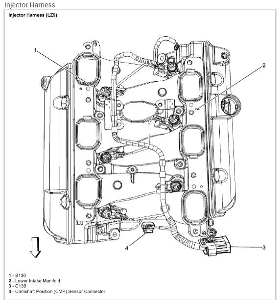
So, the C4, 2, 3 and 1 are not removable. If I traced the harness from these blocks, will they lead to connectors that can be removed from the rest of the engine harness? Is the engine harness not divided by connectors? I see connectors C108, C104, C130 and the Cam shaft Connector. Will disconnecting them isolate the harness to the junction block? I also see Splice points S118 and 119. But I have little clues at this stage whether that will do it. Is there anyway to evade cutting the harnesses or replacing the wires to the C blocks?
Was this
answer
helpful?
Yes
No
Wednesday, February 5th, 2020 AT 1:52 AM
Tiny
STEVE W.
  • MECHANIC
  • 15,706 POSTS
The connectors C1-4 are all part of the front engine transmission and body harness. To replace them you will need to trace each connection and remove it, all will have connectors but they will also be parts of other harness loom areas and go to the transmission, engine, lights, ECM and more. What is wrong with the connectors and block? Burnt or?
Was this
answer
helpful?
Yes
No
+1
Wednesday, February 5th, 2020 AT 2:25 AM
Tiny
JIMB2020
  • MEMBER
  • 106 POSTS
Steve W,

Do you have a list of the all the connectors (example C108, C104, etc.) And the places where I would disconnect the harnesses (example the connector to the injection system or camshaft etc.). The block is in a very bad shape. I got the car that way.
Was this
answer
helpful?
Yes
No
Wednesday, February 5th, 2020 AT 9:38 AM
Tiny
STEVE W.
  • MECHANIC
  • 15,706 POSTS
The issue you are going to have is that many of the connectors are not single harness parts. There may be 5 wires from C2, 2 from C4 and 6 from the ECU plus a power from somewhere else. Your best option would likely be to find a replacement harness from a salvage yard and splice the bad wires. IE say there are 30 connectors in C1. You de-pin all 25 of the good ones and swap them over to the same locations in the replacement. Then cut and splice the remaining 5. It would be faster and you wouldn't end up with unknowns from the used harness.

I added the connector locations that GM shows, however they do not show many of the smaller branches. Some of the smaller harness pieces can be left with the engine like the injector harness from C130, But you still have the entire front light harness from C2 to deal with. The grounds in the 100's are in the engine compartment area.
Was this
answer
helpful?
Yes
No
Wednesday, February 5th, 2020 AT 11:09 AM
Tiny
JIMB2020
  • MEMBER
  • 106 POSTS
After examining the junction box and harnesses on other g6 cars, I found that the c1 and c3 blocks can be replaced (intact) without cutting and splicing when their harnesses are traced through the engine bay and disconnecting several sensors and major connectors (108/130/104) etc. However, I found the c2 and c4 blocks whose harnesses are running along, under and behind the strut tower and into the cabin (through the firewall) leading their way along the lower trim area of the driver door (the area above the rocker panel) and branching off to the rear cabin and the other branch turning right around and under the driver seat towards the center console making its way to the BCM (front right of center console). At this point, I am still attempting to see if there is a way to disconnect (without cutting) the c2 and c 4 harness I just described. If all fails, I will suffice with replacing the c1 and c3 connectors along with their harnesses. It is disappointing to look at this mess without connectors. It is not a good a thing to cut and splice when connectors could've been placed in multiple locations.
Was this
answer
helpful?
Yes
No
Thursday, February 6th, 2020 AT 1:11 PM
Tiny
JACOBANDNICKOLAS
  • MECHANIC
  • 110,194 POSTS
If I understand correctly, someone cut the old connector and eliminated it. Is that correct? If so, you have your hands full. Let me know.

Joe
Was this
answer
helpful?
Yes
No
+1
Thursday, February 6th, 2020 AT 6:23 PM
Tiny
STEVE W.
  • MECHANIC
  • 15,706 POSTS
C1 should be all engine related, C3 is mostly front end and power for things like ABS and such.
C2 and C4 power the dash and body harnesses as you found.

If you are replacing them, I hope you test every circuit and connector on the replacements before installation. Wouldn't be good to get them all installed and discover the car won't start or you get a CEL from a bad connection.

Be sure the C1 and 3 harnesses you get come from cars with the exact same options, there are at least 3 different engine harness styles.
Was this
answer
helpful?
Yes
No
+1
Thursday, February 6th, 2020 AT 7:49 PM
Tiny
JIMB2020
  • MEMBER
  • 106 POSTS
Steve W, you're right and to let you know the harnesses are identical. However, I still haven't determined that C2 and 4 have terminal connectors and need not be cut (if you find out before I do this week, please let me know). I am testing every component as required.

JACOBANDNICKOLAS, once I looked at the other G6 cars and traced their harnesses (6 cars in total), I arrived at the conclusion that the black tape on the C connectors isn't the result of cutting connectors to the Junction Block simply because no harness connectors exist on the harnesses at the Junction Boxes in any of the cars. Whether the harnesses were cut for another reason, I cannot tell. The good news was I was able to isolate the connectors in the Engine Compartments but not in the cabin (Steve W has confirmed my findings as well).
Was this
answer
helpful?
Yes
No
Friday, February 7th, 2020 AT 12:10 AM
Tiny
JACOBANDNICKOLAS
  • MECHANIC
  • 110,194 POSTS
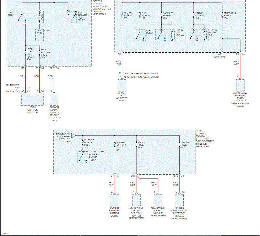
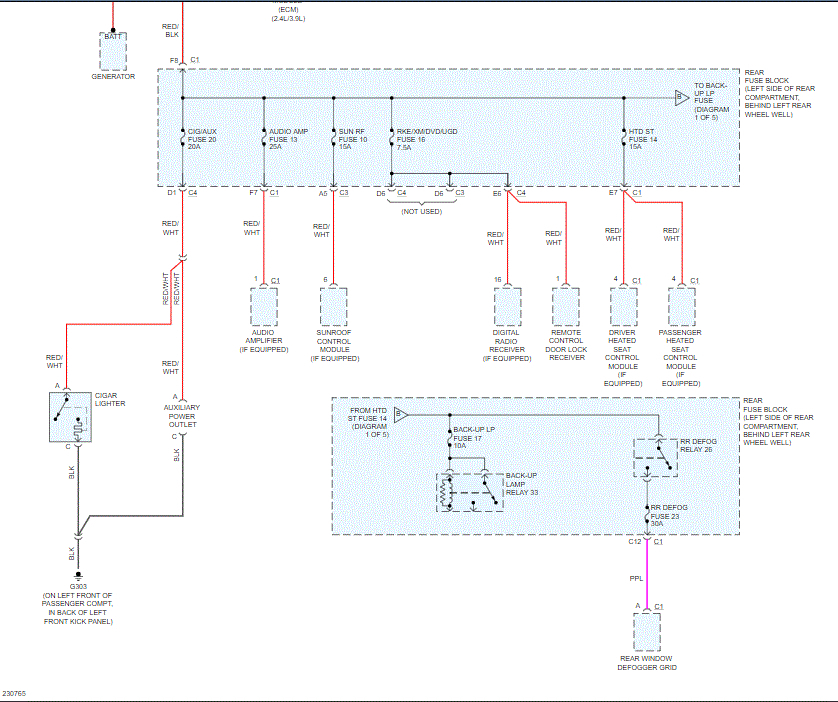
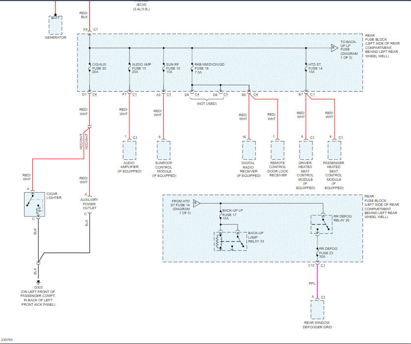
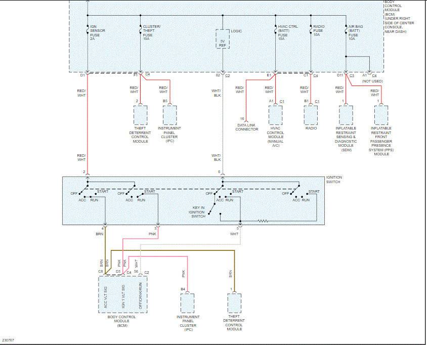
Hi,

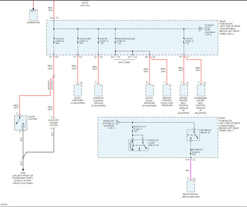
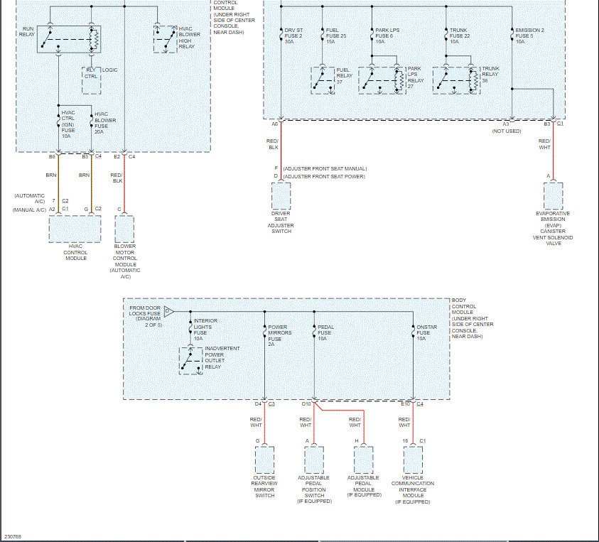
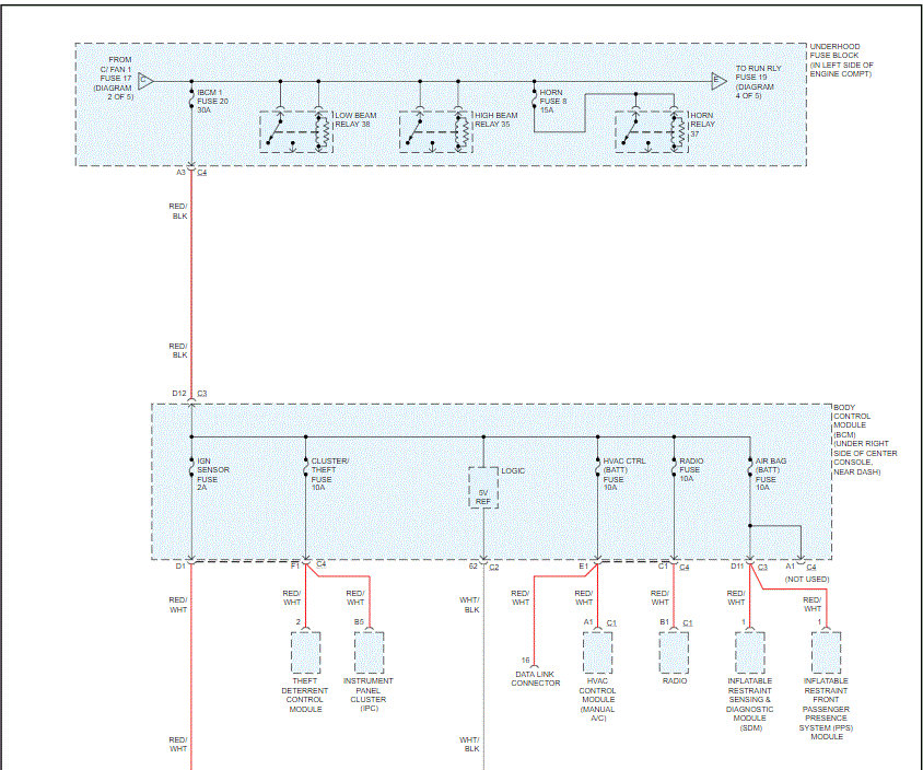
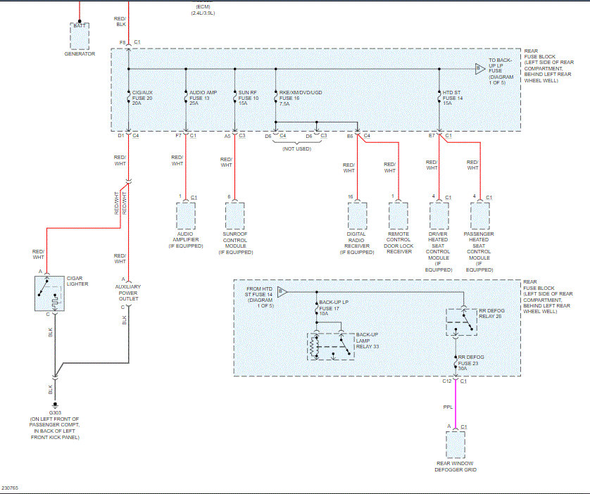
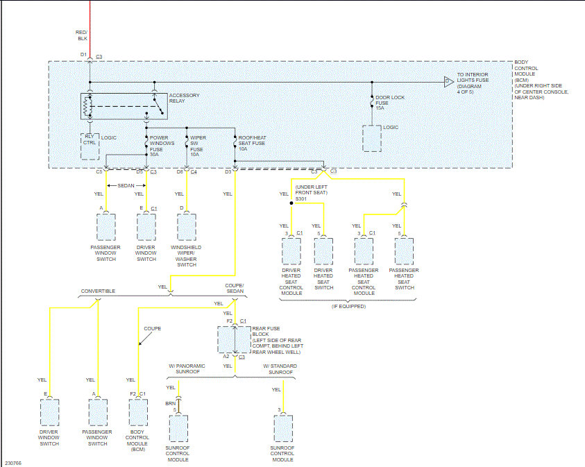
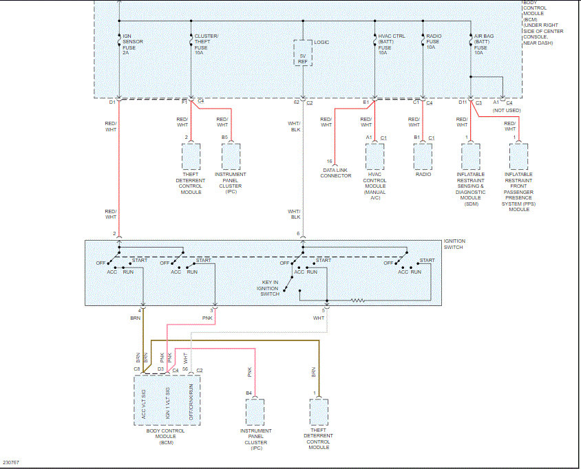
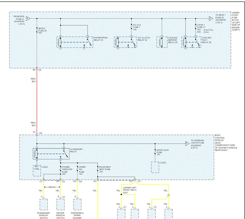
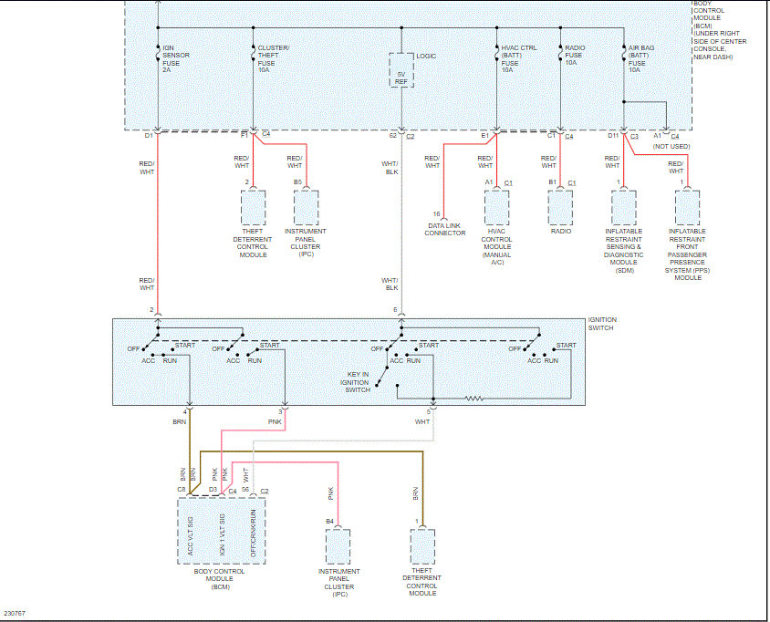
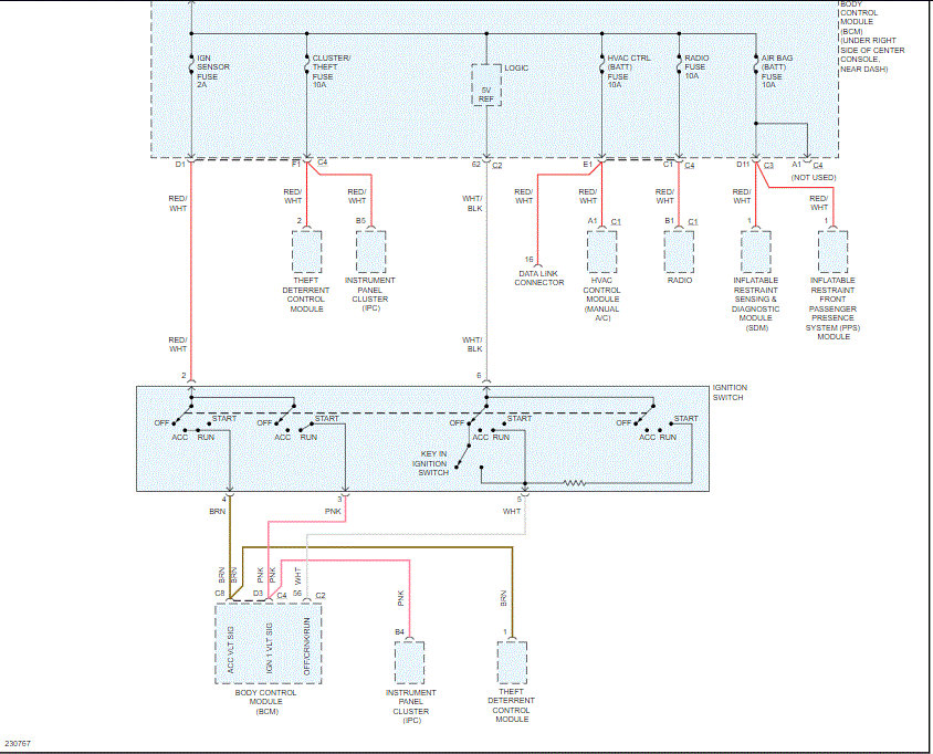
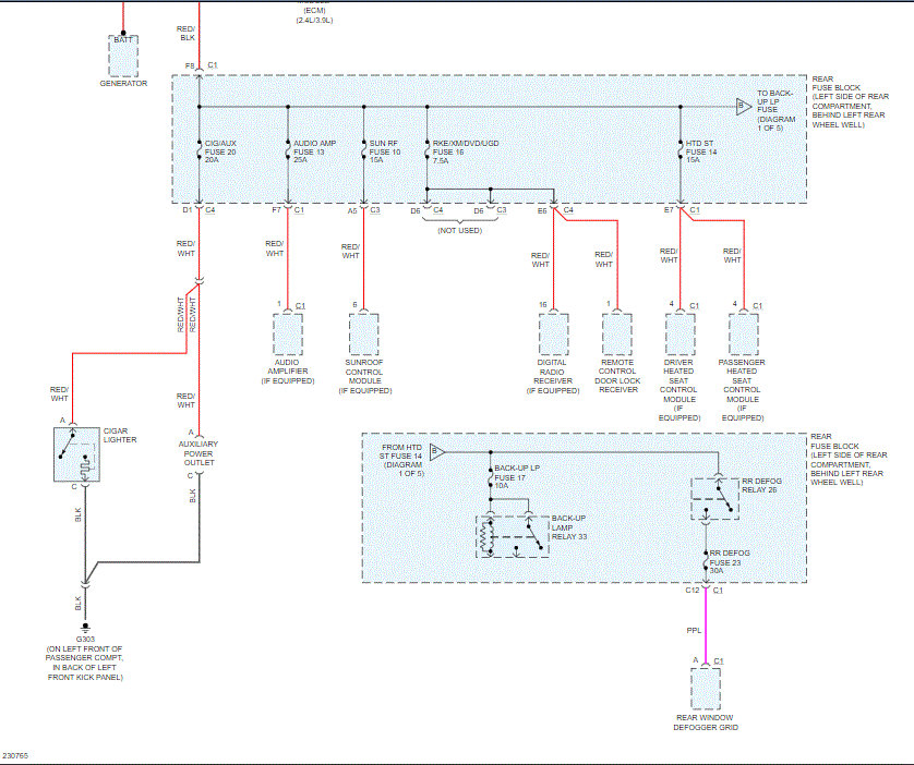
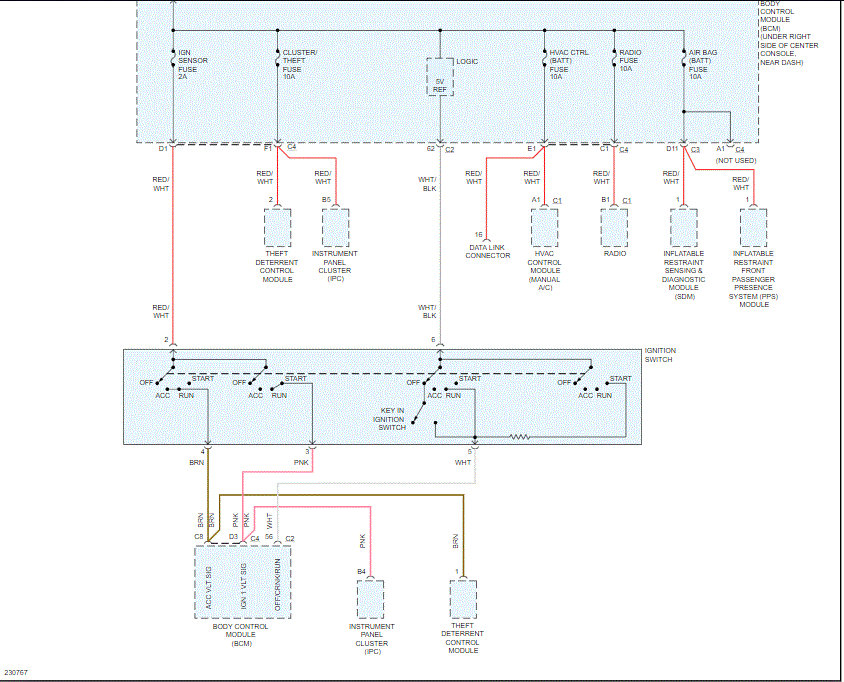
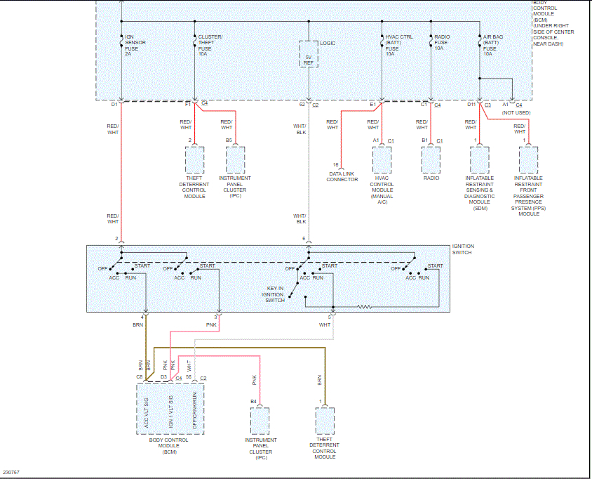
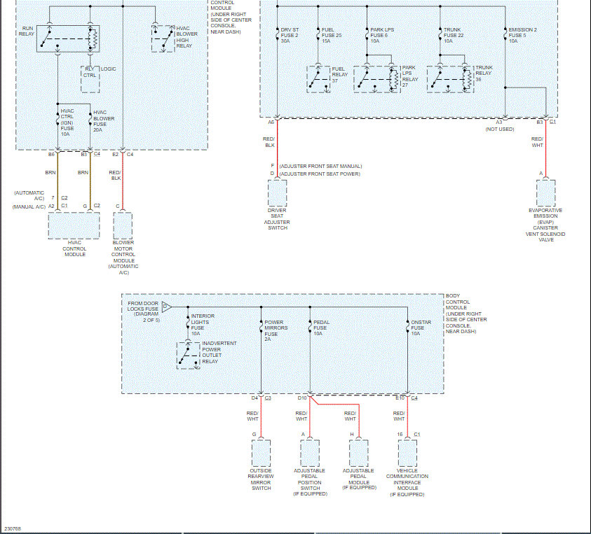
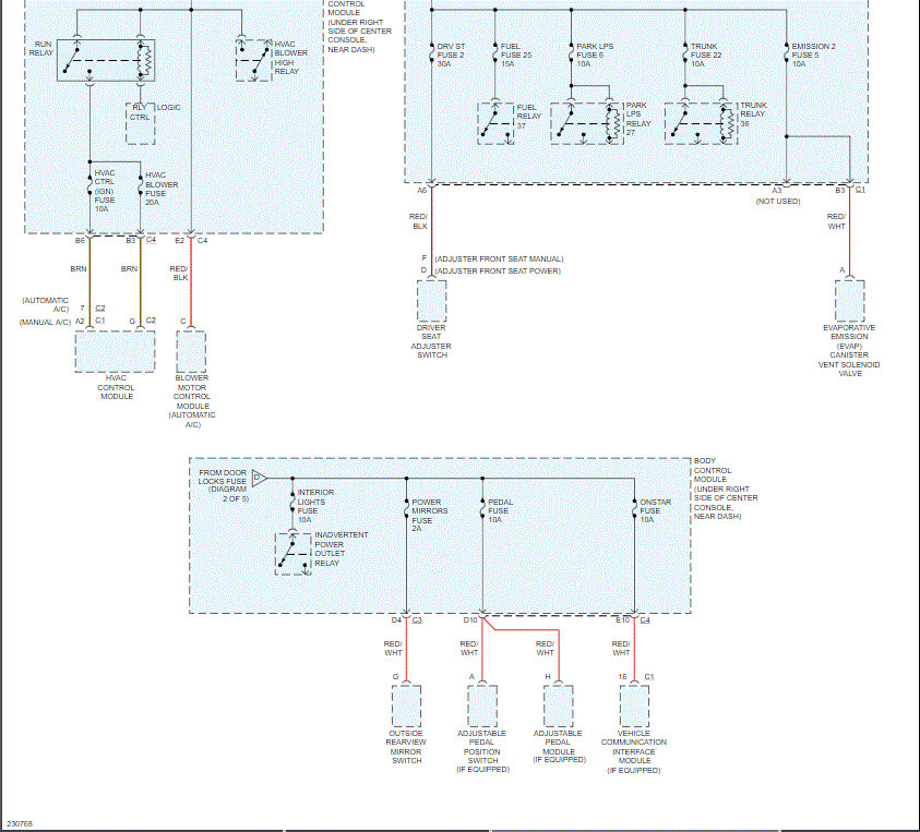
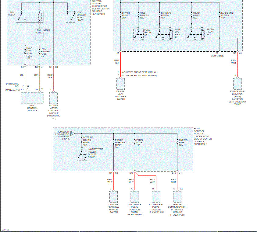
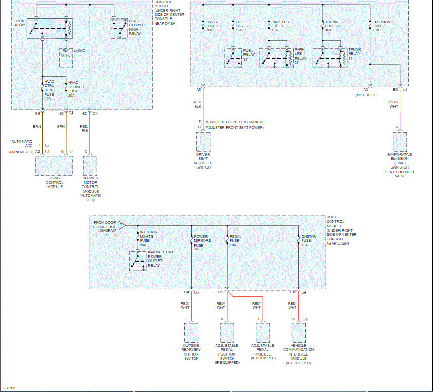
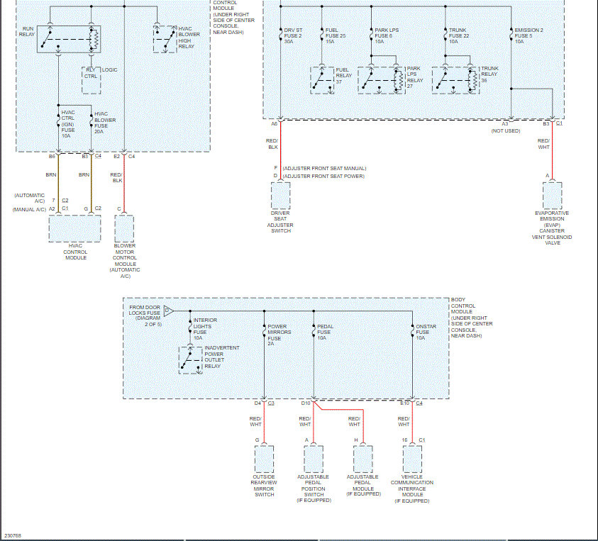
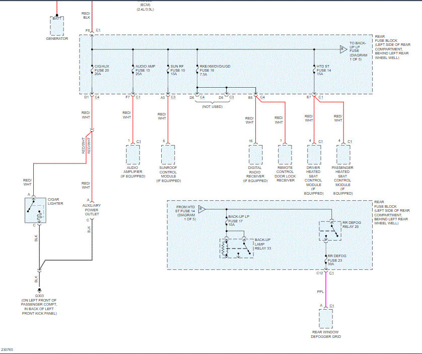
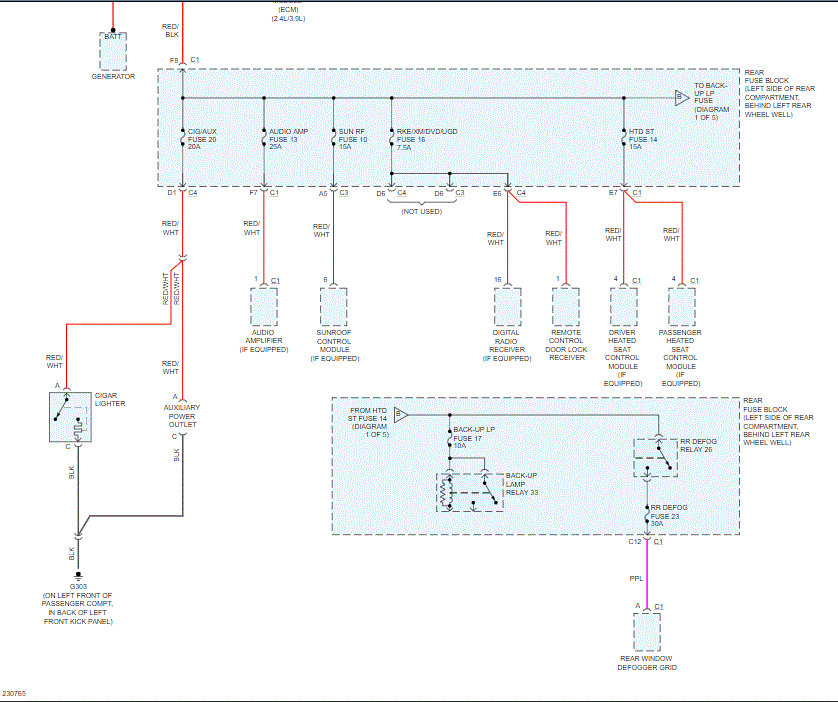
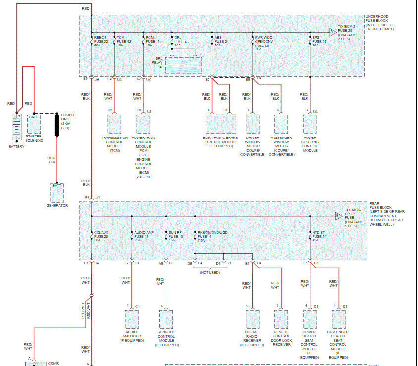
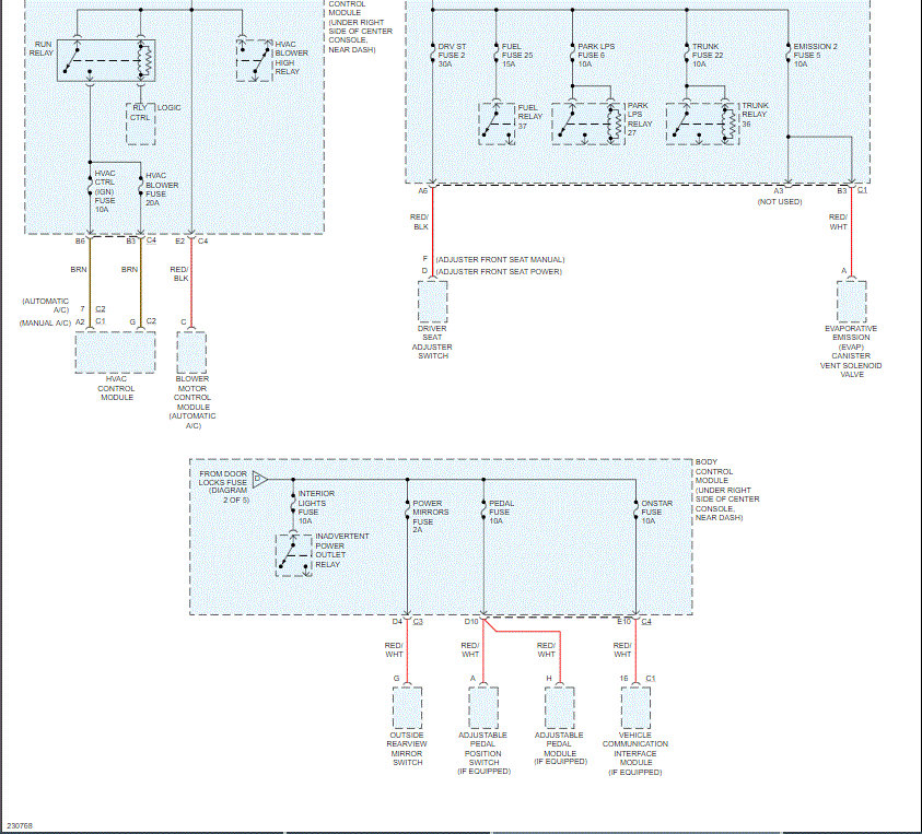
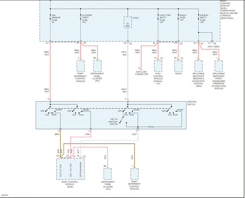
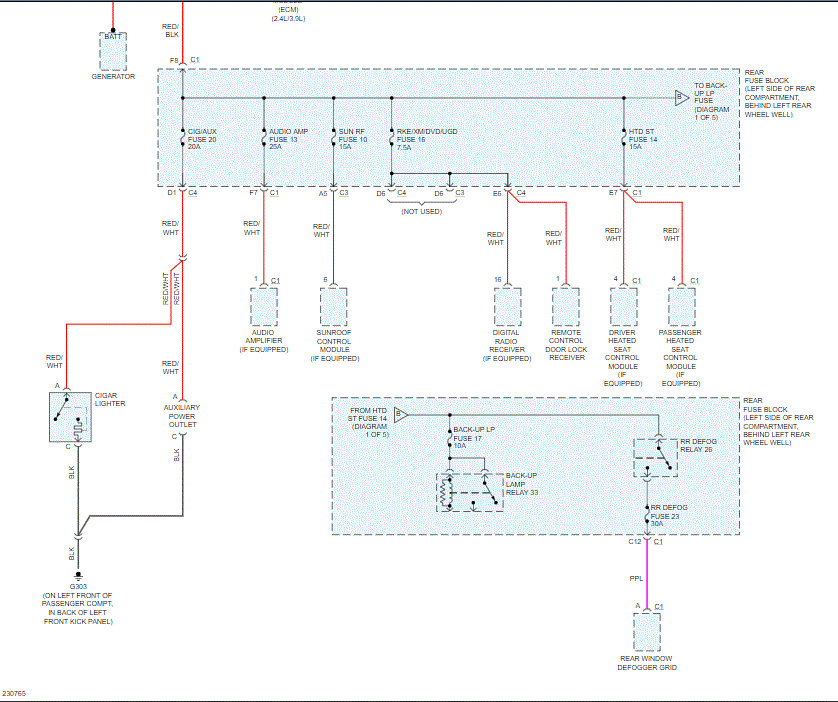
I don't know what point you are at, but I thought is may be helpful if I provided the power distribution schematics for the vehicle. Now there are five pages of schematics related to just power distribution. To make it readable, I had cut them each into two parts. I did overlap them and keep them in order so you can follow them. See if this helps.

____________________

Let us know
Joe
Was this
answer
helpful?
Yes
No
+1
Friday, February 7th, 2020 AT 5:58 PM
Tiny
STEVE W.
  • MECHANIC
  • 15,706 POSTS
C2 and C4 do have some connections inside the vehicle, mainly at the interior fuse panels and dash however you would need to gut the interior and remove the dash and HVAC unit to get to all of the smaller ones that run inside. They have some connections like grounds and power that bypass those main pieces.
What you may want to do is sign up for one of the sites like the Mitchell DIY or Alldata DIY sites and look at all of the OEM wiring diagrams. Those generally show the connections better than the redrawn color versions. Just be prepared, unlike the redrawn ones the OEM is broken down into individual systems, they don't show a composite. So you need to note which connectors are where and what other wiring runs to them.
There was a great free service for them but because a lot of folks started using it they shut it down!

Mitchell - https://www.eautorepair.net/Marketing/Default.asp
Alldata - http://www.alldatadiy.com/
Was this
answer
helpful?
Yes
No
Monday, February 10th, 2020 AT 8:59 AM

Please login or register to post a reply.