Jumping RPM's and jerking while trying to accelerate

Tiny
INEEDH3LP
  • MEMBER
  • 1996 CHEVROLET LUMINA
  • 3.1L
  • 4 CYL
  • AUTOMATIC
  • 131,000 MILES
My car listed above has an electric speedometer, will start and run fine for a few minutes, about a mile. Then all of a sudden the RPM'S start jumping, and the car starts jerking, when I try to accelerate, Sometimes it'll cut off. I've had the codes read, they came back, up flow O2 sensor (replaced), knocked sensor (replaced), mass airflow sensor (replaced), I've also replaced the air filter, fuel filter. Could it be my spark plugs? Fuel pump?
Tuesday, February 4th, 2020 AT 7:50 PM

3 Replies

Tiny
JACOBANDNICKOLAS
  • MECHANIC
  • 110,194 POSTS
Hi,

It could be a fuel related or ignition related issue. Interestingly, since it happens after it is run a bit, I am questioning the crankshaft position sensor. Is there every any stalling? Take a look through these links. The first explains how a crank sensor works and the second discusses symptoms:

https://www.2carpros.com/articles/how-a-crank-shaft-angle-sensor-works

https://www.2carpros.com/articles/symptoms-of-a-bad-crankshaft-sensor

Let me know if that seems to mirror any of the symptoms.

Now, low fuel pressure can cause problems as well. Here is a link that shows how to test fuel pressure. You will need a fuel gauge, but most parts stores will lend one to you.

https://www.2carpros.com/articles/how-to-check-fuel-system-pressure-and-regulator

Here are directions specific to your vehicle for diagnosing fuel pressure issues and checking pressure. The manufacturer's specs are included. Also, the attached pictures correlate with the directions as well as diagnoses.

_______________________
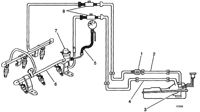
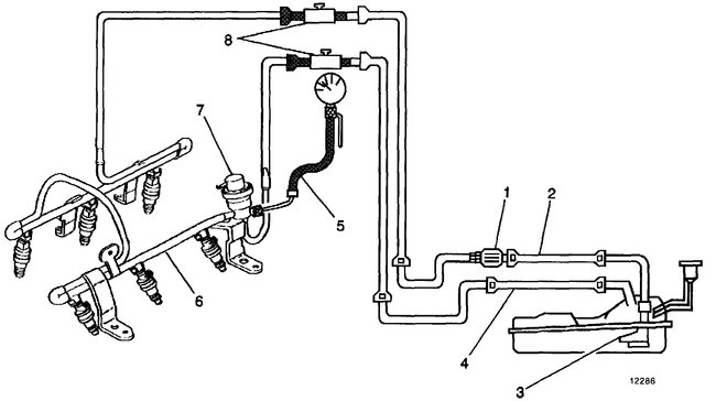
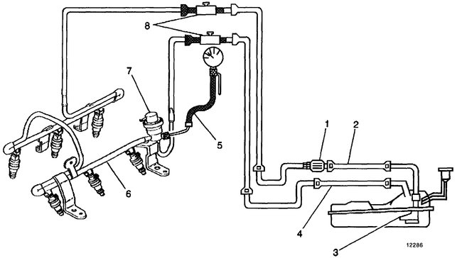
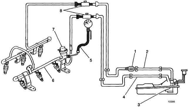
1996 Chevrolet Lumina V6-3100 3.1L VIN M SFI
Fuel System Pressure Test
Vehicle Powertrain Management Fuel Delivery and Air Induction Fuel Pump Fuel Pressure Testing and Inspection Component Tests and General Diagnostics Fuel System Pressure Test
FUEL SYSTEM PRESSURE TEST
Fuel System Pressure Test

pic 1

Fuel System Pressure Test (continued)

pic 2

Fuel System Pressure Test (continued)

pic 3

Fuel System Pressure Test (continued)

pic 4

Circuit Description Fuel System Pressure Test

pic 5

When the ignition switch is turned ON, the Powertrain Control Module (PCM) will turn ON the in-tank fuel pump. The in-tank fuel pump will remain ON as long as the engine is cranking or running and the PCM is receiving reference pulses. If there are no reference pulses, the PCM will turn the in-tank fuel pump OFF 2 seconds after the ignition switch is turned ON or 2 seconds after the engine stops running. The in-tank fuel pump is an electric pump, attached to the Fuel Sender Assembly. The in-tank fuel pump (3) supplies fuel through the fuel feed pipe (2), and in-line fuel filter (1) to the Fuel flail Assembly (6). The fuel pump is designed to provide fuel at a pressure above the pressure needed by the fuel injectors. A fuel pressure regulator (7), attached to the Fuel Rail, keeps the fuel available to the fuel injectors at a regulated pressure. Unused fuel is returned to the fuel tank by a separate fuel return pipe (4). The fuel pressure gauge J 34730-1A(5) and fuel pipe shut off adapters J 37287(8) are used for fuel system diagnosis.

TEST DESCRIPTION

Number(s) below refer to the step number(s) on the Diagnostic Table.

2. To relieve the fuel pressure, refer to Fuel Pressure Release Procedure. With the ignition switch ON and the fuel pump running, the fuel pressure indicated by the fuel pressure gage should be 333-376 kPa (48-55 psi). This pressure is controlled by the amount of pressure the spring inside the fuel pressure regulator can provide.

3. A fuel system that can not maintain a constant fuel pressure has a leak in one or more of the following areas:

The fuel pump check valve.
The fuel pump pulse dampener.
The valve or valve seat within the fuel pressure regulator.
The fuel injector(s).

4. Fuel pressure that drops-off during acceleration, cruise or hard cornering may cause a lean condition. A lean condition can cause a loss of power, surging, or misfire. A lean condition can be diagnosed using a scan tool. If an extremely lean condition occurs, the oxygen sensors(s) will stop toggling. The oxygen sensor output voltage(s) will drop below 500 mV. Also, the fuel injector width will increase.

Important: Make sure the fuel system is not operating in the Fuel Cut-Off Mode. This can cause false indications by the scan tool.

7. When the engine is at idle, the manifold pressure is low (high vacuum). This low pressure (high vacuum) is applied to the fuel pressure regulator diaphragm. The low pressure (high vacuum) will offset the pressure being applied to the fuel pressure regulator diaphragm by the spring inside fuel pressure regulator. When this happens, the result is lower fuel pressure. The fuel pressure at idle will vary slightly as the barometric pressure changes, but the fuel pressure at idle should always be less than the fuel pressure noted in Step 2 with the Engine OFF.

12. A rich condition may result from the fuel pressure being above 376 kPa (55 psi). A rich condition may cause a DTC P0132 or a DTC P0172 to set. Driveability conditions associated with rich conditions can include hard starting (followed by black smoke) and a strong sulfur smell in the exhaust.

13. This test determines if the high fuel pressure is due to a restricted fuel return pipe or if the high fuel pressure is due to a faulty fuel pressure regulator.

16. A lean condition may result from the fuel pressure being below 333 kPa (48 psi). A lean condition may cause a DTC P0131 or a DTC P0171 to set. Driveability conditions associated with lean conditions can include hard starting (when the engine is cold), hesitation, poor driveability, lack of power, surging, and misfiring.

17. Restricting the fuel return pipe with the J 37287 Fuel Pipe Shut-Off Adapter causes the fuel pressure to rise above the regulated fuel pressure. Using a scan tool to pressurize the system, the fuel pressure should rise above 376 kPa (55 psi) as the gage outlet hose is pinched.

Caution: Do Not allow the fuel pressure to exceed 450 kPa (65 psi). Fuel pressure in excess of 450 kPa (65 psi) may damage the Fuel Pressure Regulator.

24. Check the spark plug associated with a particular fuel injector for fouling or saturation in order to determine if that particular fuel injector is leaking. If checking the spark plug associated with a particular fuel injector for fouling or saturation does not determine that a particular fuel injector is leaking, use the following procedure:

1. Remove the fuel rail, but leave the fuel pipes connected to the fuel rail.
2. Lift the fuel rail just enough to leave the fuel injector nozzles in the fuel injector ports.

WARNING: In order to reduce the risk of fire and personal injury that may result from fuel spraying on the engine, verify that the fuel rail is positioned over the fuel injector ports, and verify that the fuel injector retaining clips are intact.

3. Pressurize the fuel system by using a scan tool.

4. Visually and physically inspect the fuel injector nozzles for leaks.

26. The fuel pressure regulator filter screen is designed to trap any contaminants introduced during engine assembly. If the fuel pressure regulator screen is dirty, it can be removed with a small pick and discarded without potential harm to the fuel pressure regulator.

________________________________

Let me k now if this helps or if you have other questions.

Joe

Was this
answer
helpful?
Yes
No
+1
Tuesday, February 4th, 2020 AT 8:27 PM
Tiny
FOUNDINGFATHER
  • MEMBER
  • 1 POST
Hello, I have the same issue. In my 1989 Buick Regal 3.1. It quit running today and I tracked it to no power to the fuel pump. I have 12v @ Pin 30 of fuel pump relay but no signal to turn the relay on. If I jump pin 30 to pin 87 the pump comes on and the car starts right up. What controls the fuel pump relay? I checked the fuse labeled fuel pump and it is good. Thank you!
Was this
answer
helpful?
Yes
No
Monday, May 31st, 2021 AT 8:53 PM
Tiny
JACOBANDNICKOLAS
  • MECHANIC
  • 110,194 POSTS
Hi,

The relay is actuated by the ECM. When the 12v signal is sent to the relay from the ECM, it completes a contract circuit for power from a 20 amp fuse to power the pump. The ECM will power the relay for 2 seconds when you first turn the key to the run position. If there is no ignition and RPM change, it will turn the power off.

Once the engine is started and there is a pulse signal to the ECM, it will power the relay to send power to the pump.

If you look below, I attached a schematic of the system and highlighted the power supplies to the relay and pump.

Take a look at the pic and let me know if it helps or if you have other questions.

Let me know if I can help.

Take care,

Joe
Was this
answer
helpful?
Yes
No
+1
Monday, May 31st, 2021 AT 9:04 PM

Please login or register to post a reply.