Jumping A/C clutch from the fuse box

2005 DODGE CARAVAN
225,000 MILES • 3.8L • 6 CYL • 2WD • AUTOMATIC
Avatar
CHRIS HAYSLETT
  • MEMBER
  • 4 POSTS
I just learned how to jump the A/C clutch relay from the fuse box. For some reason that's the only way to get the clutch to engage. So is it safe to drive with it jumped to keep the A/C blowing cool air? Thanks, Chris
Sep 14, 2020 at 2:28 PM
Advertisement
Avatar
JACOBANDNICKOLAS
  • CAR REPAIR CONTRIBUTOR
  • 110,190 POSTS
Chris,

I wouldn't recommend it. Have you checked the relay itself? You can switch it with a different one in the relay box having the same part number or here is a link that explains how to test one:

https://www.2carpros.com/articles/how-to-check-an-electrical-relay-and-wiring-control-circuit

Let me know. There is something preventing it from running without the jumper, so we really need to determine what that is.

Take care,
Joe
Sep 14, 2020 at 5:48 PM
Advertisement
Avatar
KASEKENNY
  • CAR REPAIR CONTRIBUTOR
  • 18,907 POSTS
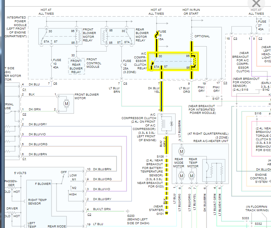
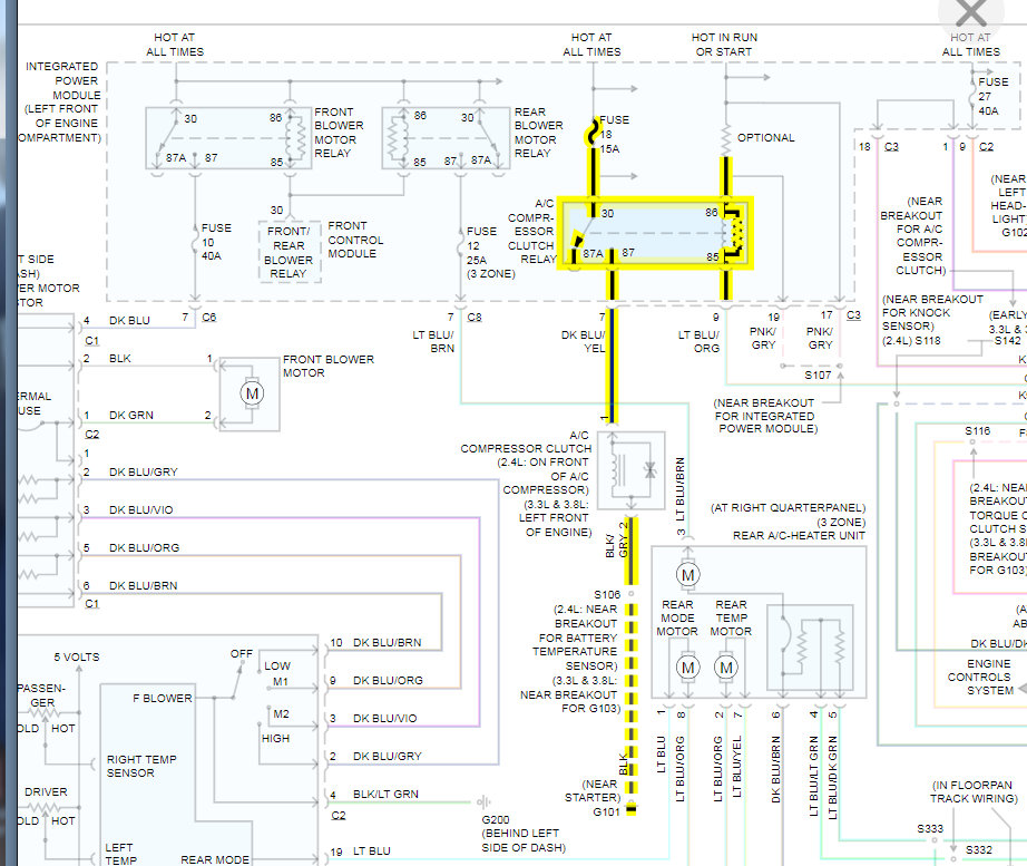
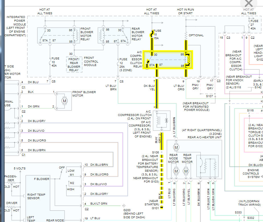
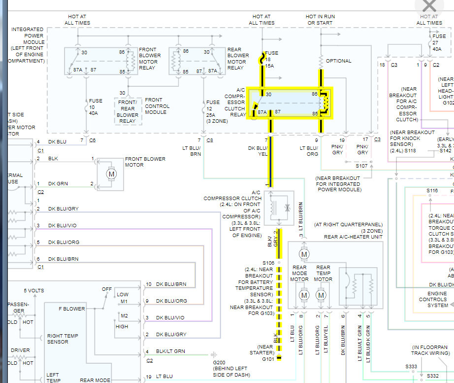
It is not safe to drive it this way as you are bypassing the safety system built in which is the high and low pressure switches. Basically if you jump the compressor it will not shut off and just continue to build pressure until the system bursts and you have a major failure on your hands. The high pressure switch monitors the pressure and when it gets too high it shuts the compressor off. You will lose this if you jump it all the time.

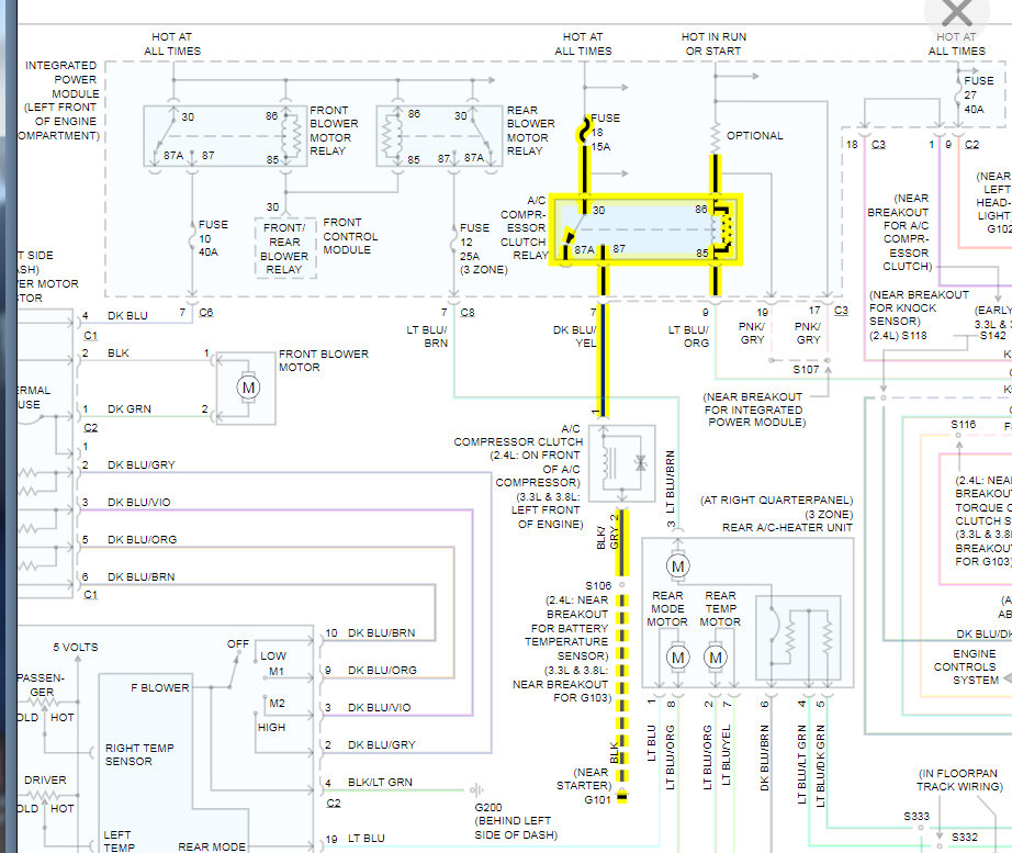
I attached a wiring diagram and we need to find out why we don't have power to the compressor through the normal circuit.

This system is pretty simple in the fact that the PCM commands the relay to close by grounding the pin 85 on the relay. This causes the relay to close and power from pin 30 goes to pin 87. Which feeds the compressor.

I would do two things. First, remove the relay and jump pin 30 to 87 and see if the compressor comes on. If so, the fuse, and wiring to the compressor is okay.

Next check to see if the PCM can ground pin 85. You do this by turning the AC on with the relay removed, put your red lead of your meter on battery positive, and the black ground lead on pin 85. If the PCM grounds this pin then you will have 12 volts on your meter. If it does not ground it then you will not have anything.

Let me know the results to this and we can go from there. Thanks
Sep 14, 2020 at 5:56 PM
Avatar
CHRIS HAYSLETT
  • MEMBER
  • 4 POSTS
Okay, so jumping 30 to 87 does make the clutch engaged. for the next step where do I set my meter when I'm doing the positive to pin 85? I tried dc and ac volts but neither were reading 12.
Sep 14, 2020 at 10:14 PM
Avatar
JACOBANDNICKOLAS
  • CAR REPAIR CONTRIBUTOR
  • 110,190 POSTS
Hi,

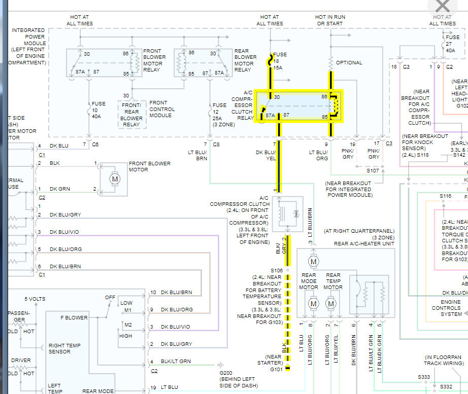
If you are not getting a reading, then there is no ground being provided via the PCM. That is why the relay won't complete the circuit for you. You will need to check the light blue / orange wire to determine if there is a break in the wire causing the open circuit between the relay and the PCM. What I would do is this. Check to see if there is continuity from relay to PCM on that wire. Do this by setting the multi meter to ohms. If there is, disconnect the PCM and check for if you get a ground path right at the PCM using the same directions as kasekenny suggest in the last paragraph of his post. (again you are checking for a ground path just like at pin 85. Rather than doing it at the relay, it will be done at the PCM. If there is no ground path provided via the PCM, chances are it is bad.

Let us know.

Joe
Sep 15, 2020 at 6:36 PM
Repair Safety Notice: This information is for general instructional purposes only. Vehicle repair can be dangerous. Verify all information, follow manufacturer service procedures, use proper tools and safety equipment, and consult a qualified repair shop when needed.