Overheating

Tiny
JON HILL
  • MEMBER
  • 2001 JEEP CHEROKEE
  • 4.0L
  • 6 CYL
  • 4WD
  • AUTOMATIC
  • 145,000 MILES
About a month ago I noticed an overheating issue and changed out the thermostat as well as the radiator. Ran perfectly fine for the past month and then the other day it overheated and jumped to about 240. I have noticed that the electric fan does not turn on. I have hooked the fan into my battery and it turns so I know the motor works. I have also switched out the relay and checked the fuses and they are all good. The fan does not get any power when the A/C is on or when it is idling at about 220 which is where it is currently sitting when it gets to temperature. I do also notice when I shut it off that my coolant reservoir will fill up and is bubbling/boiling and will drop to normal levels when as the car cools.
Any help would be greatly appreciated.
Tuesday, May 29th, 2018 AT 7:41 PM

3 Replies

Tiny
ASEMASTER6371
  • MECHANIC
  • 52,796 POSTS
Good morning.

I would start by removing the relay and checking for two powers with the key on. One power is the control side and one is the load side. The PCM grounds the control side when it sees a signal from the coolant sensor for temperature and the A/C command as well.

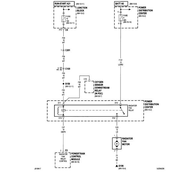
I attached a wire diagram for you to view. Check the listed fuses for power on both sides with the key on.

Roy
Was this
answer
helpful?
Yes
No
Wednesday, May 30th, 2018 AT 5:34 AM
Tiny
JON HILL
  • MEMBER
  • 2 POSTS
Honestly I know enough to get me by most times but this time I am pretty unsure I removed the cooling fan relay and just used a multi-meter to check all of the fuses up there. They all have my a reading when the multi-meter was set to the lowest setting on ohms which is 200.
Was this
answer
helpful?
Yes
No
Wednesday, May 30th, 2018 AT 10:40 AM
Tiny
ASEMASTER6371
  • MECHANIC
  • 52,796 POSTS
You check the fuses with the key on, then test for voltage. Set it on a 20 scale.

Roy
Was this
answer
helpful?
Yes
No
Wednesday, May 30th, 2018 AT 10:59 AM

Please login or register to post a reply.