How to change turn signal bulb?

Tiny
JENNIFERC1
  • MEMBER
  • 2006 JEEP LIBERTY
  • 4 CYL
  • 4WD
  • MANUAL
  • 33,000 MILES
Hello, I had the front passenger turning signal stolen from my car (bulb, cover, screw, everything but the wire). The other 3 turn signals were still operating. I went to the mechanic to buy the light and parts and have them install it. Once the light was installed, three of the turn signals won't turn on (the clicking noise doesn't even happen inside the car) and the rear passenger turn signal light stays on when I turn the headlights on. I didn't think turn light wires were interconnected, and when I asked how this could happen, the mechanic couldn't answer me. How can all turn signals stop working after trying to replace one turn signal? I've replaced bulbs before and have not had this issue.

Thank you!
Jennifer
Saturday, March 27th, 2010 AT 5:36 PM

1 Reply

Tiny
KASEKENNY
  • MECHANIC
  • 18,907 POSTS
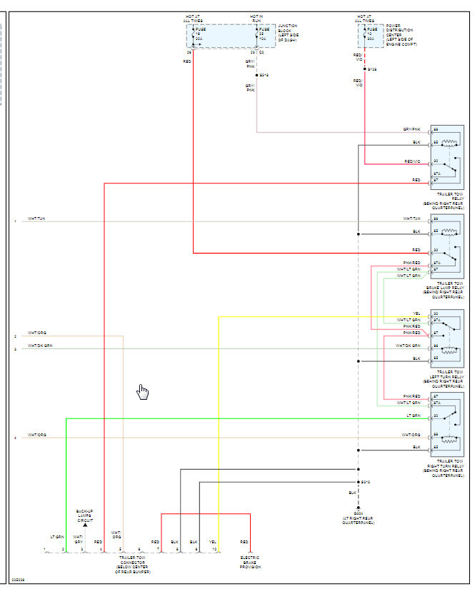
There are two possible causes that I can think of with what happened. First is they just installed the wrong socket and the wiring is not correct for it. Second is the wiring that they used to put the new socket in is not correct.

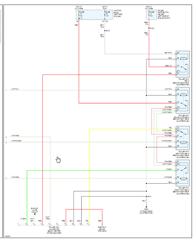
I am attaching the wiring diagram which is needed to complete this. These lights each need to work properly and when one is not wired correctly it will cause the others to not operated.

Also, we need to check the combination flasher and here is a guide that will help do that:

https://www.2carpros.com/articles/how-to-check-an-electrical-relay-and-wiring-control-circuit

Let me know what questions you have and we can go from there. Thanks
Was this
answer
helpful?
Yes
No
Tuesday, December 8th, 2020 AT 3:16 PM

Please login or register to post a reply.