Wednesday, January 15th, 2025 AT 1:46 PM
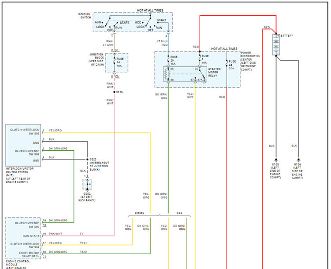
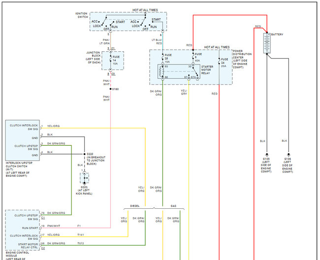
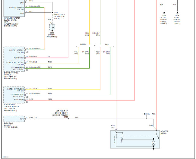
Okay, I hope my dyslexia doesn't take full effect here, I have changed the starter, the cam shaft and crank shaft position sensors. The battery is a good battery. At first a faulty starter caused a bad ignition switch which I replaced, and I replaced the starter. I made the mistake of telling her that once she got parked, she could rest. Well now she is in a coma. The only sound it will make is the fuel sending unit sending fuel up. I have replaced every single fuse with brand new ones. All the lights work and the only dash lights that turn on is the check engine light. That light has always been on for the 02 sensors and I have replaced the two that were bad. Please help, I beg of you; I didn't take the Just Empty Every Pocket seriously. (Jeep)






