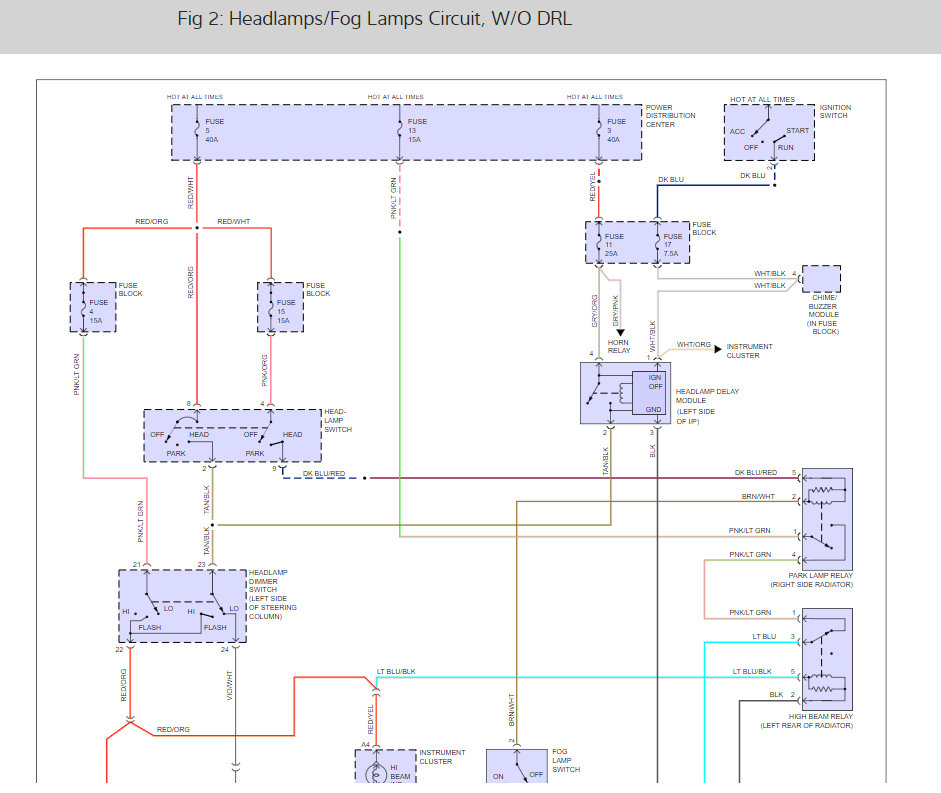
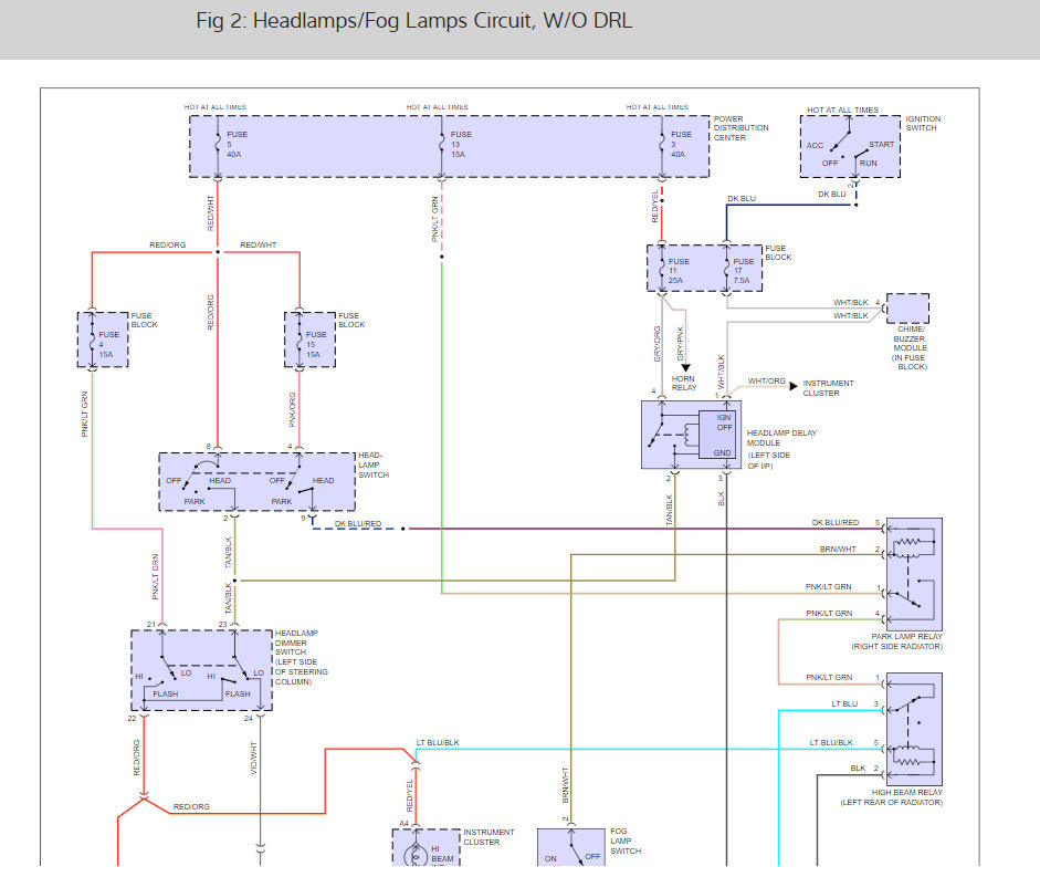
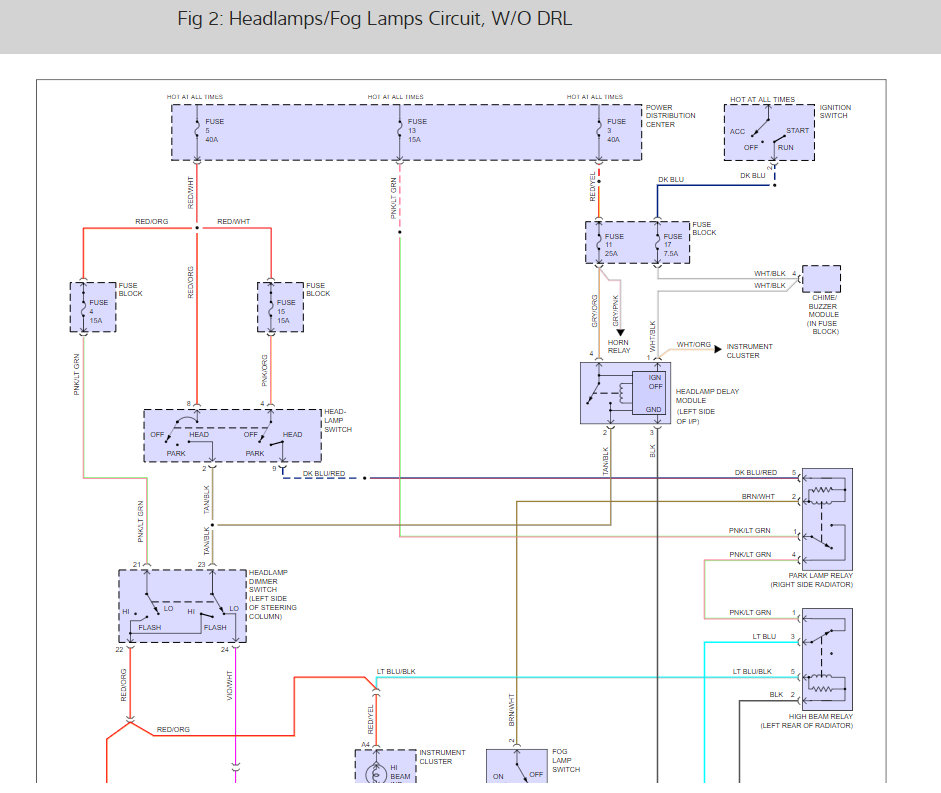
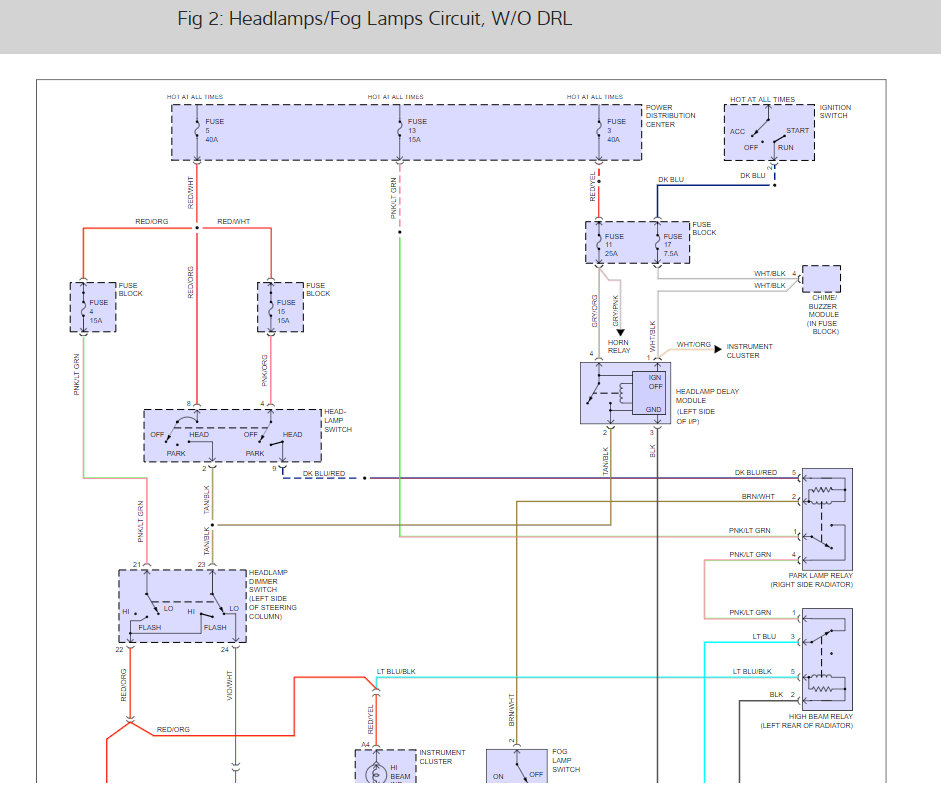
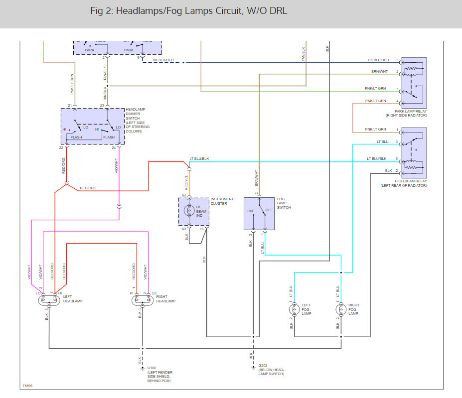
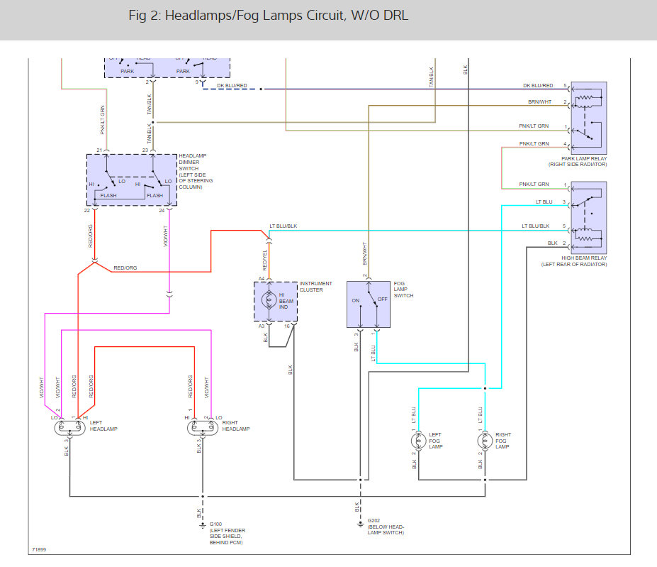
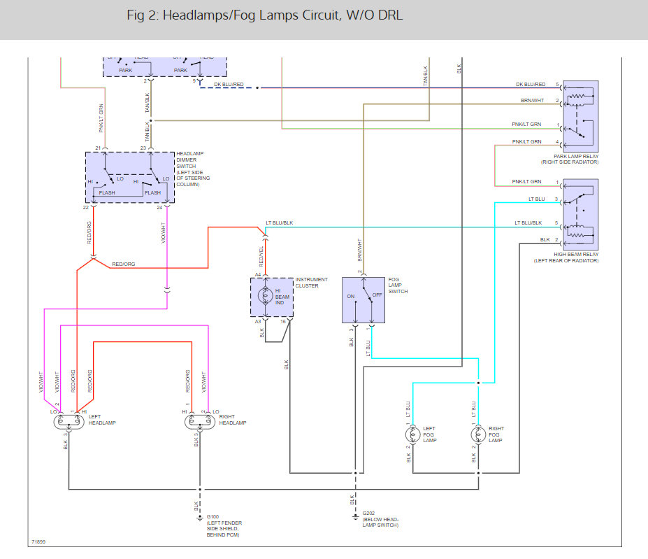
I have a 1995 jeep cherokee sport w/ 217k miles, automatic. I need to find the wiring diagram for the headlights.
My head light switch is not working and does not turn on the head lights. Also, the highbeam switch won't stay on High beams. The result is I have no head lights.
Is there a wiring diagram I can download or could it maybe be a fuse issue?
Thanks in advance,
Milt
Friday, November 2nd, 2007 AT 7:04 AM






