Fuel pump relay location

Tiny
ASEMASTER6371
  • MECHANIC
  • 52,796 POSTS
Good luck

Roy
Was this
answer
helpful?
Yes
No
Monday, March 11th, 2019 AT 3:04 PM (Merged)
Tiny
93CHEROKEE
  • MEMBER
  • 1 POST
I had the same problem. It was hard to find as the resistor worked fine while cold, but freaked out when hot causing the fuel pump to shut down. It was hard to find due to the temperature breakdown. Bypassed the resistor and it runs fine.
Was this
answer
helpful?
Yes
No
+2
Monday, March 11th, 2019 AT 3:04 PM (Merged)
Tiny
JAMES MADSEN
  • MEMBER
  • 1 POST
Thank you so much John for this even 5 years later it helped me, I tried hot wiring with fuses and a external relay and I still couldn't get it right, I found this article pulled out that mess of wire, connected original connections to fuel pump. I then removed that ballast resistor and connected those 2 wires. Turned over and continued running. After months of replacing part after part you helped me with a single paragraph and I thank you.
Was this
answer
helpful?
Yes
No
Monday, March 11th, 2019 AT 3:04 PM (Merged)
Tiny
METALREBEL
  • MEMBER
  • 1 POST
  • 1998 JEEP CHEROKEE
  • V8
  • AWD
  • AUTOMATIC
  • 107,000 MILES
I have a 1998 Jeep Grand Cherokee Limited with a 360, 5.9 litre. I just recently replaced the starter. A week later, to the day, I break down at the store. It cranks and is getting spark and power. So I had it towed to my garage, I automatically assume it's the fuel pump. I do a few trial by eliminations.1. I checked to see if I was getting power to the fuel pump with the key on, but nothing.2. I checked the fuel pressure, but there's hardly znything there just a faint smell.3. I check ALL relays and fuses, but they seem fine. 4. I hook a PCM to the jeep and get the error code 1282( Fuel Pump Relay Control Circuit ). SO NOW I don't know where and what to DO. I'm thinking it's the ECM and was wondering if I can find and repair the relay in the computer? Or do I just need a whole new ECM? I was Hoping I could get some GOOD news and there might be something else I can try? I would HIGHLY appreciate ANY and/or EVERY advise on what to do next, b/c I'm in dier straits! Please Send Help!
Was this
answer
helpful?
Yes
No
Monday, March 11th, 2019 AT 3:04 PM (Merged)
Tiny
RASMATAZ
  • MECHANIC
  • 75,992 POSTS
What relays have you checked and how did you check?If it has an ASD relay pull it out and reset it back in and see what happens. The computer energizes the ASD relay-and in turn might power the coil/injector/s and fuel pump something like Chrysler products Could very well be the PCM
Was this
answer
helpful?
Yes
No
Monday, March 11th, 2019 AT 3:04 PM (Merged)
Tiny
KEN L
  • MASTER CERTIFIED MECHANIC
  • 55,535 POSTS
Good to hear, please use 2CarPros anytime we are here to help.

Cheers, Ken
Was this
answer
helpful?
Yes
No
Monday, March 11th, 2019 AT 3:04 PM (Merged)
Tiny
JEEPTROUBLE
  • MEMBER
  • 2 POSTS
  • 1993 JEEP CHEROKEE
  • 6 CYL
  • 4WD
  • AUTOMATIC
  • 250,000 MILES
For some reason, we don't always hear the fuel pump kick in when the ignition is engaged on our 93 jeep grand cherokee laredo. When it's cold and we don't hear the fuel pump, it won't start until we mess with turning the key off and on until we hear the fuel pump. I've changed numberous things trying to fix this problem and it's hard to really know if the problem is solved because we have to wait until in the morning and see how it starts. So far I've changed the following: Fuel pump, Fuel pump relay, ASD, Fuel pressure regulator, Fuel filter, Ignition switch and I think that's it. Not sure what to change next so I need some help! It used to start perfectly and I suspected the fuel pump, which I changed first. Now I've changed everything I can think of. Any advice? Thanks!
Was this
answer
helpful?
Yes
No
Monday, March 11th, 2019 AT 3:04 PM (Merged)
Tiny
RASMATAZ
  • MECHANIC
  • 75,992 POSTS
Do you have ignition spark and injector/s pulsing?
Was this
answer
helpful?
Yes
No
Monday, March 11th, 2019 AT 3:04 PM (Merged)
Tiny
JEEPTROUBLE
  • MEMBER
  • 2 POSTS
Yes, there is no problems with the ignition spark or injectors pulsing. The only time the problem is present is when the jeep is cold or has sat for a few hours at a time. It runs perfect after starting. The fuel pump has started sounding "different" today though. I have a feeling that the new fuel pump I put on is actually bad too. I always hear the relays clicking and everything when I turn the key to engage the fuel pump but I dont always hear the fuel pump kick in and it won't start when I don't hear it unless I've just shut it off and the lines are still primed. The problem seems to be getting worse. Another bad fuel pump maybe? Is that common? Thanks!
Was this
answer
helpful?
Yes
No
Monday, March 11th, 2019 AT 3:04 PM (Merged)
Tiny
TACOMABANGA1986
  • MEMBER
  • 1 POST
  • 1997 JEEP CHEROKEE
  • 6 CYL
I got a 1997 jeep cherokee, I get no power to fuel pump at all, I checked the relay and it works, but when I test at fuel pump I get no power, there is power going to fuel pump relay, but no power comeing out of it, can you help me?
Was this
answer
helpful?
Yes
No
Monday, March 11th, 2019 AT 3:04 PM (Merged)
Tiny
JDL
  • MECHANIC
  • 16,098 POSTS
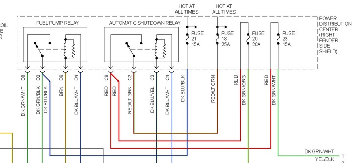
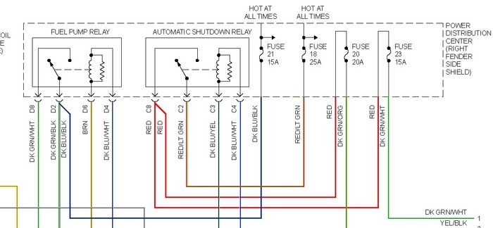
There would be two voltage circuits at the fuel pump relay. One for the circuit/load side of relay, one for the coil/control side of relay. Both circuits are fuse protected. Voltage for the control side of relay, goes hot with key on. Voltage to circuit side of relay, is hot all the time. But, unless the relay is energized, that voltage on the circuit side doesn't go anywhere. When the relay is energized, that line with the arrowhead on it, moves to the other terminal.

Engine cranking, do you have any spark at the plugs. If the computer doesn't see the proper cam and crank signal during cranking, you may not have fuel pump action or spark at the plugs or injector pulse. Any applicable trouble codes?
Was this
answer
helpful?
Yes
No
Monday, March 11th, 2019 AT 3:04 PM (Merged)
Tiny
FLATSPIN
  • MEMBER
  • 2 POSTS
  • 1996 JEEP CHEROKEE
  • 6 CYL
  • 4WD
  • AUTOMATIC
  • 18,500 MILES
My jeep would backfire and almost stall, but I could turn the ignition switch off, then on quickly, and it would stop backfiring and run a little better for a mile or so, then the same thing again. Now the fuel pump will not work while in the tank. If I take it out and run a jumper from the battery, the pump motor will run. I am only getting 5.6v to the pump wiring harness plug when I turn on the ignition. I can't even find the pump relay. The Haynes manual says the system has two ballast resistors, but the auto parts stores say they don't show one. Frustrated! Got any ides? Thanks so much for reading this.
Was this
answer
helpful?
Yes
No
Monday, March 11th, 2019 AT 3:04 PM (Merged)
Tiny
JDL
  • MECHANIC
  • 16,098 POSTS
At the pump connector, were you testing the proper wire for voltage, dark green wire with red tracer. A no load test on a fuel pump isn't worth much. I did the same test on a faulty pump, it ran up a storm.


https://www.2carpros.com/forum/automotive_pictures/170934_cherokee_fuel_pump_1_1.jpg



https://www.2carpros.com/forum/automotive_pictures/170934_cherokee_fuel_pump_2_1.jpg

Was this
answer
helpful?
Yes
No
Monday, March 11th, 2019 AT 3:04 PM (Merged)
Tiny
FLATSPIN
  • MEMBER
  • 2 POSTS
I checked the current at the green/red tracer on the fuel pump harness with the switch turned on. I got 5.6 volts, that is not correct, is it? Thanks again, esp, the quick response. Flatspin
Was this
answer
helpful?
Yes
No
+1
Monday, March 11th, 2019 AT 3:04 PM (Merged)
Tiny
JDL
  • MECHANIC
  • 16,098 POSTS
Check it with engine cranking. Have a helper crank it.

Take a reading across battery posts, engine cranking, what is the reading? Then take reading at the wire in question, engine cranking, should be close to same reading?
Was this
answer
helpful?
Yes
No
Monday, March 11th, 2019 AT 3:04 PM (Merged)
Tiny
CANTU123456
  • MEMBER
  • 7 POSTS
  • 1991 JEEP CHEROKEE
  • 6 CYL
  • 4WD
  • AUTOMATIC
  • 180,000 MILES
I had replaced all my relays under the hood and finally got power back to everything because I had pulled way to much power from my kc lights. It blew a few different things I didnt have spark or any voltage at resistor in fuel circuit. After replacing the relays I have power back everywhere. But the resistor is only reading about 2 volts. So I at least got some power bak at the resistor but Not enough. Its stays at around 2 either at the resistor or at the pump and stays the same while cranking. The voltage doesnt change while cranking either.
Why am I not getting full volts back for the fuel system?
Was this
answer
helpful?
Yes
No
Monday, March 11th, 2019 AT 3:04 PM (Merged)
Tiny
JAMES W.
  • MECHANIC
  • 2,394 POSTS
Where is this "resistor" you're testing? My diagram doesn't show one. What's the voltage reading at the red wires going into the fuel pump relay socket? It should be 12 volts. Please advise.
Was this
answer
helpful?
Yes
No
Monday, March 11th, 2019 AT 3:04 PM (Merged)
Tiny
CANTU123456
  • MEMBER
  • 7 POSTS
The resistor is on the front fender well.
Was this
answer
helpful?
Yes
No
Monday, March 11th, 2019 AT 3:04 PM (Merged)
Tiny
JAMES W.
  • MECHANIC
  • 2,394 POSTS
What about the voltage at the relay socket?
Was this
answer
helpful?
Yes
No
Monday, March 11th, 2019 AT 3:04 PM (Merged)
Tiny
GOSKI
  • MEMBER
  • 1 POST
  • 1996 JEEP CHEROKEE
My 1996 Jeep Cherokee Sport will not start. I checked the fuel pressure and there wasn't any. I checked for the humm in the gas tank and there wasn't any. I found the relay in the Power Distr. Box and measured the voltage across the coil of the relay and I would see it jump to 12V when the key was turned to the run position but instantly fall to 6.5V, which I believe is not enough to pull in the relay. From the Chilton book I have it looks like the low side of the coil is connected to the ECU so I'm thinking I have a problem with the ECU. Any suggestions.
Was this
answer
helpful?
Yes
No
Monday, March 11th, 2019 AT 3:04 PM (Merged)

Please login or register to post a reply.