Crankshaft sensor replacement please?

Tiny
PAT SPOORES
  • MEMBER
  • 3 POSTS
  • 1996 JEEP CHEROKEE
  • 4 CYL
  • 4WD
  • AUTOMATIC
  • 178,000 MILES
Picture of crank sensor
Was this
answer
helpful?
Yes
No
Monday, December 7th, 2020 AT 9:40 AM (Merged)
Tiny
AIRSOFTSOLDRECN9
  • MEMBER
  • 348 POSTS
The topmost sensor should be the correct picture of it.


https://www.2carpros.com/forum/automotive_pictures/187088_wl2su368003_1.jpg



https://www.2carpros.com/forum/automotive_pictures/187088_0900c152800a9b5c_1.jpg

Was this
answer
helpful?
Yes
No
Monday, December 7th, 2020 AT 9:40 AM (Merged)
Tiny
DEBBIE YOUNG
  • MEMBER
  • 1 POST
  • 1996 JEEP CHEROKEE
  • 6 CYL
  • 4WD
  • AUTOMATIC
  • 176,000 MILES
How to replace sensor, repair manual shows different picture of wiring.
Was this
answer
helpful?
Yes
No
Monday, December 7th, 2020 AT 9:41 AM (Merged)
Tiny
DOCFIXIT
  • MECHANIC
  • 18,828 POSTS
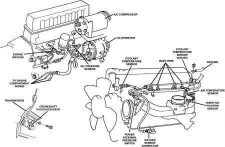
On trans just unbolts see diagram


https://www.2carpros.com/forum/automotive_pictures/198357_Graphic_460.jpg

Was this
answer
helpful?
Yes
No
Monday, December 7th, 2020 AT 9:41 AM (Merged)
Tiny
PAULSTT
  • MEMBER
  • 6 POSTS
  • 1996 JEEP CHEROKEE
44,400 island miles, straight 6. After my "mechanic" replaced the water pump, the truck began starting very hard--- you have to give it alot of gas, and then once it does start, it smokes (white) and the engine will either rev way up, or chug and stall. After about 30 seconds it seems to be fine and then it runs right. He says a third of the crank shaft position sensor does note have continuity. Would a bad crank shaft position sensor cause the hard start followed by irregular revving?

Thanks!
Paul
Was this
answer
helpful?
Yes
No
Monday, December 7th, 2020 AT 9:41 AM (Merged)
Tiny
CARUNDELL
  • MECHANIC
  • 602 POSTS
Hey Paul,
Very possible, yet the only definitive test for a crank sensor performance is with a lab scope! Does your tech have this capability? Let me know! Also he can contact me if he needs more info/help!

Chris
Was this
answer
helpful?
Yes
No
Monday, December 7th, 2020 AT 9:41 AM (Merged)
Tiny
PAULSTT
  • MEMBER
  • 6 POSTS
Hey Paul,
Very possible, yet the only definitive test for a crank sensor performance is with a lab scope! Does your tech have this capability? Let me know! Also he can contact me if he needs more info/help!

Chris[/quote:0d5f9c08ef]
I doubt it. He said that he ohm'd it out. Here on St. Thomas it is hard to find competent people. I think that I'm all done with him. It looks easy enough to replace. Any tips or tricks?
Paul
Was this
answer
helpful?
Yes
No
Monday, December 7th, 2020 AT 9:41 AM (Merged)
Tiny
CARUNDELL
  • MECHANIC
  • 602 POSTS
Paul,
Nope, pretty straight forward. Let me know!

Chris
Was this
answer
helpful?
Yes
No
Monday, December 7th, 2020 AT 9:41 AM (Merged)
Tiny
PAULSTT
  • MEMBER
  • 6 POSTS
Thank you very much. I replaced the NSS last weekend and the CPS today. Starts and runs well. Again thank yhou for your help
-Paul
Was this
answer
helpful?
Yes
No
Monday, December 7th, 2020 AT 9:41 AM (Merged)
Tiny
CARUNDELL
  • MECHANIC
  • 602 POSTS
Paul,
Thats Great! And your very welcome!

Chris
Was this
answer
helpful?
Yes
No
Monday, December 7th, 2020 AT 9:41 AM (Merged)

Please login or register to post a reply.