Where is the Blower Motor Relay located

Tiny
GUAMSQUID
  • MEMBER
  • 1996 JEEP CHEROKEE
Trying to replace the blower motor relay but not sure where it's located. Thanks!
Friday, September 4th, 2009 AT 10:31 PM

5 Replies

Tiny
KEN L
  • MASTER CERTIFIED MECHANIC
  • 55,383 POSTS
Hey Guamsquid,

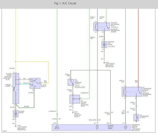
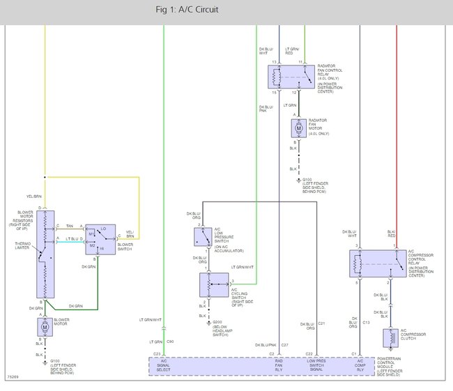
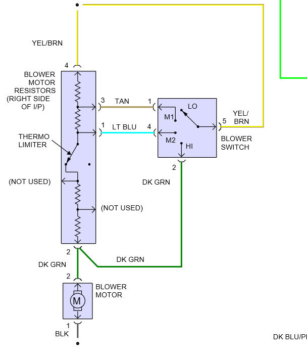
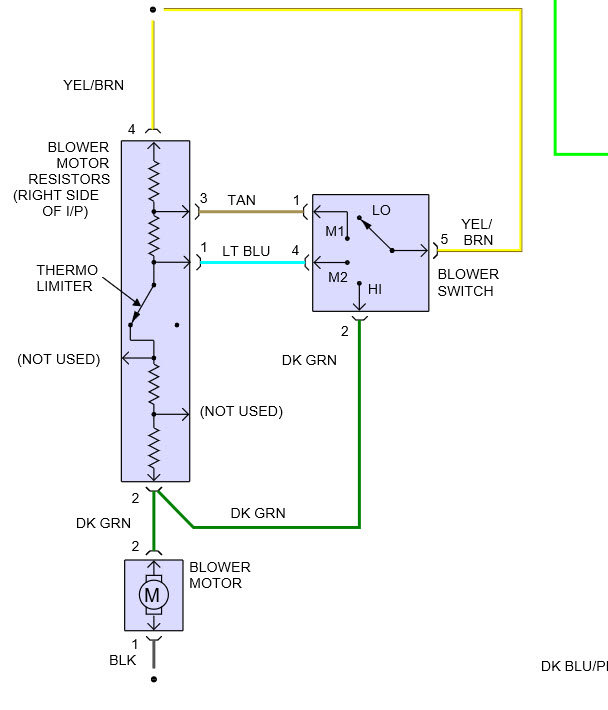
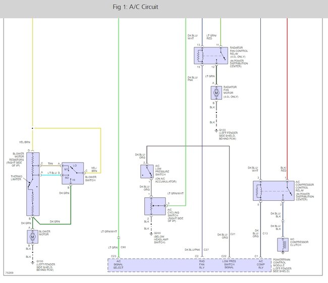
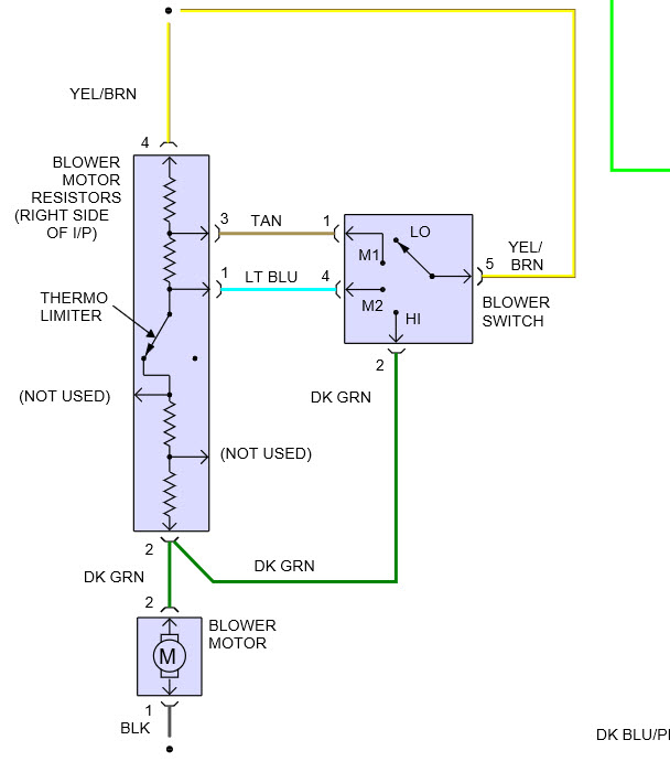
The blower motor does not have a relay. Here is a wiring diagram to help you troubleshoot the problem. Please let us know what you find so it with help others.

Best, Ken
Was this
answer
helpful?
Yes
No
+2
Tuesday, November 22nd, 2016 AT 2:51 PM
Tiny
HALL79
  • MEMBER
  • 1 POST
  • 1995 JEEP CHEROKEE
  • 4.0L
  • 6 CYL
  • 4WD
  • AUTOMATIC
  • 216,000 MILES
I cannot locate where the blower motor relay goes. I was able to purchase a blower motor relay, but I do not see and cannot find where it goes. I have a book it does not show where. However, it does mention the relay in heater core replacement instructions.
Was this
answer
helpful?
Yes
No
+4
Friday, August 9th, 2019 AT 11:59 AM (Merged)
Tiny
HMAC300
  • MECHANIC
  • 48,601 POSTS
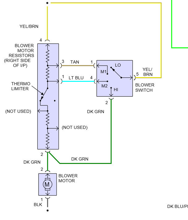
According to our wiring schematic there is no blower relay, just a resistor and nothing else. Check out the diagrams (below). Please let us know if you need anything else to get the problem fixed.
Was this
answer
helpful?
Yes
No
Friday, August 9th, 2019 AT 11:59 AM (Merged)
Tiny
RICK465
  • MEMBER
  • 1 POST
My blower will occasionally continue to run when the key is out. It's my understanding that this is a relay going bad. I got what was said to be a blower motor relay. There is not one, as you have said. The only relay that sounds close is the A/C clutch relay. I don't think that would be a source of the issue. If there is no relay, what is going on and why would they sell a relay that says its for the blower motor? 1997 Jeep Grand Cherokee 4.0.
Was this
answer
helpful?
Yes
No
-1
Thursday, June 25th, 2020 AT 4:59 PM
Tiny
KASEKENNY
  • MECHANIC
  • 18,907 POSTS
I attached the information about this relay. More then likely you are correct that the relay is the issue so let us know what happens after you swap it out.

Here is a guide that will help with testing the relay.

https://www.2carpros.com/articles/how-to-check-an-electrical-relay-and-wiring-control-circuit

Thanks
Was this
answer
helpful?
Yes
No
Thursday, June 25th, 2020 AT 5:34 PM

Please login or register to post a reply.