Doors wont lock or unlock

Tiny
GRATEFUL DEAD
  • MEMBER
  • 1996 JEEP CHEROKEE
  • 6 CYL
  • 4WD
  • AUTOMATIC
  • 118,000 MILES
My power locks wont work. I can hear the relay switch clicking but there is nothing happening with the locks. How do I fix?
Tuesday, September 7th, 2010 AT 6:33 PM

13 Replies

Tiny
JACOBANDNICKOLAS
  • MECHANIC
  • 110,194 POSTS
Hello,

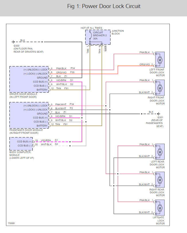
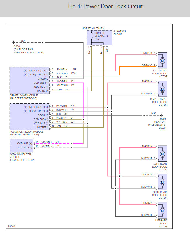
It sounds like you have a drivers door module that has gone out but to be sure lets run down the wiring to make sure we are all good. Here is a guide and the door lock wiring diagrams to help us get started. I also included the DDM location in the driver door as well.

https://www.2carpros.com/articles/how-to-check-wiring

Check out the diagrams (Below). Please let us know what you find. We are interested to see what it is.
Was this
answer
helpful?
Yes
No
Wednesday, September 8th, 2010 AT 1:49 PM
Tiny
GRATEFUL DEAD
  • MEMBER
  • 4 POSTS
No. Its not just one lock it is all the locks.
Was this
answer
helpful?
Yes
No
+2
Wednesday, September 8th, 2010 AT 5:17 PM
Tiny
JACOBANDNICKOLAS
  • MECHANIC
  • 110,194 POSTS
You need to remove the driver's door panel and check for power to the main switch.
Was this
answer
helpful?
Yes
No
+1
Thursday, September 9th, 2010 AT 8:08 AM
Tiny
GRATEFUL DEAD
  • MEMBER
  • 4 POSTS
I took the driver side door panel off and saw that everything was connected. No wires were loose or broken. I also took the passenger door panel off and found the same thing. Locks still wont work
Was this
answer
helpful?
Yes
No
+1
Thursday, September 9th, 2010 AT 5:14 PM
Tiny
JACOBANDNICKOLAS
  • MECHANIC
  • 110,194 POSTS
Under the hood is a power distribution box. Check for a door lock relay and switch it with another relay with the same part number to see if that helps.
Was this
answer
helpful?
Yes
No
Friday, September 10th, 2010 AT 10:25 AM
Tiny
GRATEFUL DEAD
  • MEMBER
  • 4 POSTS
I checked out the DDM and everything works thanks for the help I should have done that first DOH. Cost me $135.00
Was this
answer
helpful?
Yes
No
Saturday, September 11th, 2010 AT 12:07 PM
Tiny
JACOBANDNICKOLAS
  • MECHANIC
  • 110,194 POSTS
Glad you could get it fixed, that kind of problem can be tough. Please use 2CarPros anytime we are here to help.
Was this
answer
helpful?
Yes
No
-1
Monday, September 13th, 2010 AT 7:10 AM
Tiny
BGABRIEL
  • MEMBER
  • 1 POST
  • 1996 JEEP CHEROKEE
I have a 96 Jeep Grand Cherokee which all of a sudden all power door locks, windows and outside mirrors no longer work. I have checked the fuses under the hood (power distribution panel) all check out okay. Checked the fuese inside the right side kick panel, all but one fuse checks out okay. I've replaced the one fuse that looks okay, but still get no power to or thru it. What else/where else should I look? I suspect it is some type of fuse or central power device that needs replacing.
Was this
answer
helpful?
Yes
No
-1
Tuesday, January 29th, 2019 AT 1:05 PM (Merged)
Tiny
JDL
  • MECHANIC
  • 16,098 POSTS
Sorry for the late reply.

There is a circuit breaker for power windows, check for voltage at circuit, hot all the time. By fixing one system it may or may not fix the others.

Also check the wire harness going into the driver door, hinge side. It probably has a rubber boot protective covering, pull the boot back to access proper wire color to check. Because you open/close that door so much, sometimes the wires break. As you can see in diagram, the tan wire is voltage to driver door switch, black wire is ground.

I realize this is an old post. You may no longer own this vehicle. In the future hope you don't have any vehicle issues, but, if you do, keep the site in mind. They are always working to improve the site and it's free.

Have a good day.
Was this
answer
helpful?
Yes
No
+1
Tuesday, January 29th, 2019 AT 1:05 PM (Merged)
Tiny
FISHJERSEY
  • MEMBER
  • 3 POSTS
  • 1996 JEEP CHEROKEE
On a 1996 jeep grand cherokee laradeo 6cyl, 172,000miles with the power and auto locks about every 4-5 times driving once we hit the 15mph for the locks to lock they do but then they will keep trying to lock constantly. Is there any way to disable the auto lock part of the system even if the remote is disabled or what could be causing the problem and how can it be fixed?
Was this
answer
helpful?
Yes
No
+1
Tuesday, January 29th, 2019 AT 1:05 PM (Merged)
Tiny
MERLIN2021
  • MECHANIC
  • 17,250 POSTS
2. Passenger Door Module PDM Behind the right door trim panel, integrated within the door switch assembly. The Door Modules control various electronic features such as power door locks, power windows, power mirrors, courtesy lighting, and the liftgate lock motor.
First get a can of brakekleen and white lith grease, spay the crap outta the latch mech and close the door a few times, then gease it. If this works do it for all doors, if not do it for all doors! If it dosent help swap the mod!
Was this
answer
helpful?
Yes
No
-1
Tuesday, January 29th, 2019 AT 1:05 PM (Merged)
Tiny
MLENNON
  • MEMBER
  • 6 POSTS
  • 1997 JEEP CHEROKEE
How do I disable the auto door locks on my 97 jeep cherokee

thanks

matt
Was this
answer
helpful?
Yes
No
Tuesday, January 29th, 2019 AT 1:05 PM (Merged)
Tiny
DOCFIXIT
  • MECHANIC
  • 18,828 POSTS
That feature "Rolling Door Lock" can be disabled, but you need the proper diagnostic scan tool to do it, see description below

- A rolling door locks feature will automatically lock all of the doors and the liftgate, after the vehicle reaches a speed of about 24 kilometers-per-hour (15 miles-per-hour) or greater. This feature will also lock the doors if a door is opened, then closed again at any speed above 24 kilometers-per-hour (15 miles- per-hour, ). Rolling door locks is a programmable feature of the power lock system. This feature can be enabled or disabled using the DRB scan tool and the proper Computers and Control Systems/Body Control Module/Testing and Inspection Procedures.
Was this
answer
helpful?
Yes
No
Tuesday, January 29th, 2019 AT 1:05 PM (Merged)

Please login or register to post a reply.