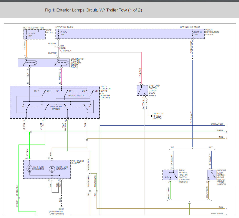
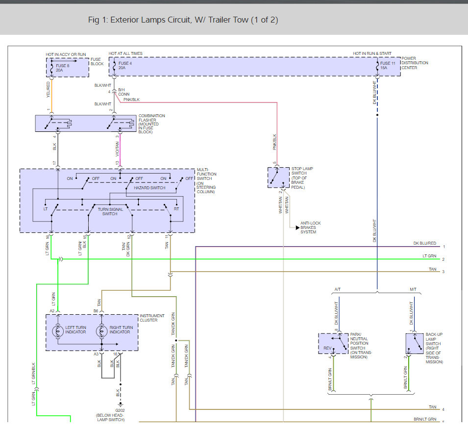
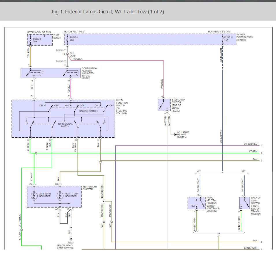
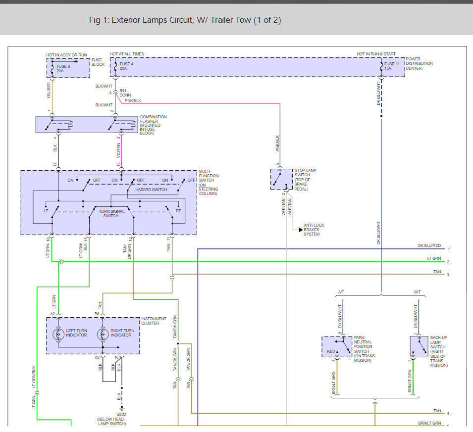
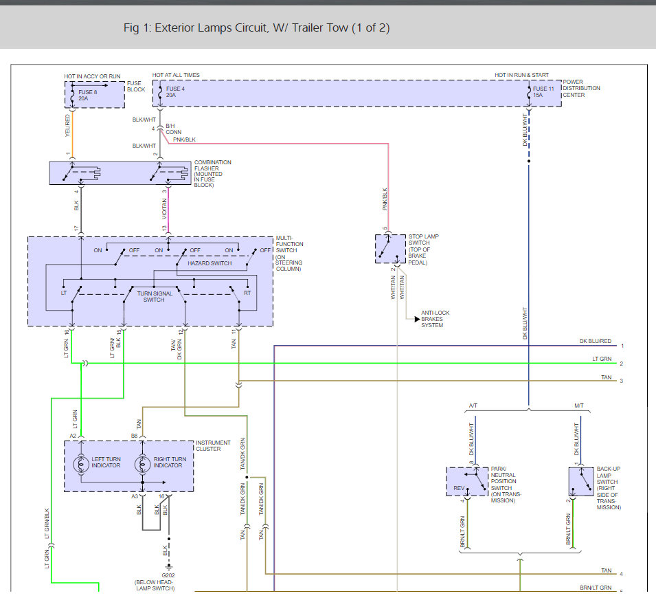
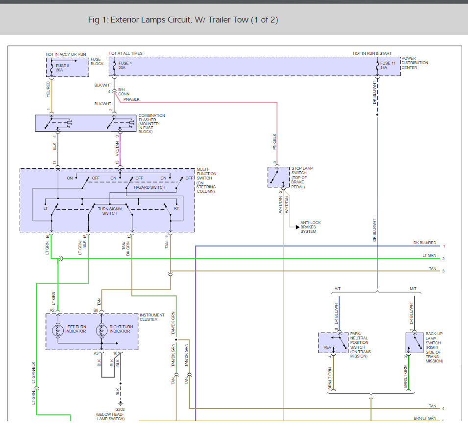
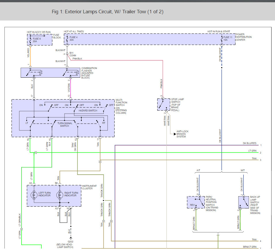
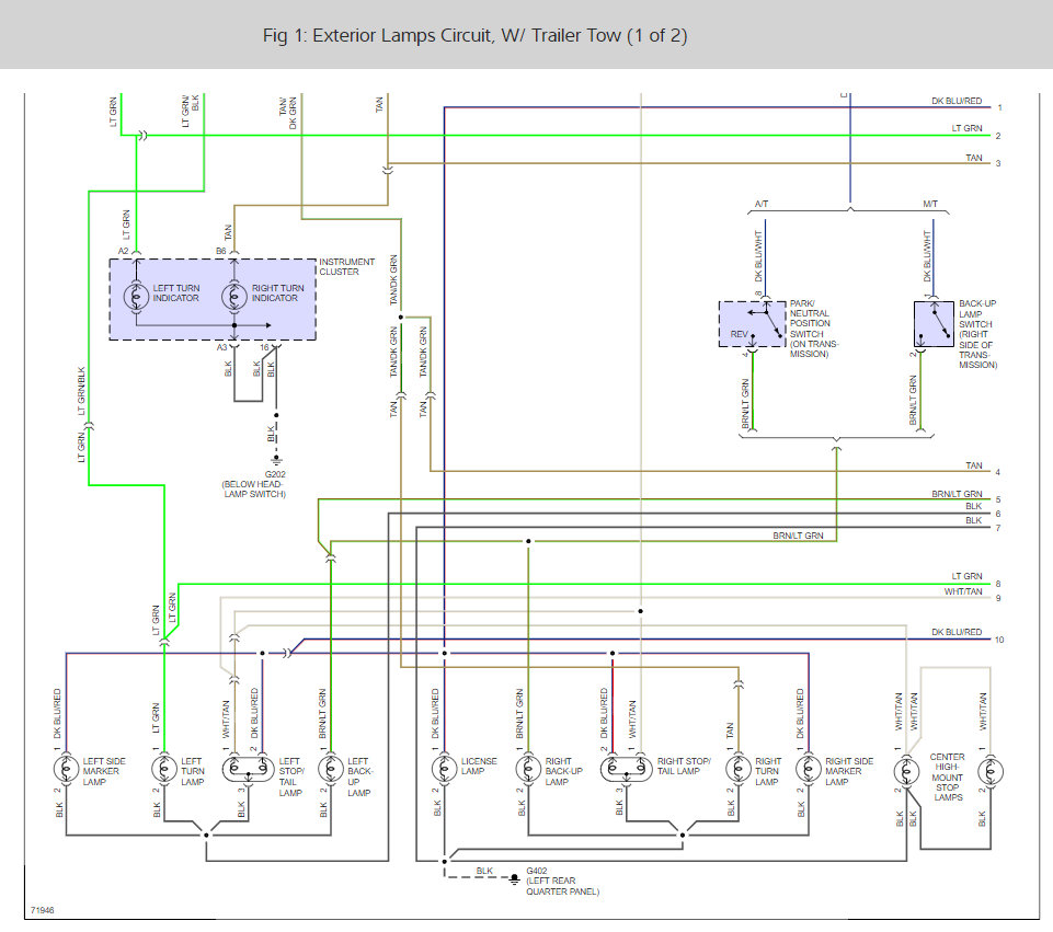
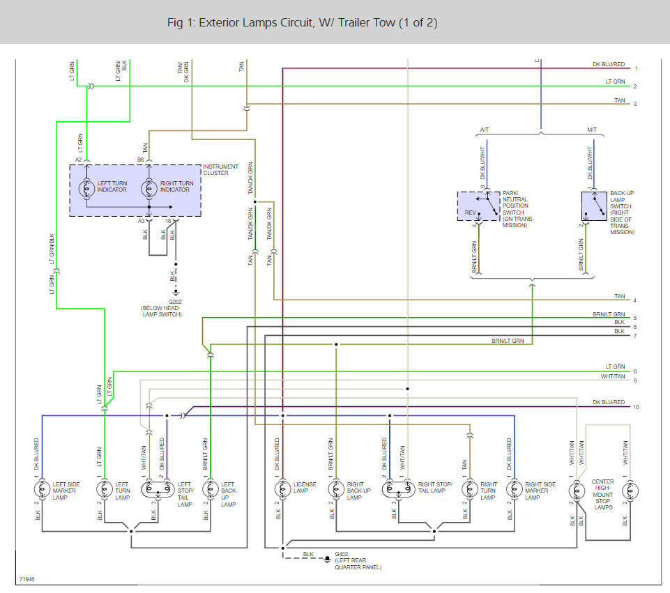
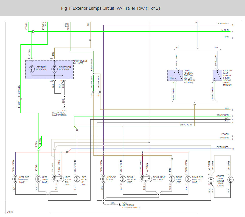
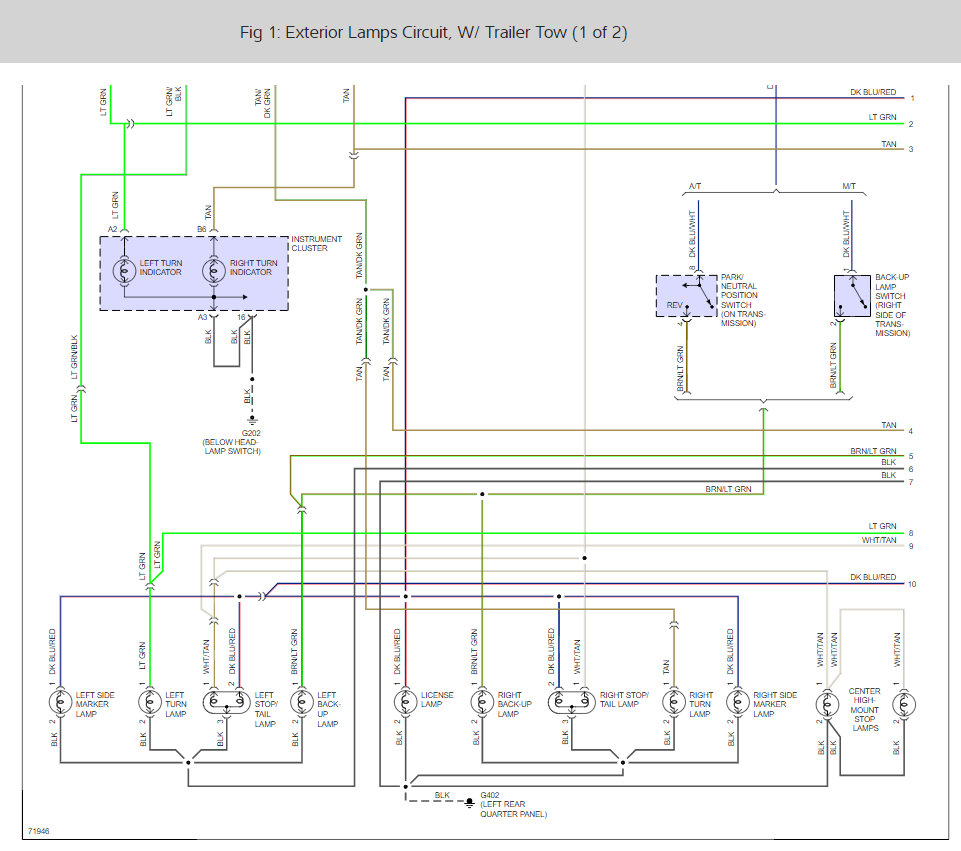
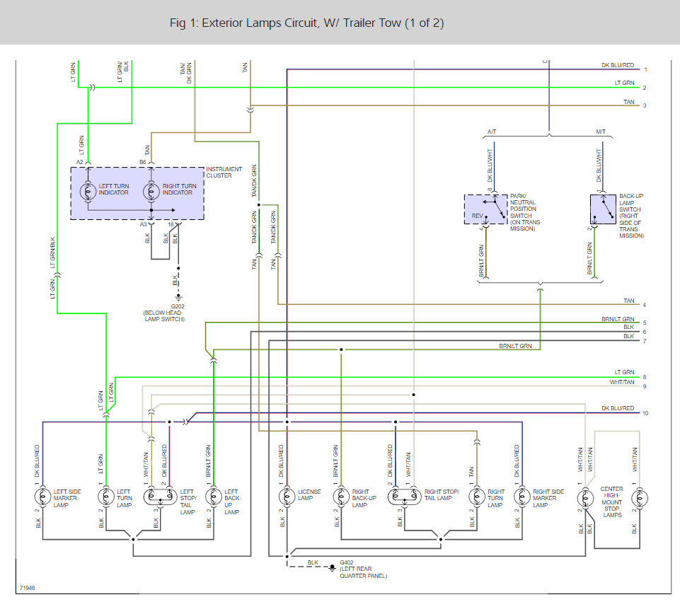
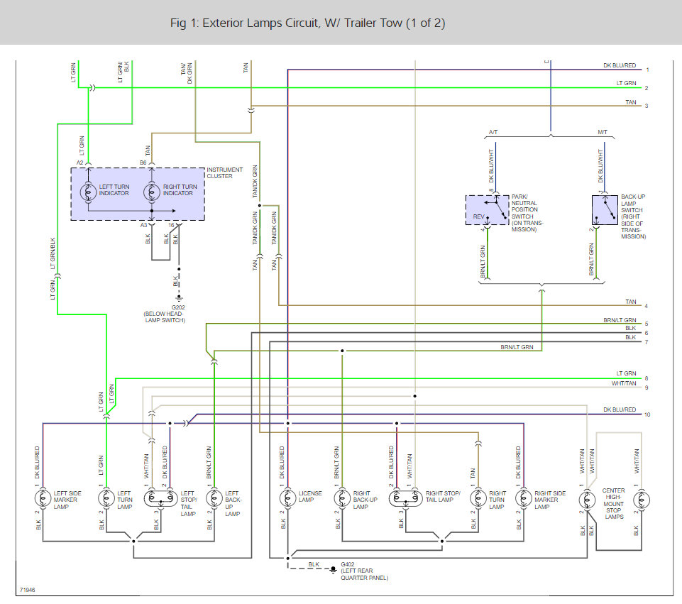
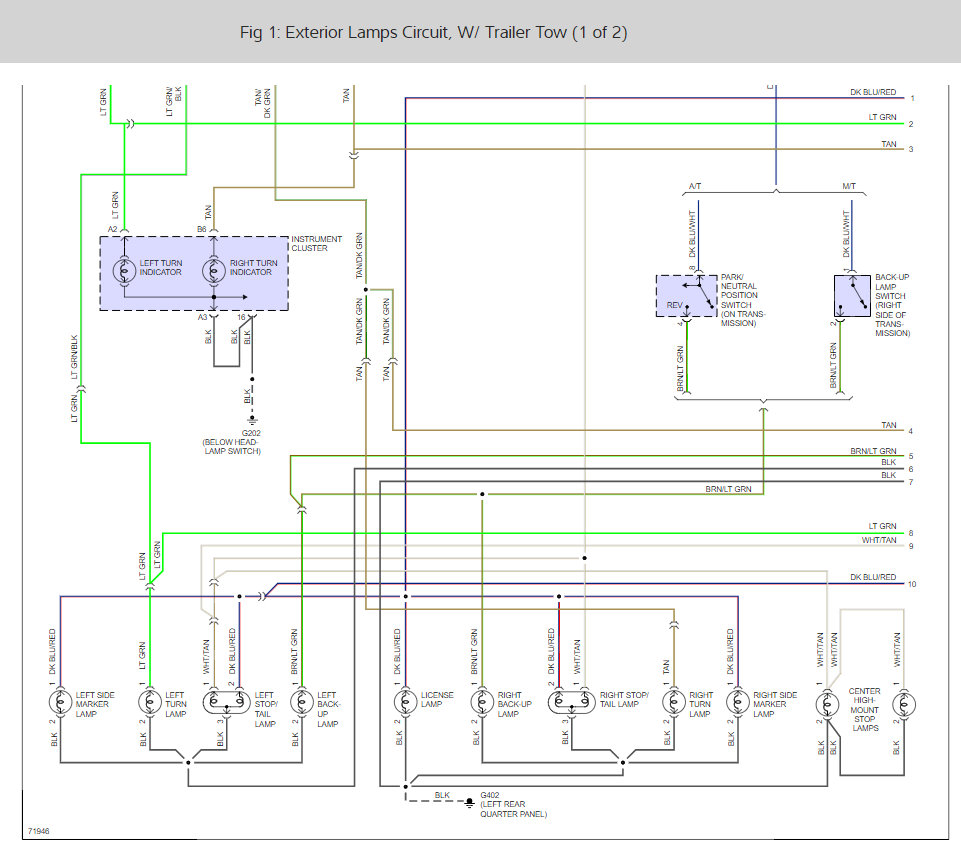
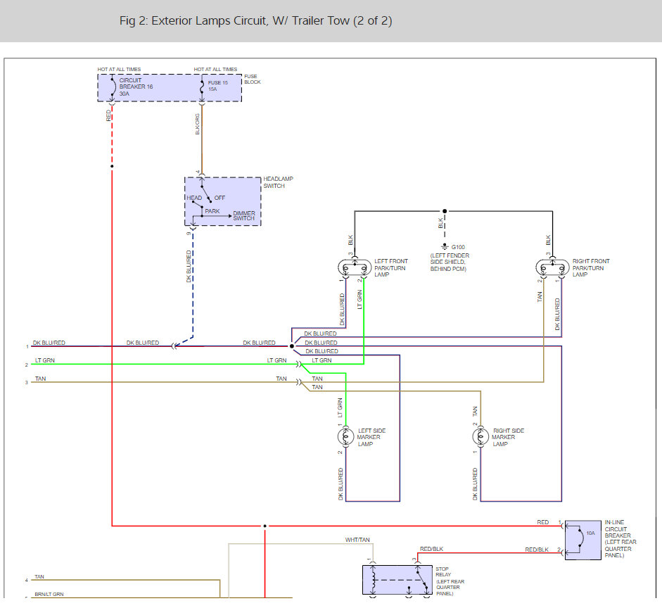
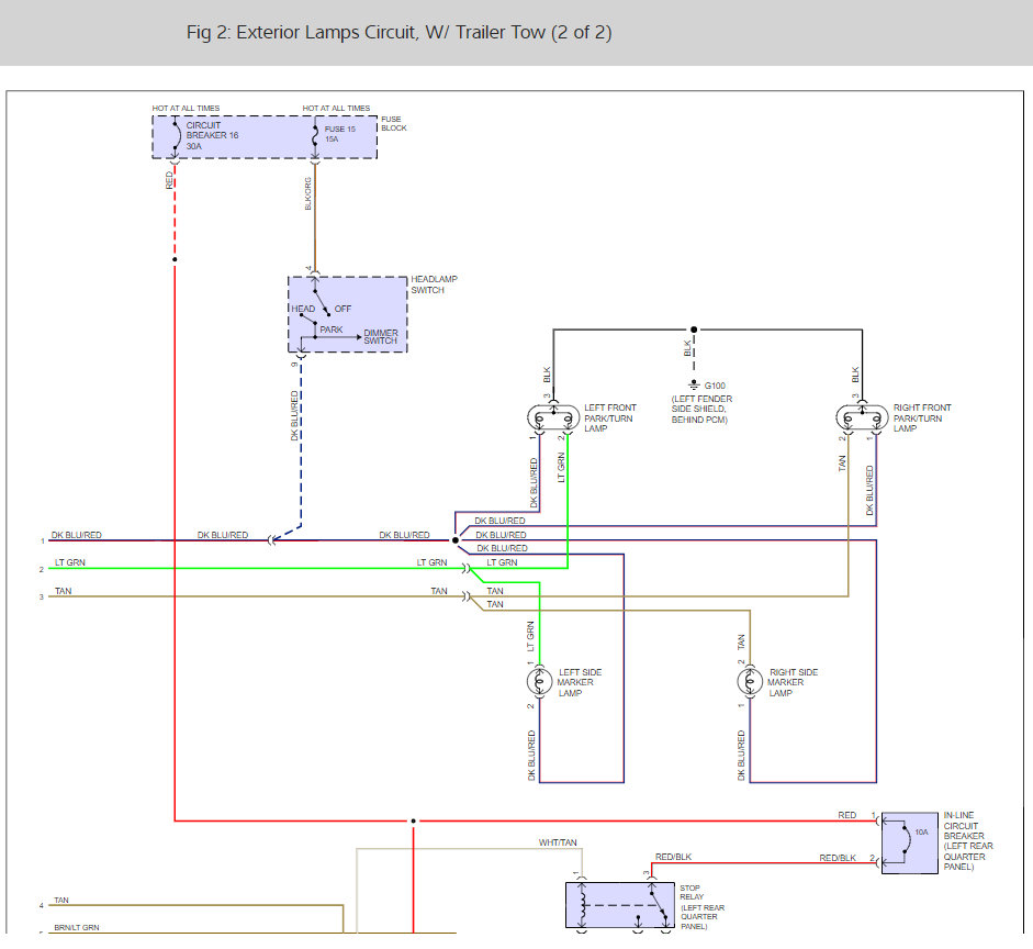
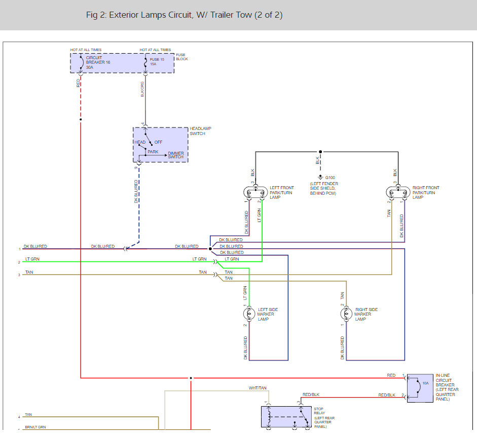
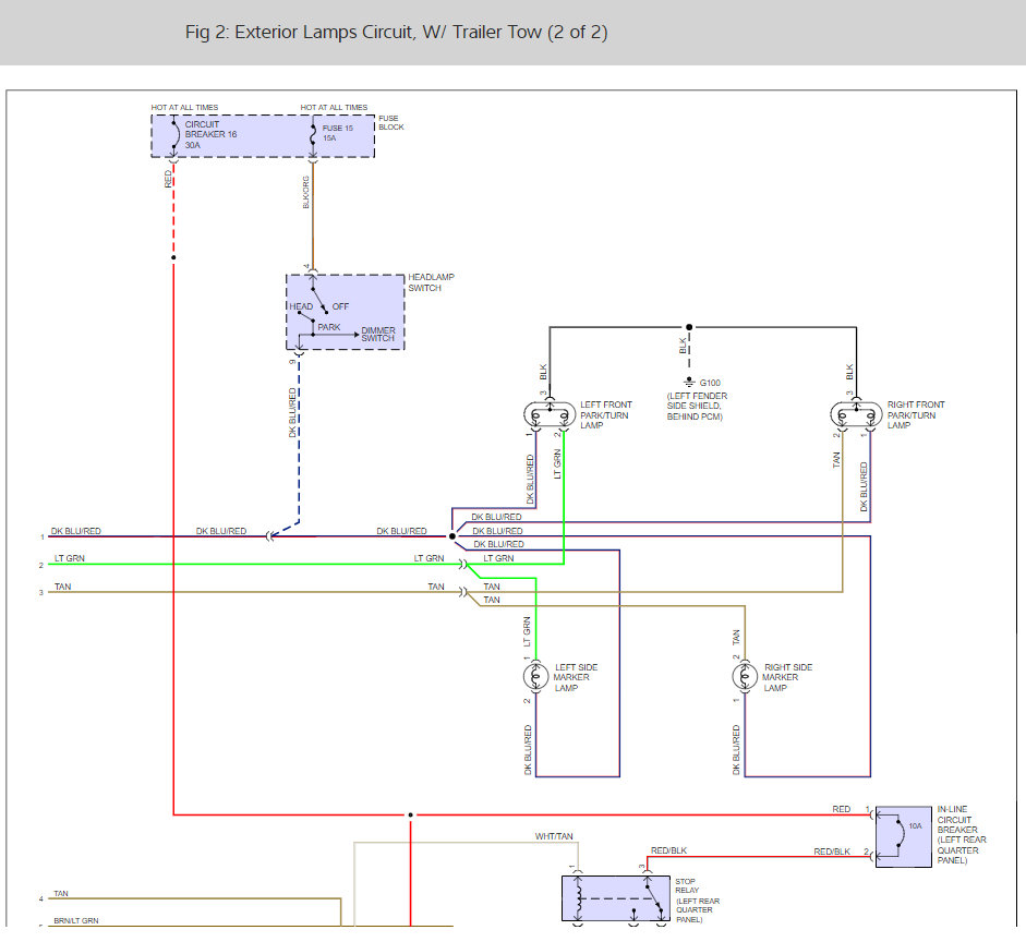
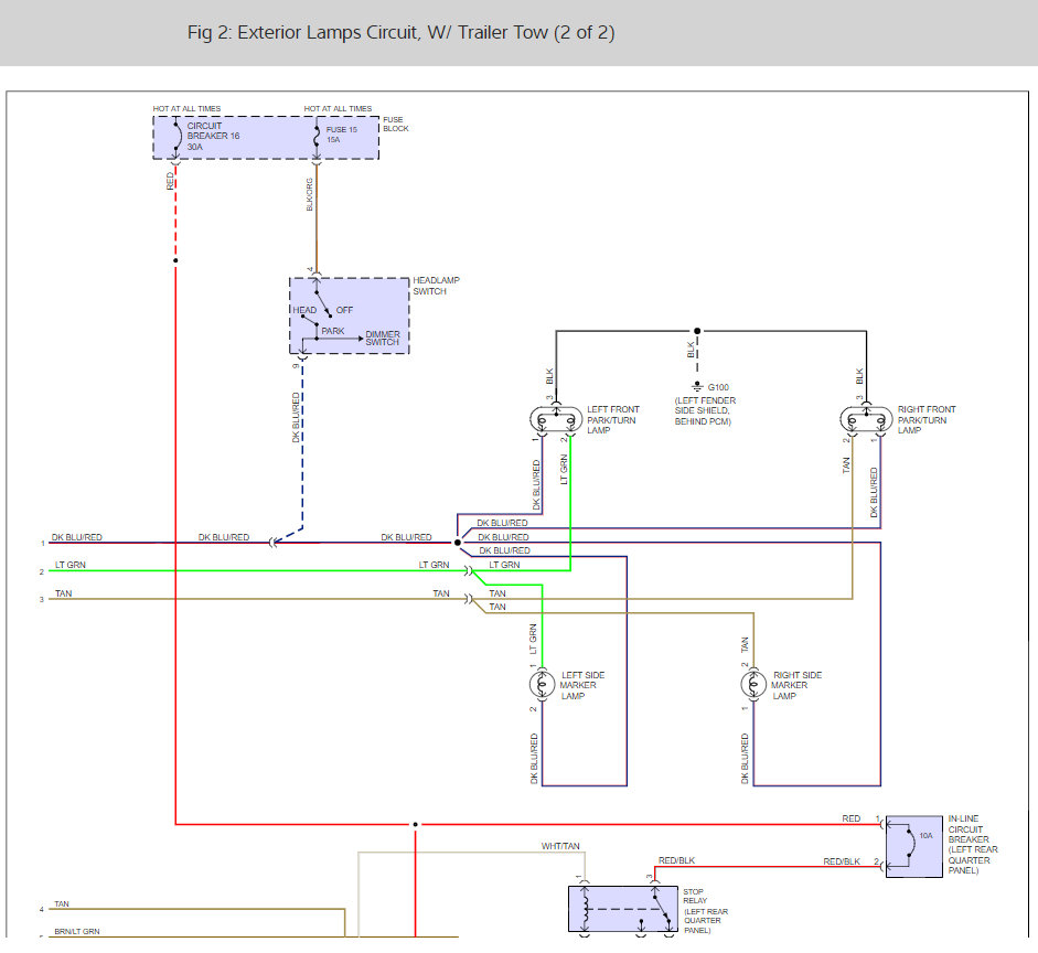
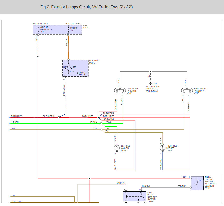
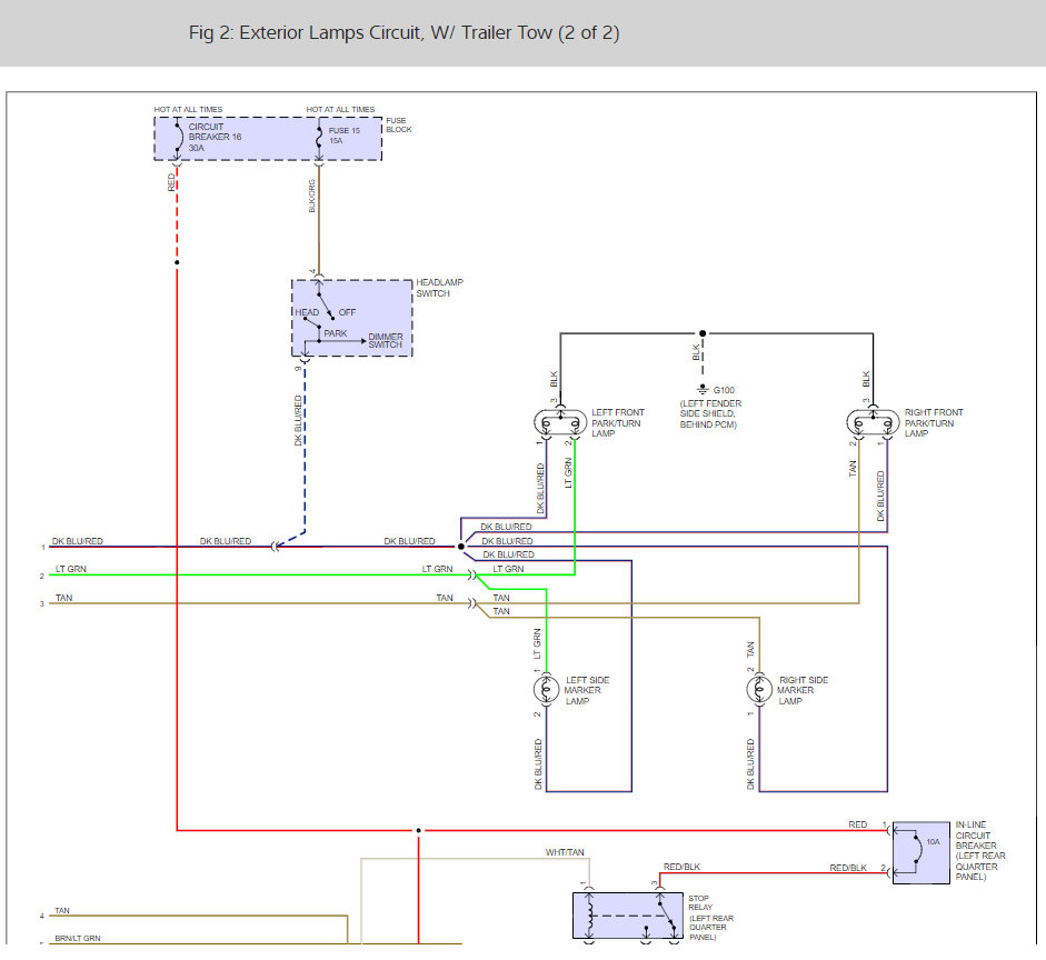
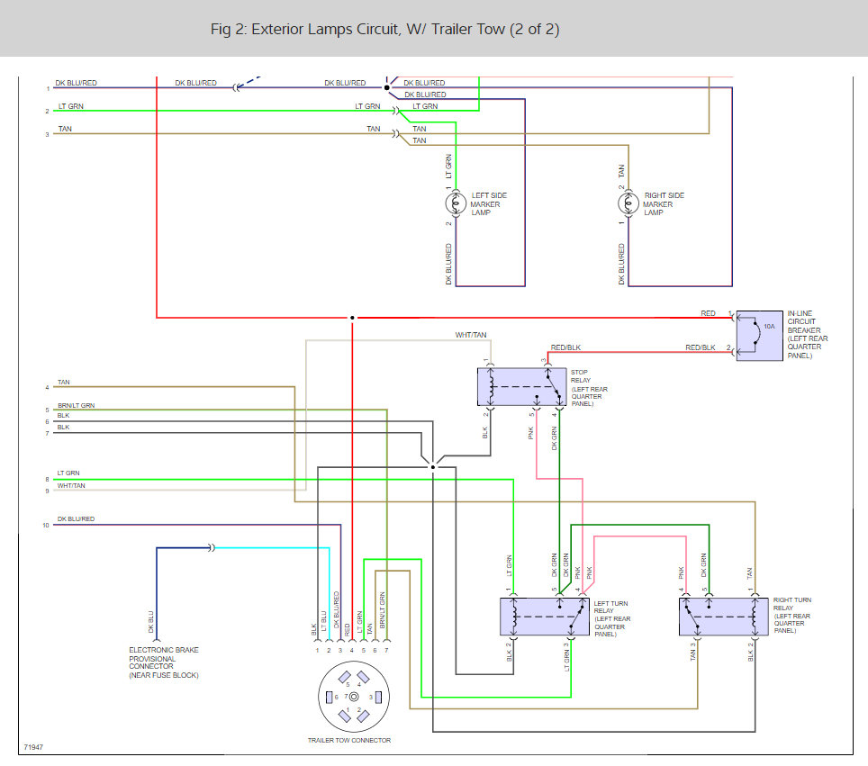
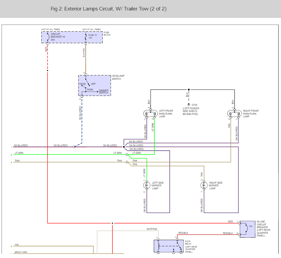
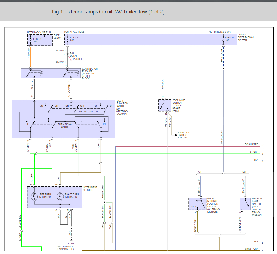
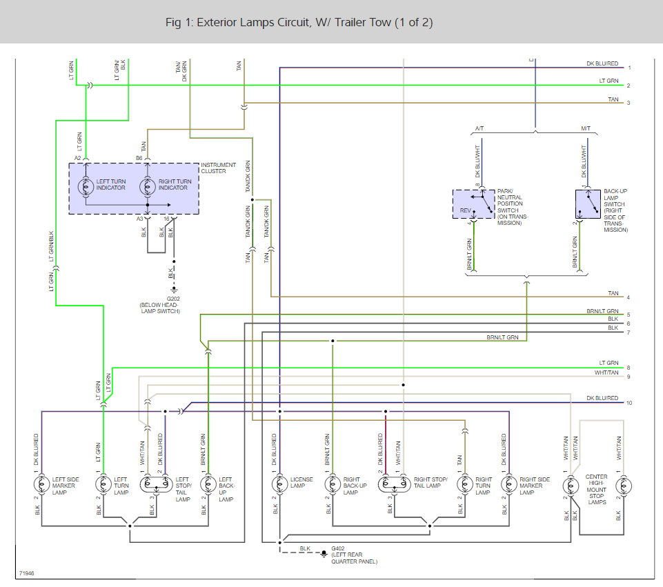
The other day my turn signals stopped working the hazard light still work but when I use my turn signal there is nothing the outside or the ones on the dash don't work I went and bought a book and everyone says change the flasher relay I can't find it I know I don't have a combo for the turn and hazards I replaced that and still nothing I looked under the dash and on the fuse box nothing there for the flasher does anyone know where it is please help.
I looked there it is not there I have been told about four different places I can't find it anywhere.
Is the hazard flasher is under the steering wheel and the turn signal flasher can't be found anywhere if you have any other ideas please help
Cherokee Sport 4.0 4x4 I had some people say it might be behind the glove box or in the steering column
Sunday, March 1st, 2009 AT 8:33 PM









