Alternator smokes when running (second new alternator)

Tiny
SSOTORPS
  • MEMBER
  • 2006 CHRYSLER 300
  • 5.7L
  • V8
  • 2WD
  • AUTOMATIC
  • 95,000 MILES
Converting to 70's electronic regulator, is there a way to wire it so the battery light will go out?
Also when engine is off I have one wire hot in the pig tail. I think both should have no voltage until key is in run position right. Tested unplugged.
Tuesday, September 21st, 2021 AT 3:05 PM

22 Replies

Tiny
KASEKENNY
  • MECHANIC
  • 18,907 POSTS
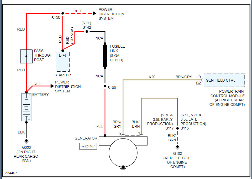
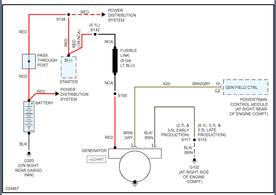
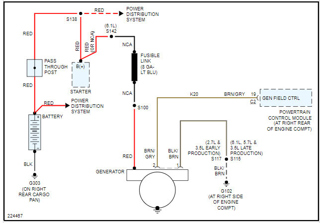
Couple things. First, I suspect the wire that is getting hot is the one from the PCM? See the wiring diagram below.

If this is the case, I have seen this a number of times. The alternators are failing because the driver (field control) in the PCM is shorted and causes the alternator to fail and even to cause the wiring to melt.

The solution to this is to replace the PCM and alternator if it is failed.

https://www.2carpros.com/articles/how-to-check-a-car-alternator

Also, if the wiring is damaged then it needs to be replaced as well.

Even if you change to the older style alternator this will be an issue until it is fixed. So I would suggest just repairing this and go with the OEM alternator.

Please see the wiring diagram below and let me know what questions you have.
Was this
answer
helpful?
Yes
No
+1
Tuesday, September 21st, 2021 AT 3:28 PM
Tiny
SSOTORPS
  • MEMBER
  • 14 POSTS
Started out car running hot. Changed the head gaskets. One pushrod miss located and headaches. Carried to electric shop who ran bill up reading codes for $400.00. Hard to find PCM found used and programmed to car, arrived and installed on car. Had crossed wires on battery taking car to elect shop. Brought home and fixed pushrod. Had 5 engine codes which I made go away with charged system. Let car run and new alternator started to smoke. Put new one on and it smoked so shut down immediately. Wanting to change Voltage Regulator and not have Battery Light on.
Could be possible old PCM is good?
Was this
answer
helpful?
Yes
No
Tuesday, September 21st, 2021 AT 4:19 PM
Tiny
KASEKENNY
  • MECHANIC
  • 18,907 POSTS
If you did not have the alternator smoking issue until you replaced it with the used one then I suspect that PCM has the failed field control circuit.

This is very common on these. I would put the old PCM back on and see if the alternator has an issue. If not, then you are going to have to find another PCM.

Clearly if that PCM had the other engine code issues then you are going to still have those but that would be better short term then a smoking alternator.

Let me know what happens when you put the old PCM back and we can go from there. Thanks
Was this
answer
helpful?
Yes
No
Tuesday, September 21st, 2021 AT 6:37 PM
Tiny
SSOTORPS
  • MEMBER
  • 14 POSTS
Old PCM back in. Two codes on right back wheel sensor, one in ABS and don't know about other. Says distance. This has never come up before the change of this PCM or with the bad one they sent me. Battery is charging but alternator whines.
An issue with both PCM's in. Door locks will not work button or door switches. Key remote flashes turn lights and blows horns for selections but nothing at doors.
Was this
answer
helpful?
Yes
No
Wednesday, September 22nd, 2021 AT 7:34 AM
Tiny
KASEKENNY
  • MECHANIC
  • 18,907 POSTS
So at this point we need to ignore all the other issues with this PCM and tackle the alternator smoking. That is the only purpose of installing that PCM back in the vehicle.

So if the alternator is whining but not smoking then I think we are on the right path.

At this point, I think we need to replace the alternator due to the whine which I suspect was caused by the smoking. Then make sure it is charging properly with this PCM still installed with no smoking.

Then if the PCM has other issues it needs to be replaced again for those issues but on this post we need to focus on the smoking alternator.

If we need to tackle the other issues, then we can get another one started. We just need to keep each post to one topic just so that others can find the answer if they have the same one and they won't find those other issues under this post.

Let us know what happens after this and we can go from there. Thanks
Was this
answer
helpful?
Yes
No
Wednesday, September 22nd, 2021 AT 10:40 AM
Tiny
SSOTORPS
  • MEMBER
  • 14 POSTS
Changed to new alternator with old PCM in. Connected negative battery post and started engine. Ran okay for a few seconds and then the dreaded alternator whine. Immediate shut down and removed negative battery post. Alternator was smoking a little.
Was this
answer
helpful?
Yes
No
Thursday, September 23rd, 2021 AT 5:31 PM
Tiny
KASEKENNY
  • MECHANIC
  • 18,907 POSTS
At this point, we need to check the wiring. Sounds like we may have damaged some wiring along the way.

So we need to measure resistance on cable from the battery to the alternator.

The we need to check the ground and field control wire as well.

I am leaning towards a faulty ground but clearly we are missing something and that is most likely the wiring.

https://www.2carpros.com/articles/how-to-use-a-voltmeter

Unhook them at both ends and measure ohms.
Was this
answer
helpful?
Yes
No
Thursday, September 23rd, 2021 AT 7:13 PM
Tiny
SSOTORPS
  • MEMBER
  • 14 POSTS
Okay.

Stopped since I found this. The battery holds charge constant with ground wire off so I hope no problems in those wires for now unless you tell me different.
The alternator wires.
Unhooked at both ends. Black/brown wire 4 ohms.
The brown/gray wire is nothing. Skinned back at PCM white center wire plug in, and tested to second pin from left bottom corner with pin holes facing me (latch is center top). Continuity at this short distance but nothing at alternator end.
Was this
answer
helpful?
Yes
No
Friday, September 24th, 2021 AT 11:54 AM
Tiny
KASEKENNY
  • MECHANIC
  • 18,907 POSTS
The black brown wire is the ground wire so you have 4 ohms or you have 4 tenths of an ohm?

If you have 4 ohms on your ground wire then that is the issue.

However, can you set your meter up and try to get a picture of how you are testing this because I am not sure I am understanding?

Also, the other wires when testing from end to end, you should have a less then a half ohm. Your meter may show 0 ohms which is ok but if it shows OL or something very high then that is an issue.
Was this
answer
helpful?
Yes
No
Friday, September 24th, 2021 AT 3:20 PM
Tiny
SSOTORPS
  • MEMBER
  • 14 POSTS
Found this at the starter.
Was this
answer
helpful?
Yes
No
Sunday, September 26th, 2021 AT 3:18 PM
Tiny
SSOTORPS
  • MEMBER
  • 14 POSTS
Another view.
Was this
answer
helpful?
Yes
No
Sunday, September 26th, 2021 AT 3:19 PM
Tiny
SSOTORPS
  • MEMBER
  • 14 POSTS
Those are 2 views of wire from alternator to the starter. There it is bolted on top of the three way battery harness which bolts to the starter also, at the bulkhead coming through the passenger floorboard, and also to the front power distribution box front right fender.
All battery cables ohm out.04 to.06 except for the one in the photo.
The black/brown wire at alt is.06 ohms.
The brown/grey wire at alt (field) is.034.
Was this
answer
helpful?
Yes
No
Sunday, September 26th, 2021 AT 3:27 PM
Tiny
SSOTORPS
  • MEMBER
  • 14 POSTS
What now? How do I check if alternator is okay would help?
Am repairing the wire in photo to reinstall.
Was this
answer
helpful?
Yes
No
Sunday, September 26th, 2021 AT 3:29 PM
Tiny
KASEKENNY
  • MECHANIC
  • 18,907 POSTS
Wow. Great find.

Clearly the priority is to fix those wires. Then to find out if the alternator is okay, we just need to test it again. Most parts stores can do this free of charge. Here is a guide that will show this type of testing:

https://www.2carpros.com/articles/how-to-check-a-car-alternator

Let us know what you find with this. Thanks for the updates so far.
Was this
answer
helpful?
Yes
No
Sunday, September 26th, 2021 AT 7:31 PM
Tiny
SSOTORPS
  • MEMBER
  • 14 POSTS
Fixed the wire from the alternator at the starter. Tests ok. Reinstalled everything and when putting ground wire on had a strong arc. Checked alternator and it was getting hot with car off. Removed and replaced alternator. Started car and tested. Charging at 14.17 volts.
Now car has codes. 12 first run and had to jump to start.
Cleared codes and ran again. Now 7 codes and I know there should be none not.
Shut engine off.
Tested battery with car off.
12.15 volts. I think the battery is bad.
What do you say?
Was this
answer
helpful?
Yes
No
Thursday, September 30th, 2021 AT 8:04 AM
Tiny
SSOTORPS
  • MEMBER
  • 14 POSTS
Put charger onto battery. Let charge slow for 4 hours.
Took charger off battery. Tested 13.34 volts steady dropping. 5 minutes later 12.69 and now still dropping but real slow. Start car and runs fine for 3-4 minutes and then shuts off. 12.37 volts. 5 of 7 engine codes are lost communication PCM. 1 code steering position sensor. Batt low is the other.
Was this
answer
helpful?
Yes
No
Thursday, September 30th, 2021 AT 1:21 PM
Tiny
KASEKENNY
  • MECHANIC
  • 18,907 POSTS
Okay. So, this sounds like we have more to this at this point. The alternator does not appear to be charging so that may not be the alternator at this point. It may be the PCM due to all the codes you have.

Let's start with two things. First what are all the codes that you are getting? I don't need the steering code just all the ones related to the PCM.

Next, we need to check the voltage at the alternator on the brown/gray wire coming from the PCM when the vehicle is running.
Was this
answer
helpful?
Yes
No
Thursday, September 30th, 2021 AT 5:36 PM
Tiny
SSOTORPS
  • MEMBER
  • 14 POSTS
Brown/Grey wire engine running 11.99 or 12.03 volts
Codes before test
C121A Steering
U0100 stored
U0100 mil A
U110B stored coolant
U0164 stored heater/vent a/c
U0100 confirmed
U0100 pending

Codes during alt - plug test battery charger running on battery set at 15amps
C121A steering
P0622 active Field wire detected
Other codes went away

What now?
Was this
answer
helpful?
Yes
No
Friday, October 1st, 2021 AT 6:29 AM
Tiny
KASEKENNY
  • MECHANIC
  • 18,907 POSTS
Okay. Just to be clear, the alternator is new again and it is producing 12 volts?

Basically, that is not turned on and you are just passing through the battery voltage.

Then all these U codes go away when you have a battery charger on the battery?

Lastly did the P0622 come in because you had the alternator unplugged? I attached the testing for this code but if you had the plug unhooked then that explains it as the generator sense circuit would be an open circuit.

However, no matter what I suspect your EVR in the PCM has failed so I would be sourcing a PCM but run through this testing if you want to confirm it further.
Was this
answer
helpful?
Yes
No
Friday, October 1st, 2021 AT 7:09 AM
Tiny
SSOTORPS
  • MEMBER
  • 14 POSTS
New alternator and with the alternator plug in and the car running I get 14.17 volts at the battery. But that is when I get the codes. Also, even though the batt shows it is getting charged the batt volt goes low and I think this causes the codes. Also, the wipers start to malfunction. The car will shut off and the battery will show approximately 12.4-5 volts. It is 12.8 volts when I first crank the car.

The 121A steering code will go away I think when I can drive it and turn the wheel 2 times all the way left and then all the way right. It has before.

Yes, the P0622 code came when I ran the car, battery charger hooked up to keep voltage up, and the alt 2 wire harness plug unplugged to access the brown/grey terminal inside. When this is on the PCM goes nuts with codes. The field wire goes to the orange plug at the PCM and tested okay, ohming it.
Was this
answer
helpful?
Yes
No
Friday, October 1st, 2021 AT 9:21 AM

Please login or register to post a reply.