It will not start

Tiny
CONNOR KELLY
  • MEMBER
  • 1971 TOYOTA CORONA
  • 0.5L
  • 4 CYL
  • 2WD
  • AUTOMATIC
  • 313,480 MILES
When I turn the key nothing happens.
Saturday, September 21st, 2019 AT 2:11 PM

1 Reply

Tiny
SCGRANTURISMO
  • MECHANIC
  • 4,897 POSTS
Hello,

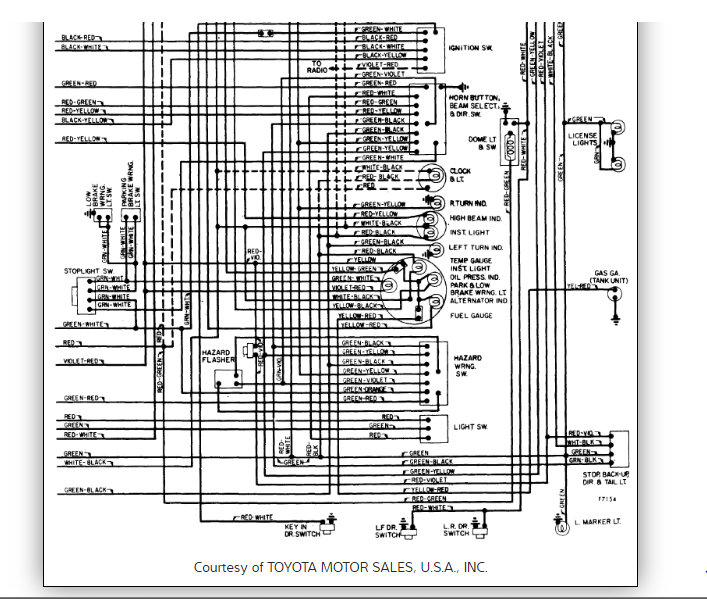
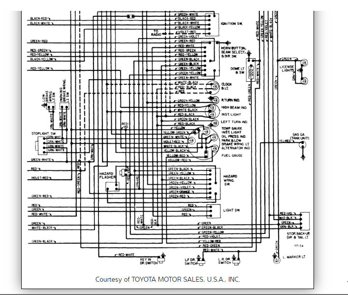
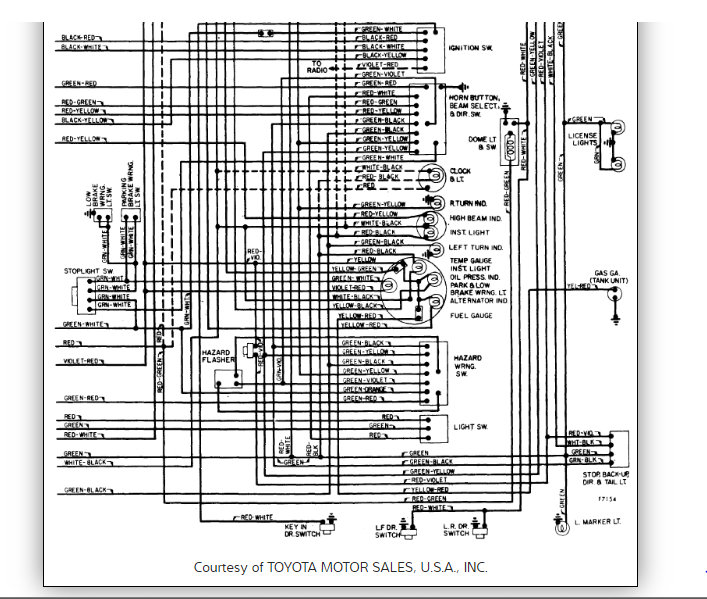
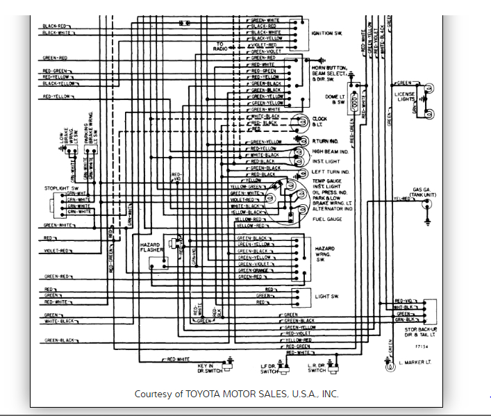
In the diagrams down below I have included the wiring diagrams for your vehicle. Please check and see with an assistant cranking the engine at the ignition switch can you take a voltage reading at the starter solenoid positive terminal. It should have a black/white wire going to it from the ignition switch. Here is a link below for you to go to if you are not familiar with how to use a Digital Multi-meter (DMM), if needed.

https://www.2carpros.com/articles/how-to-use-a-voltmeter

I have also included a guide on how to measure voltage in the diagrams down below as well. Please get this reading and report back with what you find out.

Thanks,
Alex
2CarPros
Was this
answer
helpful?
Yes
No
Saturday, September 21st, 2019 AT 4:27 PM

Please login or register to post a reply.