HOME
ASK A QUESTION
REPAIR GUIDES
BECOME A MEMBER
LOG IN
Login with Facebook
OR
Remember me
NOT A MEMBER?
FORGOT PASSWORD?
CONTACT US
PRIVACY POLICY
TERMS AND CONDITIONS
☰
Home
Ford
Ranger
Electrical
Battery
Drain
Battery goes dead
LAURA HUMMEL-GREENO
MEMBER
1994 FORD RANGER
0.6L
4 CYL
2WD
MANUAL
20,000 MILES
I have replaced the battery, alternator, ign control module and it still won't hold a charge. What could I look at next?
Sunday, April 7th, 2019 AT 9:02 AM
7 Replies
SEVAG P
MECHANIC
406 POSTS
Hello thanks for using 2CarPros.
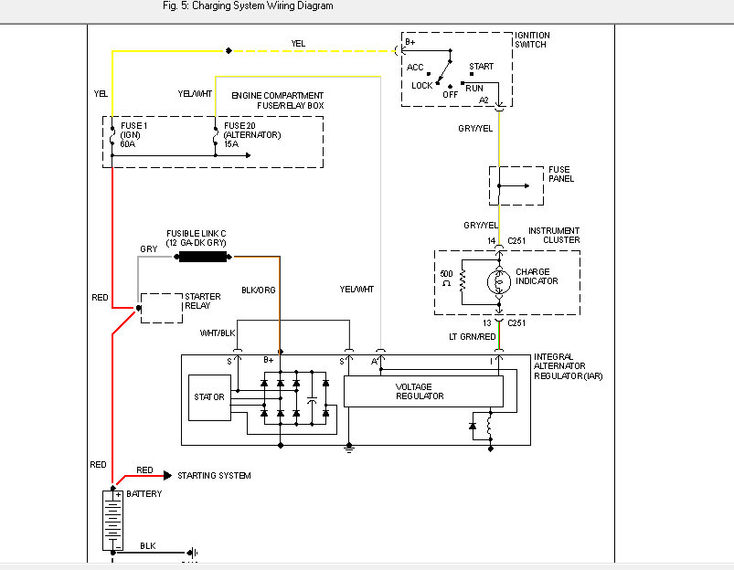
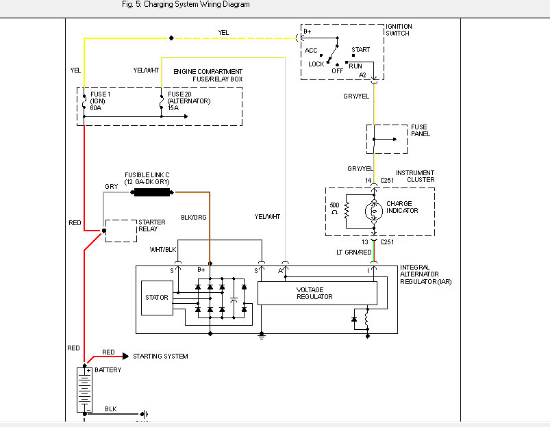
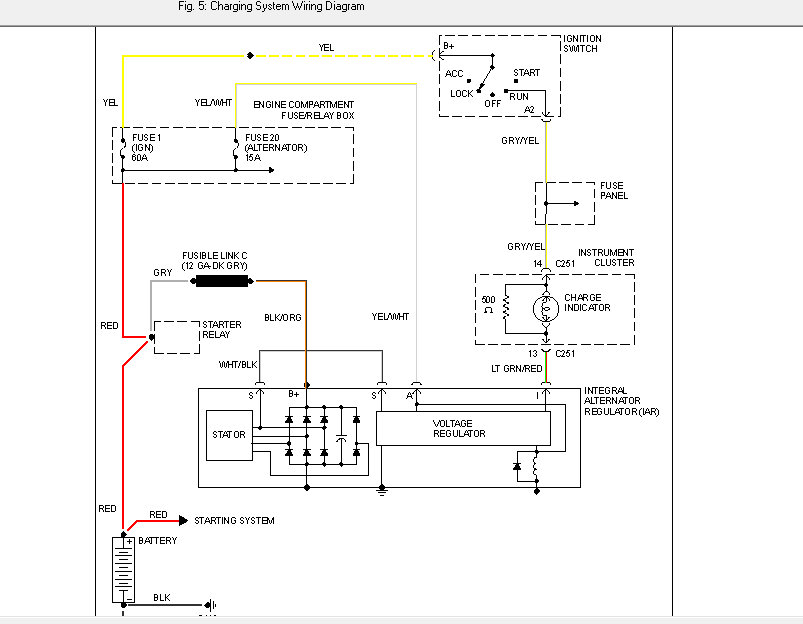
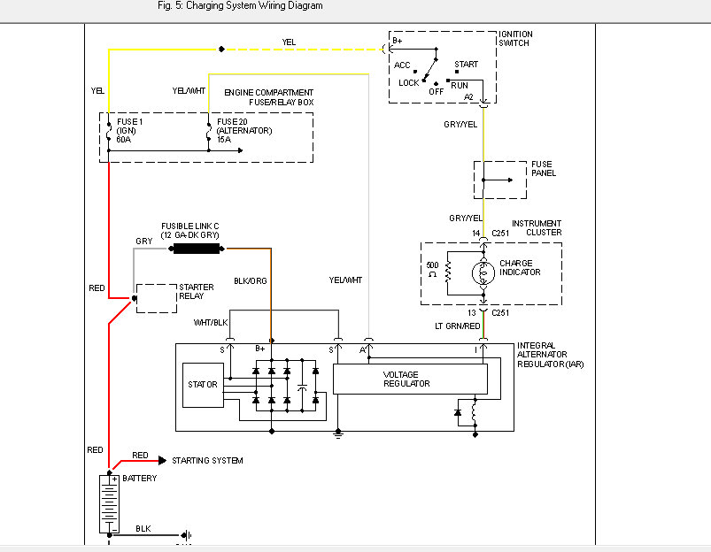
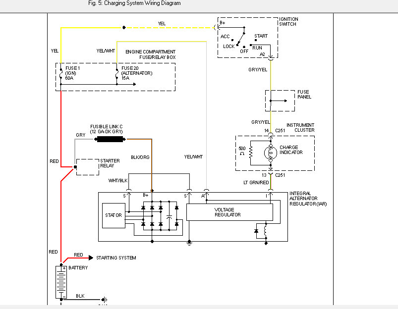
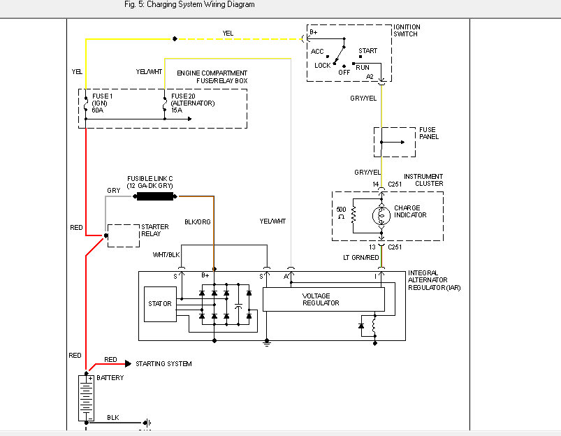
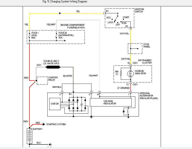
It seems you have a blown fuse for alternator fuse 20 15A at engine compartment fuse/relay box or the wiring problem leading to the alternator.
Check our guide:
https://www.2carpros.com/articles/how-to-check-a-car-alternator
Perform the tests step by step at the files attached below and the wiring diagram specific to your vehicle.
Images (Click to make bigger)
Was this
answer
helpful?
Yes
No
Sunday, April 7th, 2019 AT 9:24 AM
LAURA HUMMEL-GREENO
MEMBER
4 POSTS
Thank you so much. It works.
Was this
answer
helpful?
Yes
No
Sunday, April 7th, 2019 AT 10:42 AM
SEVAG P
MECHANIC
406 POSTS
You are welcome. Let us know if you need more help.
Was this
answer
helpful?
Yes
No
Sunday, April 7th, 2019 AT 11:25 AM
LAURA HUMMEL-GREENO
MEMBER
4 POSTS
I will thank you so much. I was three weeks without my truck.
Was this
answer
helpful?
Yes
No
Sunday, April 7th, 2019 AT 12:15 PM
SEVAG P
MECHANIC
406 POSTS
Please feed back what was the problem?
Was this
answer
helpful?
Yes
No
Sunday, April 7th, 2019 AT 12:23 PM
LAURA HUMMEL-GREENO
MEMBER
4 POSTS
It was the fuse.
Was this
answer
helpful?
Yes
No
Sunday, April 7th, 2019 AT 1:23 PM
KEN L
MASTER CERTIFIED MECHANIC
55,297 POSTS
SEVAG PAESEGHIAN is one of our best! Use 2CarPros anytime, we are here to help. Please tell a friend.
Was this
answer
helpful?
Yes
No
Tuesday, April 9th, 2019 AT 2:07 PM
Please
login
or
register
to post a reply.
Related Battery Drain Content
Keep Draining The Battery?
Ford Ranger Keep Draining The Battery. Ive Checked The Alternator Which Is Fine. Seems Like Something Is Staying On And Draining The Battery...
Asked by
term
·
28 ANSWERS
3 IMAGES
2000
FORD RANGER
VIDEO
How to Test for a Battery Drain-Draw
Instructional repair video
GUIDE
Battery Parasitic Drain Repair
A car battery should hold its charge for a few months before needing to be recharged, if not the battery has gone bad or the car has a parasitic draw, something is staying ...
For Some Unknown Reason To Me The New Battery Is Being...
I Have A 2002 Ford Ranger And Recently Replaced A Dead Battery. For Some Unknown Reason To Me The New Battery Is Being Drained. If It Sits...
Asked by
Phil Ogden
·
36 ANSWERS
FORD RANGER
Car Battery Being Drained
Electrical Problem 1991 Ford Ranger 6 Cyl Two Wheel Drive Automatic I Bought A New Battery Due To Battery Drainage. Truck Runs Fine...
Asked by
Hawaiisson
·
3 ANSWERS
1991
FORD RANGER
Dead Battery
I Have A 1994 Ford Ranger 4cyl 5 Speed. It S Draining The Battery Over Night. There Are No Lights On And I Cant Figure Out Why. The Battery...
Asked by
jj58551
·
6 ANSWERS
1994
FORD RANGER
1994 Ford Ranger Dead Battery
Car Sits For About A Day Or 2 And Battery Goes Dead What Could The Problem Be
Asked by
thomas kennedy
·
1 ANSWER
1994
FORD RANGER
VIEW MORE
Ask a Car Question. It's Free!
How to Test for a Battery Drain-Draw