Fuel pump replacement instructions needed

Tiny
CHRISTOPHER CANADA
  • MEMBER
  • 1994 ISUZU TRUCK
  • 4 CYL
  • 2WD
  • MANUAL
  • 12,500 MILES
What is the easiest way to change the fuel pump on this truck?
Monday, July 13th, 2009 AT 1:20 PM

5 Replies

Tiny
RASMATAZ
  • MECHANIC
  • 75,992 POSTS
There's no easy way you have to drop the fuel tank
Was this
answer
helpful?
Yes
No
-1
Monday, July 13th, 2009 AT 1:36 PM
Tiny
CHRISTOPHER CANADA
  • MEMBER
  • 2 POSTS
This fuel pump is on the side of the engine under the intake manifold, that's why I wanted to know if there was an easy way to replace it.
Was this
answer
helpful?
Yes
No
+2
Monday, July 13th, 2009 AT 3:02 PM
Tiny
RASMATAZ
  • MECHANIC
  • 75,992 POSTS
What I've gave is for a 2.6L engine 1991 3 dys ago. Sounds like yours is carbuerated engine-

Info

The fuel pump is mounted to the underside of the intake manifold where it bolts onto the cylinder head (real pain to get to). I have not changed one myself but did have to pull the cylinder head off my stepsons Isuzu truck and thats when I seen where the pump was. Almost looks to be impossible to get to from the top side unless you hands the size of a 5 year old. If you remove the fuel pump there is a plastic spacer between the pump and the manifold (DO NOT LOOSE IT). Good Luck!
Was this
answer
helpful?
Yes
No
+1
Monday, July 13th, 2009 AT 5:59 PM
Tiny
5KU11F4CE
  • MEMBER
  • 1 POST
So if it is a carburetor, you wont have to drop the tank, because its not there. It should be under the carburetor. Haynes and Chilton say going down through the top of the engine, but that has a lot of stuff in the way. I watched a video on doing it from the wheel well. Looks like it may be easier. I'm about to try it myself. Will update with results.
Was this
answer
helpful?
Yes
No
Saturday, September 19th, 2020 AT 8:07 AM
Tiny
ASEMASTER6371
  • MECHANIC
  • 52,796 POSTS
Good morning.

Is the engine fuel injected or does it have a carburetor?

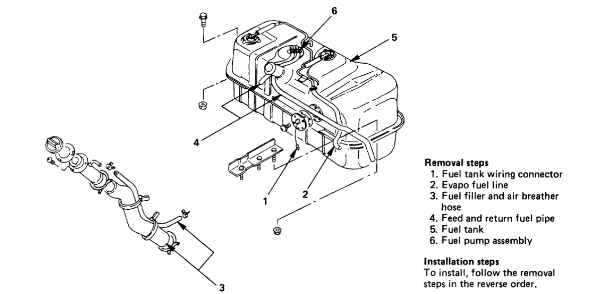
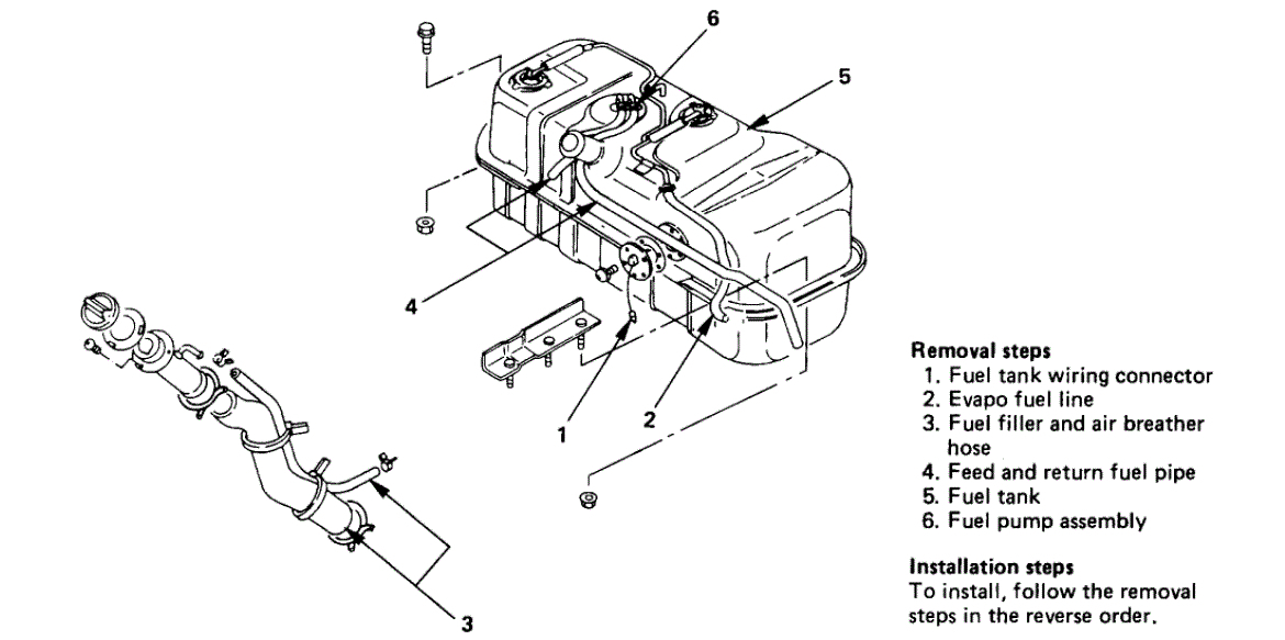
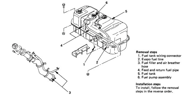
I attached the locations of all the possibilities for you of the locations.

https://www.2carpros.com/articles/how-to-replace-an-electric-fuel-pump

Roy
Was this
answer
helpful?
Yes
No
Saturday, September 19th, 2020 AT 8:32 AM

Please login or register to post a reply.