alternator wiring diagram?

1998 ISUZU TROOPER
100,000 MILES • 6 CYL • 4WD • AUTOMATIC
Avatar
DWISE557
  • MEMBER
  • 1 POST
I have a trooper that wouldn't start I jumped it took it to the local parts store to check battery they told me it was the alternator so I change it .after about a week it wouldn't start again so I put a new battery in it again after about a week it wouldn't start again checked battery ,battery good but now I'm not getting any thing at all when I turn on the key.
I'm get power to the fuse box( checked both side of main fuse have power) but not getting power to Ignition fuse? What can be wrong
Mar 23, 2008 at 8:43 PM
Advertisement
Repair Safety Notice: This information is for general instructional purposes only. Vehicle repair can be dangerous. Verify all information, follow manufacturer service procedures, use proper tools and safety equipment, and consult a qualified repair shop when needed.
Avatar
RASMATAZ
  • AUTOMOTIVE REPAIR CONTRIBUTOR
  • 75,992 POSTS
Check for battery drain

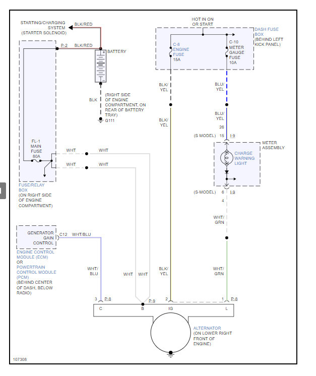
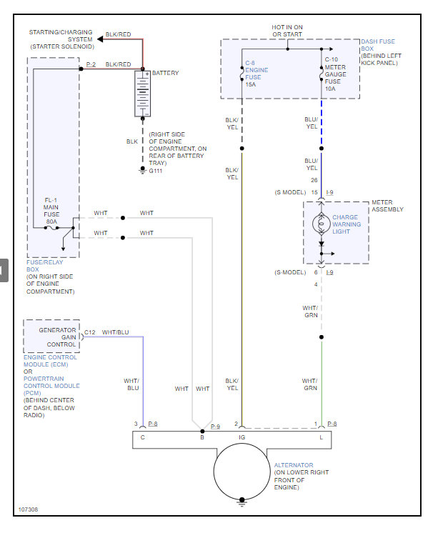
Get a test light and disconnect the negative battery cable now put the light between the cable and battery negative post is the light On? If so start removing fuses one at a time -the fuse that turns off the light is the trouble circuit. Then break out the electrical wiring diagram below.

These guides can help

https://www.2carpros.com/articles/car-battery-dead-overnight

and

https://www.2carpros.com/articles/how-to-check-wiring

In the event you removed all the fuses and the light is still On disconnect the alternator batt. feed and the connector-if this one turns off the light-the alternator has bad diodes.
Mar 23, 2008 at 9:05 PM