Transmission fluid type and fluid check - dipstick?

Tiny
HMAC300
  • MECHANIC
  • 48,601 POSTS
It does not have one. It has to be checked on level ground. See picture for instructions on how to do it.
Was this
answer
helpful?
Yes
No
+1
Monday, April 5th, 2021 AT 2:02 PM (Merged)
Tiny
BRONZEMEDAL
  • MEMBER
  • 1 POST
  • 1998 ISUZU RODEO
  • 6 CYL
  • 2WD
  • AUTOMATIC
  • 110,000 MILES
I cannot find where to put transmission fluid on the engine. The dipstick/location is not there!
Was this
answer
helpful?
Yes
No
Monday, April 5th, 2021 AT 2:02 PM (Merged)
Tiny
BLUELIGHTNIN6
  • MECHANIC
  • 16,542 POSTS
Your vehicle is not equipped with an ATF dipstick. You will have two plugs facing downward on the larger transmission pan. The plug higher up on the pan is the fill/level check (stamped/recessed into the rear right corner of pan). ATF should just dribble from this plug on a hot, idling truck, in neutral on a level surface. The lower one is the drain. The one at the back of the pan in a recess is the filler. You need a hand pump or something similar to fill it to overflowing then top it off with the engine running. Make sure you shift through the gears a couple of times when topping off.

Thanks for using 2CarPros. Com!
Was this
answer
helpful?
Yes
No
+8
Monday, April 5th, 2021 AT 2:02 PM (Merged)
Tiny
PHILOCONNOR
  • MEMBER
  • 2 POSTS
  • 1996 ISUZU RODEO
How do you check and add fluid to this car. I cannot find the dip stick or a place that I can add tranny fluid the manual even came up empty.
Was this
answer
helpful?
Yes
No
Monday, April 5th, 2021 AT 2:02 PM (Merged)
Tiny
2CARPRO JACK
  • MECHANIC
  • 11,533 POSTS
There are 2 drain holes in the pan, one is higher than the other. Remove the higher one, with the vehicle idling in park the fluid level should be to the top of the higher drain plug. If you suspecr fluid is low, pump a small amount into the higher hole, with a drain pan under it. Let flow out whatever amount wants to so that it is at the top of the drain
Was this
answer
helpful?
Yes
No
Monday, April 5th, 2021 AT 2:02 PM (Merged)
Tiny
REBOB
  • MEMBER
  • 1 POST
  • 1995 ISUZU RODEO
  • 6 CYL
  • 4WD
  • AUTOMATIC
  • 112,000 MILES
How do I add automatic transmission fluid?
Was this
answer
helpful?
Yes
No
Monday, April 5th, 2021 AT 2:03 PM (Merged)
Tiny
BLUELIGHTNIN6
  • MECHANIC
  • 16,542 POSTS
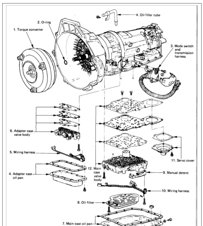
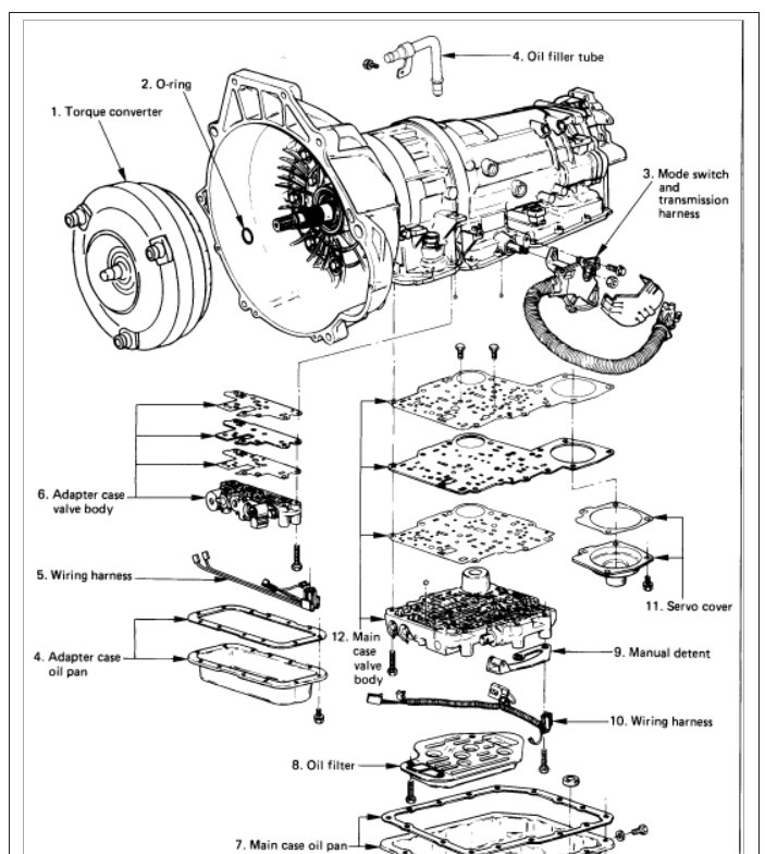
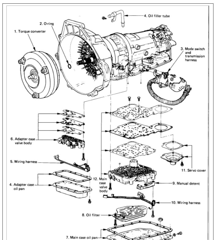
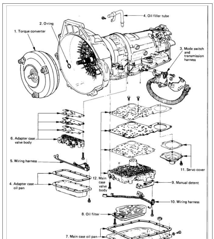
The dip stick is under the car (#4) but you check it the same way this guide will help you see how to check the fluid with a diagram of the dipstick location below.

https://www.2carpros.com/articles/how-to-service-an-automatic-transmission

Check out the diagrams (Below). Please let us know if you need anything else to get the problem fixed.

Cheers
Was this
answer
helpful?
Yes
No
Monday, April 5th, 2021 AT 2:03 PM (Merged)
Tiny
CPAPAWILLY
  • MEMBER
  • 1 POST
  • 1995 ISUZU RODEO
  • 3.2L
  • V6
  • 4WD
  • AUTOMATIC
  • 230,000 MILES
Where should transmission dipstick attach to transmission. What brand would be the best to install or easiest. Looking found a hole on passenger side of transmission towards the front of transmission is this the location? Or is it somewhere else?
Was this
answer
helpful?
Yes
No
Monday, April 5th, 2021 AT 2:04 PM (Merged)
Tiny
HMAC300
  • MECHANIC
  • 48,601 POSTS
The transmission dip stick is on the passengers side its a little short guy so you will need to be under the car to get to it. Click the image below to see.
Was this
answer
helpful?
Yes
No
+2
Monday, April 5th, 2021 AT 2:04 PM (Merged)

Please login or register to post a reply.