Alternator wiring diagrams cutting off alternator plug?

Tiny
THARTUNG
  • MEMBER
  • 1995 ISUZU RODEO
Previous owner installed non-standard alternator by cutting off alternator plug and wiring directly to posts. We have bought new alternator and need to know which wires connect to which blades of the T-plug that is supposed to be part of the harness and which wire goes to the separate post. We have a wiring schematic of the charging system, but that doesn't get detailed enough to show the plug pins - just the fact that three wires come out of one area and one from another.


http://www.2carpros.com/forum/automotive_pictures/297601_Isuzu_alt_plug_1.jpg

Tuesday, January 6th, 2009 AT 1:25 PM

5 Replies

Tiny
IMPALASS
  • MECHANIC
  • 3,112 POSTS
Hello

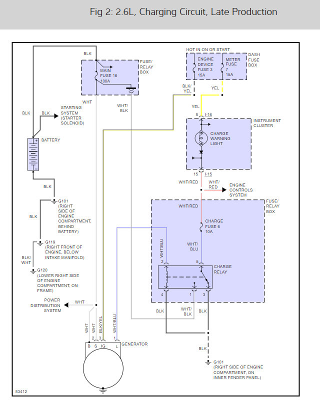
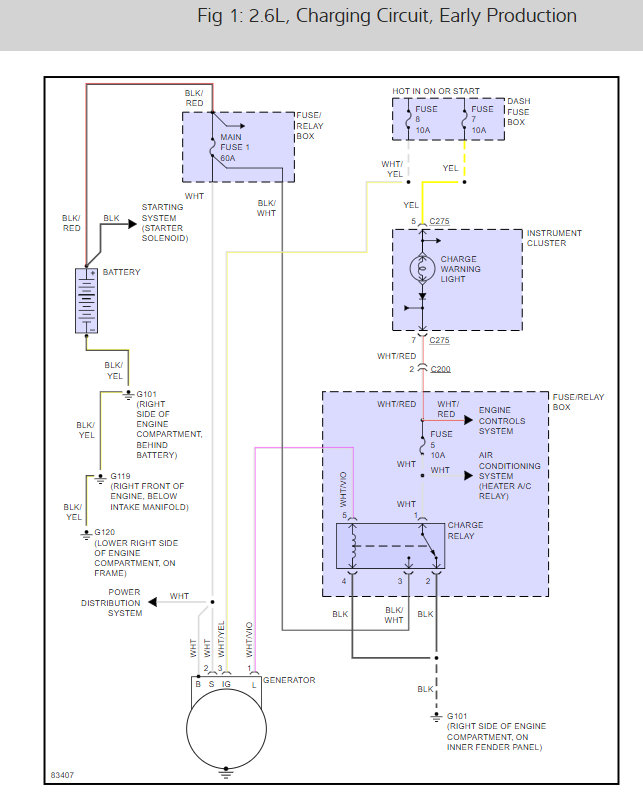
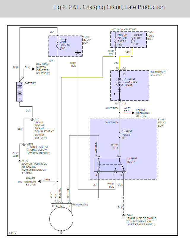
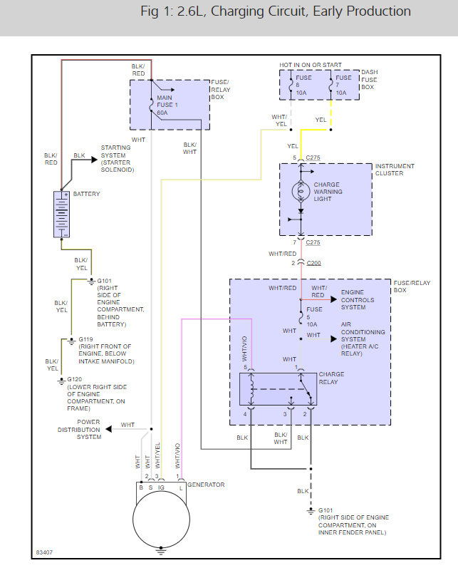
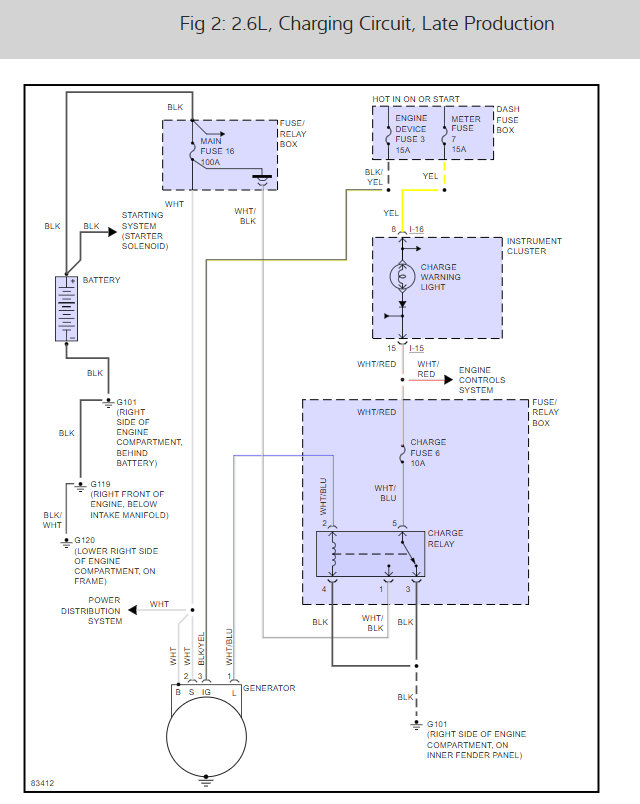
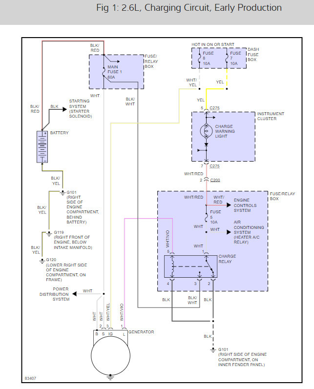
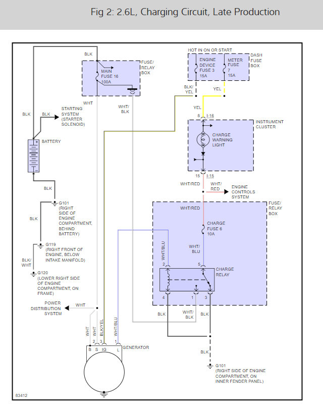
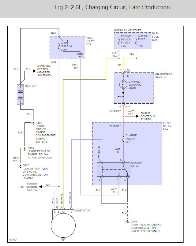
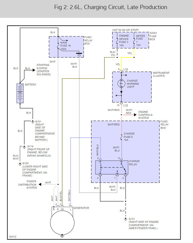
Here are the alternator wiring diagrams for both early and late production models.


https://www.2carpros.com/forum/automotive_pictures/248015_1_148.jpg


https://www.2carpros.com/articles/how-to-check-wiring

Check out the diagrams (Below). Please let us know if you need anything else to get the problem fixed. Cheers
Was this
answer
helpful?
Yes
No
+8
Tuesday, January 6th, 2009 AT 10:00 PM
Tiny
THARTUNG
  • MEMBER
  • 3 POSTS
We're almost there! It looks to me like you gave me a four pin answer to a three pin plug. The connector has three blades arranged in a "T" shape and a separate post for the fourth wire. (See the picture). Can you tell me which three belong to the plug (and in which positions) and which one goes on the separate post. I have also seen the early production vs late production drawings - how do you determine which is which? What is the cut-off date? Thanks for the drawings you have provided and the recall info - it's the best info I've gotten so far.

Tom
Was this
answer
helpful?
Yes
No
Wednesday, January 7th, 2009 AT 9:49 AM
Tiny
IMPALASS
  • MECHANIC
  • 3,112 POSTS
That is interesting.I may have to do some looking forward and backward on the models. Can you tell me all of the wire colors you are dealing with?
Was this
answer
helpful?
Yes
No
Wednesday, January 7th, 2009 AT 7:35 PM
Tiny
THARTUNG
  • MEMBER
  • 3 POSTS
The wires are colored just like the charging diagrams - heavy gauge white, thin gauge white, yellow/white, and blue/white. The one attempt we did make was to make it look like the late prod drawing: Heavy white (B) on the post, yellow/white (IG) on the vertical blade, thin white (S) on the right blade, blue/white (L) on the right blade. According to the drawing the unit is self-grounding by attaching it to the chassis, so no GND wire is needed. This arrangement resulted in 12 volts reading from the post to a chassis GND whether the alternator was turning or not and eventually drained the battery completely.
Tom
Was this
answer
helpful?
Yes
No
+1
Thursday, January 8th, 2009 AT 11:18 AM
Tiny
IMPALASS
  • MECHANIC
  • 3,112 POSTS
This guide can help on the battery drain problem.

https://www.2carpros.com/articles/car-battery-dead-overnight

Please let me know what happens.

Was this
answer
helpful?
Yes
No
Thursday, January 8th, 2009 AT 8:48 PM

Please login or register to post a reply.