Wednesday, January 17th, 2007 AT 7:06 AM
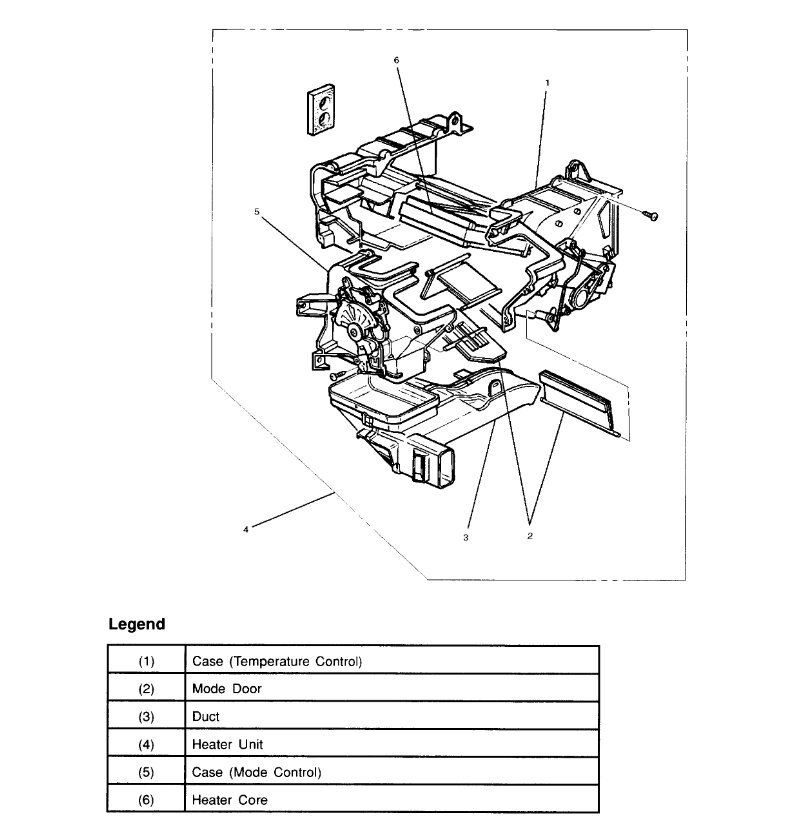
I have a 1996 isuzu trooper with 3.2lt. Sohc engine. I bought a heater core to replace the leaking one on the truck. Ther is no visible way to easily remove the old one. Can some one show me an exploded veiw of this thing? Also any tricks or tips to keep from removing the entire dash. And the screws that mount the coolant lines appear to come from the engine side of the firewall. Any help would be greatly appreciated. Thanks david sims



