I removed a Viper alarm system that didn't work anymore and was simply chopped cables and some spliced stuff.
My truck had a parasitic draw that was constantly draining batteries, turned out it was an amplifier, my cluster was also not super vivid, so I installed LED Bulbs, truck looks pretty good now but Its always had a service airbag light.
The codes started off as just B0100 and B0103.
I had been messing around with the BCM, cleaning it, making sure that nothing was not wrong with it ( someone suggested sometimes BCM can cause a parasitic draw ) in my case it wasn't, I also stumbled upon some cables under the dashboard that were simply not properly spliced into ( when the viper alarm was done ) I took off the spliced cables and redid the original cable, I decided to look into the codes again after I redid the cluster, fixed some wiring and fixed the steering column bearing, all of a sudden bunch of codes popped up in regards to airbags and dimming circuit.
The dimming circuit might just be ignored as I installed one a while ago because the old one was finicky and just not working properly but I was like, maybe it can be a collateral or something, either way here is what codes popped up (I use a BlueDriver code reader)
Shared Access Module Code
B2610 | Status : History / Current :
Passenger compartment dimming #1 ( Cluster, etc. ) Circuit malfunction
I don't really think the cluster got messed up, I could've done something wrong and burnt it ( it was my first time ) maybe poked something or moved something I shouldn't have.
Airbag Codes
B0083 | Status : History :
Second row left seatbelt load limiter deployment control
B0084 | Status : History :
Second row center seatbelt load limiter deployment control
B0100 | Status : History / Current :
Sensor cleaning Air Blower Actuator 'A'
B0103 | Status : History / Current :
Sensor cleaning Air Blower Actuator ' B' Control
U1000 | Status : History :
Class 2 Data Link Malfunction
U1096 | Status : History :
Lost communications with Driver Information and Displays Control System
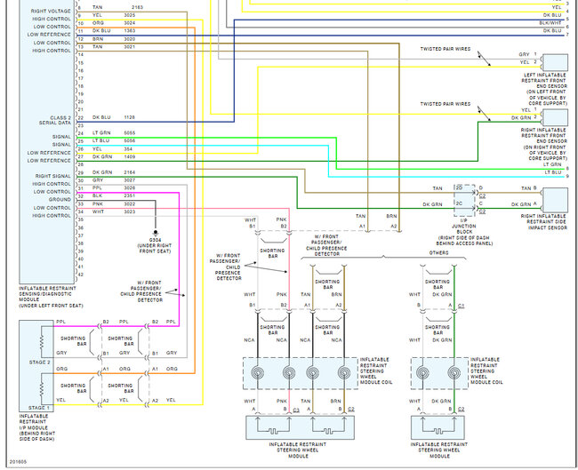
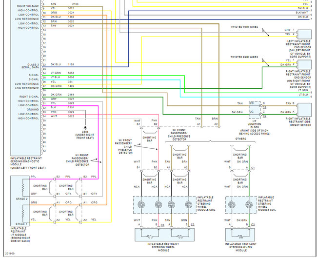
If you guys require any pictures, anything, I am all ears, I'm trying to figure out what's wrong with the truck so I can get it back to its original state!
Thursday, February 6th, 2025 AT 8:33 PM




