Friday, December 22nd, 2023 AT 7:23 AM
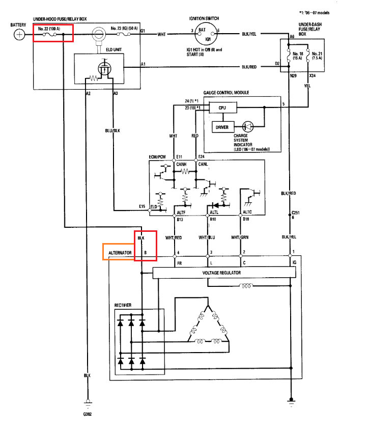
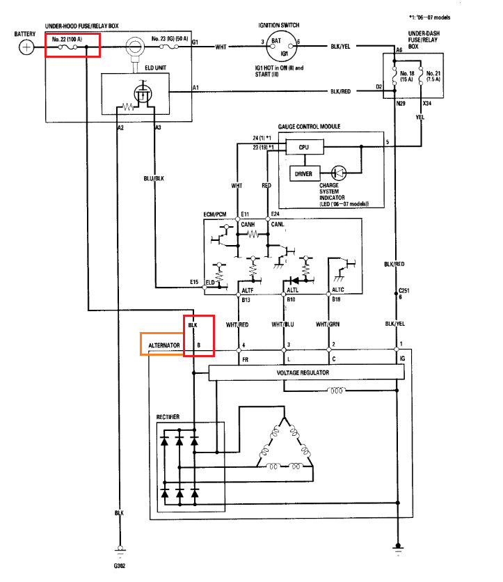
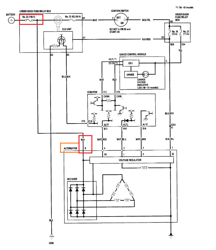
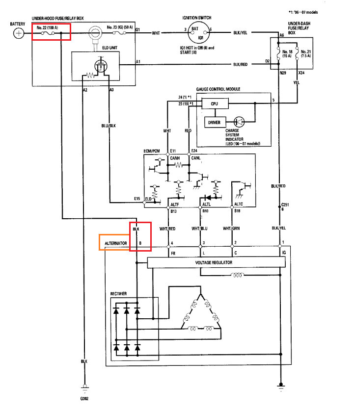
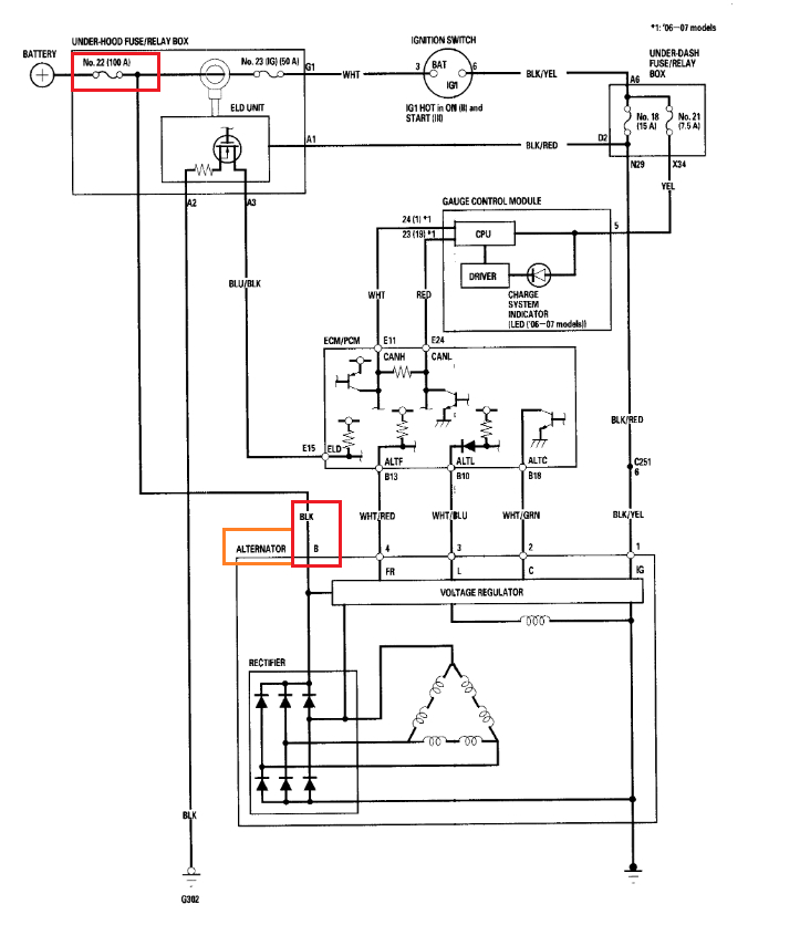
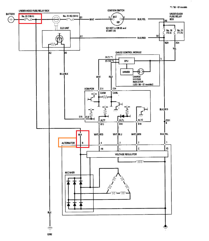
My car shut off while I was driving It, the charging light came on about a mile before the car shut off. Now I have no power at all. It also drained a 6-month-old battery, I replaced this and initially, the lights came on, but now nothing works. The battery is still good at 12.6 volts, I am getting a new 100 amp fuse(when I tested it there was continuity between one of the tabs and the central blade, but not the other tab to blade) When I tested the circuits, I disconnected the negative battery terminal, connected a multimeter between the negative pole of the battery and the car body, I had a reading of 12.6 volts. Then I disconnected every fuse and relay in turn and the only response was the voltage dropped to about 1.6v when I removed the 100-amp fuse. For about 5 months before this I had what I think is called a parasitic drain on the battery. If you can help, that would be great. T.I.A.







