A/C compressor not working

Tiny
JOHN TYRA
  • MEMBER
  • 1996 CHEVROLET TAHOE
  • 5.7L
  • V8
  • AUTOMATIC
  • 200 MILES
I just studied your listing that reads: Bones99
Member 2003 Chevrolet Silverado, 123,000 miles.

Has no power to compressor has ground, new relay, fuse is good and also has no power to pressure switch, but has power to cycling switch.

My problem is pretty much similar to this listing except it is for a 1996 Chevrolet Tahoe. Is there any place on 2carpros where I can find this kind of advice on the 1996 Tahoe?

I ran your checklist to BONES99 on the 2003 and believe it very similar to what would apply on the 1996 Tahoe but as I got toward the end, I saw things that I don't believe would apply. Also, I don't believe I have a correct control diagram on the Tahoe.

Is there any additional help I can get from 2CarPros?
Saturday, June 5th, 2021 AT 8:33 AM

3 Replies

Tiny
KASEKENNY
  • MECHANIC
  • 18,907 POSTS
Thanks for viewing the other posts. Yes we can definitely help.

I assume your issue is just that the A/C compressor is not coming on or have you confirmed there is no power at the compressor?

If you have power but it is not not coming on then the compressor/clutch is the issue.

However, if you have no power then we need to find why it is not there. Which could be a simple fuse issue or a relay, or the PCM is not grounding the relay which could be a sensor issue or a PCM issue.

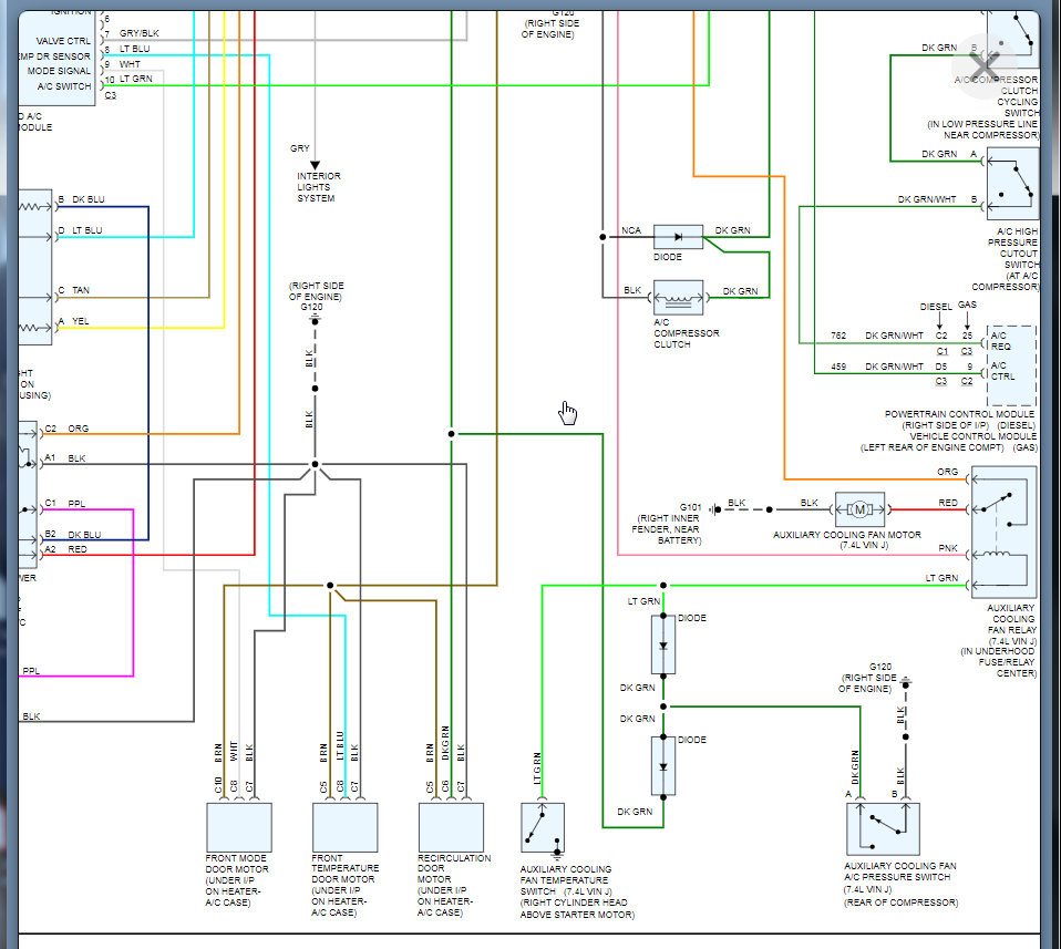
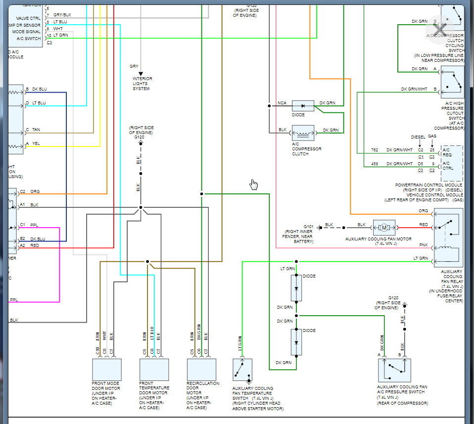
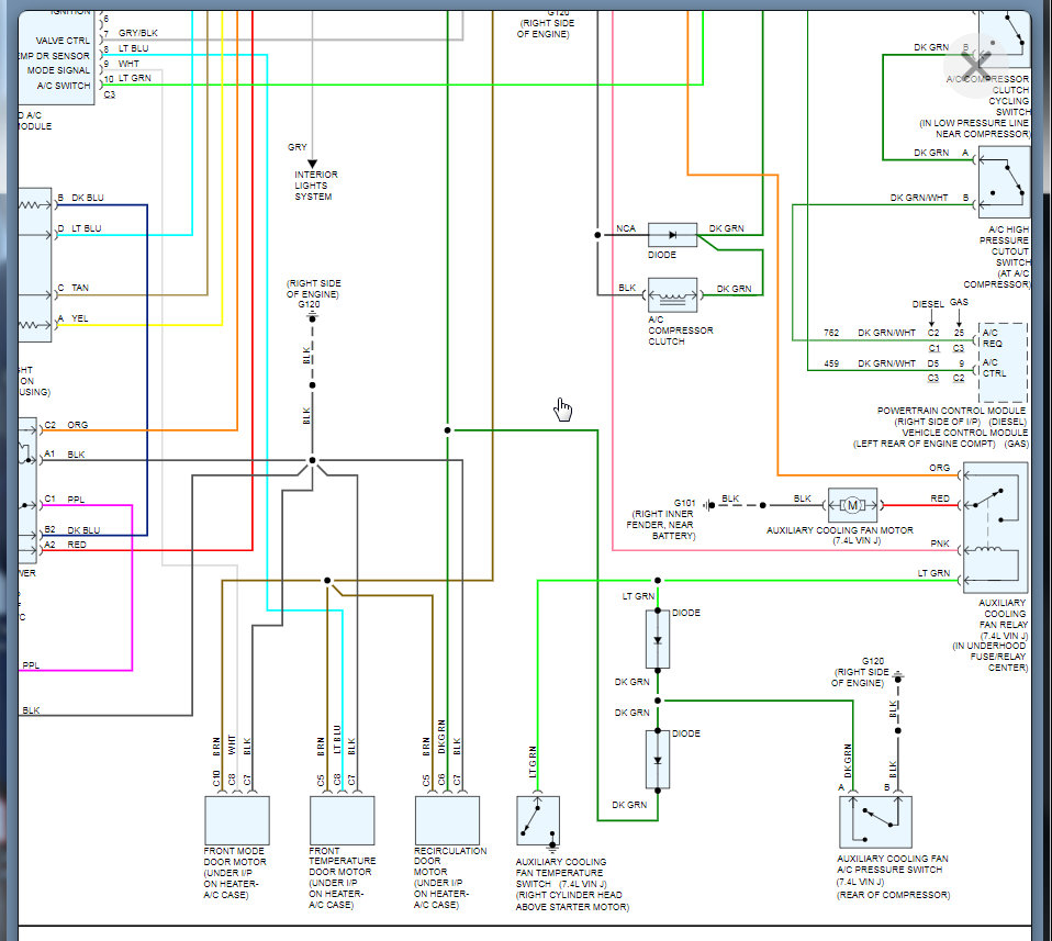
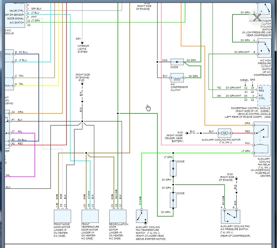
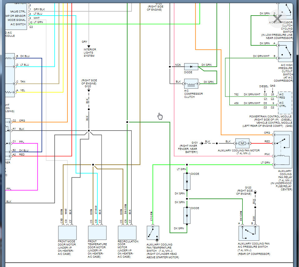
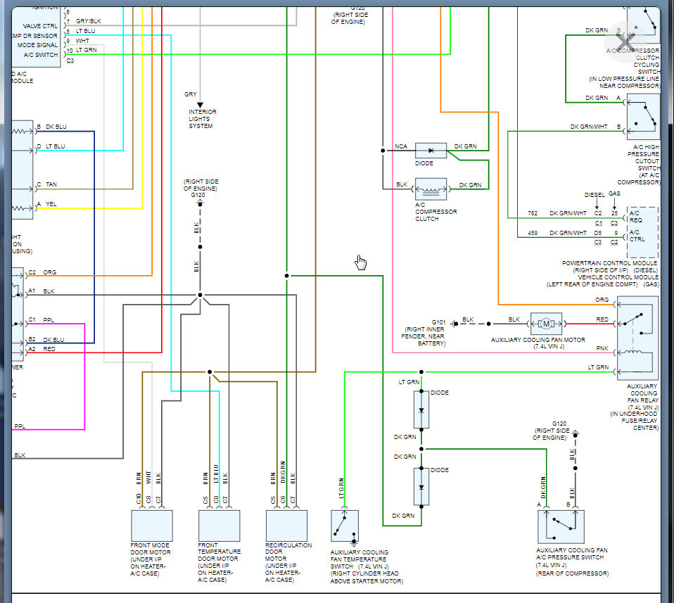
If you have no power, let's go to the relay and check power from the two fuses. The Pink wire is the power supply for the control side of the relay. The power is supplied but the PCM is what controls this circuit on the ground side so it applies or removes ground to turn the relay on and off.

When it is turned on, the power flows from the A/C compressor mini fuse on the orange wire through the now closed relay to the dark green wire and to the compressor.

So we need to find out if the PCM is grounding the relay and if power is flowing through the relay to determine if we have a relay or PCM/sensor issue.

https://www.2carpros.com/articles/how-to-check-an-electrical-relay-and-wiring-control-circuit

The way to test the PCM is to remove your relay and put your red meter lead on battery positive and then the black lead on this relay terminal from the PCM (dark green/white wire) and turn the A/C on. Does your meter read 12 volts? If not then we need to inspect the pressure sensors and make sure they are operating. If it does then the PCM and all sensors are working and you most likely have a relay issue.

Take a look at the wiring diagrams below.

Let's start with this and go from there. Thanks
Was this
answer
helpful?
Yes
No
Saturday, June 5th, 2021 AT 8:52 AM
Tiny
JOHN TYRA
  • MEMBER
  • 2 POSTS
KASEKENNY1,

No A/C on 1996 Tahoe: All Fuses are good. Fan blows on all speeds. All air movement goes to the floor will not adjust. I opened access to interior A/C Control Unit and found the following: No 12 volts on A/C switch #10. 12 Volts found on #5 and ground #2 is good. This control is new. Compressor is new and charged. Relay is new and tested. Compressor will run and cool if I short pin 87 to 30 on relay base. I ran the usual test on the pressure sensors and they are good.
With my limited experience, I would think that I have to find the missing 12 volts on the A/C switch before moving on to the PCM test. If I am correct, I could use some help on tracing the 12 volts. Thank you.
Was this
answer
helpful?
Yes
No
Sunday, June 6th, 2021 AT 3:12 PM
Tiny
KASEKENNY
  • MECHANIC
  • 18,907 POSTS
Okay. I suspect you have an issue with the control side of this system. The way it works is you press the switch to turn the A/C on. In order for that to turn the compressor on, the voltage must go from the module #1, to the compressor clutch cycling switch which needs to close. Then the voltage goes through the high pressure switch, which needs to be closed and it will be if if the pressure is not too high.

Then it goes to the PCM where the circuit is grounded. So a circuit needs the power supply and a path to ground. So the module supplies the power and the PCM supplies the ground and each of these switches needs to be closed so that it provides that path.

The way to test each of these is to jump each switch and see if the compressor comes on when you have the system turned on. If it does then that switch is the open in the circuit.

Let me know if you have questions on this. Thanks
Was this
answer
helpful?
Yes
No
-1
Sunday, June 6th, 2021 AT 8:34 PM

Please login or register to post a reply.