Intermittent no crank no start issue

Tiny
GREGG SWAN
  • MEMBER
  • 2008 GMC YUKON
  • 6.2L
  • V8
  • 4WD
  • 199,000 MILES
But starts when I connect battery to starter fuse. Has gotten progressively worse over time. Once it starts it seems to run fine. When the truck stalls out after it sits an hour or se then it usually will start.
Monday, August 16th, 2021 AT 4:10 PM

5 Replies

Tiny
JACOBANDNICKOLAS
  • MECHANIC
  • 110,192 POSTS
Hi,

I need some verification. Do you mean the engine stalls and won't restart until it cools off or is this a starter problem?

If the starter itself is the issue, there could be a few causes. The starter itself could be going bad, the starter relay could be bad, and so on.

If the problem is it stalls and won't restart until it cools, that sounds like a typical faulty crankshaft position sensor.

Do me a favor. Take a look through these links. The first one covers common symptoms of a failing crankshaft position sensor. The second explains how to diagnose a bad starter.

Let me know if the symptoms seem to mirror what you experience or if checking the starter helps.

https://www.2carpros.com/articles/symptoms-of-a-bad-crankshaft-sensor

https://www.2carpros.com/articles/starter-not-working-repair

Also, check the starter relay itself. If there is another one in the box having the same part number, switch them to see if it makes a difference. If there isn't, here is a link that shows how to test a relay:

https://www.2carpros.com/articles/how-to-check-an-electrical-relay-and-wiring-control-circuit

Let me know what you find and what I can do to help.

Take care,

Joe

See pic below of relay location. (under hood)
Was this
answer
helpful?
Yes
No
Monday, August 16th, 2021 AT 9:59 PM
Tiny
GREGG SWAN
  • MEMBER
  • 4 POSTS
Hi Joe!

Thanks for responding!
Just to clarify, the truck runs normally with no symptoms until I go to restart it!
It either won’t do anything when I turn the key or it’ll turn for about 3 seconds then stop.
When I jump a hot wire directly to the starter fuse it turns and starts normally every time.
I swapped out the starter and crank relays with the defogger relay with no change
It seems when I move my shifter back and forth a couple times it seems to help it start, not sure though.
Was this
answer
helpful?
Yes
No
Tuesday, August 17th, 2021 AT 6:14 AM
Tiny
JACOBANDNICKOLAS
  • MECHANIC
  • 110,192 POSTS
Greg,

If shifting through the gears seems to make a difference, it could be related to the transmission range sensor. When it won't start, first, confirm that the indicator shows P. Then, see if it starts in Neutral.

Let me know.

Joe
Was this
answer
helpful?
Yes
No
Tuesday, August 17th, 2021 AT 4:24 PM
Tiny
GREGG SWAN
  • MEMBER
  • 4 POSTS
Hi Joe!

I thought moving the shifter helped because it started a couple times, but no that’s not really helping.
I swapped out the ignition switch today with no change.
It only turn with the key about 2 seconds, then stops turning.
When I jump the starter it turns until I let up.
And it starts.
Was this
answer
helpful?
Yes
No
Tuesday, August 17th, 2021 AT 6:17 PM
Tiny
JACOBANDNICKOLAS
  • MECHANIC
  • 110,192 POSTS
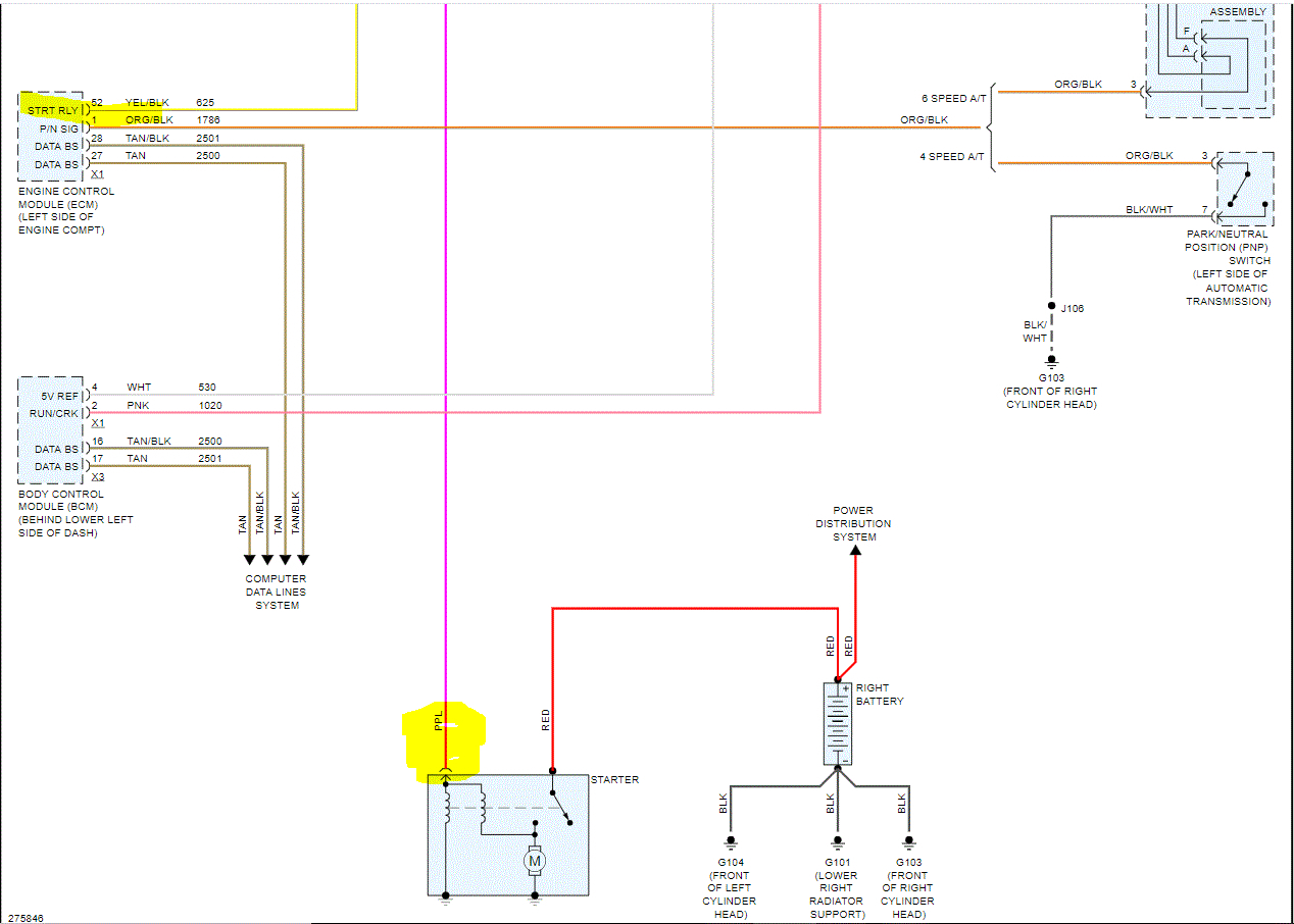
I attached the wiring schematic for the starting system below. Tell me which pin you power to make it work. Or, do you jump it right at the starter?

If it isn't the relay, we are going to need to work backwards to see where power is lost. It could be the powertrain control module or the BCM as well.

If you haven't already, make sure the ground for the relay is in good condition and make sure the fuse after is tight and not corroded.

Let me know what you find.

Take care,

Joe

See pics below.
Was this
answer
helpful?
Yes
No
Tuesday, August 17th, 2021 AT 8:09 PM

Please login or register to post a reply.