The vehicle will be running perfectly and suddenly misfire a couple of times and stall. It can then be immediately restarted and run perfectly until the next occurrence. The problem has greatly increased in frequency lately. On my last short trip, it occurred 4 times. Now after all these years, I do not trust it.
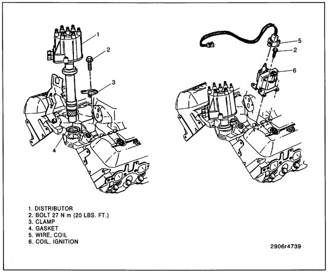
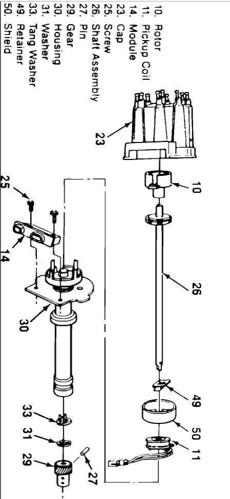
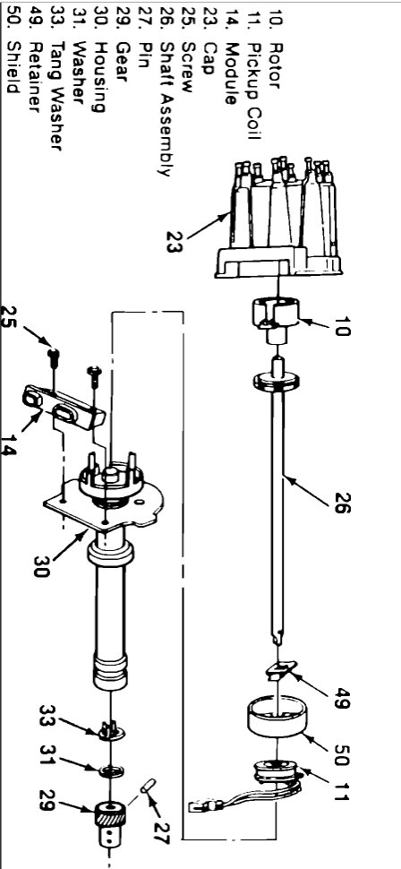
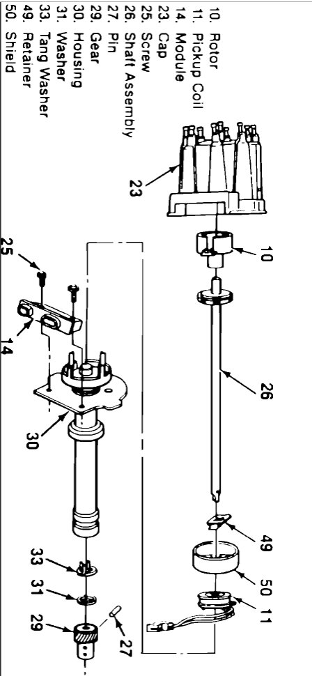
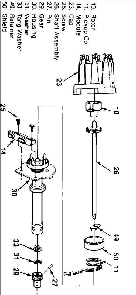
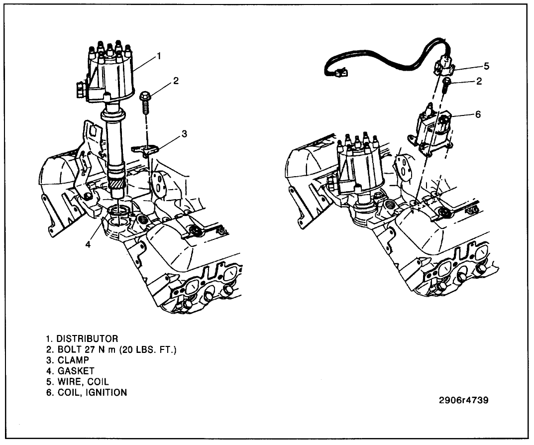
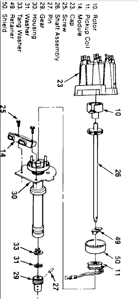
My first thoughts were it was ignition related. After the first misfire occurrence last fall (but no stall) I replaced the ICM with a new Delphi unit. Also, the entire wiring harness from coil to distributor has been replaced some time ago with all connections firmly soldered and heat-shrink insulated. To see if any poor connections existed and with engine at idle and at operating temperature, I shook and pulled at all the wiring with no change. My next thought was the pick-up coil inside the distributor but my limited experience with them is when they fail, one will get a constant misfire or no start. Have you seen failing pickup coils be intermittent like this? I do not have to turn the ignition off and back on for it to restart, just engage the starter.
Although my first thoughts were ignition, I looked at the fuel supply. The vehicle has a rebuilt VIN R 2.8. Running the 85 carburetor setup Since the VIN R has no provision for a mechanical fuel pump, I am running a Chinese "take" of a Carter P4070 rotary van pump powered of EFE relay which no longer used. Since the pump continues to run during the stall, I kind of ruled out fuel as a cause. I also checked for corroded fuses, grounds and battery connections. None were found.
Any ideas? I am particularly interested in your response concerning the pick-up coil.
Thank you in advance for your response and for the assistance you have provided in the past!
Wednesday, March 6th, 2024 AT 9:19 PM









