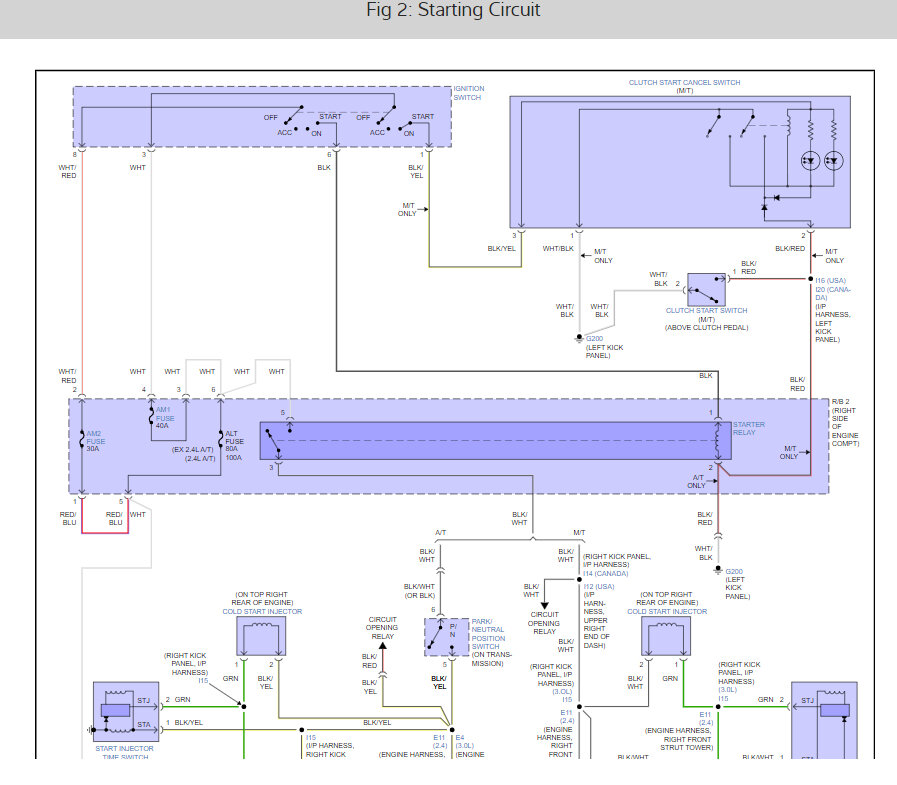
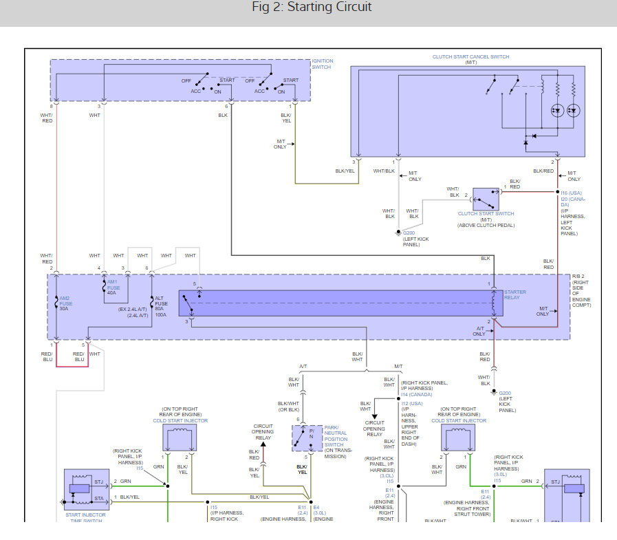
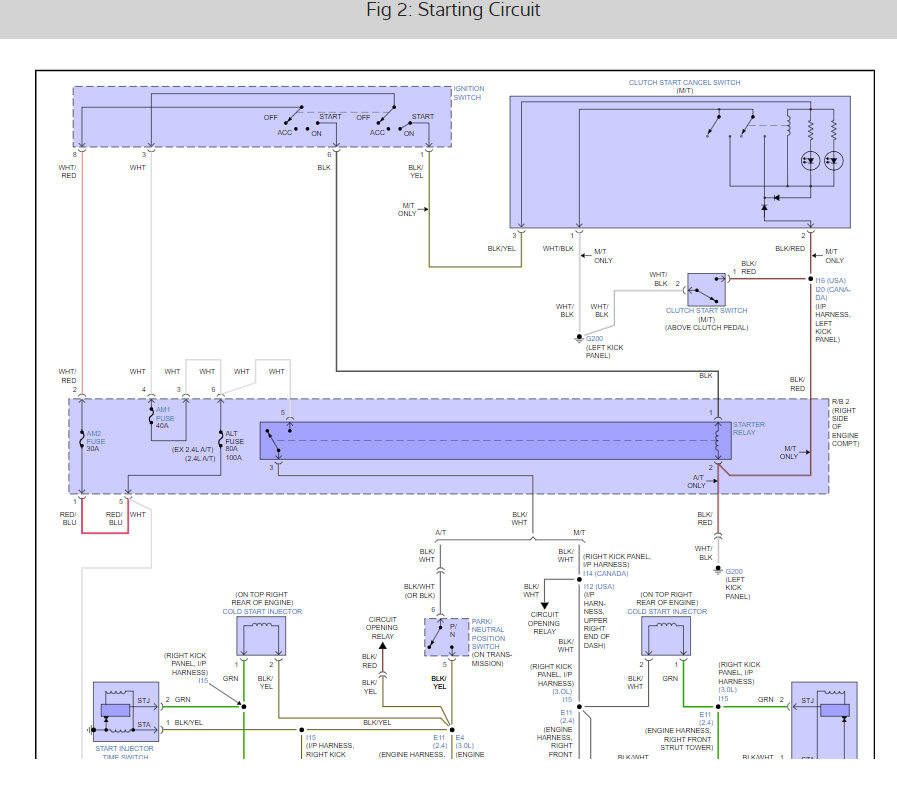
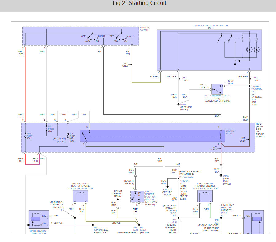
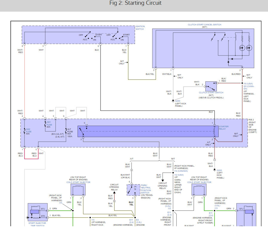
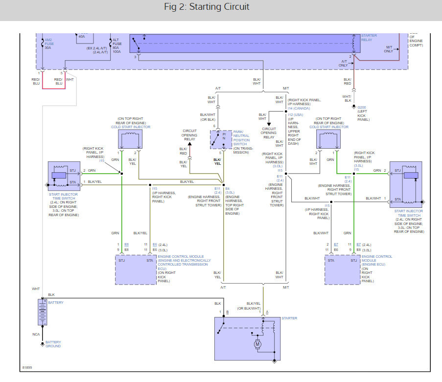
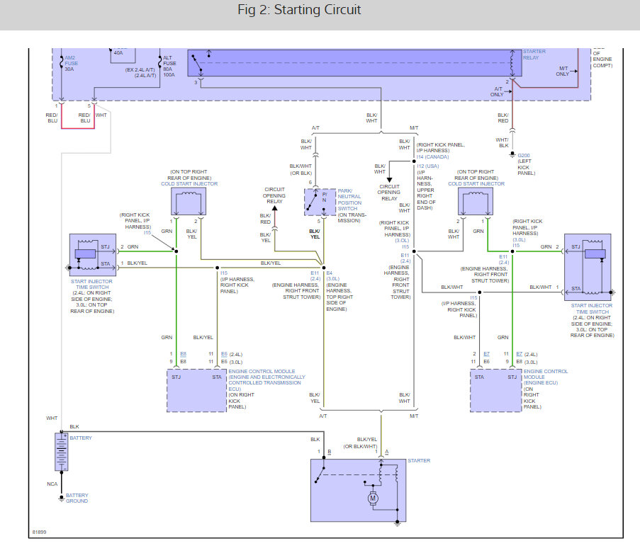
Battery and cables were charged and intact but did install an additional ground. I beat the starter then replaced it but it was found to not be the issue. Swapped the ignition switch with no change. Changed out the neutral safety switch and at last she fired right up. This is where the issue went intermittent. Never shuts off while in motion and it's a guessing game whether I need to wait 10 minutes for her to start again or 30. I will do nothing but wait. Could it be a heat sensor? What's not talking? No aftermarket alarm that I can find but as a newbie it hard to exactly identify everything. I have a multimeter and am at your mercy! Thank you
Monday, January 30th, 2023 AT 6:01 PM












