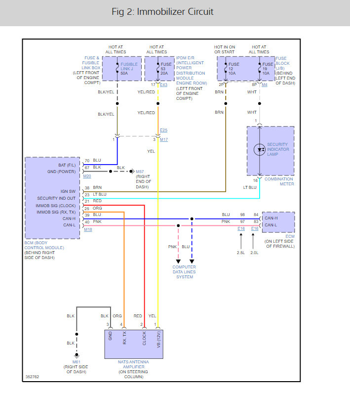
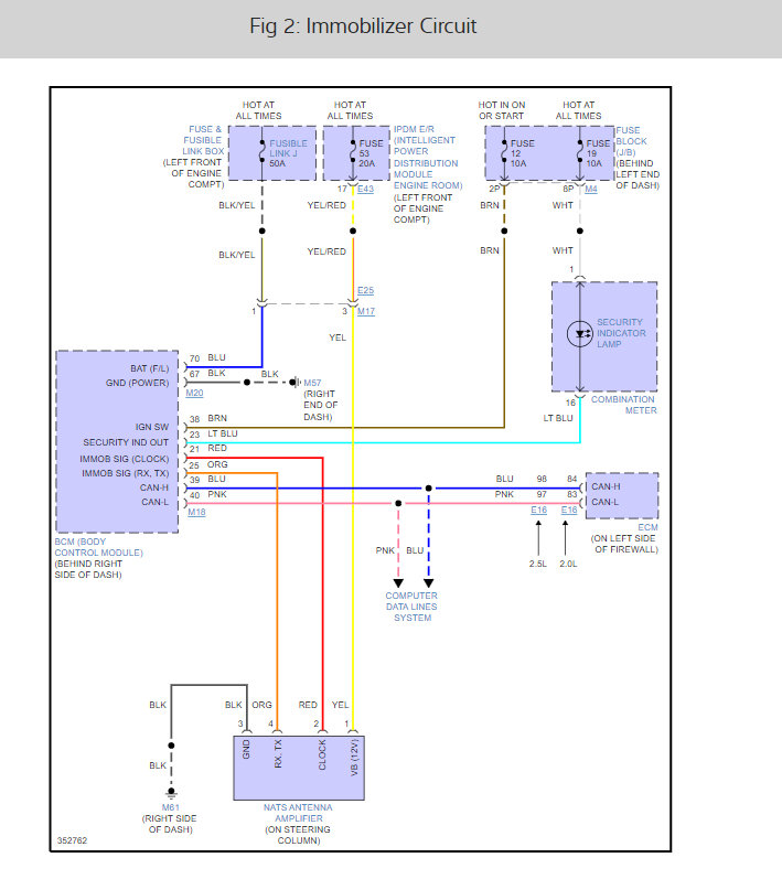
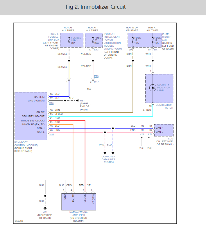
Sunday, September 18th, 2022 AT 8:35 PM
The car has a smart key, and I changed the starter battery ignition switch and neutral safety switch and still get an intermittent no start sometimes. When it doesn't start it takes like five minutes for it to start, then it starts.








