Press "Start' button and it sounds like starter spins, but does not engage with engine flywheel?

Tiny
PTMECHINIC
  • MEMBER
  • 2014 HONDA ACCORD
  • 3.5L
  • V6
  • 2WD
  • AUTOMATIC
  • 135,000 MILES
Push button starting problem is extremely intermittent. When problem is not present, press 'Start' button and engine starts immediately. When intermittent problem is encountered, press "Start' button and it sounds like starter spins, but does not engage with engine flywheel. The only consistent issue is the same sound of starter spinning and not engaging during each failure. The intermittent part is the frequency of not starting - vehicle may start 10 times in a row, no problem, then not start on next attempt. Sometimes there are several no starts in one attempt to start the vehicle.
Is it possible to send power to the starter which is strong enough to spin motor at full speed, but is not able to pull ring gear into contact with flywheel? Both battery and starter have recently been replaced.
Thursday, January 19th, 2023 AT 9:06 PM

3 Replies

Tiny
KEN L
  • MASTER CERTIFIED MECHANIC
  • 55,488 POSTS
To me it sounds like you have a defective starter, but an inspection of the flex plate teeth would be a good idea. Once the starter is out use a large breaker bar to manually turn the engine over and use a flashlight to check the ring gear teeth condition. A little wear is normal but if teeth are missing you will need to replace the flex plate. if the teeth look okay, I would try a new starter here is how the starter is replaced in the images below. Also here is a "new" starter, not rebuilt for $123.00:

https://amzn.to/3GYEar1

Check out the images (below). Please let us know what you find. We are interested to see what it is.
Was this
answer
helpful?
Yes
No
Friday, January 20th, 2023 AT 12:35 PM
Tiny
PTMECHINIC
  • MEMBER
  • 2 POSTS
Thanks for your reply, Ken. As I mentioned, the starter and battery have recently been replaced. Actually, two starters have been replaced. The first was a rebuilt aftermarket and the second was a rebuilt Honda starter. The flex plate gear teeth were examined for broken/missing teeth and no damage was found.
The Honda Technical Service Bulletin 16-002 was performed: https://static.nhtsa.gov/odi/tsbs/2017/MC-10115802-9999.pdf
which involved rotating the torque converter to flex plate mounting by one bolt hole (which didn't really make any sense as a fix)
Relay module containing starter cut relays was also replaced with new Honda relay module.
As the starting issue still exists, I will try your suggested new starter as I have run out of possible fixes and patience.
Was this
answer
helpful?
Yes
No
Monday, January 23rd, 2023 AT 1:10 PM
Tiny
KEN L
  • MASTER CERTIFIED MECHANIC
  • 55,488 POSTS
Yep, that is not a good fix for the problem, at that point I would replace the flex plate. The only other thing I can think of is the starter cut relays or the keyless entry module not supplying enough voltage to the solenoid. We should test the trigger voltage at the starter when activated here is a guide to help:

https://www.2carpros.com/articles/how-to-use-a-voltmeter

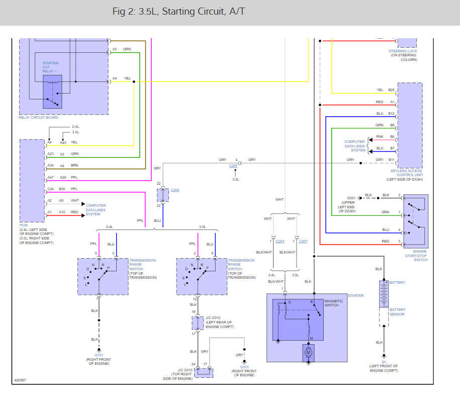
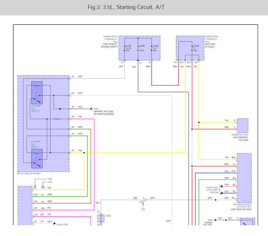
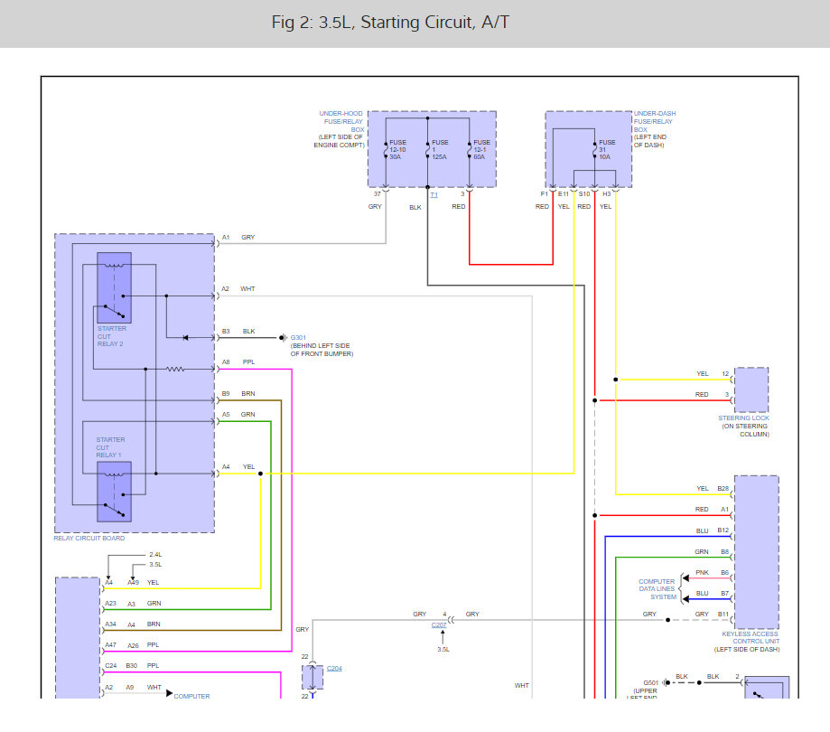
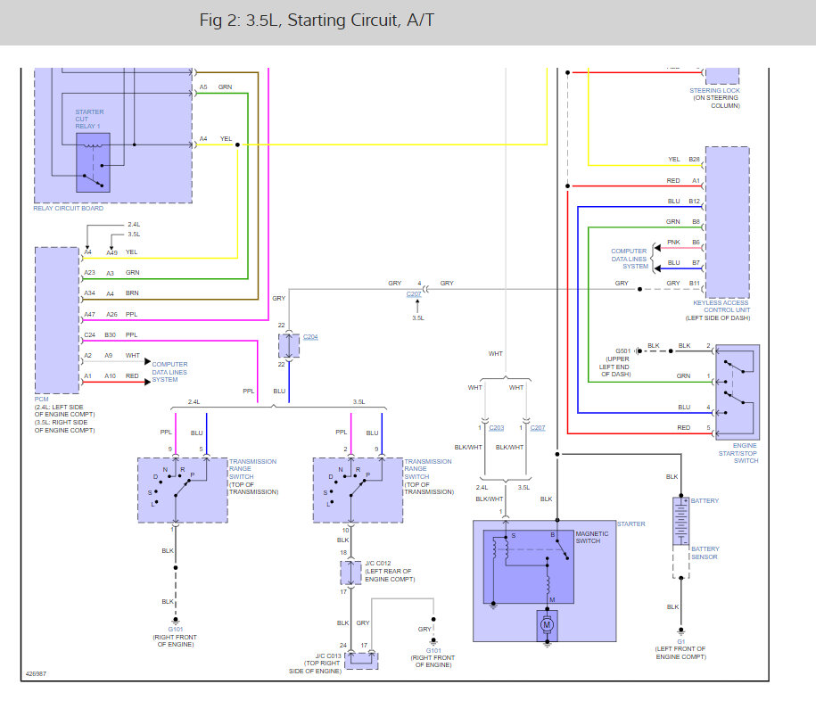
Here is a wiring diagram on how the starter system works. Can you upload a short video of the problem so I can see?
Was this
answer
helpful?
Yes
No
Tuesday, January 24th, 2023 AT 10:08 AM

Please login or register to post a reply.