Intermittent Left Turn Signal?

2016 NISSAN VERSA
127,499 MILES • 1.5L • 4 CYL • 2WD • AUTOMATIC
Avatar
NISSAN2016
  • MEMBER
  • 2 POSTS
I have a 2016 Nissan Versa and I had my left turn signal bulb replaced by an auto mechanic. Since then it operates intermittently. I think the auto mechanic messed up the wiring because I never had this problem before he replaced it. What could the problem be? I bought a code scanner and there are no error codes.
Feb 8, 2026 at 11:30 AM
Repair Safety Notice: This information is for general instructional purposes only. Vehicle repair can be dangerous. Verify all information, follow manufacturer service procedures, use proper tools and safety equipment, and consult a qualified repair shop when needed.
Advertisement
Avatar
AL514
  • CAR REPAIR CONTRIBUTOR
  • 5,485 POSTS
Hello, it sounds like you have already come up with a logical answer to the issue. A couple possibilities are that either the incorrect bulb (part number) was installed. Bulbs these days may look alike, but in some cases having someone at an auto parts store look up that bulb's part number and see if the correct one is installed.

Its also possible the bulbs connector was not completely seated all the way and there is a bad connection. Beyond doing a visual inspection of the bulb and wiring, we would move on to checking for the correct full voltage on the turn signal wire and verifying a good ground.

Was the Body Control Module(BCM) checked for any stored trouble codes? The body control module controls the output to the turn signals. I would also be curious to see if the Input into the BCM from the turn signal switch was Ok, under the BCM's live data you should be able to see the turn signal Request to the BCM and then checking the voltage when the input is reading Ok, or On.
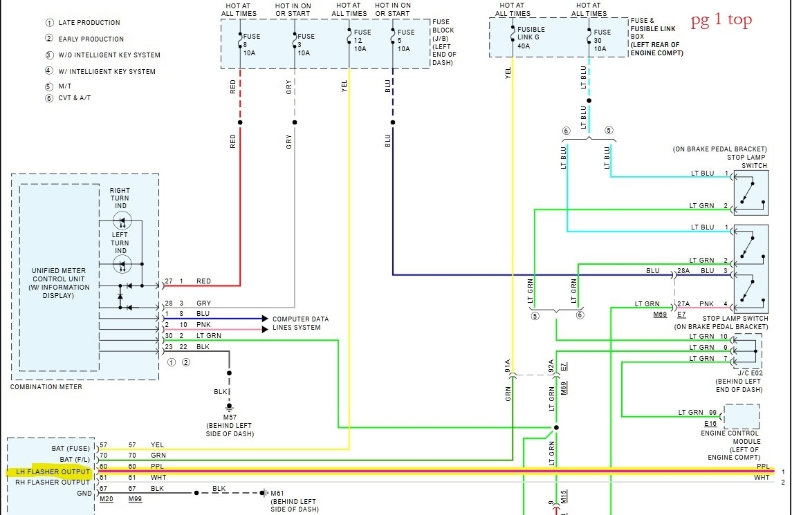
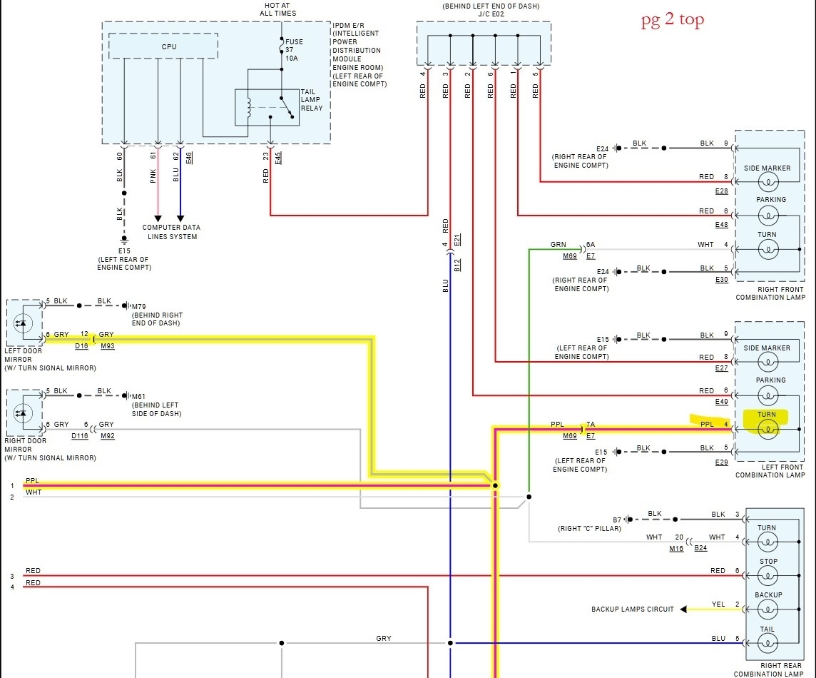
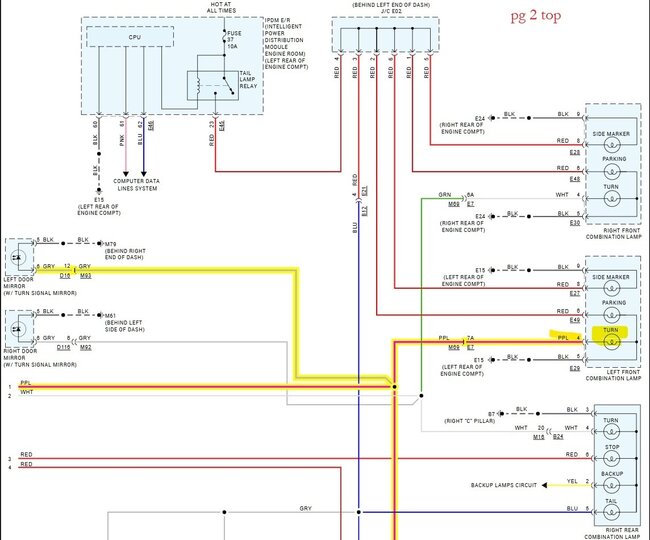
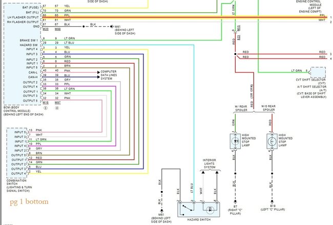
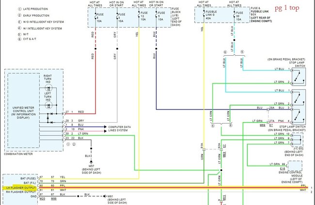
Ill post the wiring diagrams for the exterior lighting for you.
Feb 8, 2026 at 12:01 PM
Advertisement
Avatar
NISSAN2016
  • MEMBER
  • 2 POSTS
The bulb was purchased from an auto store. Also, is the voltage check separate for the left and right turn signal. If not, why check the BCM turn signal switch when the right signal is working.
Feb 8, 2026 at 12:08 PM
Avatar
NISSAN2016
  • MEMBER
  • 2 POSTS
Do turns signals operate off the same voltage?
Feb 8, 2026 at 12:13 PM
Avatar
AL514
  • CAR REPAIR CONTRIBUTOR
  • 5,485 POSTS
These are the wiring diagrams for the Exterior lighting. You can see the Left turn signal is a Purple wire at the Left front turn signal, but changes color to Green at the rear turn signal wire after that M16/B24 connector.

https://www.2carpros.com/articles/how-to-use-a-test-light-circuit-tester

https://www.2carpros.com/articles/how-to-use-a-voltmeter
Feb 8, 2026 at 12:14 PM
Avatar
AL514
  • CAR REPAIR CONTRIBUTOR
  • 5,485 POSTS
The BCM outputs battery voltage directly to either the Left or Right side lamps. Both turn signals for the Left are on the same wiring front and rear, same for the Right side. I would inspect the bulb's connector where the mechanic was working.
Feb 8, 2026 at 12:20 PM