Monday, July 5th, 2021 AT 12:07 PM
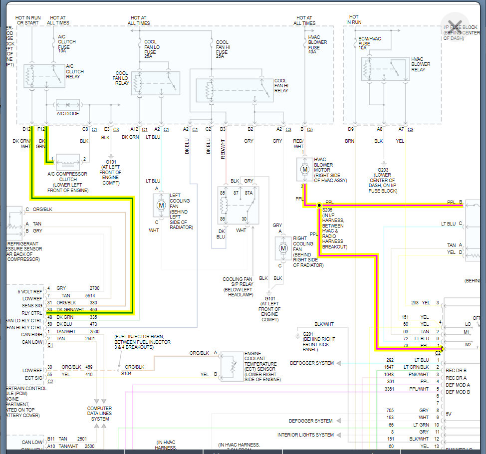
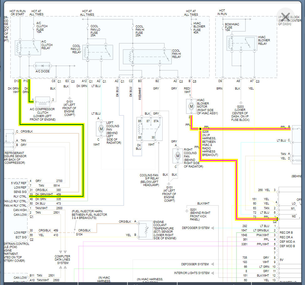
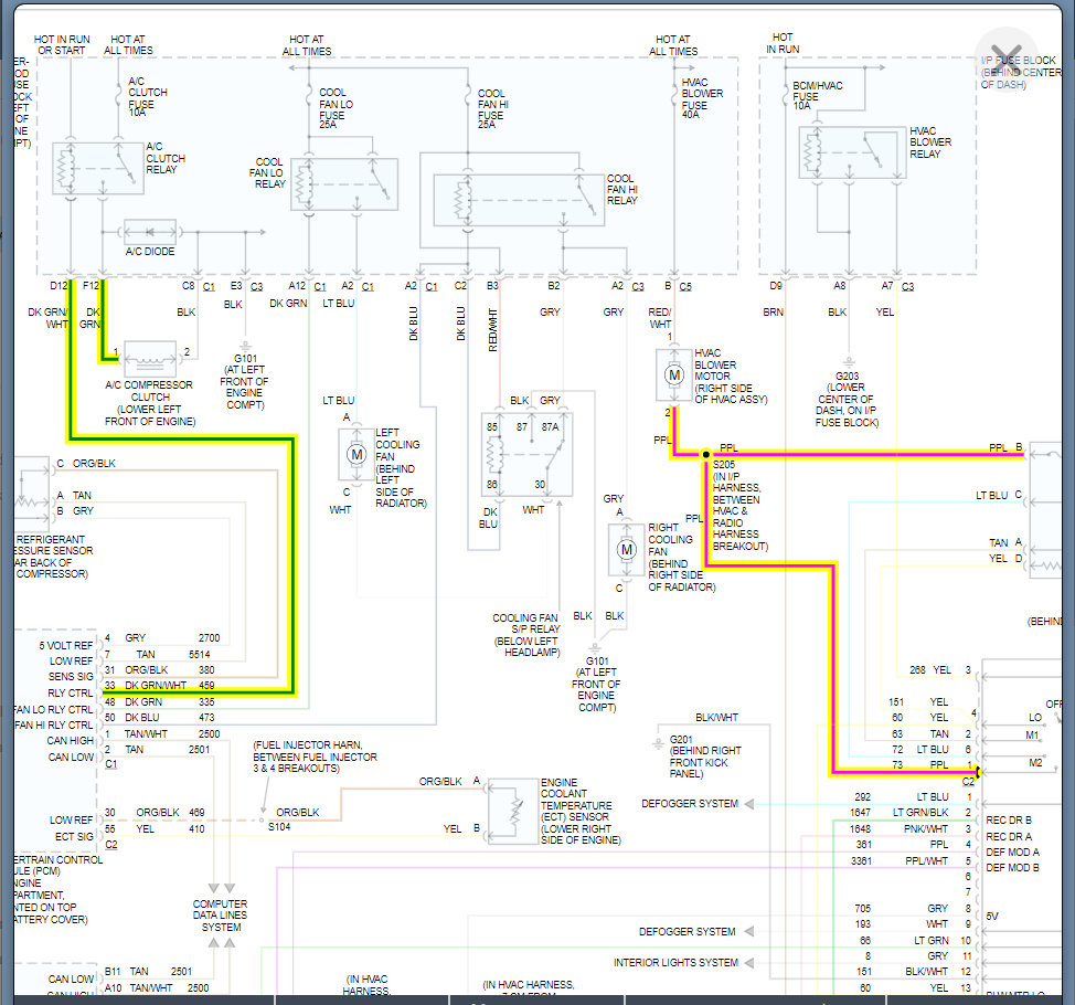
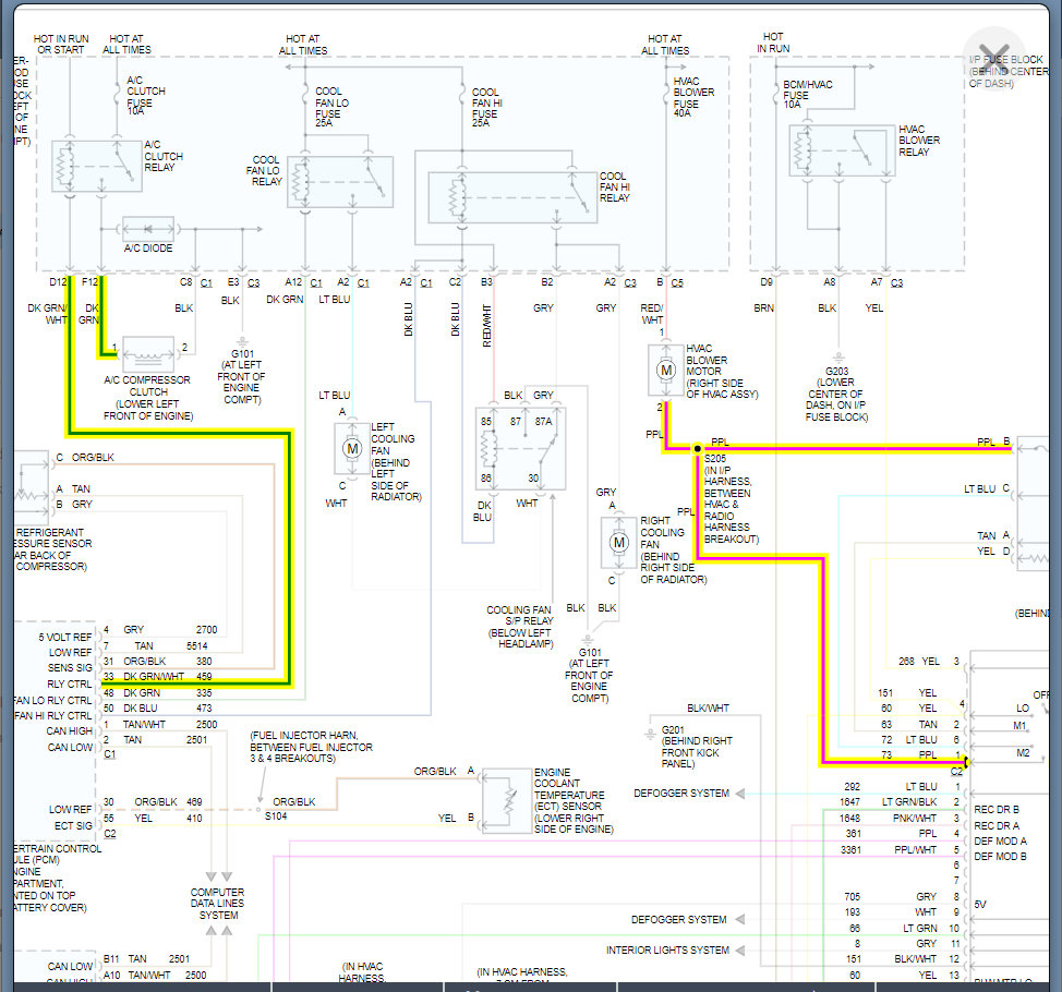
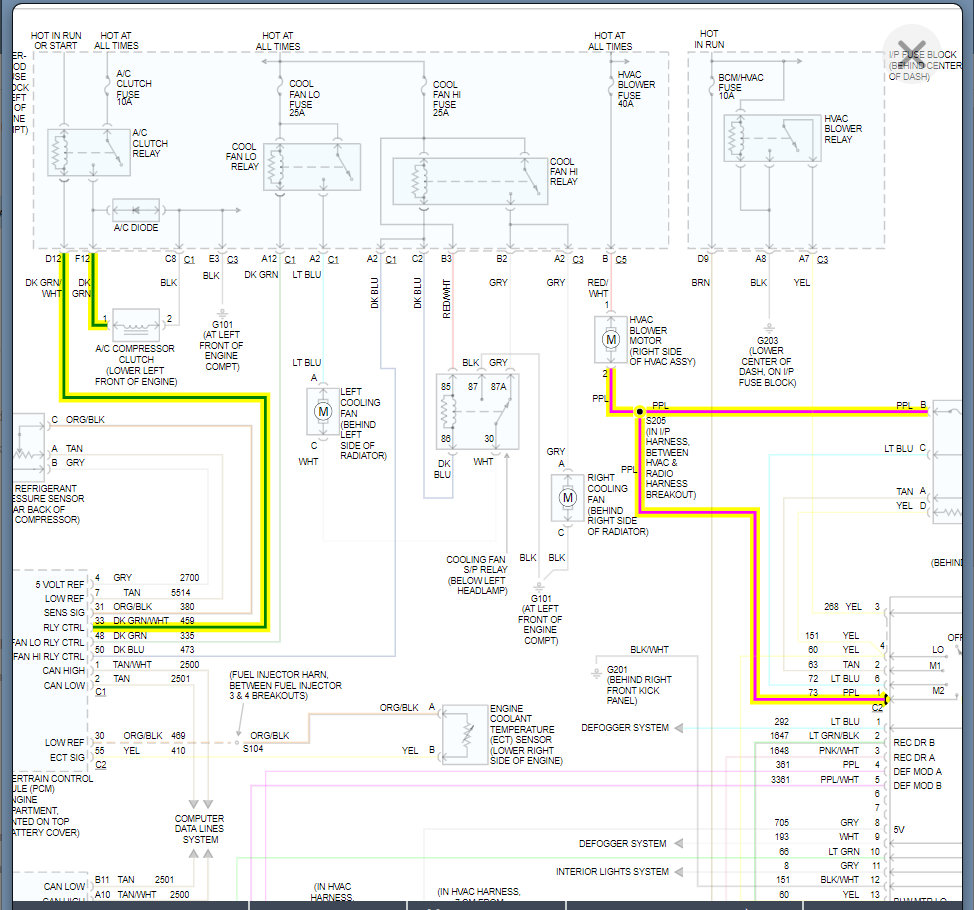
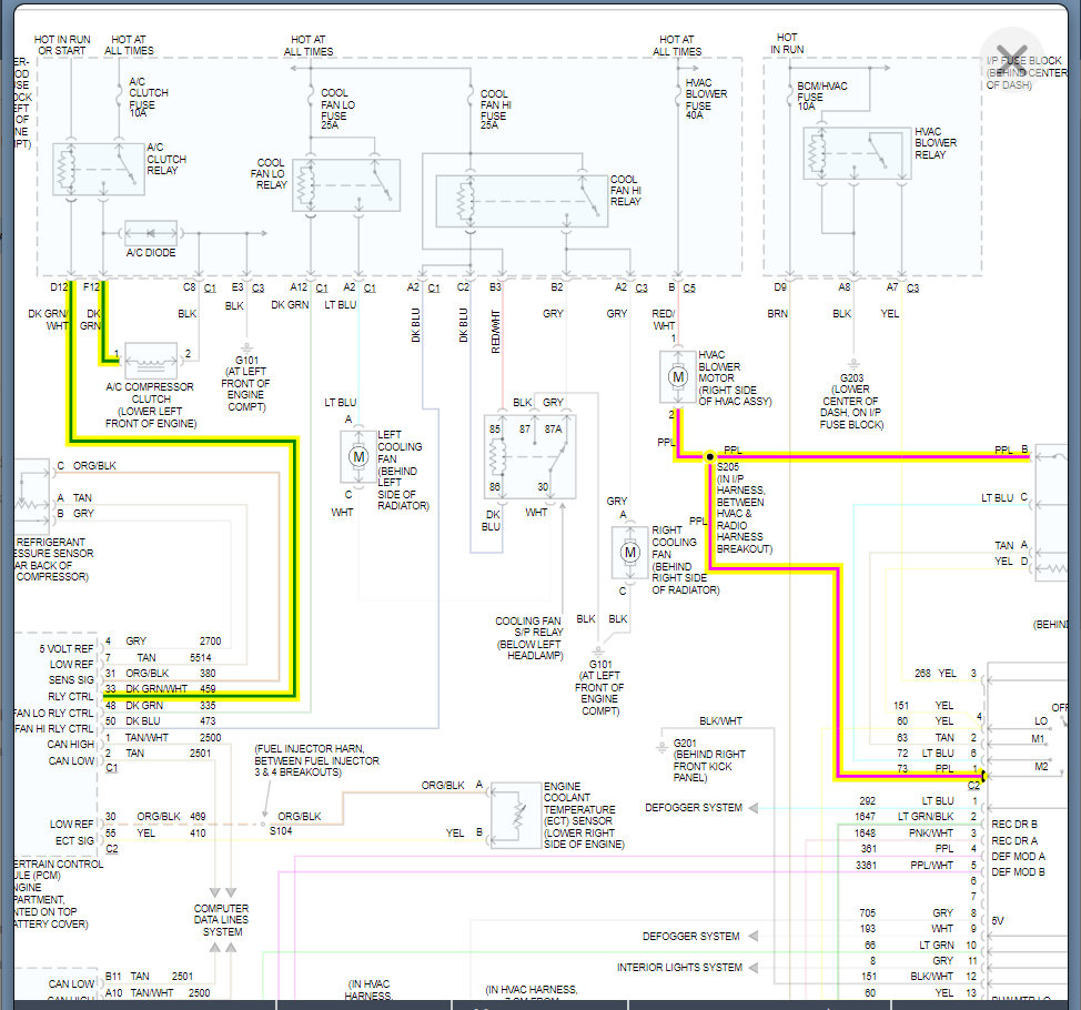
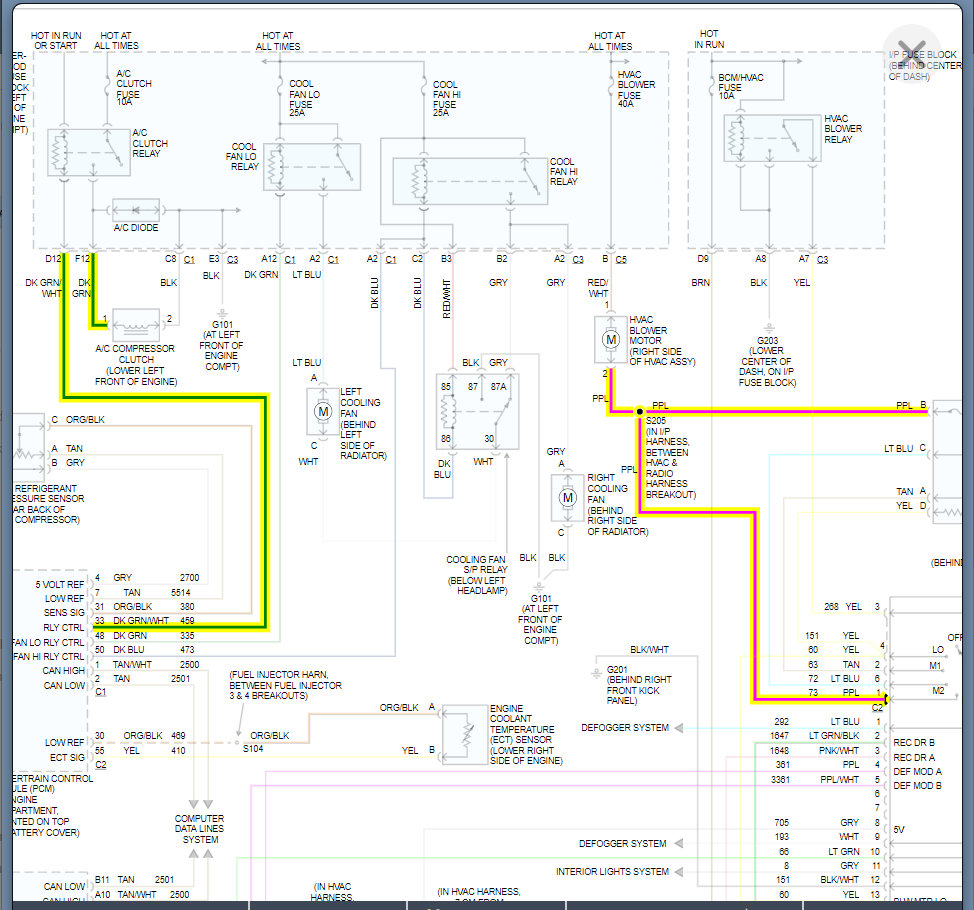
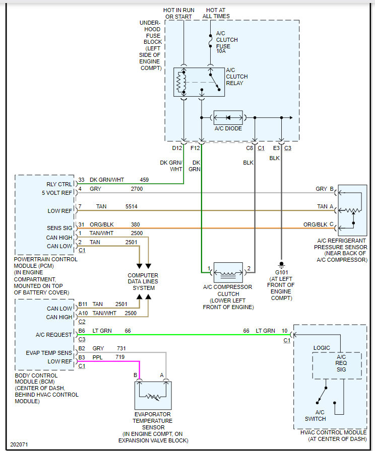
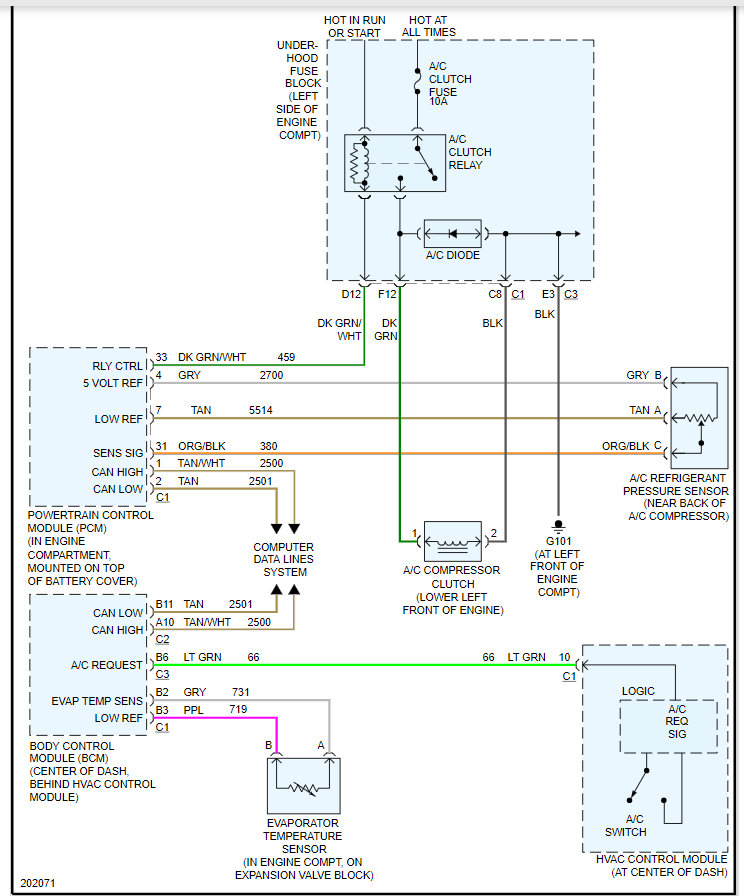
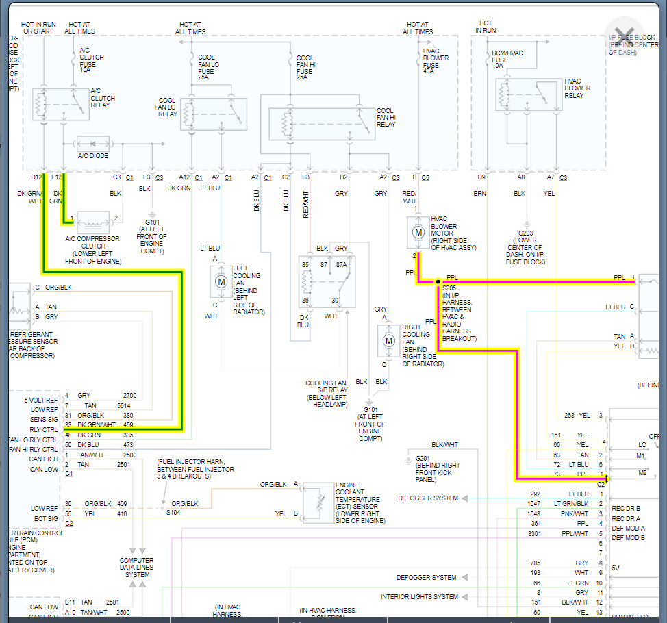
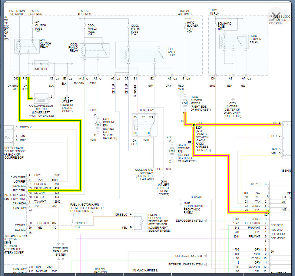
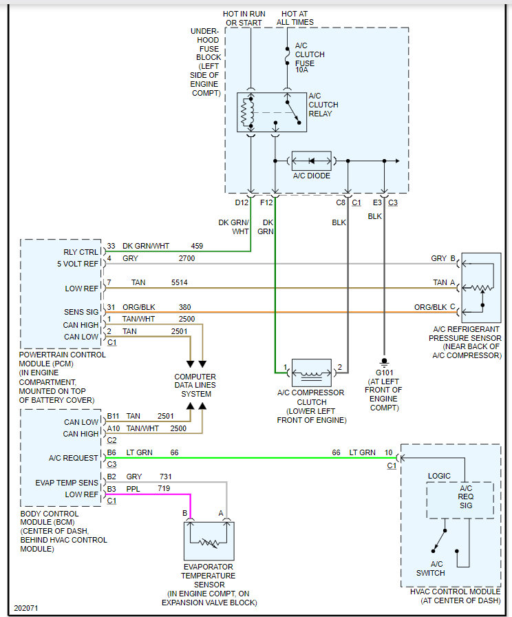
Hello! This A/C usually only cools on low or high speed fan setting, when you switch to a different fan speed the snowflake indicator and compressor turns off. I just tried to make a video and of course it did not perform exactly as usual, some speeds compressor comes on other speeds it shuts off when I switch to that fan speed. But usually, once the compressor comes on it works fine until you switch fan speeds. I replaced the compressor relay, still same issue. Refrigerant levels are good, fan speed is not intermittent. Any ideas are appreciated!


