Intermittent blower motor failure

Tiny
BLAZE45
  • MECHANIC
  • 2015 HONDA CIVIC
  • 4 CYL
  • 2WD
  • AUTOMATIC
  • 72,000 MILES
Blower motor slows near 0-15 rpm's, then up to maybe 100 rpm, then back down, up, down, up, down, etc. Never reaches full speed, so never cools car.

Sometimes it stops working all together.
Monday, September 23rd, 2019 AT 9:09 AM

29 Replies

Tiny
KEN L
  • MASTER CERTIFIED MECHANIC
  • 55,302 POSTS
Hello,

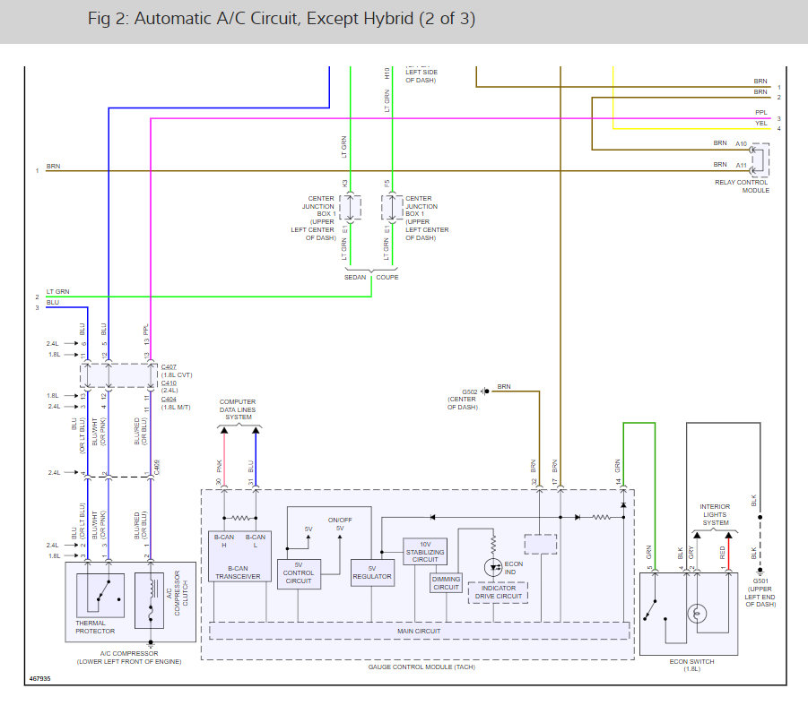
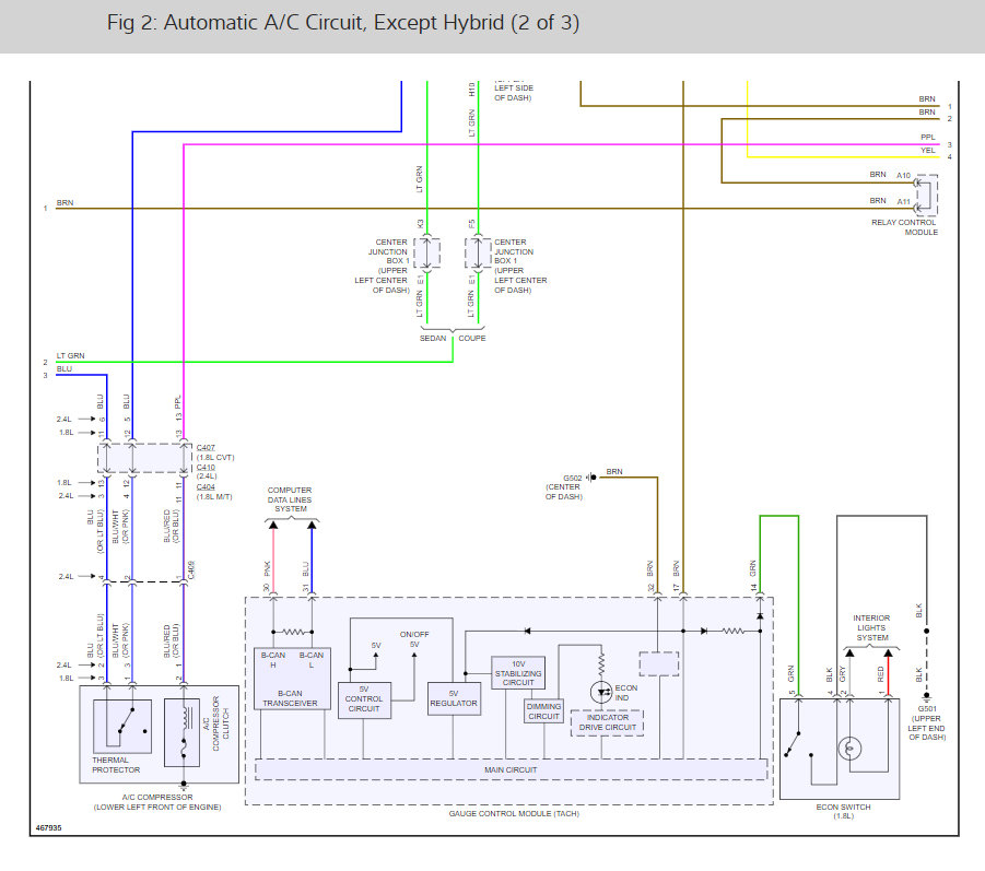
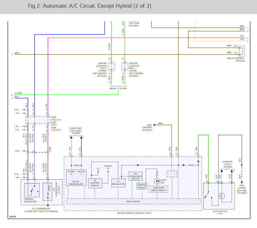
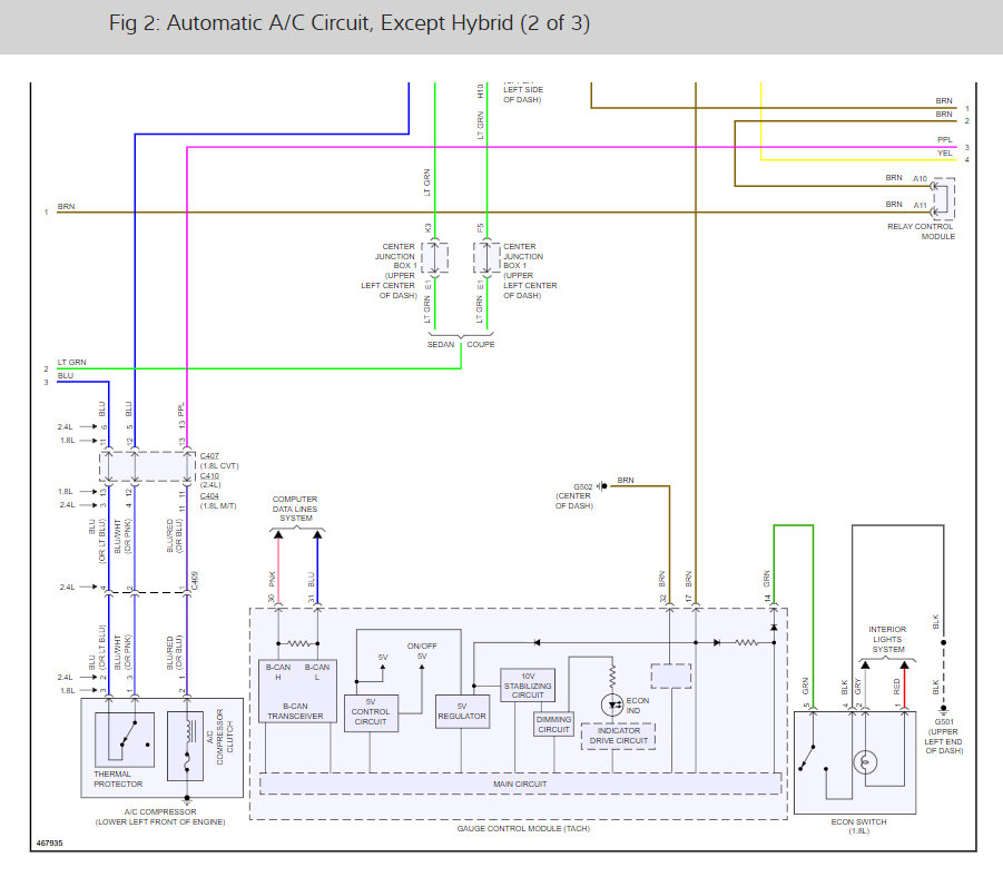
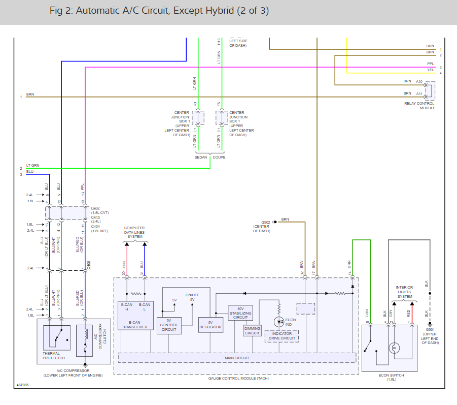
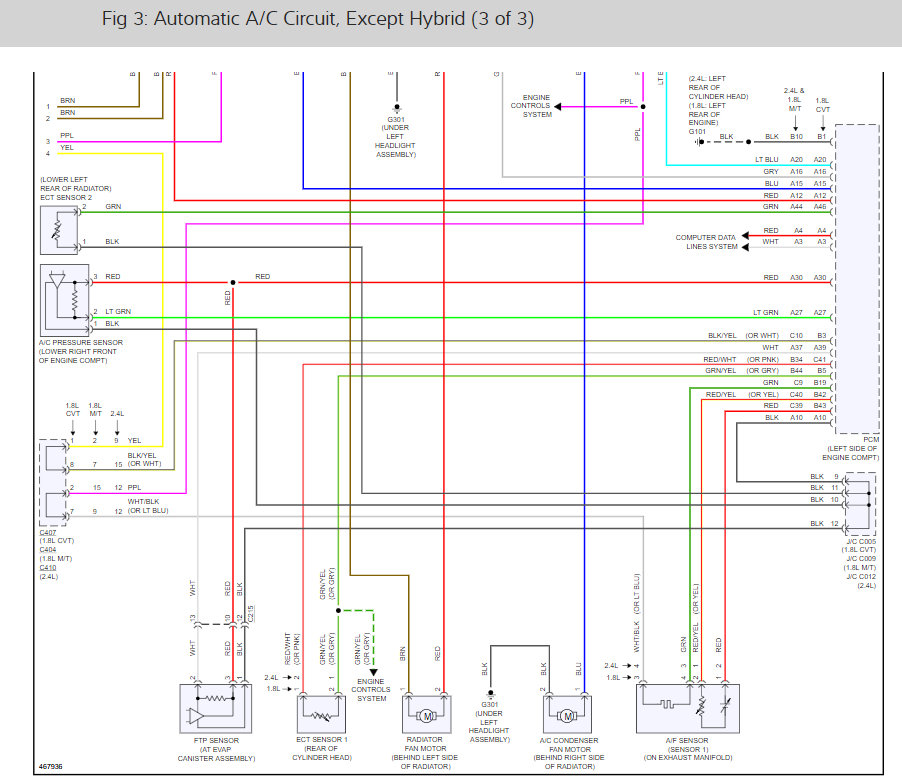
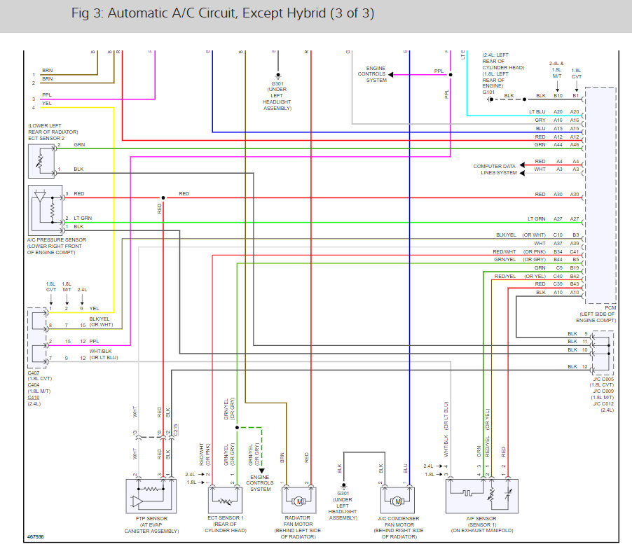
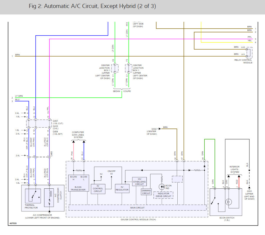
This sounds like you have a blower motor transistor that is out. here is the blower motor and air conditioner wiring diagrams so you can see how the system works with the location of the part that needs to be replaced. This guide can help walk you through some basic testing as well.

https://www.2carpros.com/articles/blower-fan-motor-works-on-high-speed-only

Check out the diagrams (below). Please let us know what happens.
Was this
answer
helpful?
Yes
No
+1
Tuesday, September 24th, 2019 AT 12:46 PM
Tiny
BLAZE45
  • MECHANIC
  • 380 POSTS
Well, I replaced both the fan and transistor. I don't know if this fixed the issue because it is on my girlfriends car and I am breaking up with her today. The fan is still noisy but I think that is just a characteristic of these fan motors/cars. Thank you for your help.
Was this
answer
helpful?
Yes
No
Friday, September 27th, 2019 AT 9:07 AM
Tiny
KEN L
  • MASTER CERTIFIED MECHANIC
  • 55,302 POSTS
Nice work, we are here to help, please use 2CarPros anytime.
Was this
answer
helpful?
Yes
No
Friday, September 27th, 2019 AT 5:05 PM
Tiny
DEO
  • MEMBER
  • 12 POSTS
  • 2007 HONDA CIVIC
  • 55,000 MILES
Originally, I had fan control but it was blowing hot air. I replenished the coolant an all of a sudden I have no power on any fan control settings. The fuse checked good. Disconnected the blower fan wires and checked for power-no power with key and fan control on. Disconnected the blower resistor wires thinking its the resistor-no power with the key and fan control on.
Was this
answer
helpful?
Yes
No
Sunday, September 29th, 2019 AT 9:41 AM (Merged)
Tiny
SATURNTECH9
  • MECHANIC
  • 30,869 POSTS
So do you have manual blower fan or automatic?Also all the blower fans I have seen run the ground thru the resistor to control the fan speed.
Was this
answer
helpful?
Yes
No
+1
Sunday, September 29th, 2019 AT 9:41 AM (Merged)
Tiny
DEO
  • MEMBER
  • 12 POSTS
Not sure what you mean by manual or automatic. Shouldnt I get power though with the blower disconnect? Please elaborate.
Also, the initial problem was it was only blowing cold air with the temp setting on heat-sorry.
Was this
answer
helpful?
Yes
No
Sunday, September 29th, 2019 AT 9:41 AM (Merged)
Tiny
SATURNTECH9
  • MECHANIC
  • 30,869 POSTS
Do have a temp you can set for your a/c temp setting or do you just have a cold to hot slider control?With the key in the run position and the blower fan speed set at any speed you should have full battery voltage to the blower motor. The ground side of the blower fan is controled thru the blower switch then thru the resistor.
Was this
answer
helpful?
Yes
No
Sunday, September 29th, 2019 AT 9:41 AM (Merged)
Tiny
DEO
  • MEMBER
  • 12 POSTS
I have a round temp control knob(bottom left to middle top is for cold and middle top to bottom right is for heat).
Thats what I thought but I wasnt getting voltage at the blower and neither at the resistor. So im not sure if its the fan control head or switch. Not sure how to check that or even to begin taking the panel to access it.
Was this
answer
helpful?
Yes
No
Sunday, September 29th, 2019 AT 9:41 AM (Merged)
Tiny
KHLOW2008
  • MECHANIC
  • 41,814 POSTS
At the blower motor, you must have voltage at the white wire. If voltage is not available, check the blower motor relay in underhood fuse box.

Check Fuse # 9 (40 A). It is for the blower motor.
Was this
answer
helpful?
Yes
No
Sunday, September 29th, 2019 AT 9:41 AM (Merged)
Tiny
DEO
  • MEMBER
  • 12 POSTS
There are several relays there, which one is the blower motor relay and how do I check if its faulty?
Was this
answer
helpful?
Yes
No
Sunday, September 29th, 2019 AT 9:41 AM (Merged)
Tiny
DEO
  • MEMBER
  • 12 POSTS
Checked fuse #9 (40A) and its good. Checked for voltage on fuse terminal and I got full voltage
Was this
answer
helpful?
Yes
No
Sunday, September 29th, 2019 AT 9:41 AM (Merged)
Tiny
RMW77
  • MEMBER
  • 1 POST
  • 2005 HONDA CIVIC
The blower motor will only start up if I pound it under the dash on the passenger side. The knob will be turned all the way up, but the motor will only go at less than half speed. If I turn it off, it won't start up again unless I pound it again. I checked all the fuses and they were fine.
Was this
answer
helpful?
Yes
No
Sunday, September 29th, 2019 AT 9:41 AM (Merged)
Tiny
KHLOW2008
  • MECHANIC
  • 41,814 POSTS
Use a fused jumper wire across terminal 1 and 2 and check if voltage is available at the blower motor.

Swap the relay with the radiator fan control relay to test.
Was this
answer
helpful?
Yes
No
Sunday, September 29th, 2019 AT 9:41 AM (Merged)
Tiny
CATAFINA
  • MECHANIC
  • 167 POSTS
Could be binding inside you need to open it up and inspect or on its way out
Was this
answer
helpful?
Yes
No
Sunday, September 29th, 2019 AT 9:41 AM (Merged)
Tiny
DEO
  • MEMBER
  • 12 POSTS
Im still not sure which relay is which. Could you please explain.
Was this
answer
helpful?
Yes
No
+1
Sunday, September 29th, 2019 AT 9:41 AM (Merged)
Tiny
CARADIODOC
  • MECHANIC
  • 34,468 POSTS
That's typical of worn brushes inside the motor. Replacement motors aren't usually real expensive.
Was this
answer
helpful?
Yes
No
Sunday, September 29th, 2019 AT 9:41 AM (Merged)
Tiny
SATURNTECH9
  • MECHANIC
  • 30,869 POSTS
Again like I said before the the resistor is the ground side of the circuit so if you dont have power there. So with the key in the run position and the blower fan turned on and set at any speed do you power at the white wire at the blower motor?You never did say also is the under hood fuse box lid labeled or the fuse box itself to which relay is for the blower fan?
Was this
answer
helpful?
Yes
No
Sunday, September 29th, 2019 AT 9:41 AM (Merged)
Tiny
DEO
  • MEMBER
  • 12 POSTS
Theres no power at the white wire at the blower motor with the key in the run position at any fan speed settings. The fuses are labeled but for the relays its just symbols.
Was this
answer
helpful?
Yes
No
Sunday, September 29th, 2019 AT 9:41 AM (Merged)
Tiny
SATURNTECH9
  • MECHANIC
  • 30,869 POSTS
Alright if khlow2008 doesnt beat me to it I will post a diagram showing all the relays when I get home in front of a computer.
Was this
answer
helpful?
Yes
No
Sunday, September 29th, 2019 AT 9:41 AM (Merged)
Tiny
DEO
  • MEMBER
  • 12 POSTS
Thank you so much for you guys' time. I really appreciate it.
Was this
answer
helpful?
Yes
No
Sunday, September 29th, 2019 AT 9:41 AM (Merged)

Please login or register to post a reply.