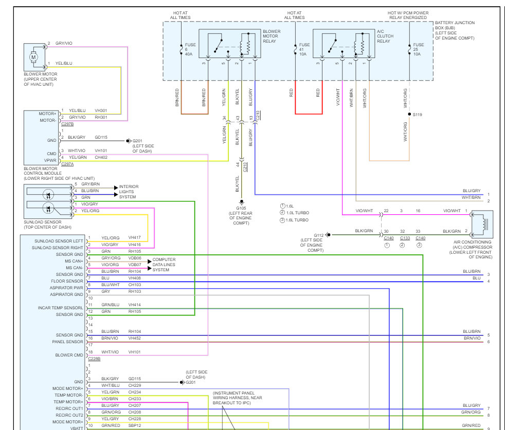
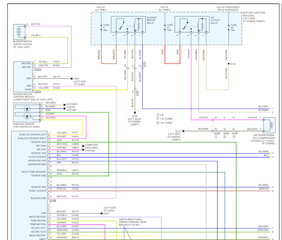
It just doesn't blow anything, until it decides it wants to.
Has happened 5 times in the last week. Three of the five times it happened when I started the car and noticed it was not blowing any air. The heat eventually kicked on by itself after a short drive. One time it happened when I started the car, and the heat was not blowing, but I only had to drive a few blocks home so didn't bother with it. One time it happened when I was driving and thought I smelled something burning so I turned the heat off and when I tried to turn it back on, it did not blow out any air. But the heater ran fine a few hours later.
If I turn on the car and the heat is blowing, it will not turn off on its own. It only seems to happen when I am starting the car. If it runs when I start the car, it will be fine. The crap shoot is whether the blower will run when I start the car.
I will try to replace the blower motor relay and the climate control fuse. I am doubtful that it will fix the problem.
Ran a diagnostic on the blower motor and it seemed to be fine. But of course, the blower was working fine at that time.
I cannot find anything that indicates the Ford Fiestas have a history of heating ailments.
Any ideas would help.
Thursday, February 16th, 2023 AT 4:47 PM





