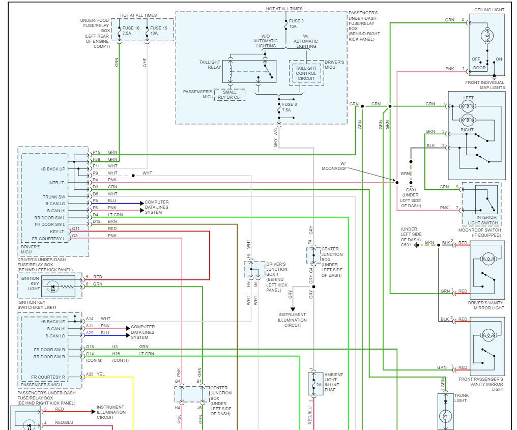
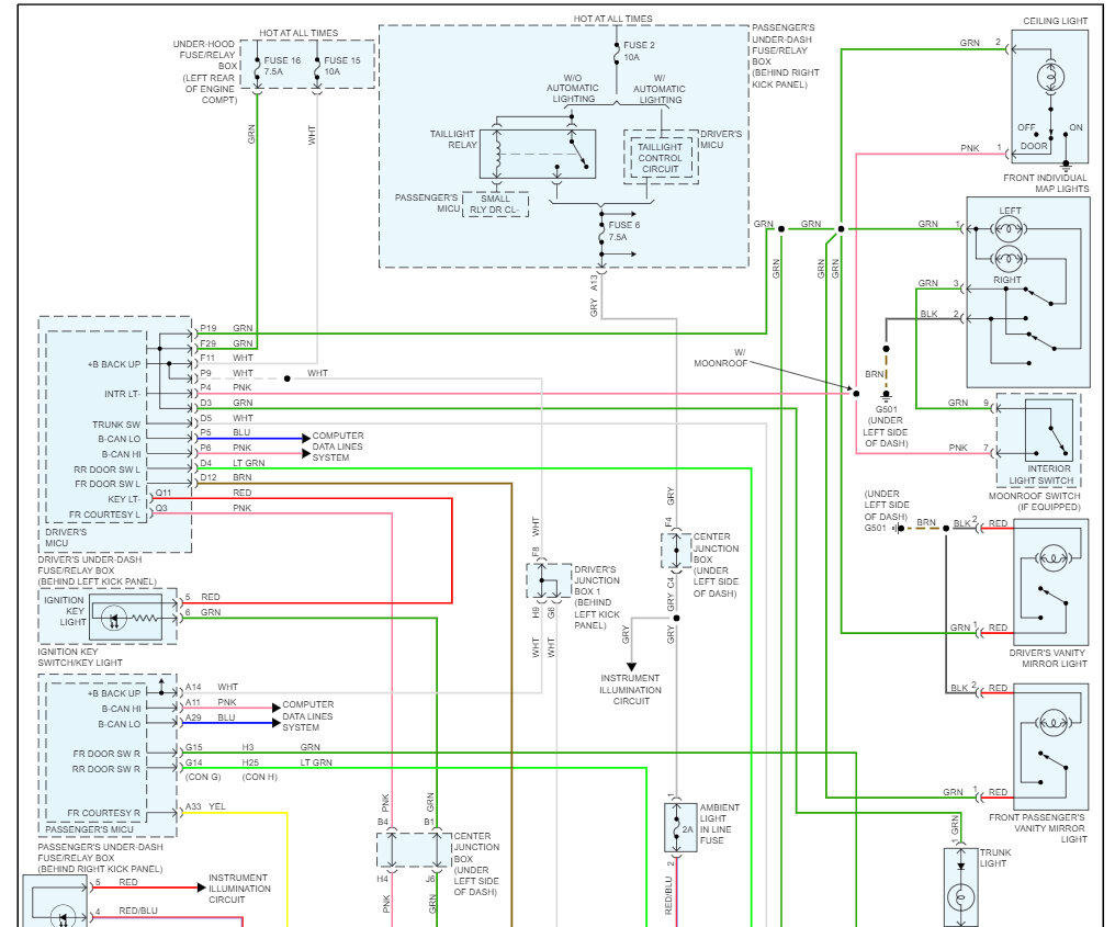
Wednesday, June 14th, 2023 AT 4:33 PM
Map and dome lights don't work at all. Checked fuse under the hood and inside on the passenger side. Both were good. Just for good measure since the car is well used I put new fuses in anyway. Still nothing.





