Interior lighting

Tiny
KIM SHORT
  • MEMBER
  • 1999 LINCOLN CONTINENTAL
  • 0.8L
  • V8
  • 2WD
  • AUTOMATIC
  • 100,000 MILES
I am thinking of purchasing this car for a great price.
I am finding it very odd that there are absolutely no interior lights in the front seat at all. The rear seat has interior lighting but there are nine in the front!
Has this car been modified or was this the original? Very poor design of the 1999 Lincoln Continental!
Thursday, November 22nd, 2018 AT 9:09 PM

1 Reply

Tiny
STEVE W.
  • MECHANIC
  • 15,688 POSTS
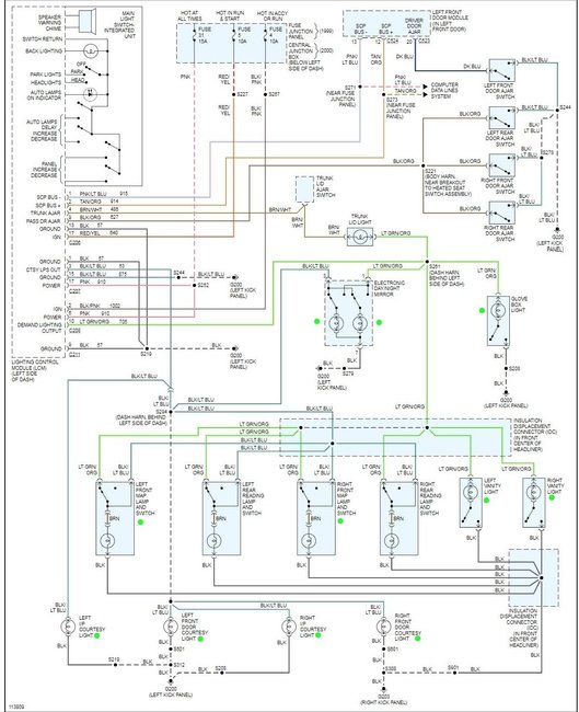
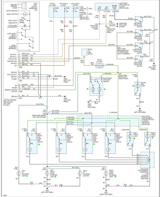
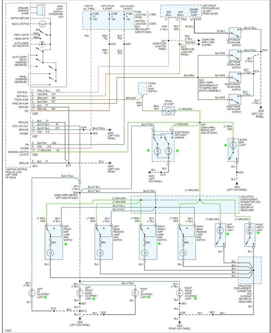
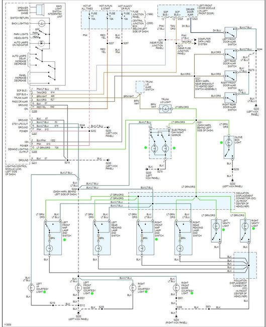
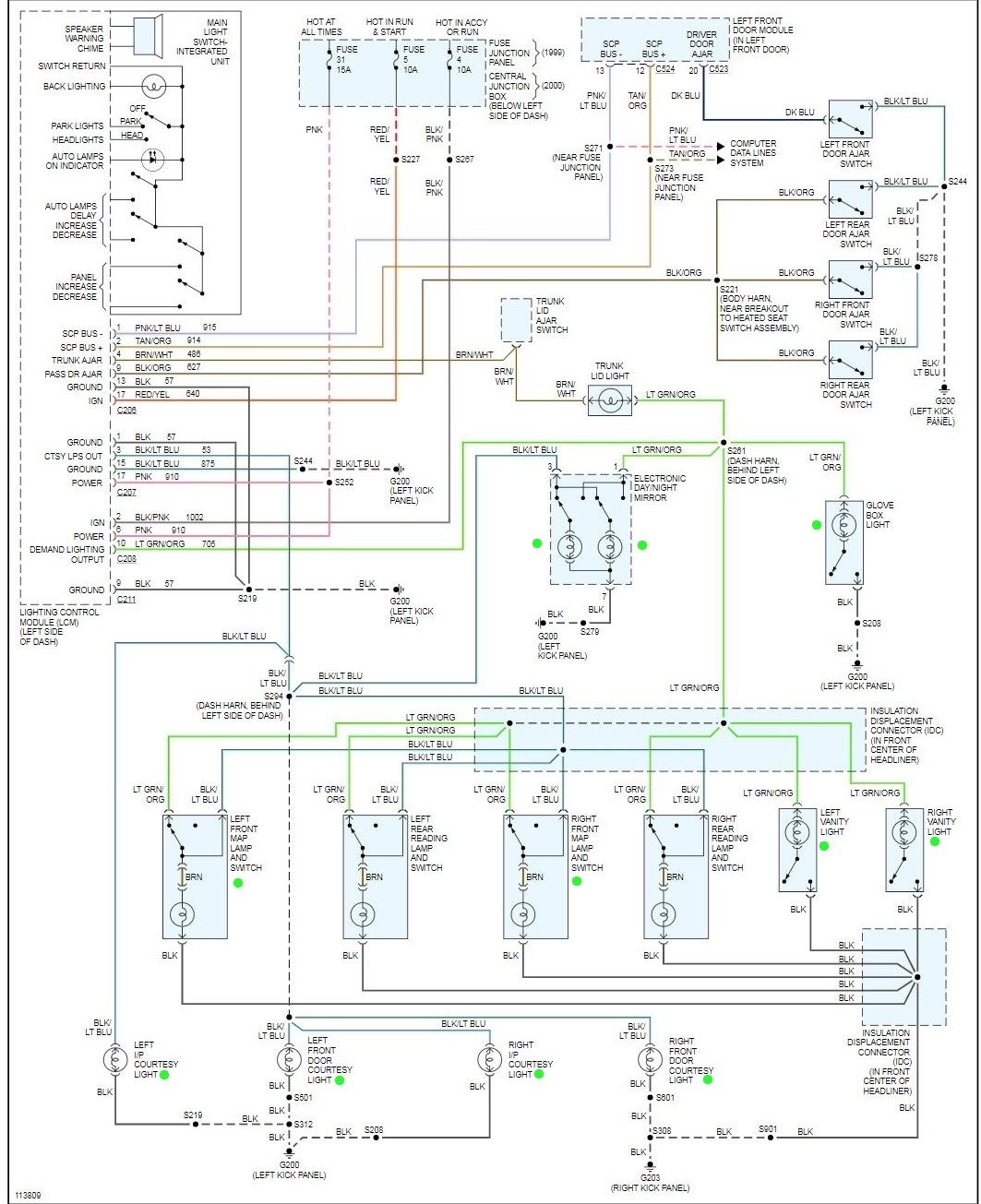
There should be a lot of lights up front. There are two under the dash, one in each door, then the vanity lights for the mirrors in the visors as well as map lights in the mirror and a light in the glove box. If those are missing then someone must have removed them. Or they are not working as they should. First I would look to see if you find them at all. If you do find them but they are not working then they may have been disconnected. The attached wiring diagram has a green dot next to the lights that should come on in the front of the car. As you can see there are a lot of them.
I would probably see about taking it to a shop before you buy it, have them check it out to see if there are other things that are missing or not functioning. It is possible the lighting control module has an issue but that should stop all of the interior lights from working. Perhaps they just removed the bulbs? Not sure why one would do that though.
Was this
answer
helpful?
Yes
No
Friday, November 23rd, 2018 AT 2:25 PM

Please login or register to post a reply.