Interior light not working?

Tiny
IBRAHIMKHAIR
  • MEMBER
  • 2007 TOYOTA SIENNA
  • 1.6L
  • 6 CYL
  • 2WD
  • AUTOMATIC
  • 161,000 MILES
Interior lights are not working how can I fix it?
Tuesday, December 26th, 2017 AT 3:47 PM

1 Reply

Tiny
KASEKENNY
  • MECHANIC
  • 18,907 POSTS
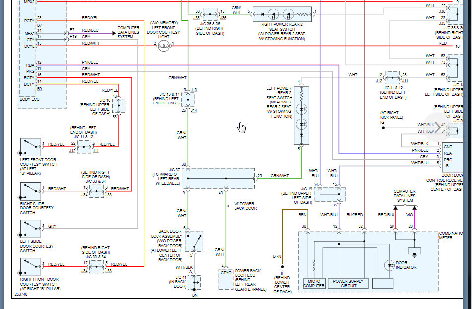
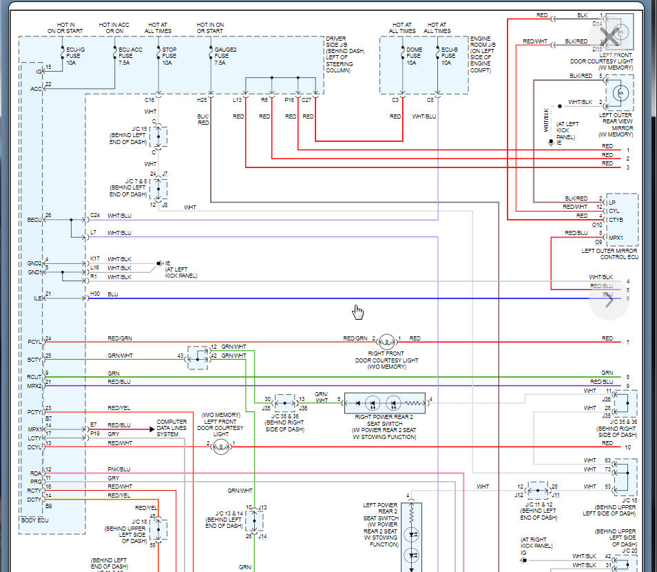
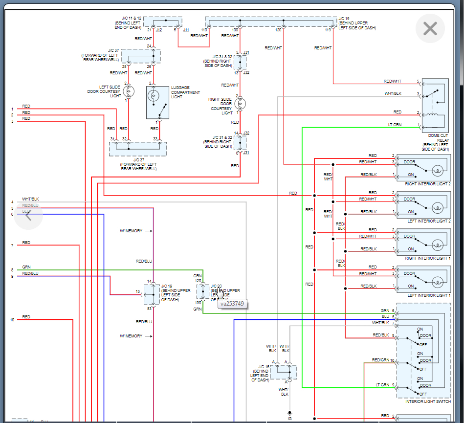
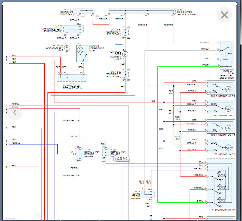
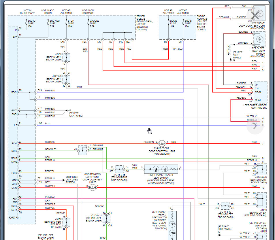
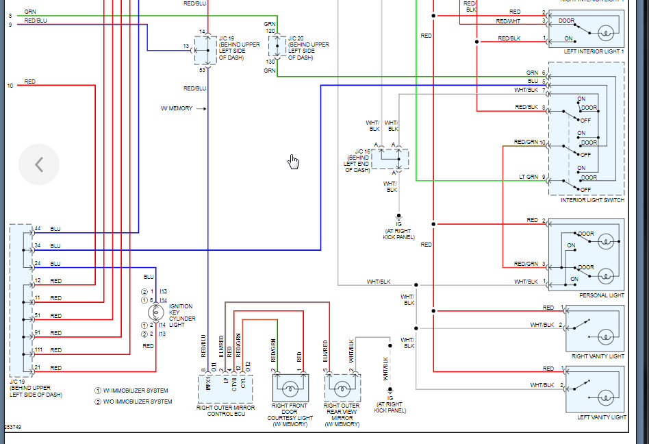
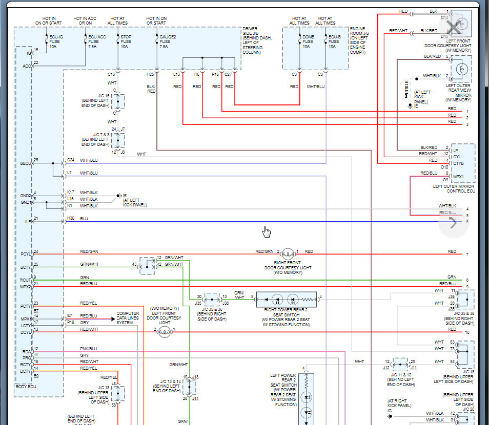
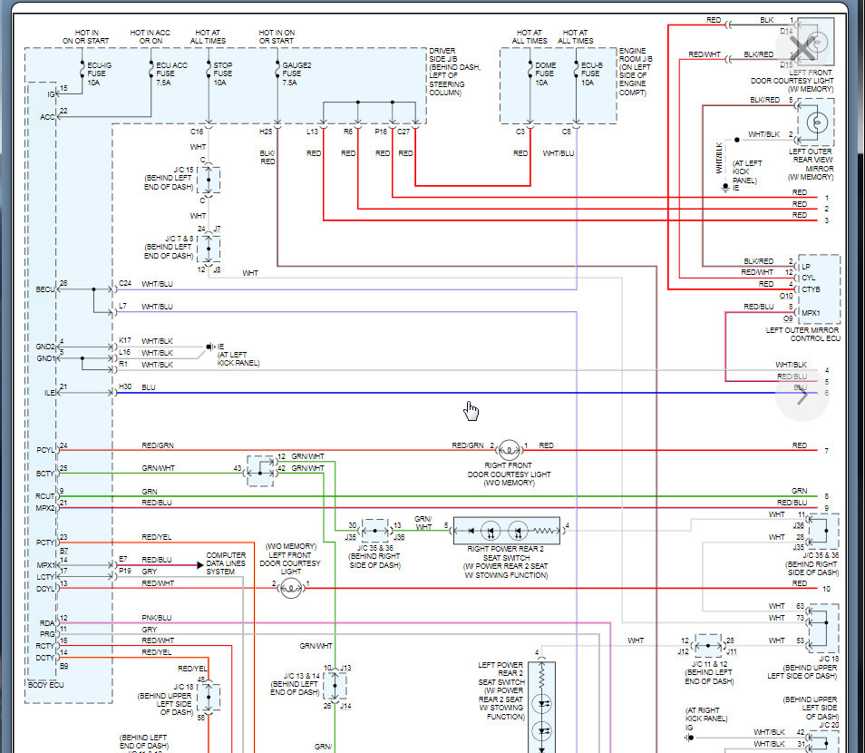
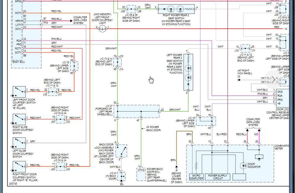
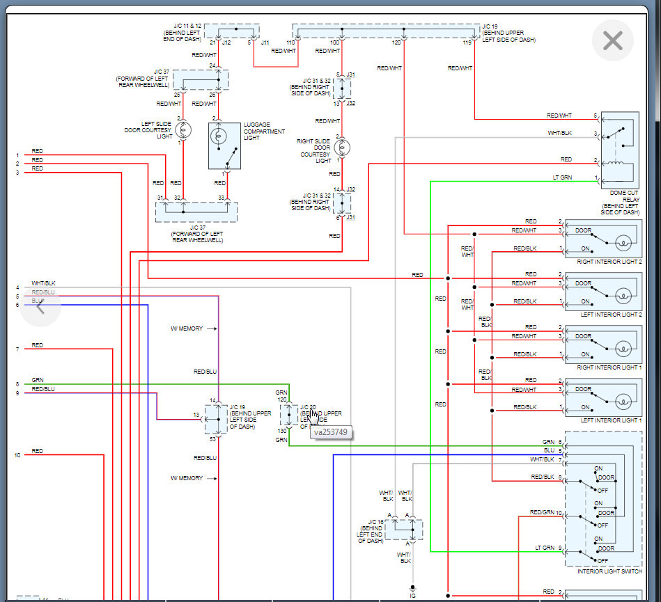
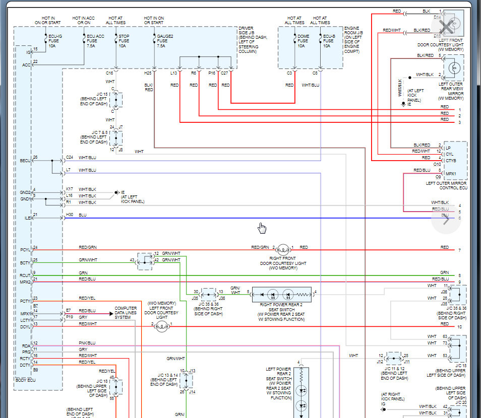
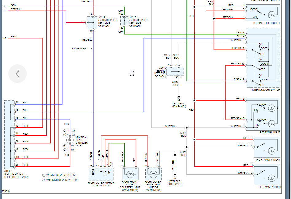
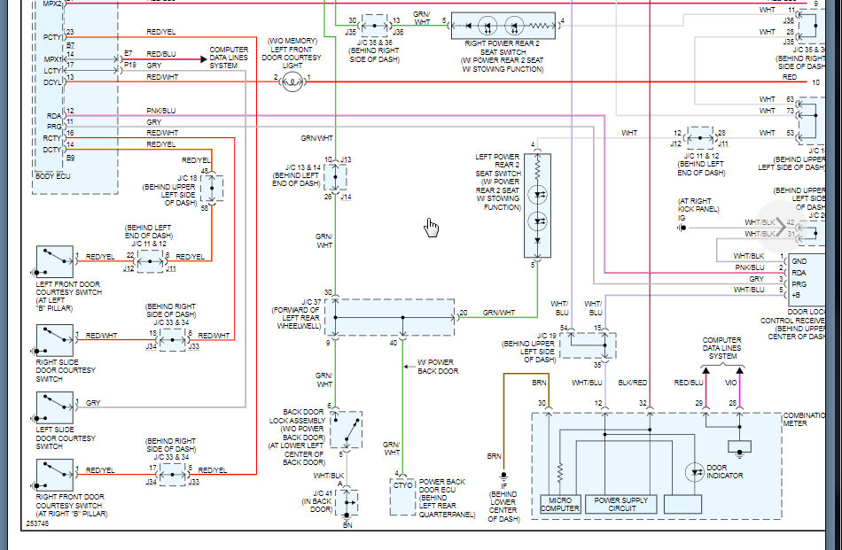
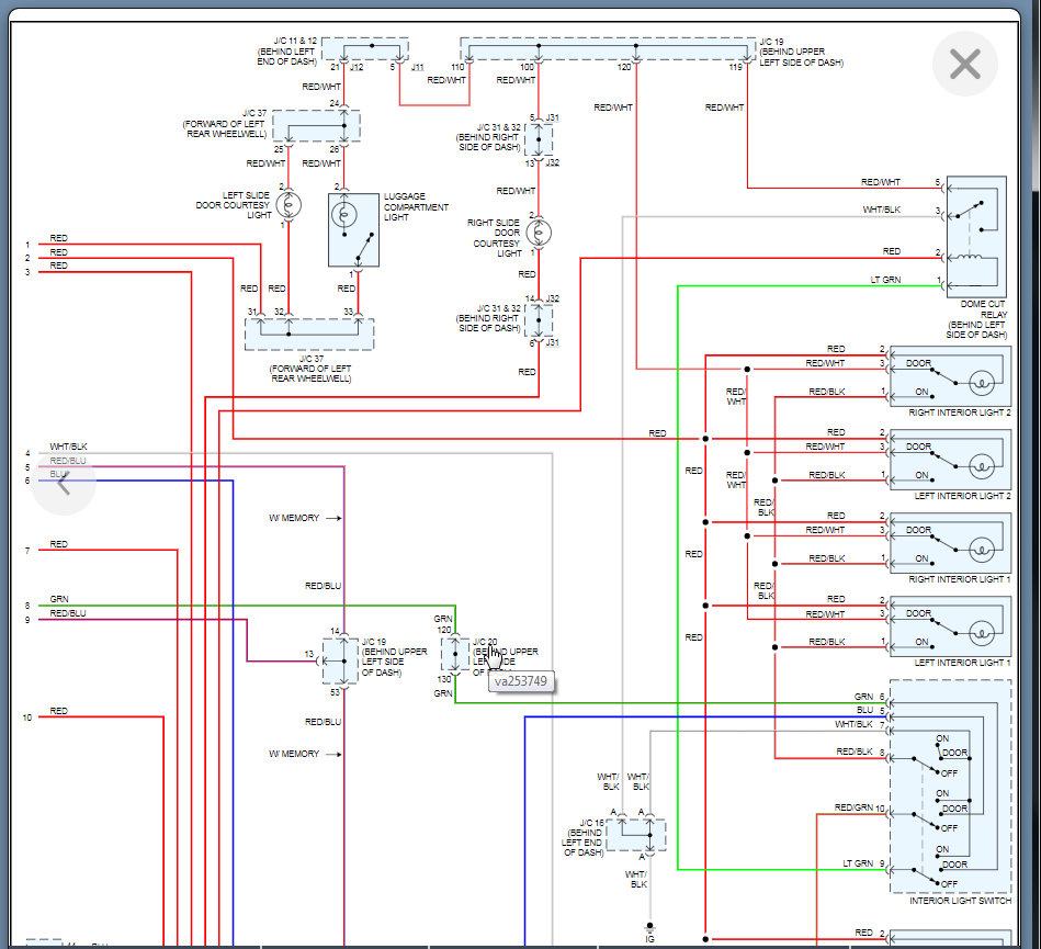
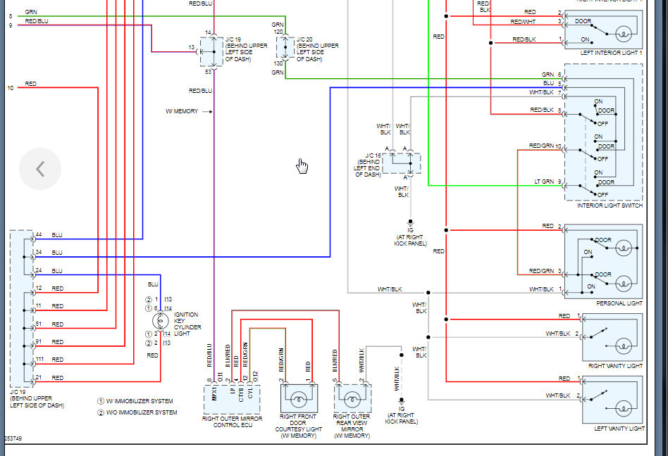
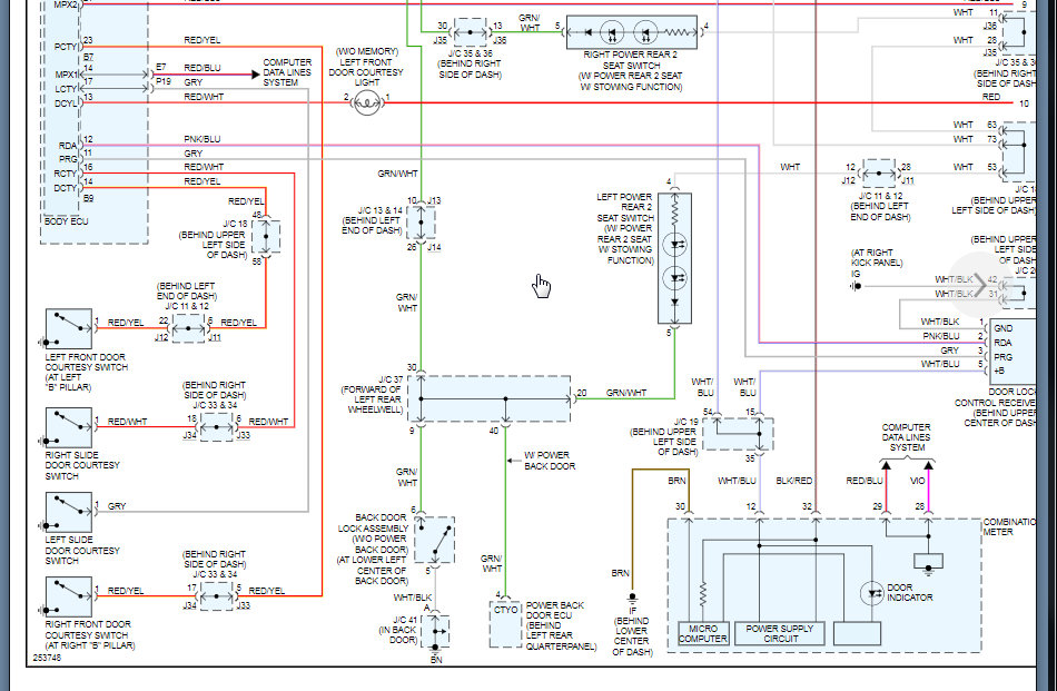
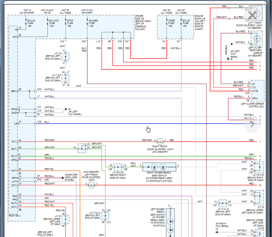
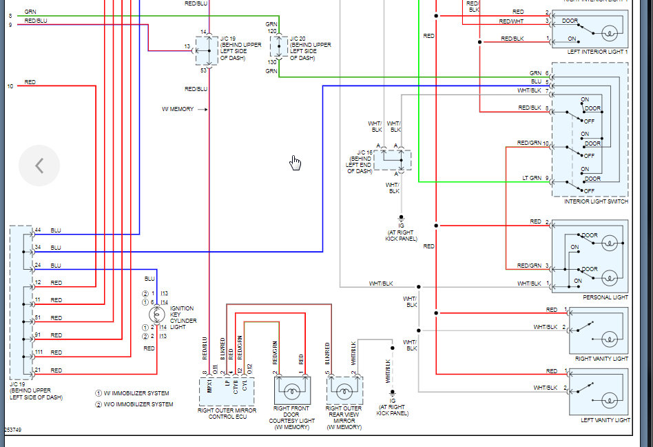
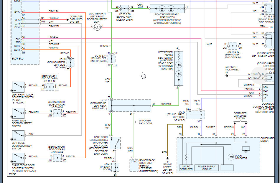
We need to start with one of the lights that is not working and trace the power back to see where we have power and when we find it, we know what the issue is. I suspect due to all the lights being off, the body control unit is the issue.

I attached the info needed to do this.

Plus here is a guide that will help explain how to do this testing:

https://www.2carpros.com/articles/how-to-check-wiring

Let us know what questions you have and we can go from there.
Was this
answer
helpful?
Yes
No
Saturday, November 28th, 2020 AT 8:48 AM

Please login or register to post a reply.