Interior fuse box diagram needed

Tiny
ASHTONL.
  • MEMBER
  • 2009 VOLKSWAGEN JETTA
  • 2.0L
  • 4 CYL
  • TURBO
  • 2WD
  • AUTOMATIC
  • 256,786 MILES
The car listed above is a TDI and I do not have the owner's manual. I don't know what my fuses go to, but one keeps blowing and I would like to solve the issue. Everywhere I have looked doesn’t have the same answers. What is the correct diagram that goes with my car?
Wednesday, June 29th, 2022 AT 8:11 PM

7 Replies

Tiny
STEVE W.
  • MECHANIC
  • 15,698 POSTS
Take a couple pictures of the fuse boxes in it and post them on here. The service information shows about 10 different fuse box layouts depending on the build date, build location and options. As for the owner's manual, if you go to the VW site you should be able to download one.
Was this
answer
helpful?
Yes
No
Thursday, June 30th, 2022 AT 3:07 AM
Tiny
ASHTONL.
  • MEMBER
  • 5 POSTS
Here is the interior and exterior.
Was this
answer
helpful?
Yes
No
Saturday, July 2nd, 2022 AT 3:43 PM
Tiny
STEVE W.
  • MECHANIC
  • 15,698 POSTS
Okay, these are the fuses shown and the various items they power, for those two boxes. What fuse keeps blowing?
Was this
answer
helpful?
Yes
No
Saturday, July 2nd, 2022 AT 10:35 PM
Tiny
ASHTONL.
  • MEMBER
  • 5 POSTS
Fuse #4, I tested the amperage and it was too much for my multimeter so I wanted to look at the components of the fuse and see where the issue might be. Thank you for the diagrams.
Was this
answer
helpful?
Yes
No
Saturday, July 2nd, 2022 AT 11:44 PM
Tiny
STEVE W.
  • MECHANIC
  • 15,698 POSTS
Which 4? The 5 amp in box C or the one in box B that powers the ABS? I can see what the wiring diagrams show.
Was this
answer
helpful?
Yes
No
Sunday, July 3rd, 2022 AT 3:37 AM
Tiny
ASHTONL.
  • MEMBER
  • 5 POSTS
Oh sorry, the 5 amp in box c.
Was this
answer
helpful?
Yes
No
Sunday, July 3rd, 2022 AT 10:19 AM
Tiny
STEVE W.
  • MECHANIC
  • 15,698 POSTS
You can see from the first image that fuse powers a few items and it sounds like you have a short in one of them. You say it keeps blowing? Does it blow as soon as you replace it, or does it take a while and then it fails?
Do you notice any trend of failure? For instance, moving the driver's side sun visor? Or only if someone sits in the passenger seat? How about if you push the Stability off button? Or if you shift into reverse?

There are a couple items on the diagram that are actually options or duplicates. The garage door opener is in the visor and is an option. The backup lamp switch is only used for manual transmissions, however both feed wires may exist in the harness. Climatronic and A/C control module are both for the A/C, but one is for the automatic system and the other for the manual controls. Those go with the high-pressure sensor for the A/C.

Normally I would start hunting by looking for a way to split the system to isolate the fault to one end of the harness then go to the components on that branch, but the way VW does their wiring somewhat negates that process because many of these items only have connections at the actual part or hard splices in the harness instead of connectors that unplug.

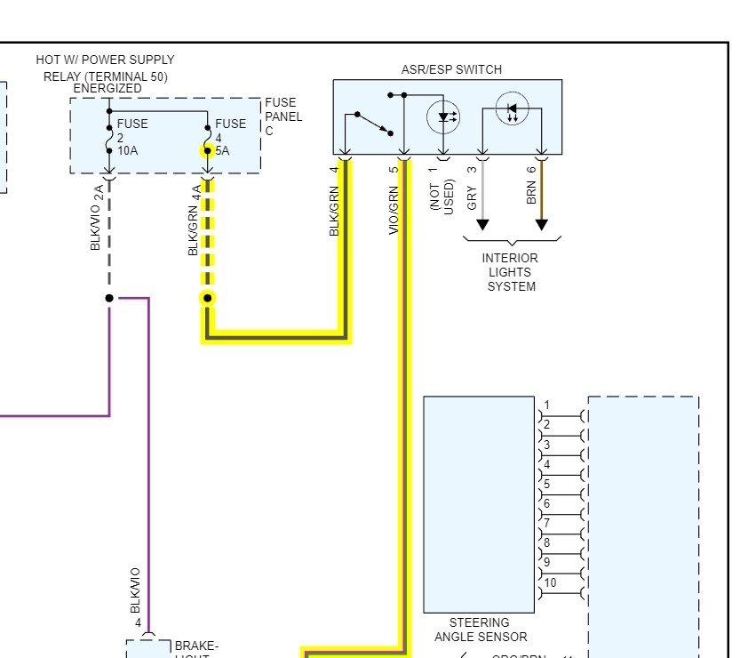
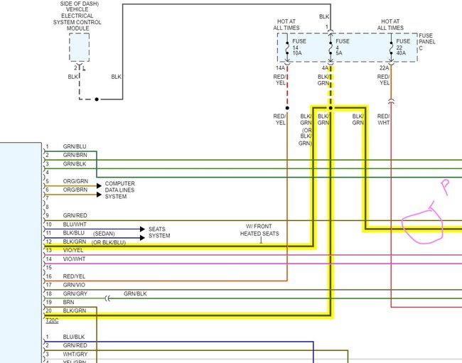
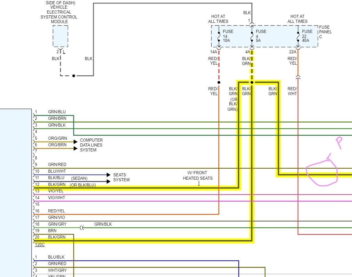
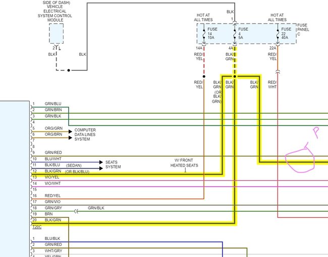
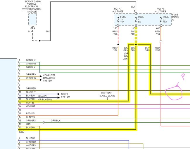
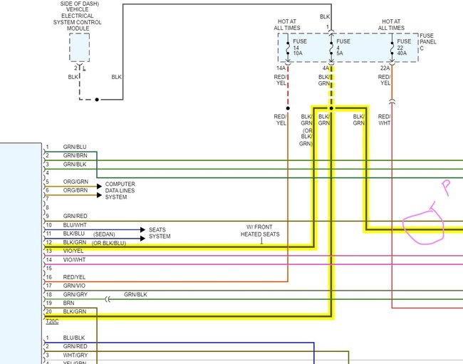
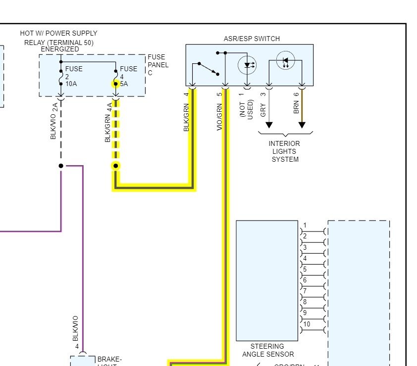
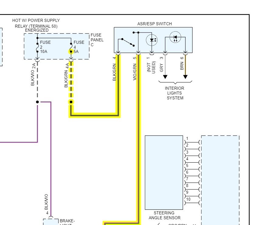
I'll post the diagrams for the various items and try to isolate the effected power feed (black wire with green stripe SW-gn in the diagrams) in them with yellow. and I'll add the connector or item tags where possible for OE diagrams. It might get messy at times as they use odd terms. I would suggest getting the alldata DIY subscription for your car at least for the month https://www.alldata.com/diy-us/en
That allows you to look up these same diagrams for easier viewing. They also allow printing of the diagrams, which includes printing to pdf files that you could save on your computer or tablet for later use if you needed service information after the month was up.

Image 2 garage door control
G65 - High Pressure Sensor in AC
J530 - Garage Door Opener Control Module
SC4 - Fuse 4 that keeps blowing
T3c - 3-Pin Connector
T8d - 8-Pin Connector
(A20) - Plus Connection (15a) Multiple splices in the harness behind the instrument panel.

image 3 heated washer nozzles These use a 2-pin connector at each nozzle.
Image 4 back-up light switch, only used on stick shifts but wire to it may still be present.
image 5 seat occupancy sensor module, tucked under passenger seat.
image 6 high pressure sensor in A/C line used on both manual and automatic systems
image 7 manual ac controls line out the bottom to high pressure sensor
image 8 automatic ac controls power to right is too high pressure sensor if you have heated seats the second line to the control head turns them on and off but doesn't power them.
none for Air quality sensor - used with automatic A/C if it has the pollution control interior systems but not on the diesels unless specially ordered.
image 9 ESP traction switch Does the fuse blow when pushed? if not likely not the issue.

You mentioned the load was more than your meter could manage, is that a 10-amp rated meter? Is that load there as soon as you turn on the key?
Was this
answer
helpful?
Yes
No
Monday, July 4th, 2022 AT 5:35 AM

Please login or register to post a reply.