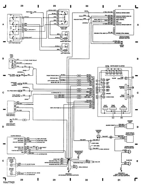
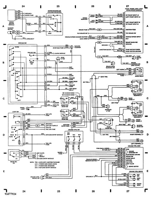
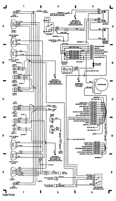
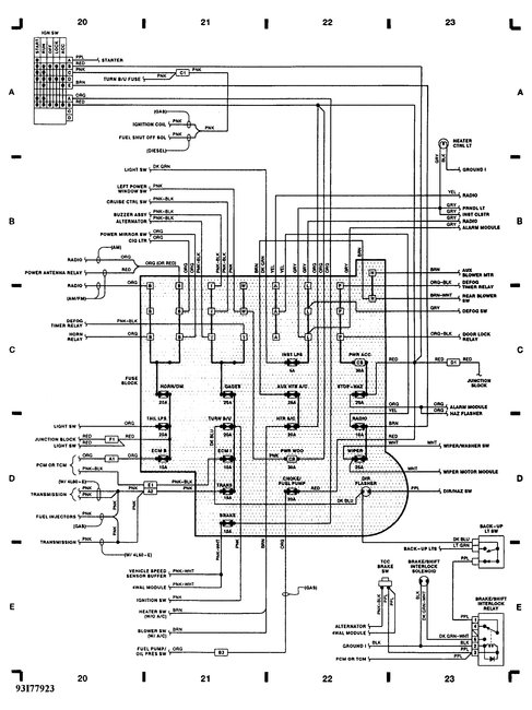
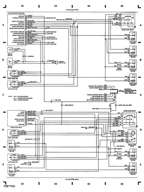
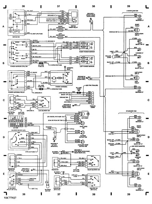
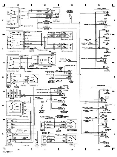
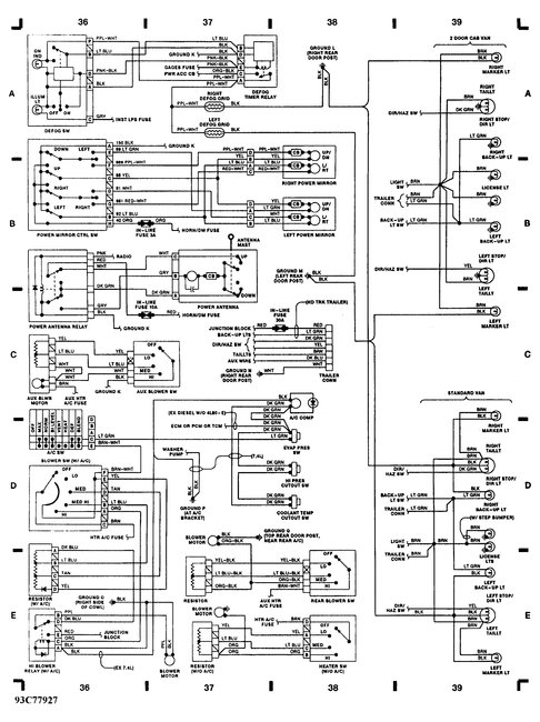
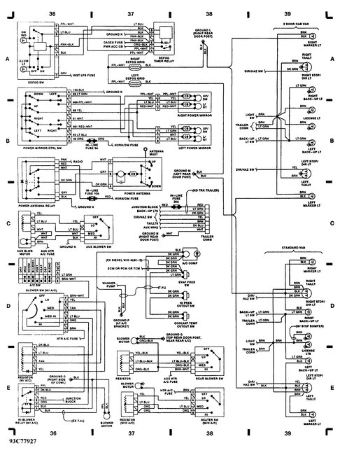
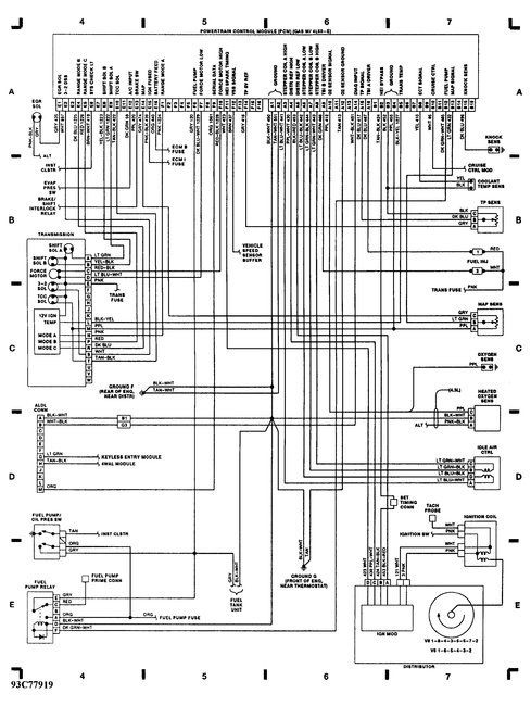
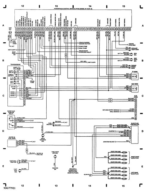
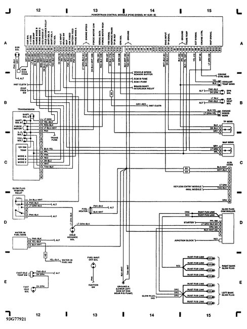
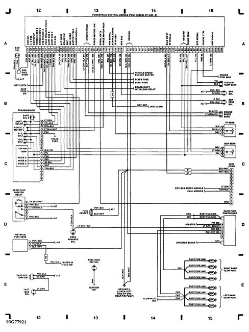
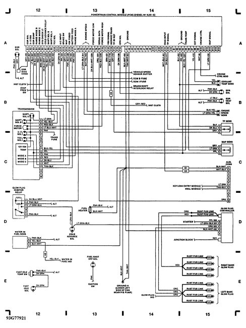
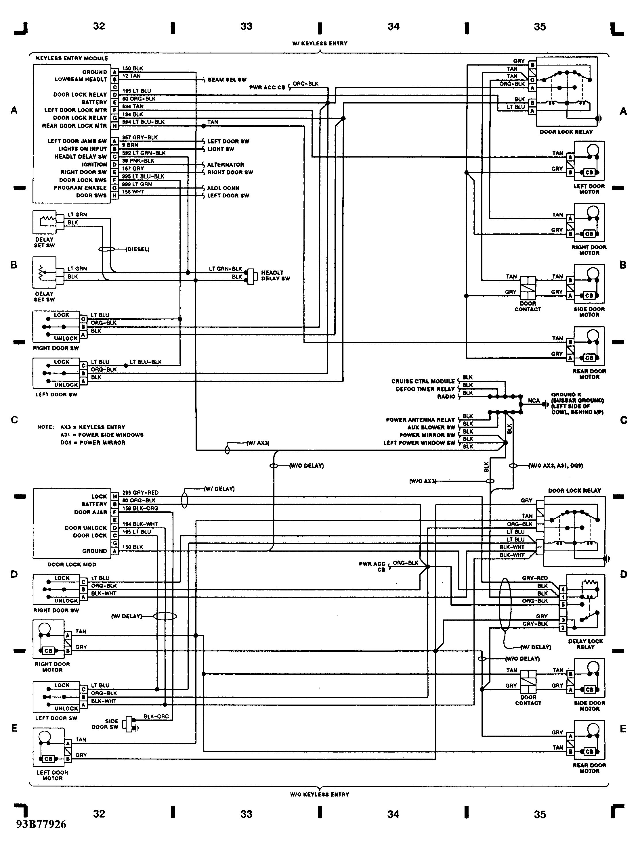
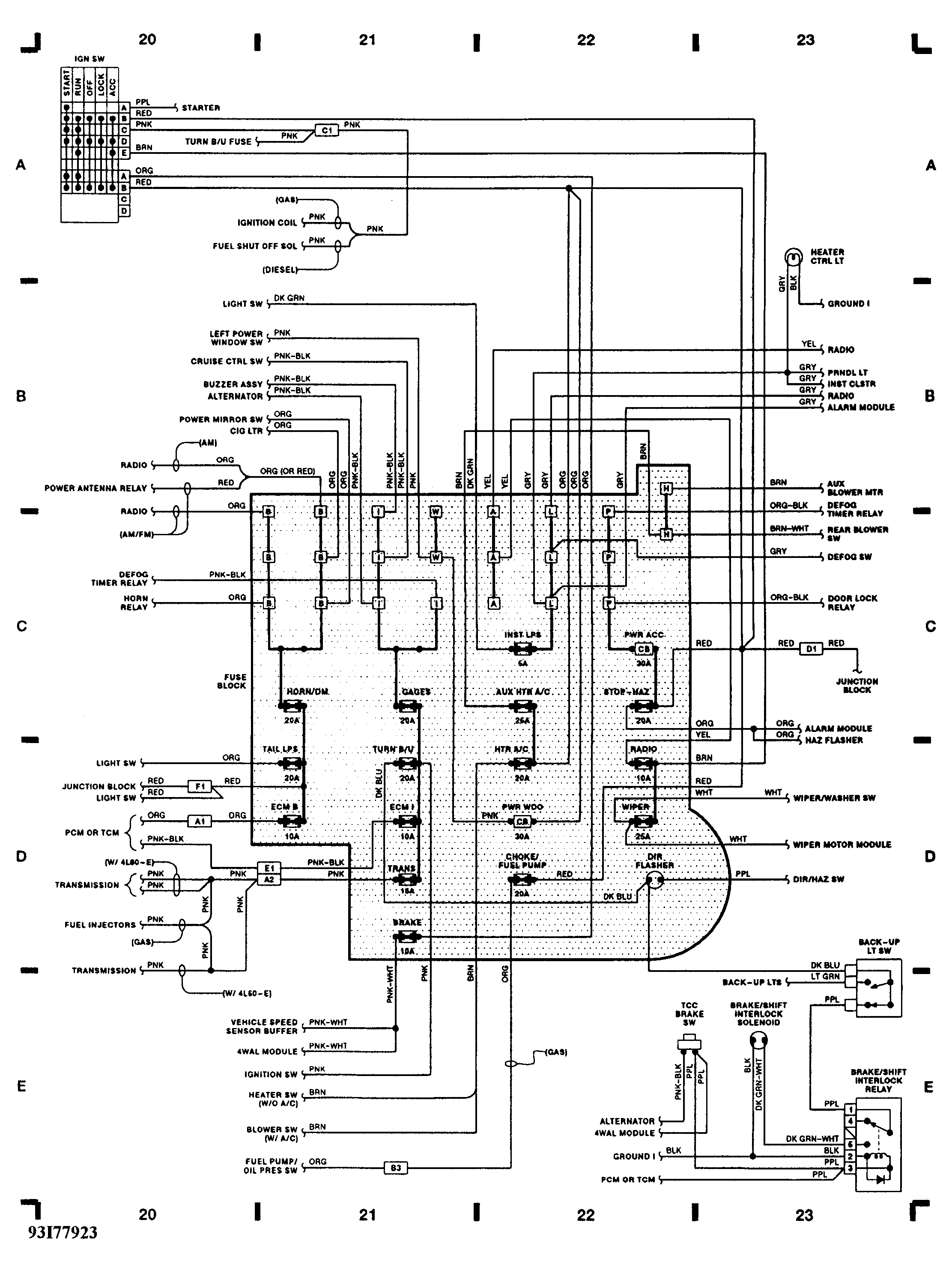
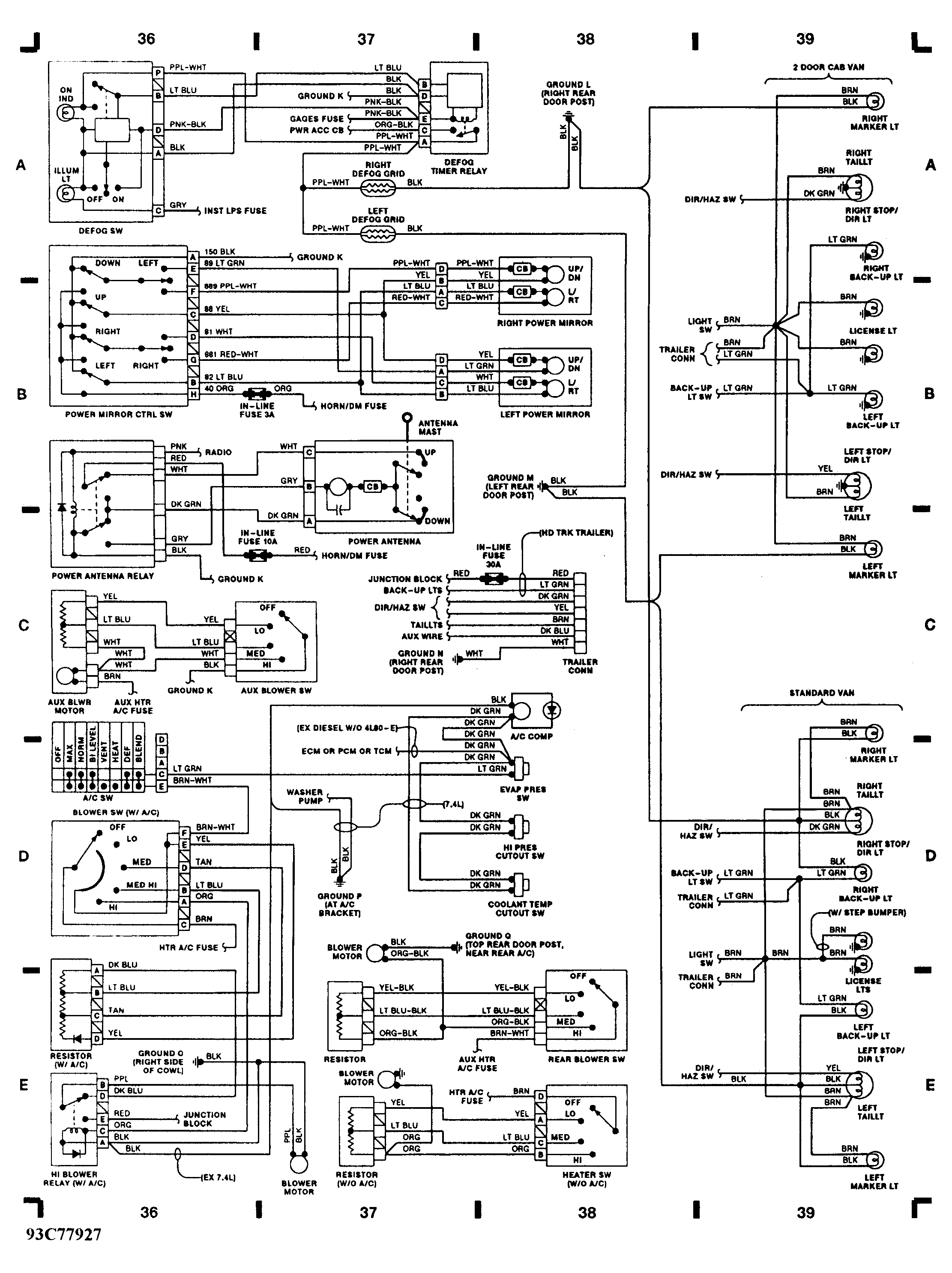
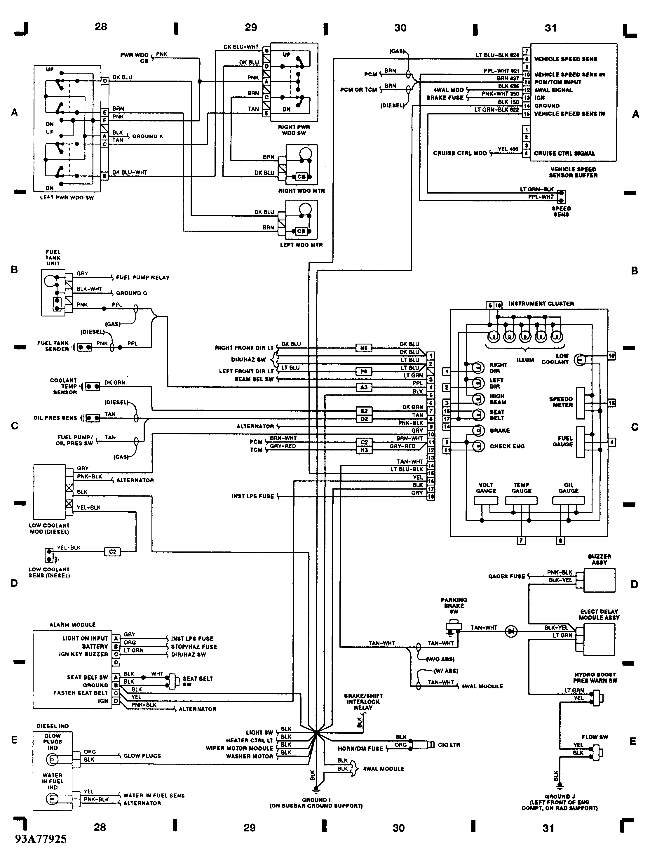
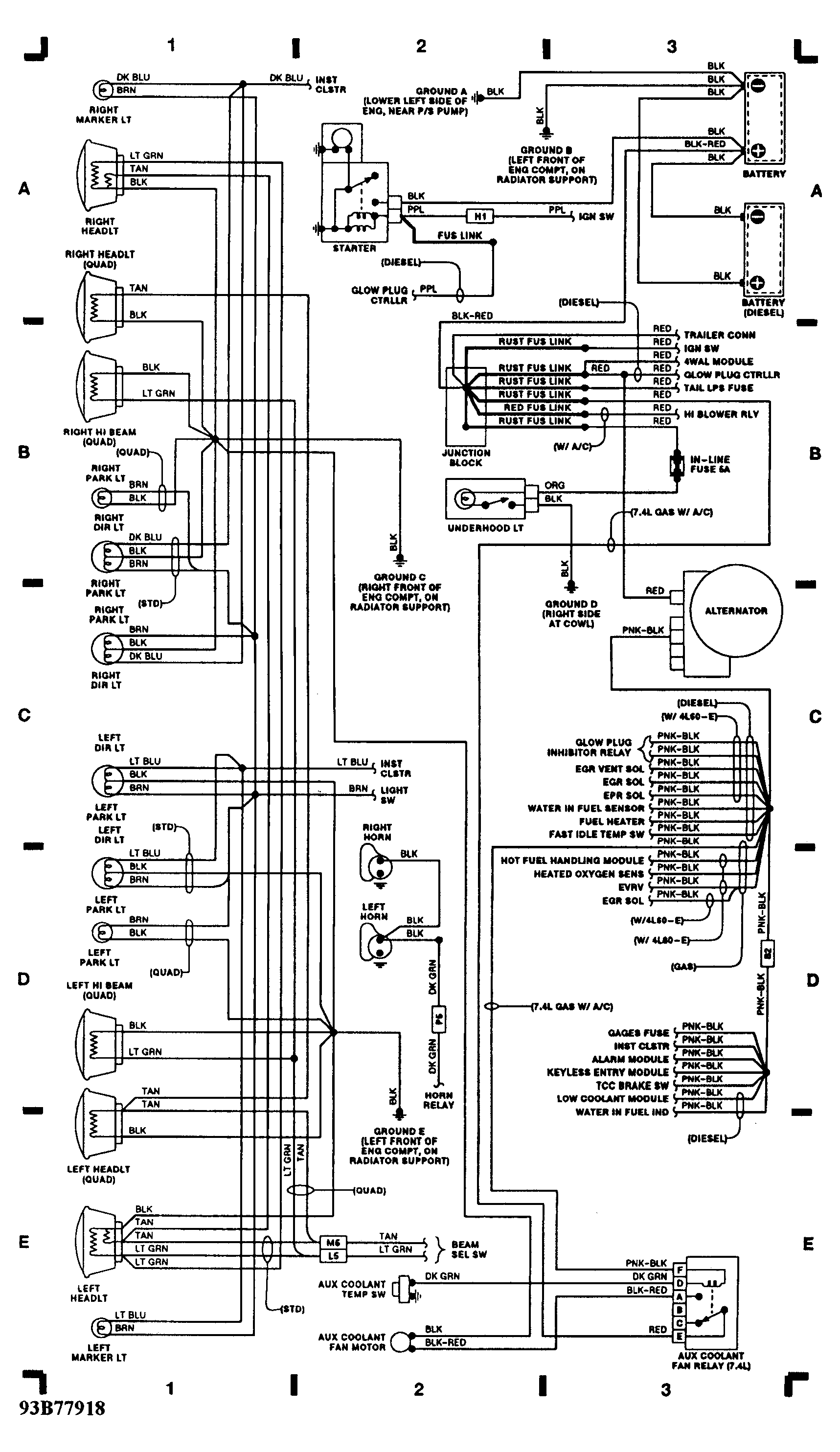
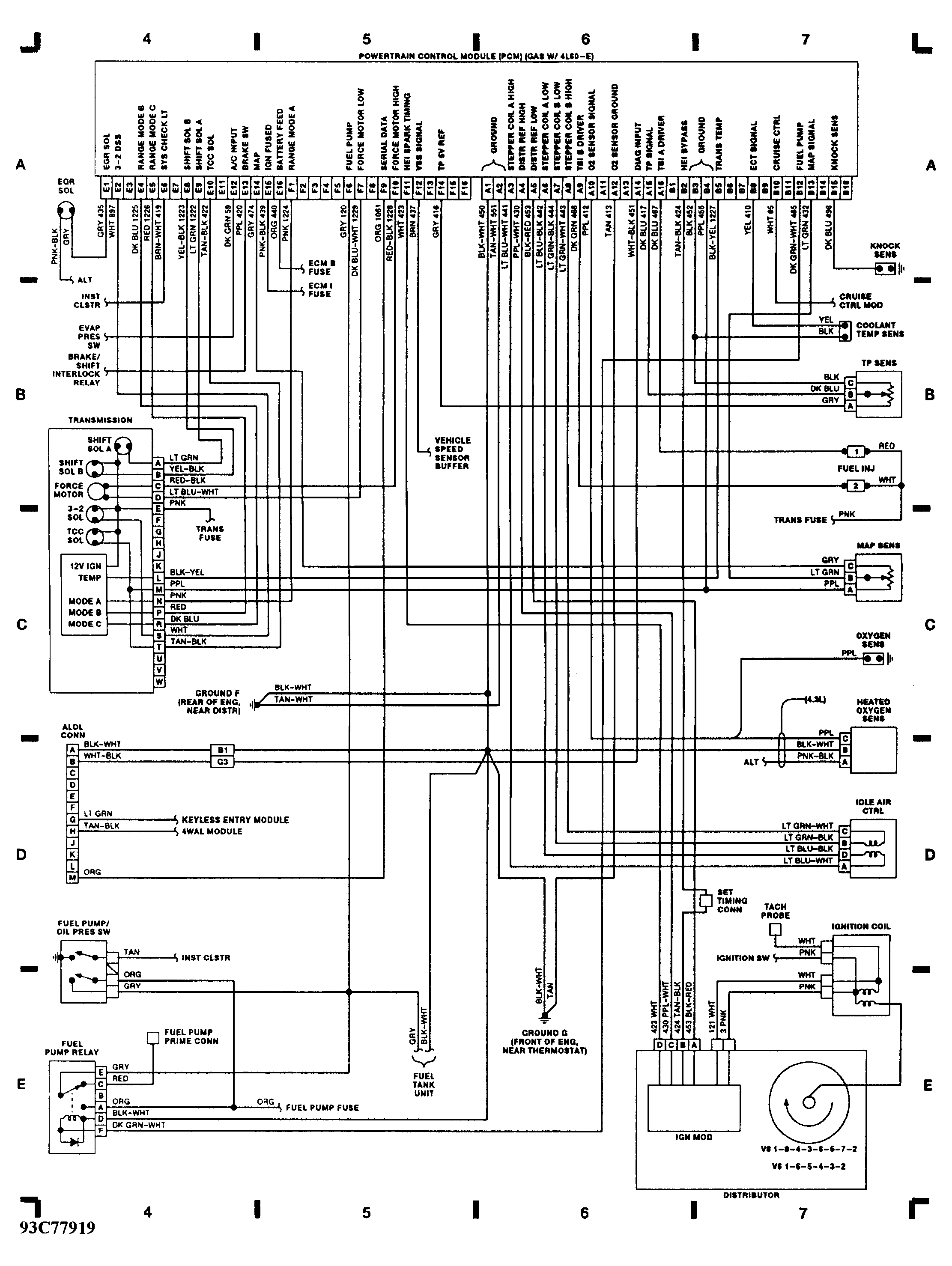
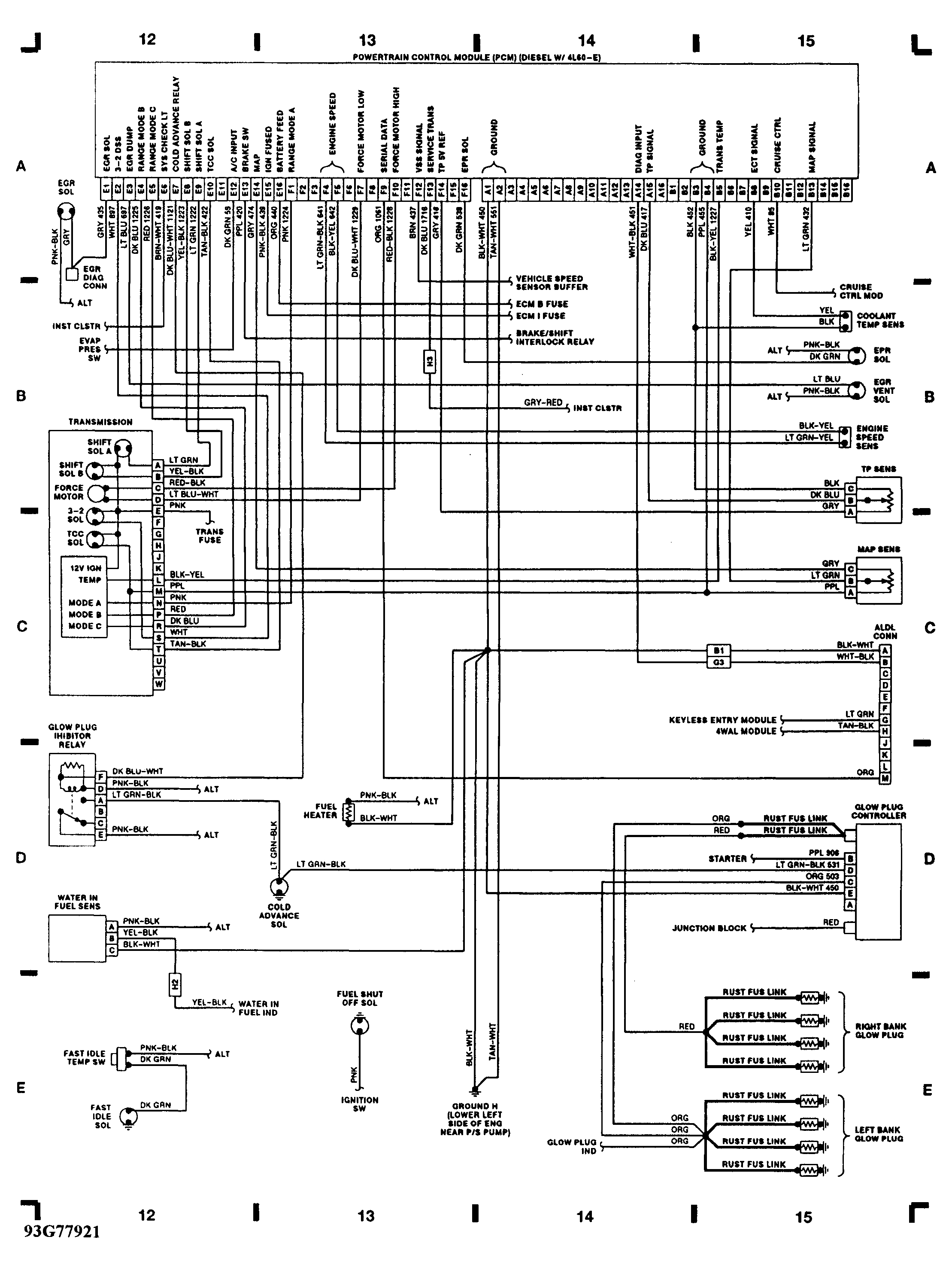
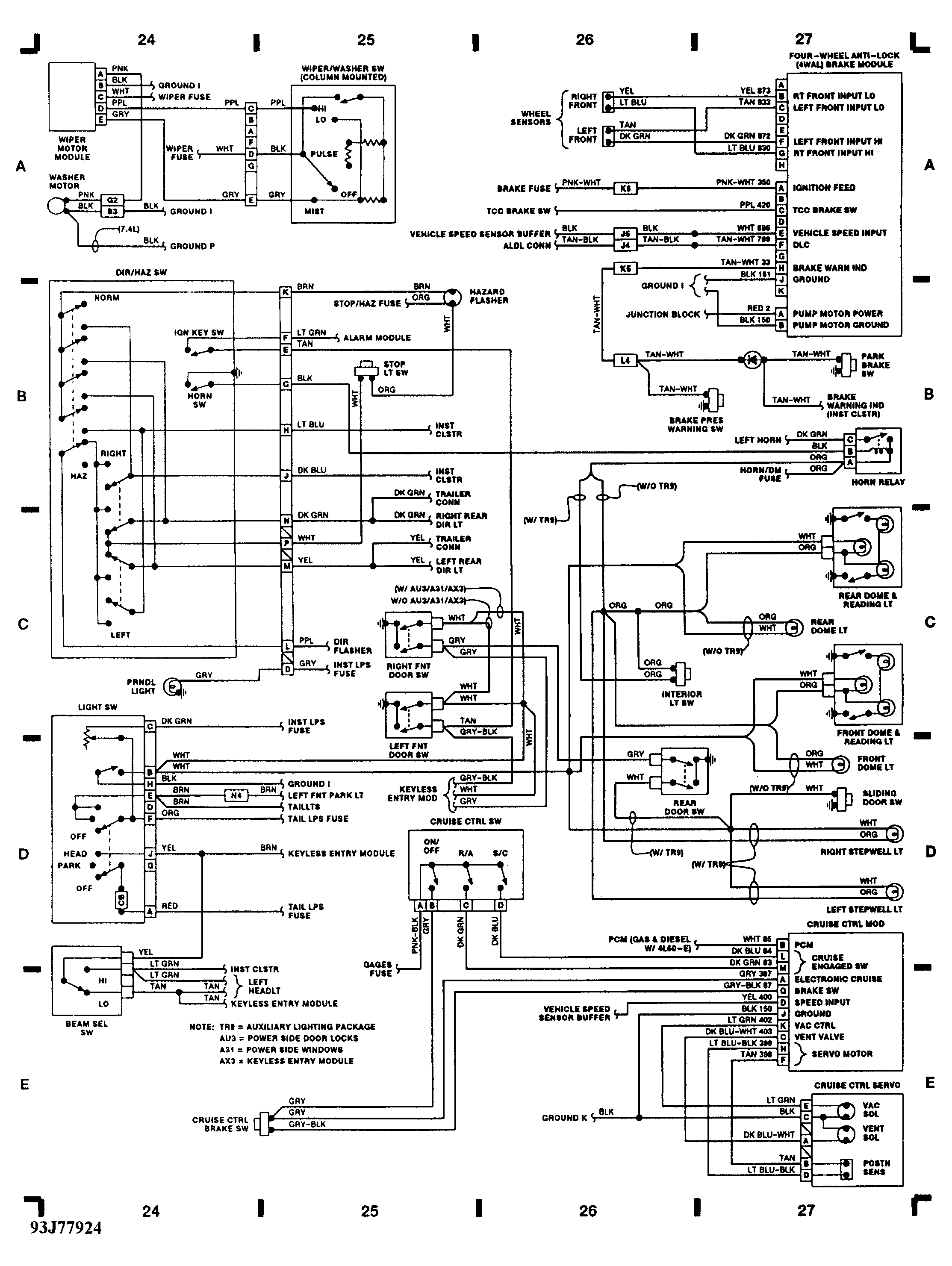
This is an older couples vehicle, they have no manual or schematics.
Looking for idea on where to start and schematics to help track down the common issue (fuse, relay etc) and its location as this is a high top Vandura conversion van and may have a third fuse box.
Any help in regards to where to first start and schematic would be greatly appreciated.
Tuesday, December 5th, 2017 AT 5:16 AM









