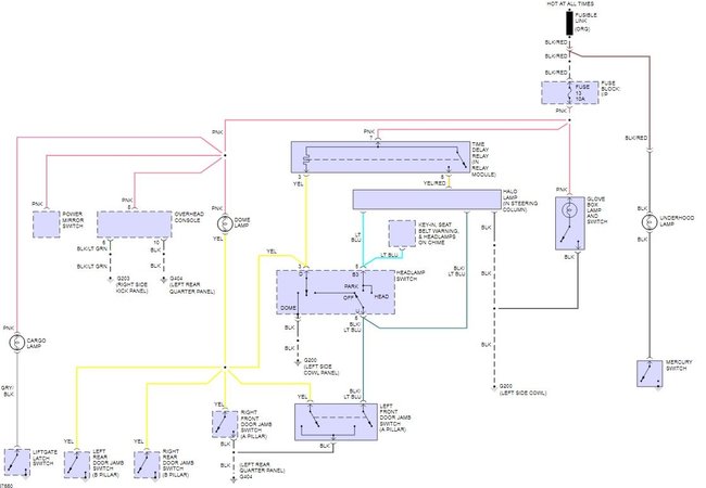
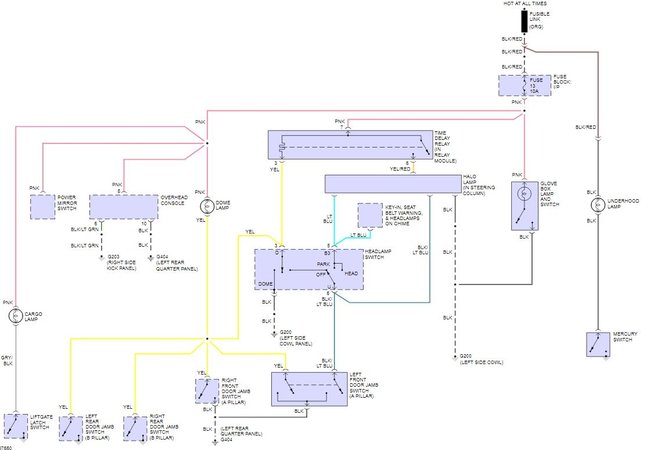
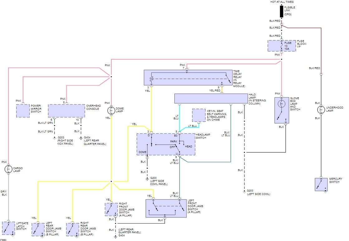
1. I have changed the bulb twice to be sure.
2. I have changed the drivers door switch.
3. The buzzer functions when the door opens.
4. The headlight dimmer switch will not turn on the dome light manually.
5. The fuse is good.
What can I try next?
Thank you!
Friday, December 21st, 2018 AT 7:56 PM


