Sunday, August 23rd, 2020 AT 3:56 PM
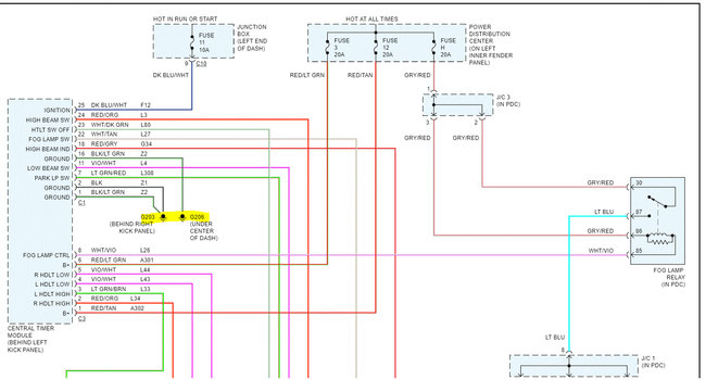
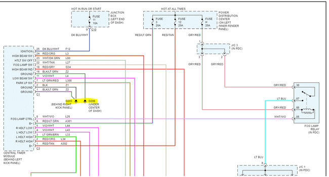
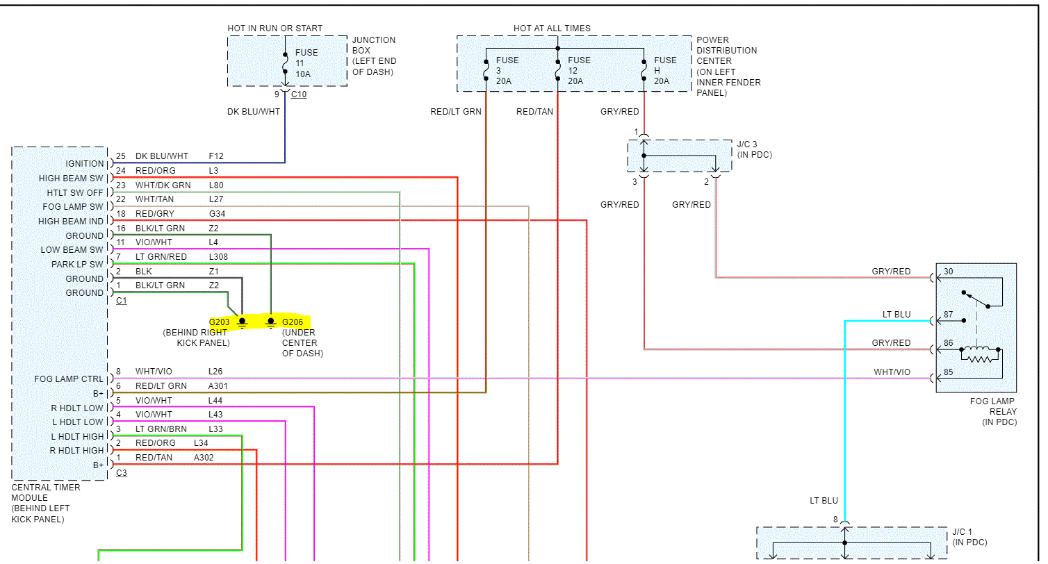
I have no interior lights, no cruise control, no intermittent wipers but have low speed and high speed wipers, no low or high beams headlights. No rear wiper at all no check engine light. I have new headlights checked and replaced all fuses and relays to do with lights wipers. Replaced headlight switch. Everything worked one day and the next day it didn't, nothing gave indication of any problems. Worked great then stopped working.




