Headlight on at night the dashboard light turns off?

Tiny
CTORRES
  • MEMBER
  • 2010 TOYOTA COROLLA
  • 1.8L
  • 4 CYL
  • 2WD
  • AUTOMATIC
  • 175,000 MILES
Hello, I have the car listed above S. When I turn the headlight on at night the dashboard light turns off but when I turn off the headlights the dashboard is on.
Help me please.
Thursday, October 13th, 2022 AT 1:56 AM

1 Reply

Tiny
KEN L
  • MASTER CERTIFIED MECHANIC
  • 55,335 POSTS
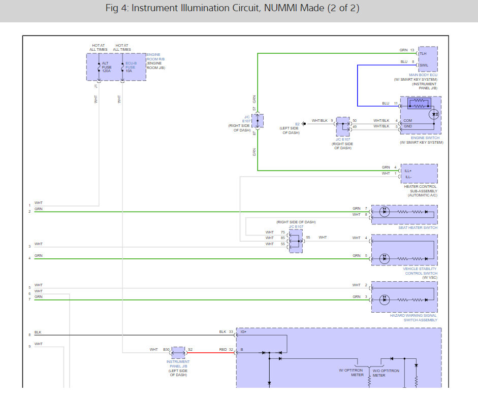
In the fuse panel on the left side of the dash we need to check the Panel and Meter fuse both are 7.5 amp. here is a guide to help and the fuse locations as well in the images below, I have also included the dash illumination wiring diagrams so you can see how the system works.

https://www.2carpros.com/articles/how-to-check-a-car-fuse

Check out the images (below). Please let us know what you find. We are interested to see what it is.
Was this
answer
helpful?
Yes
No
+1
Thursday, October 13th, 2022 AT 11:38 AM

Please login or register to post a reply.