Intake manifold check valve routing

Tiny
JERDOG63
  • MEMBER
  • 2002 MAZDA 626
  • 2.5L
  • 6 CYL
  • 2WD
  • AUTOMATIC
  • 165,000 MILES
I don't think my previous text got posted, but I will try again.I changed intake gasket and can't find out where this (check valve hose run). It's brittle and I will change the hose but where does or what does the hose run to?
Monday, August 10th, 2020 AT 11:48 AM

6 Replies

Tiny
ASEMASTER6371
  • MECHANIC
  • 52,796 POSTS
Hello again,

Thanks for starting the new question.

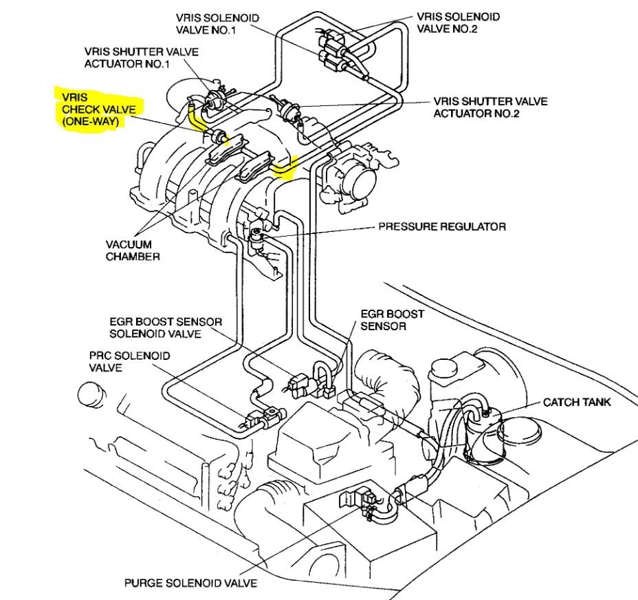
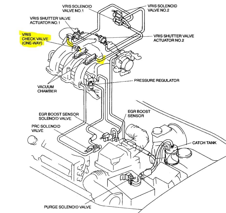
I attached pictures for you. Looks like it goes to the intake.

Let me know if that is the piece or not.

Roy
Was this
answer
helpful?
Yes
No
+1
Monday, August 10th, 2020 AT 12:01 PM
Tiny
STEVE W.
  • MECHANIC
  • 15,679 POSTS
That looks like a vacuum check valve for the variable intake runner system. It connects to a vacuum port on the intake and the other end goes to the vacuum chamber. Orientation is to allow vacuum to the chamber from the intake side and keep it at a higher level regardless of throttle activity. Similar to the valves they use for heater controls and power brakes. They usually include a tag telling you the inlet and outlet side with the inlet side going to the intake.
Was this
answer
helpful?
Yes
No
+1
Monday, August 10th, 2020 AT 12:16 PM
Tiny
JERDOG63
  • MEMBER
  • 33 POSTS
Thanks a lot Steve, but how do I locate the vacuum chamber?I know it runs from this valve to a vacuum source (vacuum chamber)but where is the vacuum chamber? I do see your diagram description, but how can I recognize the vacuum chamber?
Was this
answer
helpful?
Yes
No
Monday, August 10th, 2020 AT 12:40 PM
Tiny
JERDOG63
  • MEMBER
  • 33 POSTS
I found where it goes, thanks to your diagram. But do you know what this part is called where it broke off from? (See pic)
Was this
answer
helpful?
Yes
No
Monday, August 10th, 2020 AT 1:50 PM
Tiny
JERDOG63
  • MEMBER
  • 33 POSTS
I really want to thank you Steve! My problem is solved as I just simply followed your diagram and located the vacuum chamber.I used gorilla glue to piece the plastic hose back together and ran it to the intake manifold vacuum port.I am not sure if we are allowed to tip you guys, as I inquired before to Roy, who also helped me out a lot, but if it's allowed please let me know.I obviously don't have a tremendous amount of resource right now but I can contribute. Jerdog 63 really appreciate your professional help!
Was this
answer
helpful?
Yes
No
Monday, August 10th, 2020 AT 5:36 PM
Tiny
STEVE W.
  • MECHANIC
  • 15,679 POSTS
You are welcome.
Was this
answer
helpful?
Yes
No
+2
Monday, August 10th, 2020 AT 9:03 PM

Please login or register to post a reply.