insturment cluster issue

2001 HONDA CIVIC
200,000 MILES • 1.9L • 4 CYL • 2WD • AUTOMATIC
Avatar
CHAD MORRIS2
  • MEMBER
  • 1 POST
The instrument cluster wont light up at all and car will only go into gear when you unengaged shift lock.
Jun 17, 2019 at 8:02 AM
Repair Safety Notice: This information is for general instructional purposes only. Vehicle repair can be dangerous. Verify all information, follow manufacturer service procedures, use proper tools and safety equipment, and consult a qualified repair shop when needed.
Advertisement
Avatar
STRAILER
  • CAR REPAIR CONTRIBUTOR
  • 54,189 POSTS
Hello,

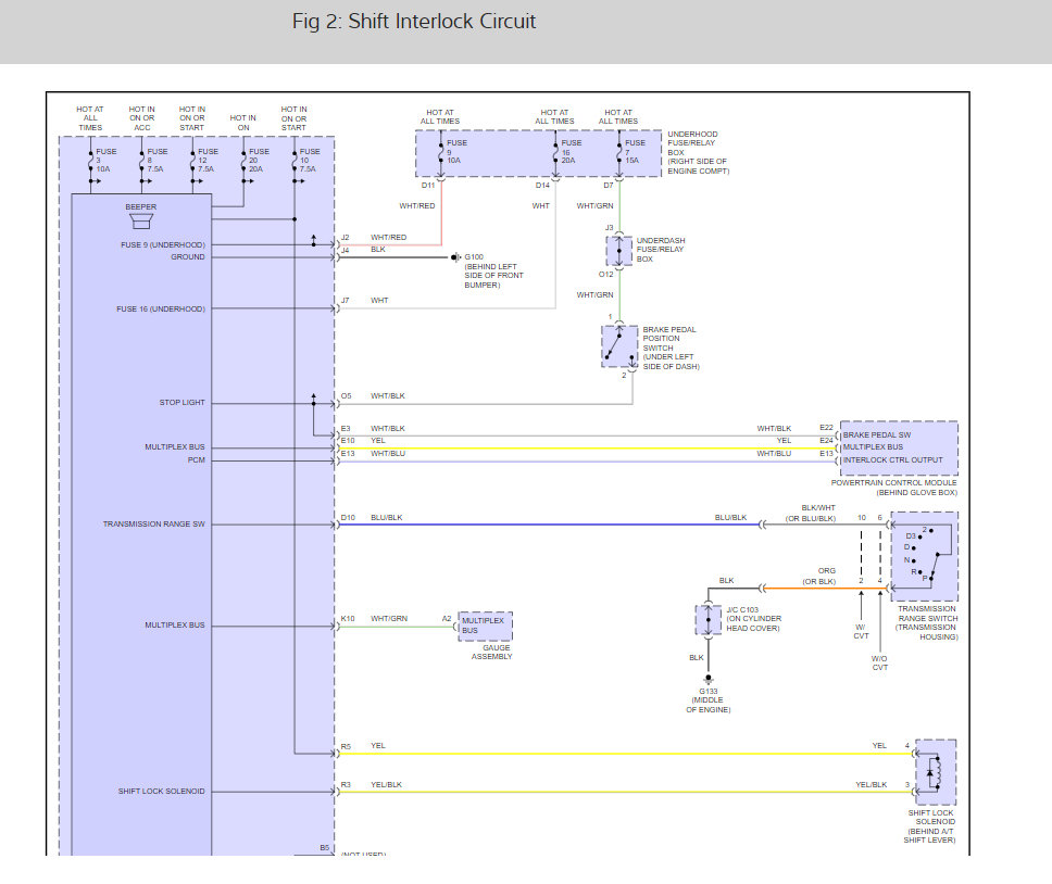
It sounds like the multiplex control is out. I would start by checking the 6 fuses that run the multiplex controller. Here is a guide to help and the fuse location with the wiring diagrams so you can see which fuses to check:

https://www.2carpros.com/articles/how-to-check-a-car-fuse

Check out the diagrams (below). Please let us know what you find. We are interested to see what it is.
Apr 7, 2021 at 1:19 PM
Advertisement