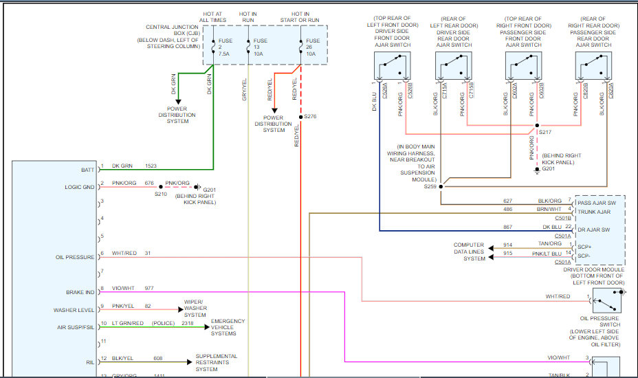
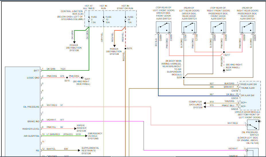
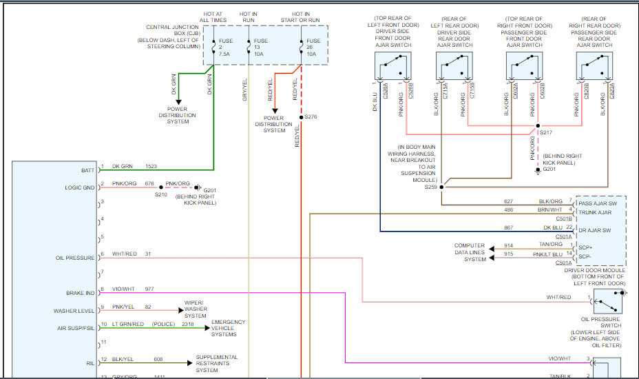
My cluster turns off and on at random. nothing works not even the diming lights turn on. none of my gauges work, but at random times it turns on. I changed my cluster but did the same thing, then I check the wiring harness that connected to the cluster and check it with the circuit tester some were good, notices one was flickering when I moved the harness.
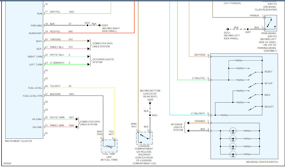
Point is, I have no idea where to follow it and where it's connect to or even where to buy the whole harness itself.
Point is, I have no idea where to follow it and where it's connect to or even where to buy the whole harness itself.
Dec 6, 2020 at 4:00 PM


