Instrument panel lights not working

Tiny
CORY2427
  • MEMBER
  • 2012 TOYOTA YARIS
  • 1.5L
  • 4 CYL
  • 2WD
  • AUTOMATIC
  • 145,512 MILES
Replaced turn signal switch. Everything works still all but cluster lights cannot get them to work even checked fuses none are blown. What could be wrong?
Tuesday, October 12th, 2021 AT 4:08 PM

6 Replies

Tiny
JACOBANDNICKOLAS
  • MECHANIC
  • 110,192 POSTS
Hi,

I would be happy to help you figure this out, but I need to know if it is a sedan or hatchback. I started into the wiring schematics and the two are different for the same model vehicle. LOL

Let me know.

Joe
Was this
answer
helpful?
Yes
No
Tuesday, October 12th, 2021 AT 7:24 PM
Tiny
CORY2427
  • MEMBER
  • 293 POSTS
It is a regular Yaris. Could it be dimmer control switch where you brighten the cluster light?
Was this
answer
helpful?
Yes
No
Wednesday, October 13th, 2021 AT 8:32 AM
Tiny
JACOBANDNICKOLAS
  • MECHANIC
  • 110,192 POSTS
Hi,

Yes, it could be the dimmer switch. However, first let's check to see if the fuses are good, specifically the gauge fuse.

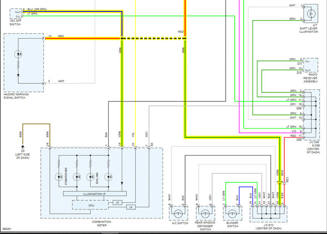
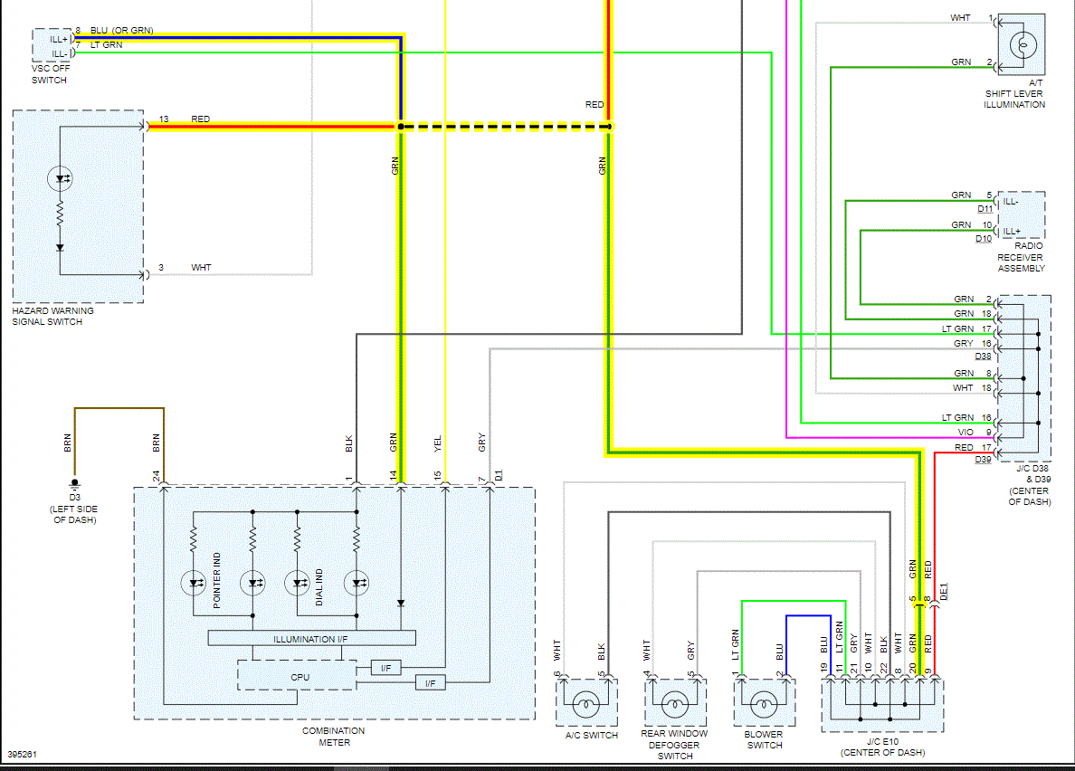
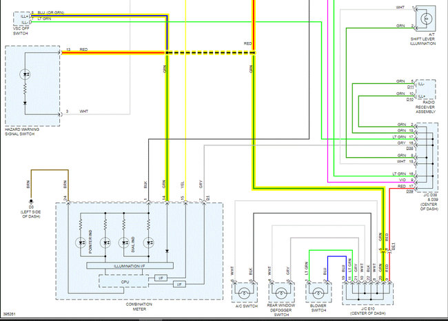
If you look below, I attached the wiring schematic for the instrument panel lighting. I highlighted two fuses. I need you to check both. They are in the interior fuse box. Normally, I have a pic of the fuse box and fuse location. For some reason, this one isn't in the vehicle.

When checking the fuses, first confirm the fuse hasn't failed. If it is good, confirm there is power to and from it. Here is a link you may find helpful:

https://www.2carpros.com/articles/how-to-check-a-car-fuse

If that checks good, then I need you to next go to the dimmer switch and check for power at the light blue wire.

Let me know what you find or if you have other questions.

Take care,

Joe

See pics below. Note: I had to cut the schematic in half to make it readable for you. I did overlap them so you can follow from one to the next.
Was this
answer
helpful?
Yes
No
Wednesday, October 13th, 2021 AT 6:15 PM
Tiny
CORY2427
  • MEMBER
  • 293 POSTS
Fuses are good. I checked them after I replaced turn signal switch.
Was this
answer
helpful?
Yes
No
Wednesday, October 13th, 2021 AT 7:23 PM
Tiny
CORY2427
  • MEMBER
  • 293 POSTS
What do I put voltmeter on to check the blue wire? If it is dimmer switch is there a way to wire it straight up so panel will work?
Was this
answer
helpful?
Yes
No
Wednesday, October 13th, 2021 AT 7:52 PM
Tiny
JACOBANDNICKOLAS
  • MECHANIC
  • 110,192 POSTS
Hi,

If you are using a voltmeter, place the red + wire on the light blue wire and the black voltmeter wire to a known good ground. You should have 12v. The dimmer switch itself is a rheostat that changes the voltage to the lights to dim or brighten them.

Let me know if I can help.

Take care,

Joe
Was this
answer
helpful?
Yes
No
Wednesday, October 13th, 2021 AT 8:02 PM

Please login or register to post a reply.